NXT-III-IIIC 系统手册 - 第269页
6. 运用各种功能时的操作 SYS-NXT3c-007S0 248 NXT III/NXT IIIc 系统手册 6.6 支撑销自动配置功能 内藏在贴装工作头中的吸取器吸 取支撑销, 并且配置到支撑板上的功能 。 使用该功能时, 贴 装工作头和搬运轨道必须对应支 撑销自动配置功能。 另外,对于没有实施维修保养的 供料器,即使进行验证也不会通过 。 6.6.1 如何配置支撑销 1. 请将使用的支撑销安装到销支架 。 a. 请使用手动模式将模…

SYS-NXT3c-007S0 6. 运用各种功能时的操作
NXT III/NXT IIIc 系统手册 247
6.5.3 注意事项
1. 在电路板轮廓的检测区域内请不要放置光泽物。
2. 如果支撑板上面附着了润滑剂等,就会成为电路板轮廓检测失败的原因。
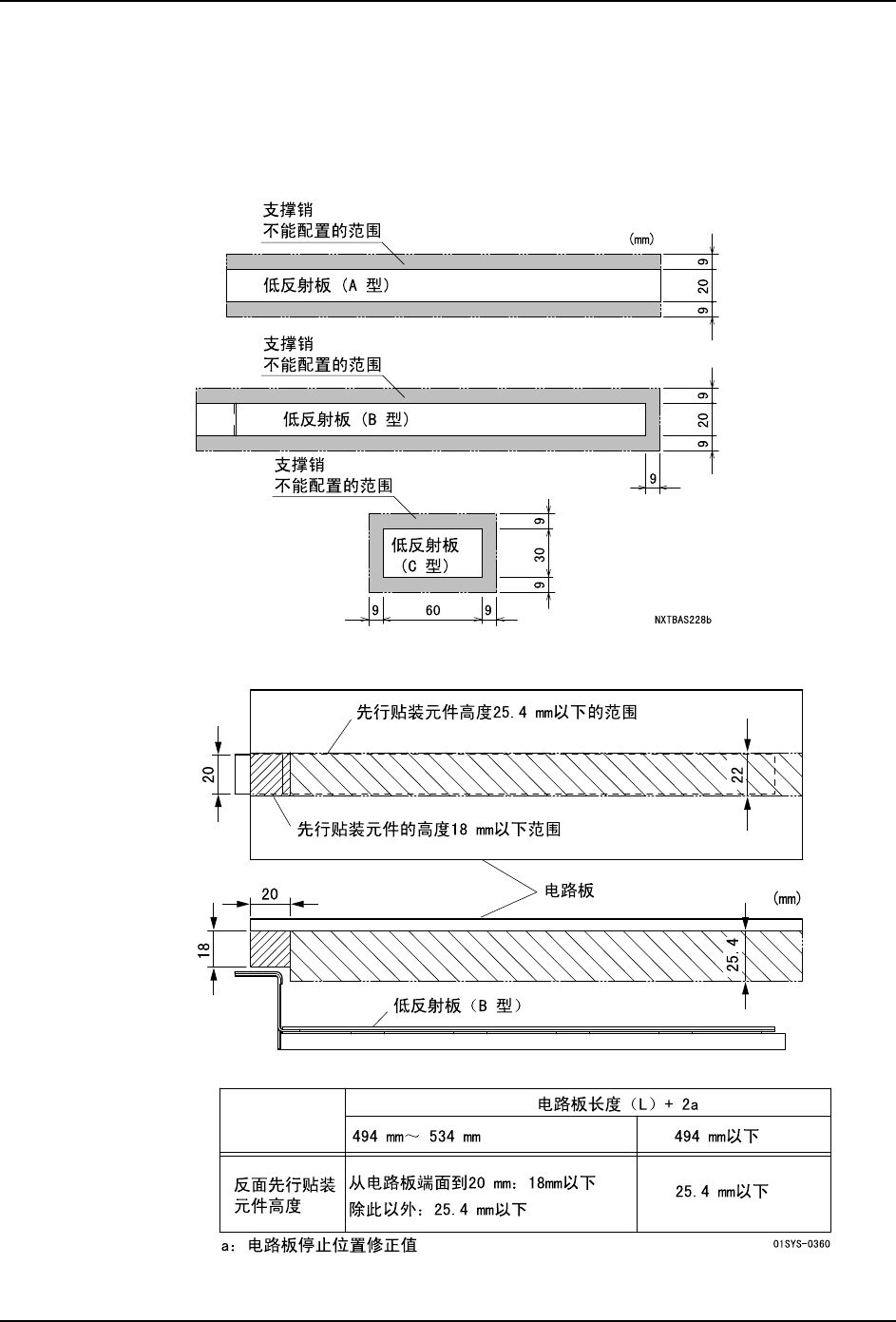
3. 安装了低反射板后,在其周围不能配置支撑销。不能配置的范围如下。
4. 安装了 B 类型的低反射板的位置,对优先贴装元件的高度有限制。请参考下图。

6. 运用各种功能时的操作 SYS-NXT3c-007S0
248 NXT III/NXT IIIc 系统手册
6.6 支撑销自动配置功能
内藏在贴装工作头中的吸取器吸取支撑销,并且配置到支撑板上的功能。使用该功能时,贴
装工作头和搬运轨道必须对应支撑销自动配置功能。
另外,对于没有实施维修保养的供料器,即使进行验证也不会通过。
6.6.1 如何配置支撑销
1. 请将使用的支撑销安装到销支架。
a. 请使用手动模式将模组拉出。
b. 请将支撑销安装到销支架。
c. 请推入模组。
2. 请按 START 按钮。机器通过 Job 中指定的位置配置支撑销。
01SYS-0715

SYS-NXT3c-007S0 6. 运用各种功能时的操作
NXT III/NXT IIIc 系统手册 249
6.6.2 关于运用异常
对使用自动支撑销配置功能时发生异常后的解决方法进行说明。
当找不到支撑销或销无法返回时
用手将所配置的支撑销返回到销支架内的时候发生。或者在进行配置后确认时,找不到支撑
销的时候发生。以及完成配置的支撑销数量比在模组功能设定的支撑销数量多的时候发生。
a. 请按下模组拉出按钮后拉出模组。
b. 请用手将支撑板上所有的支撑销返回到销支架内,然后插入模组。
注意 )能进行支撑销的返回时,如果不将支撑销返回到销支架内就解除错误重新开始生产,
可能会在已经配置了支撑销的地方配置新的支撑销,从而导致支撑销之间的干扰。请将
没有返回的支撑销都返回到销支架后再重新开始生产。
吸取器一直闭合时
想要使用吸取器抓取支撑销时,吸取器一直处于闭合。
a. 请按下模组拉出按钮后拉出模组。
b. 请用手向上推入吸取器使之打开,然后插入模组。
01SYS-0797
01SYS-0798