P228001e.pdf - 第113页
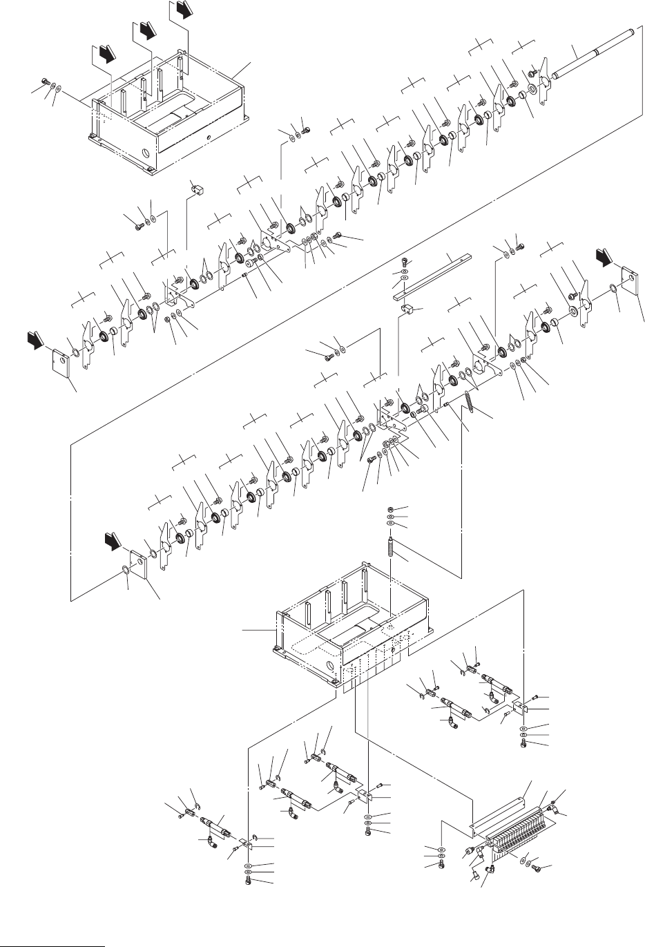
MODEL TIM-5000 9905-001 QC-2 Key No. PART No. PART NAME Q'ty REMA RKS 101 630 082 9099 ASSY,LEVER 19 101 -01 630 071 7419 LEVER 1 101 -02 630 071 9246 BEARING,RADIAL 1 101 -03 630 071 9161 BOLT,HEX-SC T 3 102 630 07…

MODEL TIM-5000
9905-001
フィ−ダベ−ス部 FEEDER BASE SECTION
Fig. QC-2テ−プ送りレバ− Tape Feed Lever
See Fig.QC-1See Fig.QC-1
Key No.1Key No.1
See Fig.QC-1See Fig.QC-1
Key No.1Key No.1
167167
166166
167167
169169
120120
101101
101101
126126
101101
103103
101101
C
C
B
B
A
A
101101
101101
101101
101101
101101
101101
102102
108108
108108
108108
108108
108108
108108
182182
183183
167167
170170
166166
104104
105105
166166
167167
168168
101101
109109
184184
182182
181181
110110
119119
106106
107107
151151
152152
181181
182182
183183
162162
161161
111111
115115
112112
196196
115115
122-1122-1
116116
122-1122-1
196196
122122
122122
122122
196196
114114
167167
166166
169169
122122
116116
167167
166166
169169
124124
129129
127127
117117
123123
128128
129129
171171
172172
173173
113113
167167
166166
169169
116116
122-1122-1
122122
115115
113113
167167
169169
166166
112112
196196
196196
122-1122-1
112112
115115
196196
112112
115115
196196
112112
122-1122-1
115115
115115
163163
109109
120120
108108
120120
120120
108108
108108
108108
108108
108108
120120
101101
126126
120120
120120
101101
103103
101101
101101
101101
101101
101101
101101
120120
168168
167167
166166
181181
152152
151151
107107
119119
106106
181181
182182
184184
120120
108108
109109
120120
120120
120120
166166
104104
166166
167167
169169
169169
101-1101-1
101-2101-2
101-3101-3
101-1101-1
101-2101-2
101-3101-3
101-1101-1
101-2101-2
101-3101-3
101-1101-1
101-2101-2
101-3101-3
101-1101-1
101-2101-2
101-3101-3
101-1101-1
101-2101-2
101-3101-3
101-1101-1
101-2101-2
101-3101-3
101-1101-1
101-2101-2
101-3101-3
126-1126-1
126-3126-3
126-2126-2
101-1101-1
101-2101-2
101-3101-3
103-1103-1
103-3103-3
103-2103-2
101-1101-1
101-2101-2
101-3101-3
101-1101-1
101-2101-2
101-3101-3
101-1101-1
101-2101-2
101-3101-3
101-1101-1
101-2101-2
101-3101-3
101-1101-1
101-2101-2
101-3101-3
101-1101-1
101-2101-2
101-3101-3
101-2101-2
101-3101-3
101-1101-1
103-1103-1
103-3103-3
103-2103-2
101-1101-1
101-2101-2
101-3101-3
126-1126-1
126-3126-3
126-2126-2
101-1101-1
101-2101-2
101-3101-3
101-2101-2
101-3101-3
101-1101-1
119119
119119
130130

MODEL TIM-5000
9905-001
QC-2
Key No. PART No. PART NAME Q'ty REMARKS
101 630 082 9099 ASSY,LEVER 19
101 -01 630 071 7419 LEVER 1
101 -02 630 071 9246 BEARING,RADIAL 1
101 -03 630 071 9161 BOLT,HEX-SCT 3
102 630 071 7365 SHAFT 1
103 630 082 9105 ASSY,LEVER 2
103 -01 630 075 1642 LEVER 1
103 -02 630 071 9246 BEARING,RADIAL 1
103 -03 630 071 9161 BOLT,HEX-SCT 3
104 630 075 1680 BLOCK 2
105 630 071 7266 PLATE 1
106 630 075 1673 ROD 2
107 630 075 1666 SPACER 2
108 630 071 7303 SPACER 13
109 630 074 4231 BLOCK 3
110 630 071 7457 SPRING,TENSION 1
111 630 074 0189 HOOK 1
112 630 074 8802 ROD END 19
113 630 074 8796 BRACKET 9
114 630 071 8720 BRACKET 1
115 630 071 8331 SHAFT 21
116 630 074 8789 SHAFT 17
117 630 071 9635 BRACKET 1
119 630 034 0020 CAM FOLLOWER 2
120 630 071 9215 SPACER 20
122 630 074 3258 CYLINDER 19
122 -01 630 003 7241 PIPE FITTINGS 2
123 630 071 9185 AIR LINE EQPT 1
124 630 071 9192 AIR LINE EQPT 1
126 630 082 9112 ASSY,LEVER 2
126 -01 630 075 1659 LEVER 1
126 -02 630 071 9246 BEARING,RADIAL 1
126 -03 630 071 9161 BOLT,HEX-SCT 3
127 630 003 7241 PIPE FITTINGS 19
128 630 003 8118 PIPE FITTINGS 1
129 630 003 7326 PIPE FITTINGS 2
130 630 003 7807 PIPE FITTINGS 1
151 411 141 4701 WASHER V 10X21X2 2 FW10
152 411 141 3209 WASHER SPR 10 2 SW10
161 411 141 4305 WASHER V 6X12.5X1.6 2 FW6
162 411 141 3001 WASHER SPR 6 2 SW6
163 411 141 0703 NUT HEX 6 2 M6
166 411 141 4107 WASHER V 5X10X1 38 FW5
167 411 141 6705 WASHER SPR 5 38 SW5
168 630 000 7749 BOLT,HEX-SCT 8 M5X10
169 630 000 7763 BOLT,HEX-SCT 28 M5X16
170 630 000 7770 BOLT,HEX-SCT 2 M5X20
171 411 141 4008 WASHER V 4X9X0.8 2 FW4
172 411 141 2905 WASHER SPR 4 2 SW4
173 630 000 7671 BOLT,HEX-SCT 2 M4X25
NOTE
4 unit/1 machine

MODEL TIM-5000
9905-001
QC-2
Key No. PART No. PART NAME Q'ty REMARKS
181 411 119 2104 WASHER V 4X9X0.8 4 FW4 F
182 411 008 1706 WASHER SPR 4 4 SW4 F
183 630 000 8609 BOLT,HEX 2 M4X30 HEX
184 411 054 8506 NUT HEX 4 2 M4 F
196 411 001 0201 RING E 5 21
NOTE
4 unit/1 machine