P228001e.pdf - 第135页
MODEL TIM-5000 9905-001 BB-3 Key No. PART No. PART NAME Q'ty REMA RKS 216 411 141 4107 W ASER V 5X10X1 8 FW 5 217 411 141 6705 W AHER SPR 5 8 SW 5 218 630 000 7749 BOLT,HEX -SCT 8 M5X10 221 411 141 4008 W ASHER V 4X…

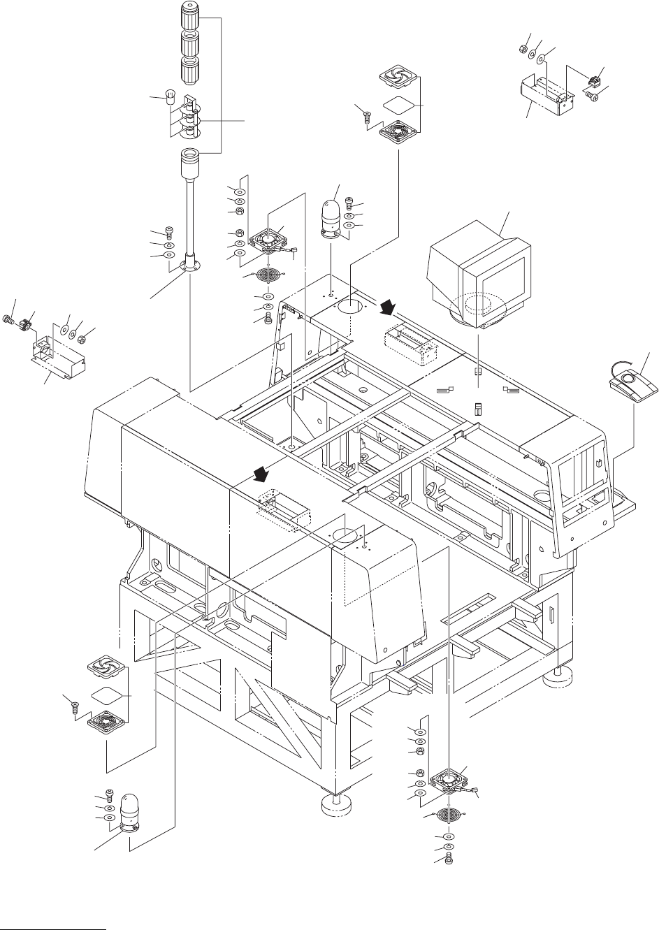
MODEL TIM-5000
9905-001
本体電装部 MACHINE ELECTRICAL SECTION
Fig. BB-3フレーム中段 SDS Frame Middle SDS
267
261
266
277
263
269
221
278
222
223
218
217
216
231
233
232
231
232
233
266
266
268
261
269
260
268
269
231
232
233
233
231
234
232
232
231
218
217
216
233
232
231
266
261
231
232
233
269
268
276
233
232
231
266
275
268
269
260
231
232
233
273
266
233
232
231
260
231
232
233
268
269
216
217
218
274
See Fig.B-1
Key No.1
See Fig.N-3
Key No.204
See Fig.N-7
Key No.604
223
222
221
274
273
231
266
232
233
233
232
231
216
217
218
260
268
269
221
222
223
223
222
221

MODEL TIM-5000
9905-001
BB-3
Key No. PART No. PART NAME Q'ty REMARKS
216 411 141 4107 WASER V 5X10X1 8 FW5
217 411 141 6705 WAHER SPR 5 8 SW5
218 630 000 7749 BOLT,HEX-SCT 8 M5X10
221 411 141 4008 WASHER V 4X9X0.5 13 FW4
222 411 141 2905 WASHER SPR 4 13 SW4
223 630 000 7602 BOLT,HEX-SCT 13 M4X6
231 411 119 1909 WASHER V 3X7X0.5 56 FW3 F
232 411 086 4408 WASHER SPR 3 56 SW3 F
233 411 041 8908 SCR PAN 3X6 52 M3X6 PAN
234 411 113 0502 SCR PAN 3X14 4 M3X14 PAN
260 630 071 2551 UNIT,I/O 4 675BB-11D-860
261 630 071 2568 UNIT,I/O 3 675BB-11D-861
266 630 069 1078 ACCESSORY,P.C.B 28 675BB-11D-866
267 630 006 0218 ACCESSORY,P.C.B 4 675BB-11D-968
268 630 070 2972 CONNECTOR 5 675BB-11D-868
269 630 070 2965 CONNECTOR 7 675BB-11D-652
273 630 074 3760 BRACKET 2 675N--11V-071
274 630 074 3777 COVER 2 675N--11V-072
275 630 074 3746 BOX 1 675BB-11V-275
276 630 072 5568 COVER 1 675BB-11V-276
277 630 074 3753 BOX 1 675BB-11V-277
278 630 074 3784 COVER 1 675BB-11V-278
NOTE

MODEL TIM-5000
9905-001
本体電装部 MACHINE ELECTRICAL SECTION
Fig. BB-4装置上面 Mechine Upper
A
370
336
337
340
339
B
DETAIL"A"
DETAIL"B"
See Fig.G-1
Key No.30
See Fig.G-1
Key No.30
370
368
369
336
337
339
368-1
340
337
336
339
366
335
367
341
343
342
362
363
340
336
337
336
361
359
360
338
337
366
335
359
360
340
336
337
366
340
337
336
361
338
337
336
340
337
336
337
339
369
.
369-1
.
369-1