P228001e.pdf - 第9页
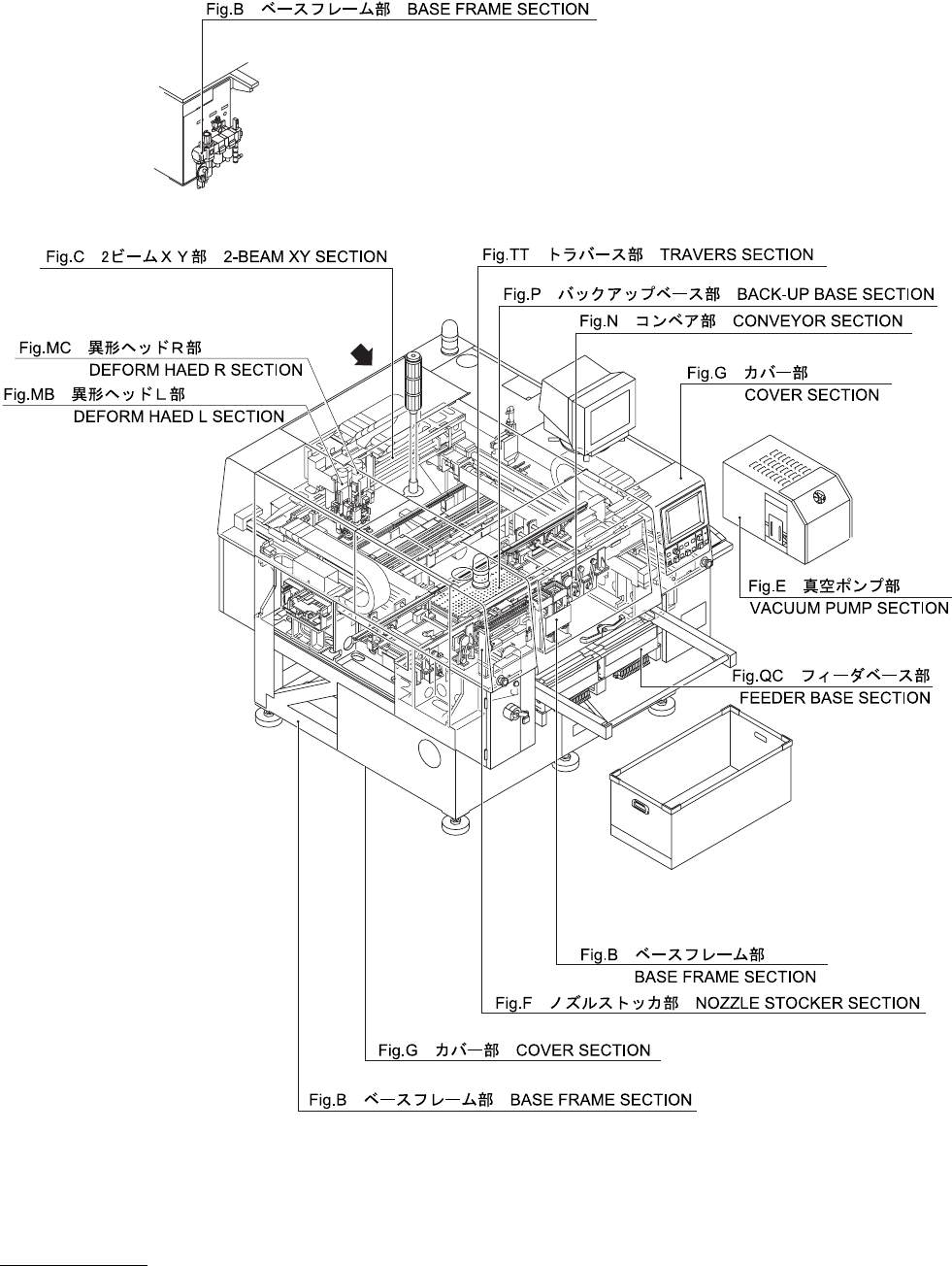
MODEL TIM-5000 9905-001 全体図−2 UNIT LA YOUT -2 UNIT LA YOUT-2

MODEL TIM-5000
9905-001
ベースフレーム部 BASE FRAME SECTION
Fig. B-1 ベースフレーム Base Frame
1
6363
6262
6161
1717
9090
5
1212
1313
2
3
9191
9292
9393
9191
6363
6262
6161
1919
6363
6262
6161
1818
9292
9393
4
1212
4
1212
4
1212
4
1111
5656
5757
5858
1111
5656
5757
5858
9090
5
1313
1313
5
9090
1313
5
9090

