NXTII机械手册 - 第461页
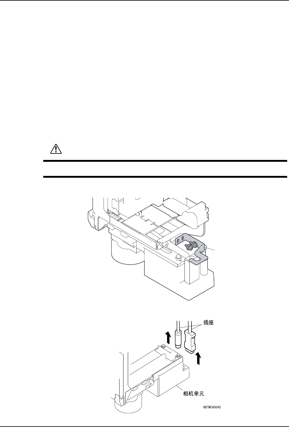
QD145-15 8. 部件的更换 NXT II 机械手册 437 5 . 拧 松 螺 栓( 2根)帽 和 六 角 螺 栓( 2根) 、 将 相 机 向 后 方 滑 出 并 取 下 。 注意 )请绝对不要松动相机单元的螺栓和定位栓。 6. 拆下灯具单元的连接线插座。 1;70&$6E Ⳍᴎऩܗ ݁㾦㶎ᷧ 㧔 Փ⫼0݁㾦ᡇ 㧕 㶎ᷧᐑ 㧔 Փ⫼0݁㾦ᡇ 㧕

QD145-15 8. 部件的更换
NXT II 机械手册 437
5. 拧松螺栓(2根)帽和六角螺栓(2根)、将相机向后方滑出并取下。
注意 )请绝对不要松动相机单元的螺栓和定位栓。
6. 拆下灯具单元的连接线插座。
1;70&$6E
Ⳍᴎऩܗ
݁㾦㶎ᷧ
㧔Փ⫼0݁㾦ᡇ㧕
㶎ᷧᐑ
㧔Փ⫼0݁㾦ᡇ㧕

