PTS-XPFL-04JE - 第156页
156 PTS-XPFL-04JE

ࡇࡢ࣮࣌ࢪࡣࣈࣛࣥࢡ࣮࣌ࢪ࡛ࡍࠋ
This page intentionally blank.
155
PTS-XPFL-04JE

156
PTS-XPFL-04JE

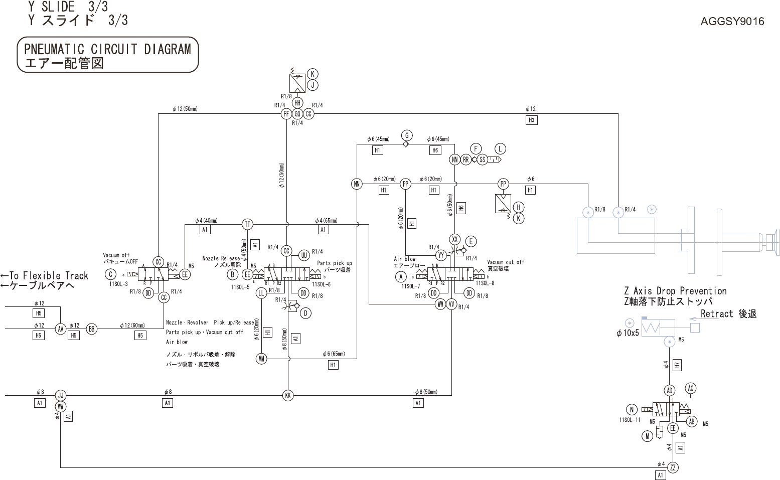
Y SLIDE 3/3
Y スライド 3/3
AGGSY9016
No. Drg.No. & Code No. QTY Description Rating Materials Remarks
番号 図番 & コード番号 個数 品名 規格 材質 備考
A H1124G 1 VALVE, SOL バルブ SOL VQZ3321-5M-02 OT
B H1124E 1 VALVE, SOL バルブ SOL VQZ3321R-5M-02 OT
C H1124F 1 VALVE, SOL バルブ SOL VQZ342R-5M-02 OT
D K5346T 1 CONTROLLER, SPEED コントローラ スピード AS2211F-02-08S OT
E K5343C 1 CONTROLLER, SPEED コントローラ スピード AS2201F-02-06S (シロ) OT
F H1052B 1 VALVE, CHECK バルブ チェック AKH08-00 OT
G H10518 1 VALVE, CHECK バルブ チェック AKH06-00 OT
H S40332 1 SENSOR, PRESSURE センサ 圧力 PSE543-R06 OT
J S40331 1 SENSOR, PRESSURE センサ 圧力 PSE543-01 OT
K S40330 2 SENSOR, PRESSURE センサ 圧力 PSE304-ML OT
L S10581 1 SILENCER サイレンサ AN200-KM8 OT
M S1058A 1 SILENCER サイレンサ AN120-M5 OT
N H1124B 1 VALVE, SOL バルブ SOL VQZ1121-5M-C4 OT
AA A4066W 1 ELBOW エルボ KQ2LU12-00 OT
BB A40684 1 ELBOW エルボ KQ2L12-00 OT
CC Y3081C 4 UNION, ELBOW ユニオン エルボ KQ2L12-02S OT
DD A3034A 4 PLUG 埋栓 PT1/8 OT
EE Y3049G 3 UNION, ELBOW ユニオン エルボ KJL04-M5(シロ) OT
FF Y3044X 1 UNION, ELBOW ユニオン エルボ KQ2VD12-02S OT
GG A41510 1 ELBOW エルボ SUTPT8A OT
HH A41513 1 ELBOW エルボ SUTPB12 OT
JJ Y3071H 1 UNION ユニオン KQ2T08-00 OT
KK Y3077L 1 UNION, ELBOW ユニオン エルボ KQ2LU08-00 OT
LL Y3049W 1 UNION, ELBOW ユニオン エルボ KJL06-01S(シロ) OT
MM Y30775 1 UNION, ELBOW ユニオン エルボ KQ2L06-00 OT
NN Y3037S 2 UNION ユニオン KQ2D06-00 OT
PP Y3070A 2 UNION ユニオン KQ2T06-00 OT
RR N2033W 1 NIPPLE ニップル KQ2N06-08 OT
SS A4066R 1 ELBOW エルボ KQ2L08-99 OT
TT Y30742 1 UNION ユニオン KQ2U04-00 OT
UU A3033A 1 PLUG 埋栓 PT1/4 OT
VV Y3081K 1 UNION, ELBOW ユニオン エルボ KQ2VD08-02S OT
WW A4066S 2 ELBOW エルボ KQ2L04-08 OT
XX Y3079H 1 UNION, ELBOW ユニオン エルボ KQ2L06-99 OT
YY Y3079A 1 UNION, ELBOW ユニオン エルボ KQ2L06-02S OT
ZZ Y3077R 1 UNION, ELBOW ユニオン エル
ボ
KQ2L04-00 OT
157
PTS-XPFL-04JE