PTS-XPFL-04JE - 第81页
BED 6/6 ベッド 6/6 AGGAB9004 No. Drg.No. & Code No. QTY Description Rating Materials Remarks 番号 図番 & コード番号 個 数 品名 規格 材質 備考 AA S5023H 1 SOCKET ソケット 30SH OT BB K1086T 1 COUPLER カ プラ 30PM OT CC H1046A 1 VALVE, STOP バル…

80
PTS-XPFL-04JE

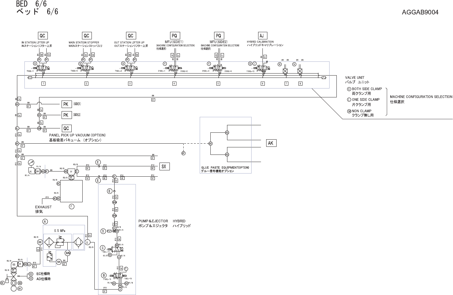
BED 6/6
ベッド 6/6 AGGAB9004
No. Drg.No. & Code No. QTY Description Rating Materials Remarks
番号 図番 & コード番号 個数 品名 規格 材質 備考
AA S5023H 1 SOCKET ソケット 30SH OT
BB K1086T 1 COUPLER カプラ 30PM OT
CC H1046A 1 VALVE, STOP バルブ ストップ A3/8X100 OT
DD XB02501 1 VALVE, BALL バルブ ボール OT
EE K2027R 1 KEY キー C1000-50 OT
FF H1282A 3 PIPE, DOUBLE ENDED パイプ 両口 3/8X 25 OT
GG A4061A 1 ELBOW エルボ 3/8 OT
HH Y30666 1 UNION ユニオン KQ2E10-03 OT
JJ A4066H 2 ELBOW エルボ KQ2L10-99 OT
KK Y3081A 1 UNION, ELBOW ユニオン エルボ KQ2L10-03S OT
LL Y31017 1 UNION, ELBOW ユニオン エルボ KQ2Z10-03S OT
MM Y3121A 1 UNION, ELBOW ユニオン エルボ KQ2VS04-01S OT
NN Y3077Z 1 UNION, ELBOW ユニオン エルボ KQ2L04-M5 OT
PP Y30682 6 UNION ユニオン KQ2R04-06 OT
RR Y3080A 3 UNION, ELBOW ユニオン エルボ KQ2L10-02S OT
SS A3034A 3 PLUG 埋栓 PT1/8 OT
TT H3145S 1 PLUG プラグ KQ2P-10 OT
UU Y3085A 1 UNION, HALF ユニオン ハーフ KQ2H10-02S OT
VV Y3081D 1 UNION, ELBOW ユニオン エルボ KQ2L12-03S OT
WW A40684 2 ELBOW エルボ KQ2L12-00 OT
XX Y3035C 1 UNION ユニオン KQ2U12-00 OT
YY T4042A 1 TEE ティー 3/8 OT
ZZ K50769 1 CONNECTOR コネクタ KQ2U12-03S OT
AB Y3079X 1 UNION, ELBOW ユニオン エルボ KQ2L08-03S OT
AC A3036A 1 PLUG 埋栓 PT3/8 OT
AD Y3081G 1 UNION, ELBOW ユニオン エルボ KQ2L16-03S OT
AE A40687 1 ELBOW エルボ KQ2L16-99 OT
AF A4066R 1 ELBOW エルボ KQ2L08-99 OT
AG Y30662 1 UNION ユニオン KQ2E08-02 OT
AH H1216A 1 PIPE, DOUBLE ENDED パイプ 両口 1/4X 35 OT
AJ A4053A 1 ELBOW エルボ 1/4 OT
AK Y3074W 2 UNION ユニオン KQ2T10-08 OT
AL K50767 1 CONNECTOR コネクタ KQ2U08-10 OT
AM Y3071H 1 UNION ユニオン KQ2T08-00 OT
AN K5586A 2 CONNECTOR コネクタ KQ2U08-00 OT
AP K2007Z 1 CAP キャップ KQ2C08-00 OT
AQ Y30744 2 UNION ユニオン KQ2U04-06 OT
AR K50766 1 CONNECTOR コネクタ KQ2U06-08 OT
81
PTS-XPFL-04JE

BED 6/6
ベッド 6/6 AGGAB9004
No. Drg.No. & Code No. QTY Description Rating Materials Remarks
番号 図番 & コード番号 個数 品名 規格 材質 備考
A H30283 1 FILTER REGULATOR フィルタレギュレータ AC40D-03D-X465B OT
B H1124C 1 VALVE, SOL バルブ SOL VQZ3221-5M-C10 OT
C H1124D 1 VALVE, SOL バルブ SOL VQZ342-5M-02 OT
D A4150C 1 EJECTOR エジェクタ CV-20HS OT
E H10510 3 VALVE, CHECK バルブ チェック AKH12-00 OT
F H5447W 1 PUMP, VACUUM ポンプ バキューム KHA750A-305-G1 OT
G H1331A 4 VALVE バルブ VQ1101-5 DC24V OT
H H1332A 2 VALVE バルブ VQ1201-5 DC24V OT
J . 1 VALVE, CHECK バルブ チェック VVQ1000-18A OT
K GGPI0021 1 VALVE UNIT バルブユニット OT
L GGPI0190 1 VALVE UNIT バルブユニット OT
M GGPI0121 1 VALVE UNIT バルブユニット OT
N H3051E 2 COVER, BLIND 蓋 盲 VVQ1000-10A-1 OT
82
PTS-XPFL-04JE