P-0329-009_SIGMA-G5SII - 第147页
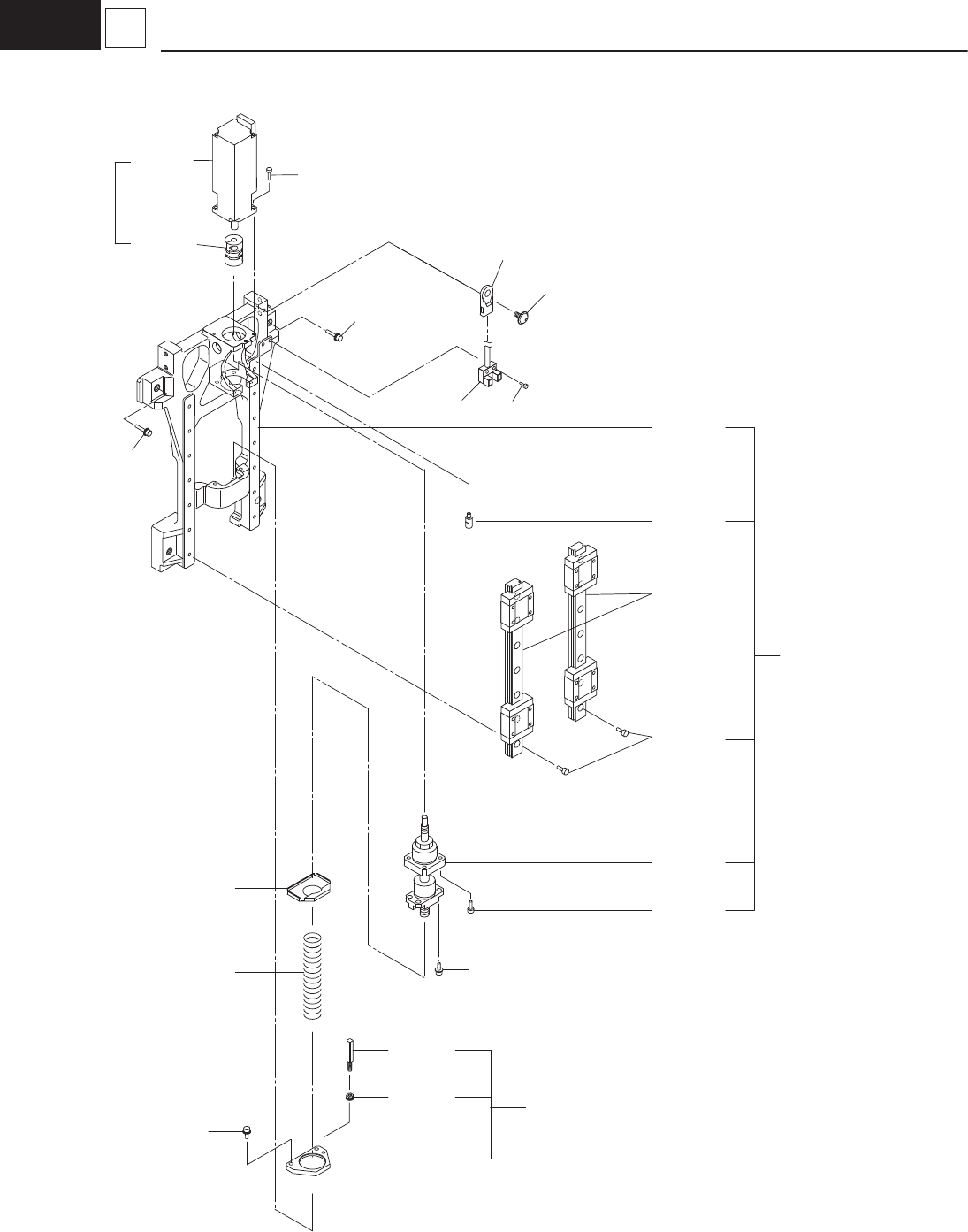
– 141 – HIGH SP EE D H E AD SE CT ION 2006-009 No. Part No. Part Name Qty . Detail Y amaha Hitachi 3 KYB-M7008-00 0914014W ASSY_WARNING-HH_1 1 4 KYB-M700B-00 101 1300Z ASSY_PLA TE_INDEX 1 14 KYB-M701J-00 101 1D606 PCB-MO…

– 141 –
HIGH SPEED HEAD SECTION
2006-009
No.
Part No.
Part Name Qty. Detail
Yamaha Hitachi
3 KYB-M7008-00 0914014W ASSY_WARNING-HH_1 1
4 KYB-M700B-00 1011300Z ASSY_PLATE_INDEX 1
14 KYB-M701J-00 1011D606 PCB-MOUNT 1 UC40
15 KYX-M701M-00 PCB-MOUNT 1 UC48
17 KYB-M701K-01 HNS,SLIP RING 1
18 KYB-M701L-00 1011D60B HNS,HEAD SENSOR 1
19 KYX-M700F-00 COVER_HEAD 1
20 KYX-M700E-00 BRACKET, MOVE 1
21 KYB-M701G-00 1011D21M BRACKET_CON-CAB 1
22 KYX-M7009-00 ASSY_CONNECTOR-BOX 1
22-01 KYB-M7011-00 1011300T ASSY-BLOW-VALVE 1
22-02 KYX-M700G-00 BRACKET_BOX 1
22-03 KYB-M91AJ-00 1005AB17 PIPE_FITTINGS 1
22-04 KYB-M703M-00 1011D20N PIPE_FITTINGS 1
22-05 KYB-M220P-00 1005AB0E PIPE_FITTINGS 1
22-06 90112-02J010 221AB014 BOLT,HEX.SOCKET HEAD 2 M2L10
22-07 90171-02J026 221HA101 WASHER,PLAIN 2 FW2
22-08 91312-03016 221AA010 BOLT,HEX.SOCKET HEAD 1 M3L16
22-09 92902-03200 221HA103 WASHER,PLAIN 1 FW3
31 KYB-M65AW-00 23N30632 WIRING 3
32 97602-03306 221DB002 SCREW,PAN HEAD WW 5 PAN M3L6 SW+FWS
33 91312-03006 221AA005 BOLT,HEX.SOCKET HEAD 9 M3L6
34 91312-03016 221AA010 BOLT,HEX.SOCKET HEAD 2 PAN M3L16 SW+FW
35 91312-04008 221AA016 BOLT,HEX.SOCKET HEAD 4 M4L8
36 90990-11J009 221DA051 SCREW,PAN HEAD WW 7 PAN M3L6 SW+FW
37 KYB-M700C-00 10113101 ASSY_WARNING-HH_2 1

