P-0329-009_SIGMA-G5SII - 第207页
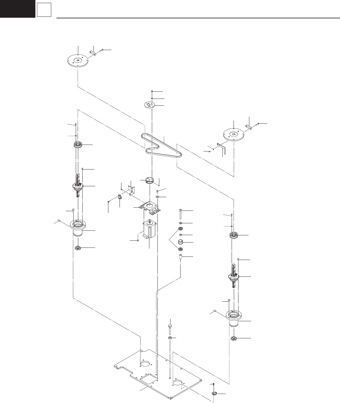
– 201 – SIN GLE C ONVEY OR SE CT ION 2006-009 No. Part No. Part Name Qty . Detail Y amaha Hitachi 1 KYX-M910M-10 BACK UP ASSY . 1 1-01 KYX-M910A-10 BASE R ASSY . 1 1-02 KYX-M910B-10 BASE L ASSY . 1 1-03 91317-08016 1012C…

– 201 –
SINGLE CONVEYOR SECTION
2006-009
No.
Part No.
Part Name Qty. Detail
Yamaha Hitachi
1 KYX-M910M-10 BACK UP ASSY. 1
1-01 KYX-M910A-10 BASE R ASSY. 1
1-02 KYX-M910B-10 BASE L ASSY. 1
1-03 91317-08016 1012C0AE BOLT,HEX.SOCKET HEAD 16
2 KYX-M911F-00 PLATE L 1
3 KYX-M911G-00 PLATE R 1
4 91312-04010 221AA017 BOLT,HEX.SOCKET HEAD 20
5 KYB-M916K-00 101223A2 ASSY-BU-PIN-SENS 1
6 KYX-M91BG-00 BRACKET R 1
7 KYX-M91BF-00 BRACKET L 1
8 90166-02J210 221DA004 SCREW,PAN HEAD 4
9 90171-02J026 221H0307 WASHER,PLAIN 4
10 KYB-M91C8-00 211FD666 BRACKET 2
11 KYA-M3802-00 0974J00U BACK_UP_PIN 20
12 KYA-M7740-A0 0974900Y NOZZLE PK01C ASSY. 1
13 KYX-M91AM-00 BUP-DET-SENSOR ASSY. 1

