N7202A058B.pdf - 第193页
Ref No. Remark s R 1 Q'ty 1-E デュアル コンベア:N PM-T T2 Dual Conv eyor:NPM -TT2 イラスト No. Part No. 品 名 品 番 数量 R 2 パーツリスト Kit No. キット品番 Kit Nam e キット名称 MTKA0050 78AA Part Nam e 備 考 セクションN o. PARTS LIST Section No. R 3 CLAMP…

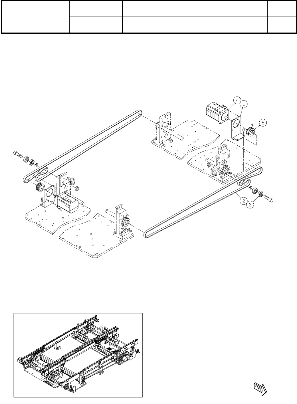
1-E
デュアルコンベア:NPM-TT2
Dual Conveyor:NPM-TT2
パーツレイアウト
Kit No.
キット品番
Kit Name
キット名称
MTKA005078AA
セクションNo.
PARTS LAYOUT
Section No.
--
O9
( KMTKA005078AA-11-5 )

Ref
No.
Remarks R
1
Q'ty
1-E
デュアルコンベア:NPM-TT2
Dual Conveyor:NPM-TT2
イラスト
No.
Part No.
品 名品 番 数量
R
2
パーツリスト
Kit No.
キット品番
Kit Name
キット名称
MTKA005078AA
Part Name
備 考
セクションNo.
PARTS LIST
Section No.
R
3
CLAMPER
4
1 MTPA008163AC
BOLT
8
2 N210130056AA
PIN
8
3 MTPA020565AA
CLAMPER
4
4 MTPB004571AA
DUCT
8
5 MTPB004581AA
NUT
8
6 N510017859AA
Hexagon nut Type-3 Best class M4-6H-4T A2J (Trivalent)
BOLT
12
7 N510067772AA Low Head Cap Screw M4X6-8.8 A2J(Trivalent)
BOLT
12
8 N510067807AA
Ultra Low Head Cap Screw M4X6-8.8 A2J(Trivalent)
O10
--
( KMTKA005078AA-11-5 )

1-F
デュアルコンベア:NPM-TT2
Dual Conveyor:NPM-TT2
パーツレイアウト
Kit No.
キット品番
Kit Name
キット名称
MTKA005078AA
セクションNo.
PARTS LAYOUT
Section No.
--
O11
( KMTKA005078AA-11-6 )