KE-3010_KE-3020V_KE-3020VR-Rev05 - 第255页
- 246 - REF.NO NOTE PART NO D E S C R I P T I O N 品 名 Qty 1 401-26506 DISCHARGE_GUIDE_ASM_RE V_B 排出ガイド組REV_B 1 2 401-38858 DISCHARGE_GUIDE_UPPER_RE V_B 排出ガイド上REV_B (1) 3 401-25970 TAPE_GUIDE_C_ASM_ REV_B テープガイドC組REV _B (…

- 245 -
123.CUTTER UNIT COMPONENTS (CHANGER BANK)(4)(TYPE XL)
カッターユニット関係(交換バンク)(4)(XL 仕様)
18
42
3
24
23
40
40
51
46
52
53
52
40
44
43
42
41
25
35
28
34
33
32
31
30
29
27
26
22
22
22
22
20
21
21
21
21
20
20
20
19
17
16
15
15
11
14
13
12
10
9
8
7
6
5
1
2
47
50
49
54
61
60
57
56
62
45
4
36
38
39
37
40
44
48
53
46
58
59
55
66
64
65
63

- 246 -
REF.NO NOTE PART NO D E S C R I P T I O N
品 名
Qty
1 401-26506 DISCHARGE_GUIDE_ASM_REV_B
排出ガイド組REV_B
1
2 401-38858 DISCHARGE_GUIDE_UPPER_REV_B
排出ガイド上REV_B
(1)
3 401-25970 TAPE_GUIDE_C_ASM_REV_B
テープガイドC組REV_B
(1)
4 401-38839 TAPE_GUIDE_C
テープガイドC
(1)
5 SL-6030692-TN SCREW M3 L=6
座金付き六角穴ボルト M3 L=6
(7)
6 401-38813 SHAFT
シャフト
(1)
7 401-17450 ONEWAY CLUTCH
ワンウェイクラッチ
(1)
8 401-17433 HUSING
ハウジング
(1)
9 401-17434 ARM
アーム
(1)
10 401-17436 CYL JOINT
シリンダジョイント
(1)
11 E1038-871-000 PLATEN LOCK CAM SCREW
プラテン ロックカム スクリュウ
(1)
12 401-38820 CYL_SUP_10
シリンダサポート10
(1)
13 SL-6030692-TN SCREW M3 L=6
座金付き六角穴ボルト M3 L=6
(2)
14 401-17440 CYLINDER
シリンダ
(1)
15 PC-0105190-00 SPEED CONTROLLER
スピードコントローラ
(2)
16 NM-6040001-SC NUT M4X0.7 TYPE1
六角ナット M4×0.7 1種
(1)
17 PJ-3010400-04 REDUCER
レデューサ
(2)
18 401-38816 TAPE_GUIDE_D
テープガイドD
(1)
19 BT-0400251-EA URETHANE TUBE BLUE 4X2.5
ポリウレタンチューブ 青 4X2.5
(0.4)
20 401-17435 BRG PLATE
ベアリングプレート
(4)
21 SB-1080007-00 BEARING
ころがり軸受
(4)
22 SL-6030692-TN SCREW M3 L=6
座金付き六角穴ボルト M3 L=6
(8)
23 401-38811 SP_HOOK_BR
SPフックブラケット
(1)
24 SL-6040892-TN SCREW M4 L=8
座金付き六角穴ボルト M4 L=8
(4)
25 401-26507 BELT_PLATE_ASM_REV_B
ベルトプレートREV_B
(9)
26 401-38817 PLATE_A
プレートA
(1)
27 401-38818 PLATE_B
プレートB
(1)
28 401-38812 IDLER
ァイドラ
(1)
29 401-17446 IDLER
アイドラ
(1)
30 401-17447 IDLER SHAFT
アイドラシャフト
(1)
31 401-17448 COLLAR A
カラーA
(1)
32 401-38819 BELT
ベルト
(1)
33 SB-1040005-00 BEARING
ころがり軸受
(1)
34 SM-1020301-SN SCREW
スクリュー
(1)
35 SM-8030302-TP SCREW M3X3
止めねじ M3X3
(2)
36 401-25967 SPACER
スペーサ
(1)
37 SL-6031092-TN SCREW
座金付き六角穴ボルト
(1)
38 WP-0320500-SC WASHER M3
平座金小形丸 M3
(1)
39 NM-6030002-SC NUT M3X0.5 TYPE2
六角ナット M3X0.5 2種
(1)
40 SL-6030692-TN SCREW M3 L=6
座金付き六角穴ボルト M3 L=6
(4)
41 WP-0841601-SC WASHER M8
平座金みがき丸 M8
(9)
42 RE-0600000-K0 E-RING 6
E形止め輪 6
(13)
43 400-94891 SPRING 0.69N
スプリング0.69N
(9)
44 401-38810 GUIDE_SUP
ガイドサポート
(2)
45 SL-6040892-TN BOLT
座金付き六角穴ボルト
(8)
46 SM-3040652-TN SCREW M4 L=6
丸ねじ M4 L=6
(4)
47 401-46779 FILL_GAP_PLATE
FILL GAPプレート
(1)
48 SL-4040891-SC SCREW M4X8
座金付きなべ小ねじ M4 L=8
(4)
49 401-38803 GUIDE_INNER
ガイドインナー
(1)
50 SL-6030692-TN SCREW M3 L=6
座金付き六角穴ボルト M3 L=6
(5)
51 401-38806 TAPE_GUIDE_BOTTOM_A
テープガイドボトムA
(1)
52 400-94843 HINGE B-1146-3
ヒンジ B−1146−3
(2)
53 NM-3040510-SL FLANGE NUT
フランジ付きナット
(4)
54 401-26044 DISCHARGE_GUIDE_LOWER_REV_B
排出ガイド下 REV_B
(1)
55 SL-6040892-TN BOLT
座金付き六角穴ボルト
(2)
56 SL-6040892-TN SCREW M4 L=8
座金付き六角穴ボルト M4 L=8
(4)
57 SL-6030692-TN SCREW M3 L=6
座金付き六角穴ボルト M3 L=6
(2)
58 401-38849 DISCHARGE_COVER
排出カバー
(1)
59 SL-6040892-TN SCREW M4 L=8
座金付き六角穴ボルト M4 L=8
(4)
60 400-92716 TAPE CUTTER DANGER LABEL
テープカッター危険表示ラベル
(1)
61 168-70206 GRAVITY SEAL
荷重中心シール
(1)
62 401-14008 DISCHARGE GUIDE 3
排出ガイド3
(1)
63 401-38821 CUTTER_CABLE_BR
カッターケーブルブラケット
(1)
64 PV-0100060-00 HAND VALVE
ハンドバルブ
(1)
65 SL-6042592-TN SCREW
座金付き六角穴ボルト
(2)
66 HX-0002400-0D CLAMP
クランプ
(2)

- 247 -
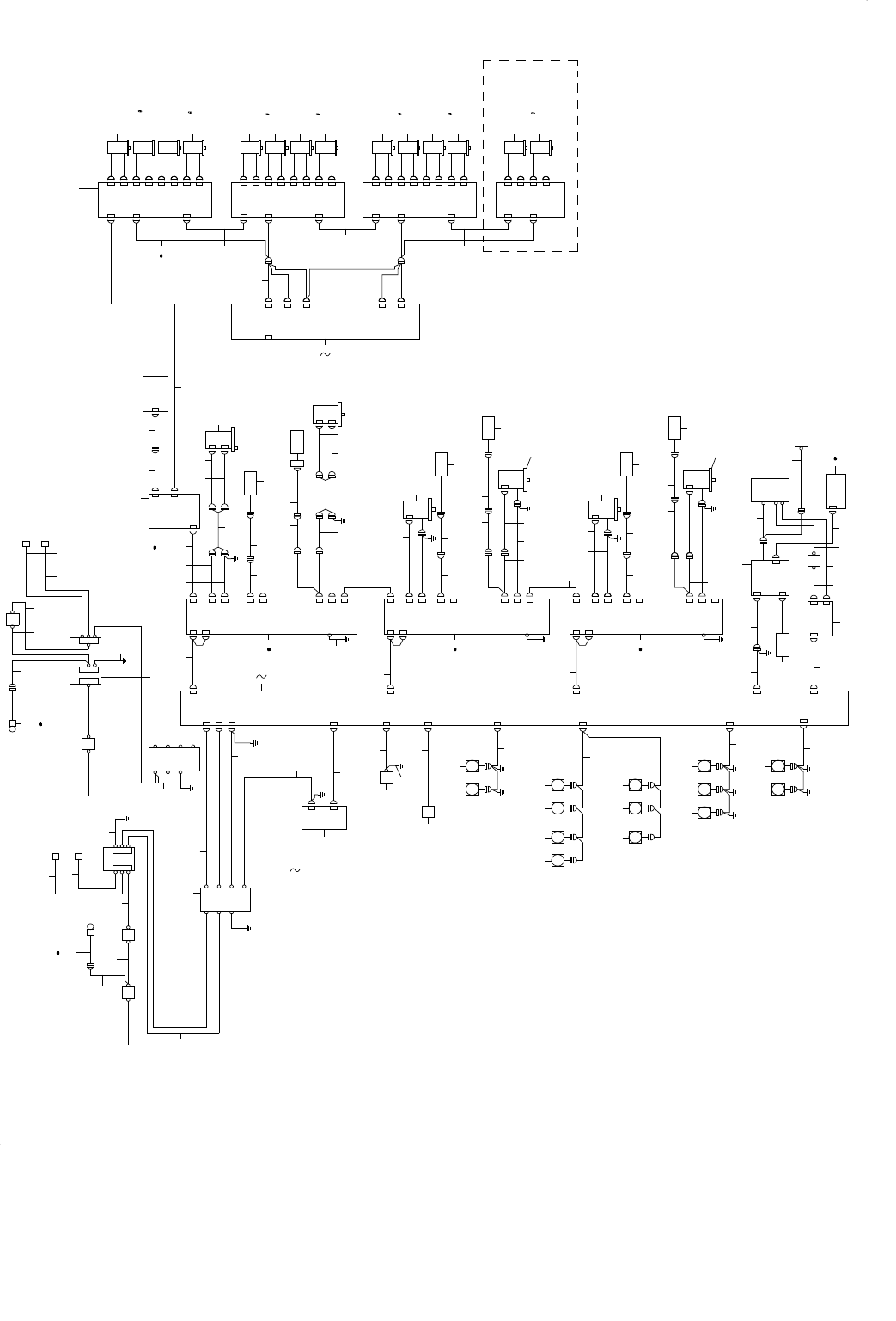
124.SYSTEM DIAGRAM(1)
SYSTEM DIAGRAM(1)
66
18
80 80 80 80 80 80 7979797979797979
76
112
112
11277
78
75
103
105
41
38
36
111
34
35
37
40
39
42
45
44
43
47
48
46
49
54
53
55
57
5858
56 56
61
60
62
57
72
70
71
73
74
63
69
68
81
64
5252
50
51
33
31 32
110
86
59
65
67
11
13
28
30
29
29
27
27
27
26
25
25
22
2421
23
20
19
106
107
15
17
14
108
109
9
8
5
10
7
6
4
2
3
1
INPUT
TB1
XSERVO
AMP
MR-J3-70B-RJ024
[CTRL UNIT]
NFB
AC INPUT
UNIT
MTS PWR(L)
MTC PWR(R)
TB2
TF1
200V
34V
100V
200V
POWER
UNIT
CN01
CN03
CN04
VACUUM
PUMP
CN14A
(CN14B)
CN010
HOUR
METER
CN07
CN06
CN001
FANFAN
[BASE1]
CN003
FANFAN
[BASE2]
CN004
FANFAN
FAN
CN11 CNP1
CNP2
YL SERVO
AMP
MR-J3-200B-RJ024
CN12 CNP1
CNP2
YR SERVO
AMP
MR-J3-200B-RJ024
CN13 CNP1
CNP2
CN063
CN251
ATX-POWER
BATTERY
CPCI
BACK
BOARD
MAIN SW
MAIN SW
E
CN1A
E
CN1B
CN1A
E
CN1A 1CH NET
POSITION
BOARD
CN2
CNP3
CN2L
CN1B
CN2
CNP3
CN2L
CN1B
CN2
CNP3
CN2L
SERVO
MOTOR
750W
YMOTOR
YL
1500W
Y MOTOR
YR
1500W
2CH NET
1-4B
POWER
UNIT
1CH DI
S-XY
RELAY
PCB
CN11
2-5B
1-2D
CN21 CN13
CN37
CN14
CN15
CN38
CN151 X ENC
XMTR
YLMTR
YRMTR
ATX13
PS-ON
XY11
ZTPWR1
ZTPWR2
4AXIS SERVO
AMP(2)
CN1A
CN1B
CNP1
CN2D
CNP2D
CN2C
CNP2C
CN2B
CNP2B
CN2A
CNP2A
4AXIS SERVO
AMP(3)
CN1A
CN1B
CNP1
CN2D
CNP2D
CN2C
CNP2C
CN2B
CNP2B
CN2A
CNP2A
4AXIS SERVO
AMP(1)
CN1A
CN1B
CNP1
CN2D
CNP2D
CN2C
CNP2C
CN2B
CNP2B
CN2A
CNP2A
4AXIS SERVO
AMP(4)
CN1A
CNP1
CN2D
CNP2D
CN2C
CNP2C
2-3B
2-2A
2-2A
2-2B
2-2B
Z1 MOTOR
HC-BP0336LW4-S1
Z2 MOTOR
HC-BP0336LW4-S1
Z3 MOTOR
HC-BP 0336LW4 -S1
Z4 MOTOR
HC-BP 0336LW4 -S1
Z5 MOTOR
HC-BP0336LW4-S1
Z6 MOTOR
HC-BP0336LW4-S1
Z7 MOTOR
HC-BP0336LW4-S1
7 MOTOR
HC-BP0336LW4-S1
1MOTOR
HC-BP0136D-S1
2MOTOR
HC-BP0136D-S1
3MOTOR
HC-BP 0136D-S 1
4MOTOR
HC-BP 0136D-S 1
5MOTOR
HC-BP0136D-S1
6MOTOR
HC-BP0136D-S1
4-5C
1-1A
1-3D
COPLA-PS
COPLA-POWER
CN1
CP
CN2
CN3
CN3
CN4
4-5A
COPLA MONITOR
SWITCH BOARD
ETF
POWER
UNIT
CN04
GND GND
SCALE
HEAD X
ENCX SENSX
SENSYL ENCYL
SCALE
HEAD Y
SENSYR ENCYR
4-1D
4-5A
ONLY 3020V 3020RV
POWER ON
LIGHT
CN001
112
Y MOTOR
YR
1500W
89
87
85
60
82
YRMTR
YRMTR
ENCYR
MOTOR YRCN2
SCALE YRCN2L
SENSYR
CN2
CNP3
CN1B
50 51
ENCYL
SENSYL
89
SCALE
HEAD Y
SCALE
HEAD Y
SCALE
HEAD Y
YLMTR
YMOTOR
YL
1500W
SCALE YLCN2L
MOTOR YLCN2
87
84
53
82
XENC
MOTOR XCN2
SCALE XCN2L
CN165
CN151
CN165
CN2
CNP3
CN1B
CN2
CNP3
CN1B
SENSX
XENC
XMTR
SERVO
MOTOR
750W
90
SCALE
HEAD X
89
87
111
82
87
83
91
100
101
98
97
96
102
95 94
2 3
92
93
TF1
INPUT
NFB
AC INPUT
UNIT
CN001
POWER ON LIGHT
TB1 TB1
MAIN SW 1/2
CN06
MTS PWR(L)
MTC PWR(R)
CN07
LF1
1-3D
200V
100V
34V
200V
99
88
[BASE R SIDE]
[POWER UNIT]
[BASE L SIDE]
FANFANFANFAN
FANFANFAN
[CTRL UNIT]
113
113
113
113
113
113
113
PWR29
5656
36
54
61
45
44