KE-3010_KE-3020V_KE-3020VR-Rev05 - 第258页
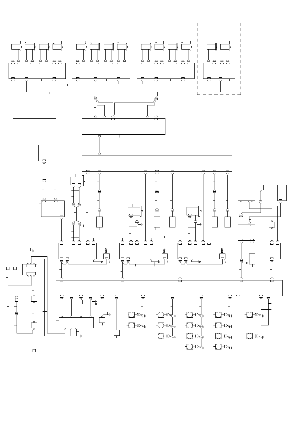
- 249 - 125.SYSTEM DIAGRAM (2)(TYPE XL)(AFTER M/C REV.E) SYSTEM DIAGRA M(2) (XL 仕様) (マシン REV.E 以降) TB1 INPUT 4 5 2 1 3 11 12 10 6 7 20 15 16 17 18 25 28 33 34 35 36 29 37 45 46 74 72 59 58 57 61 70 71 62 94 63 65 78 79 8…

- 248 -
NOTE( 注記 ) #01....FOR 200V 200 V 用
#02....FOR 400V 400 V 用
#03....FOR EN(AFTER M/C REV.E) EN 用(マシン REV.E 以降)
#04....UNTIL M/C REV.D マシン REV.D まで
#05....AFTER M/C REV.E マシン REV.E 以降
REF.NO NOTE PART NO D E S C R I P T I O N
品 名
Qty
1
#04
400-92412 POWER ON LAMP RELAY CABLE ASM
パワーオンランプ中継ケーブル組
1
2
#01
401-06608 POWER LAMP 200V CABLE ASM
パワーランプ200V束線組
1
3
#02
401-06609 POWER LAMP 400V CABLE ASM
パワーランプ400V束線組
1
4
#04
401-09918 BREAKER OUT CABLE ASM
ブレーカ出力ケーブル組
1
5
#04
401-09919 MAIN SW OUTPUT CABLE ASM
メインスイッチ出力ケーブル組
1
6
#04
401-09922 MTC PWR WIRE L ASM
MTC電源Lケーブル組
1
7
#04
401-09923 MTC PWR WIRE R ASM
MTC電源Rケーブル組
1
8
#04
401-09920 TF INPUT CABLE ASM
トランス入力ケーブル組
1
9
#04
401-09921 TF INPUT DELTA CABLE ASM
トランス入力デルタ結線ケーブル組
1
10
#04
401-09924 INPUT UNIT FG CABLE ASM
入力ユニットFGケーブル組
1
11
#04
401-14531 POWER UNIT ASM
電源ユニット組
1
12
#05
401-33955 POWER SUPPLY UNIT ASM
電源ユニット組
1
13
#03
401-33958 POWER SUPPLY UNIT (EN) ASM
電源ユニット(EN)組
1
14 401-09926 TF 200V OUTPUT CABLE ASM
TF200V出力ケーブル組
1
15
#04
401-09927 TF 34V OUTPUT CABLE ASM
TF34V出力ケーブル組
1
16
#05
401-13637 SAFETY U 34V IN CABLE ASM(EN)
セーフティU 34V IN ケーブル組(EN)
1
17
#03
401-13638 SAFETY U 34V OUT CABLE ASM(EN)
セーフティU 34V OUT ケーブル組(EN)
1
18 401-14533 ETF POWER ASM
ETF電源組
1
19 401-13635 GND COMMON CABLE ASM
グランド共通ケーブル組
1
20 400-99547 VACUUM PUMP ASM
真空ポンプ組
1
21 401-09934 VAC PUMP POWER CABLE ASM
バキュームポンプ電源ケーブル組
1
22 401-09935 VACUUM PUMP FG CABLE ASM
バキュームポンプFGケーブル組
1
23 HB-0006400-00 TIMER
アワーメーター
1
24 401-09939 HOUR METER ASM
アワーメータ組
1
25
#04
400-92440 BASIC FAN ASM
ファン組
1
26
#04
401-09966 FAN CABLE ASM 1
ファンケーブル組1
1
27
#04
400-92440 BASIC FAN ASM
ファン組
1
28
#04
401-09967 FAN CABLE ASM 2
ファンケーブル組2
1
29
#04
400-92440 BASIC FAN ASM
ファン組
1
30
#04
401-09968 FAN CABLE ASM 3
ファンケーブル組3
1
31
#04
400-44538 SERVO AMP 750W
X軸サーボアンプ750W
1
32
#05
401-29652 X AXIS DRIVER
X軸ドライバ
1
33 401-09933 X DRV FG CABLE ASM
XドライバFGケーブル組
1
34
#04
401-13616 OPTICAL FIBER CABLE 2.1M
光ファイバーケーブル 2.1M
1
35
#05
401-18621 OPTICAL FIBER CABLE 2M
光ファイバケーブル2M
1
36 401-09943 X MOTOR CABLE ASM
Xモータケ−ブル組
1
37
#04
401-09949 X LINEAR SENSOR CABLE ASM
Xリニアセンサケーブル組
1
38 400-44540 16AXIS 2CH SERVO CONTROLLER
16軸2CHポジションボード
1
39 401-09948 POS BOARD1 1CH CABLE ASM
ポジションボード1 1CHケーブル組
1
40 400-97614 XY-RELAY POS RELAY CABLE ASM
XY−リレー ポジション中継ケーブル組
1
41 401-06795 S-XY RELAY PCB ASM
S−XYリレー基板組
1
42 400-48070 OPTICAL FIBER CABLE 7M
光ファイバケーブル7M
1
43
#04
401-13621 XY BEAR 5P CABLES ASM
XYベア5連ケーブル組
1
44 400-44545 X MOTOR ENCODER CABLE
X軸エンコーダ中継ケーブル
1
45 400-44546 X MTR PWR CABLE
X MTR電源ケーブル組
1
46
#04
400-68914 SERVO MOTOR 750W
サーボモーター 750W
1
47
#04
401-13622 XY BEAR 1P CABLES ASM
XYベア1連ケーブル組
1
48
#04
400-44531 MAGNETIC SCALE X SENSOR UNIT
マグネチックスケールXセンサユニット
1
49 401-13685 OPTICAL FIBER CABLE 0.7M
光ファイバーケーブル 0.7M
1
50
#04
400-44539 SERVO AMP 2000W
Y軸サーボアンプ2000W
1
51
#05
401-29654 Y AXIS DRIVER
Y軸ドライバ
1
52 400-92416 DRV FG CABLE ASM
ドライバFGケーブル組
1
53 401-09941 YL ENCODER CABLE ASM
YLエンコーダケーブル組
1
54 401-09944 YL MOTOR CABLE ASM
YLモータケ−ブル組
1
55
#04
401-09950 YL LINEAR SENSOR CABLE ASM
YLリニアセンサケーブル組
1
56 400-76136 SARVO MOTOR 1500W
サーボモータ1500W
1
57
#04
401-13623 Y BEAR CABLES ASM
Yベアケーブル組
1
58
#04
400-44532 MAGNETIC SCALE Y SENOR UNIT
マグネチックスケールYセンサユニット
1
59 401-09932 YR PWR CABLE ASM
YR電源ケーブル組
1
60 401-09942 YR ENCODER CABLE ASM
YRエンコーダケーブル組
1
61 401-09945 YR MOTOR CABLE ASM
YRモータケ−ブル組
1
62
#04
401-09951 YR LINEAR SENSOR CABLE ASM
YRリニアセンサケーブル組
1
63 400-48006 ATX PSU
ATX電源
1
64 400-47894 ATX PWR RLY CABLE ASM
ATX電源中継ケーブル組
1
65 401-09936 ATX PWR CABLE ASM
ATX電源ケーブル組
1
66 HX-0057700-00 POWER SUPPLY
電源
1
67 400-97430 COPLA INPUT RELAY CABLE ASM
コプラ入力リレーケーブル組
1
68 400-97428 COPLA CPU POWER CABLE ASM
コプラCPU電源ケーブル組
1
69 400-97433 COPLA CPU GND CABLE ASM
コプラCPU GNDケーブル組
1
70 401-09937 CPCI POWER CABLE ASM
CPCI電源ケーブル組
1
71 401-05681 MONITOR SWITCH PCB PWR CABLE A
モニタ切リ換え基板電源ケーブル組
1
72 400-97432 COPLA CPU CP CABLE ASM
コプラCPU CPケーブル組
1
73
#04
400-97434 COPLA MONITOR SWITCH BOARD
コプラモニタ切り換えボード
1
74
#05
401-32154 COPLA MONITOR SWITCHING BOARD
コプラナリティ画面切り替え基板
1
75 401-09965 LZT PWR RELAY CABLE ASM
LZTパワーリレーケーブル組
1
76 400-44535 4AXIS SERVO AMP
4軸一体型サーボアンプ
1
77
#04
401-13621 XY BEAR 5P CABLES ASM
XYベア5連ケーブル組
1
78
#05
401-35796 XY BEAR CABLES ASM
XYベアケーブル組
1
79 400-44534 SERVO MOTOR 30W
サーボモータ30W
1
80 400-44533 SERVO MOTOR 10W
サーボモータ10W
1
81 400-48007 BATTERY UNIT
バッテリユニット
1
82
#05
401-35354 ENCODER Y CABLE
エンコーダーY分岐ケーブル
1
83
#05
401-35652 X AXIS LINEAR SENSOR CABLE ASM
X軸リニアセンサー中継束線組
1
84
#05
401-35653 YL AXIS LINEAR SENSOR CABLE AS
YL軸リニアセンサー中継束線組
1
85
#05
401-35654 YR AXIS LINEAR SENSOR CABLE AS
YR軸リニアセンサー中継束線組
1
86 401-09931 YL PWR CABLE ASM
YL電源ケーブル組
1
87
#05
401-35797 Y BEAR CABLES ASM
Yベアケーブル組
1
88
#05
401-33866 FAN CABLE ASM
ファン電源中継束線組
1
89
#05
401-29630 XY LINEAR SCALE HEAD
XYリニアスケールヘッド
1
90
#05
401-29653 X AXIS MOTOR
X軸モータ
1
91
#05
401-31764 ATX CTRL CABLE ASM
ATX電源制御束線組
1
92
#05
401-33971 TF INPUT CABLE (DELTA) ASM
変圧器入力端子デルタ結線束線組
1
93
#05
401-35052 TRANSFORMER
トランス
1
94
#05
401-33970 TF INPUT CABLE ASM
変圧器入力束線組
1
95
#05
401-33962 NFB OUTPUT CABLE ASM
出力束線組
1
96
#05
401-33965 NFB ON LAMP CABLE ASM
遮断器オン照明束線組
1
97
#05
401-33966 MAIN SW INPUT CABLE ASM
メインスイッチ入力束線組
1
98
#05
401-33967 MAIN SW OUTPUT CABLE ASM
メインスイッチ出力束線組
1
99
#05
401-33952 AC INPUT UNIT
AC入力ユニット
1
100
#05
401-33968 MTS POWER CABLE L ASM
MTS電源束線組
1
101
#05
401-33969 MTC POWER CABLE R ASM
MTC電源束線組
1
102
#05
401-33961 AC INPUT UNIT FG CABLE ASM
AC入力ユニット接地束線組
1
103
#04
401-14531 POWER UNIT ASM
電源ユニット組
1
104
#05
401-33955 POWER SUPPLY UNIT ASM
電源ユニット組
1
105
#03
401-33958 POWER SUPPLY UNIT (EN) ASM
電源ユニット(EN)組
1
106 401-13682 TRANSFOMER
トランス
1
107 401-09925 TF FG CABLE ASM
トランスFGケーブル組
1
108 401-09928 TF 100VA OUTPUT CABLE ASM
TF100VA出力ケーブル組
1
109 401-09929 TF 200VB OUTPUT CABLE ASM
TF200VA出力ケーブル組
1
110 401-09930 X PWR CABLE ASM
X電源ケーブル組
1
111 401-09940 X ENC CABLE ASM
Xエンコーダケーブル組
1
112 400-44541 OPTICAL FIBER CABLE 0.15M
光ファイバケーブル0.15M
1
113
#05
401-33768 DC FAN
DCファン
1

- 249 -
125.SYSTEM DIAGRAM(2)(TYPE XL)(AFTER M/C REV.E)
SYSTEM DIAGRAM(2)(XL 仕様)(マシン REV.E 以降)
TB1
INPUT
4 5
2
1
3
11
12
10
6
7
20
15 16 17 18
25
28
33 34 35 36
29
37
45
46
74
72
59
58
57
61
70
71
62
94
63
65
78
79
80
83
78
84
85
48
49
54
55
87
88
9
8
13
14
26
24
27
32
32
32
32
32 32
32
32
32 32
32
32
32
44
43
32
32
52
51
53
50
56
47
23 392331
40
4041
2322
21 30 38
4242
75
73 73
82
81
76 77 76 7769
67
66
60
68
86
64
19
90 90
89
90
92 93 92 93
92
91919191
92
92 93 92 9392 93 92 93
19
[BASE1]
FAN
[BASE2]
CN001
POWER ON
LIGHT
CN12
1-3D
MAIN SW
CN002
CN003
CN06
CN07
HOUR
METER
CN13
CN004
VACUUM
PUMP
CN04A
CN03
CN01
POWER
UNIT
100V
100V
34V
220V
TF1
TB2
MTC PWR(R)
MTS PWR(L)
AC INPUT
UNIT
NFB
[CTRL UNIT]
TB1
CN04B
CN11
CN14A
CN010
CN001
CN063
CN006
CN007
COPLA-PS
1-4B
CN005
[BASE3]
[YR MOTOR]
[YL MOTOR]
FAN
FANFANFAN
FANFANFANFAN
FANFANFANFAN
FANFAN
X SERVO AMP
MR-J3-70B-RJ024
CNP1
CNP2
CN1A
CN2
CNP3
CN2L
CN1B
E
MR-RB12
YL SERVO AMP
MR-J3-200B-RJ024
CN2
CNP3
CN2L
CN1B
E
CNP1
CNP2
CN1A
MR-RB12
X SERVO AMP
MR-J3-70B-RJ024
CN2
CNP3
CN2L
CN1B
CNP1
CNP2
CN1A
E
MR-RB12
CN251
BATTERY
COPLA-POWER
ATX-POWER
CN1
CN2
CN3
CN3
4-5C
CP
ATX13
CPCI
BACK
BOARD
PS-ON
1-1A
MAIN SW
COPLA MONITOR
SWITCH BOARD
CN4
4-5A
YR ORG
SENSOR
CN140
SENSYR
SCALE
HEAD RL
ENCYR
YRMTR
CN136
YL ORG
SENSOR
SCALE
HEAD YL
SENSYL
ENCYL
Y MOTOR
YL 1500W
YLMTR
Y MOTOR
YR 1500W
SCALE
HEAD X
SENSX
ENCX
XENC
XMTR
CN151
CN165
POSITION
BOARD
1CH DI
2CH NET
1CH NET
SERVO MOTOR
750W
XY11
XY-RELAY PCB
2-5B
CN11
CN5
CN14
CN2
MAGNETIC
SCALE
PCB
CN21
1-2D
POWER UNIT
CN7
CN3
CN10
CN8
CN4
CN11
2-4C
CN13
CN37
CN14
CN15
CN38
2-3B
ZTPWR2
ZTPWR1
4AXIS SERVO
AMP(1)
CN1A
CNP1
CN1B
CN2D
CNP2D
CN2C
CNP2C
CN2B
CNP2B
CN2A
CNP2A
2-2A
4AXIS SERVO
AMP(2)
CN1A
CNP1
CN1B
CN2D
CNP2D
CN2C
CNP2C
CN2B
CNP2B
CN2A
CNP2A
2-2A
4AXIS SERVO
AMP(3)
CNP1
CN1B
CN2D
CNP2D
CN2C
CNP2C
CN2B
CNP2B
CN2A
CNP2A
2-2B
CN1A
Z1 MOTOR
HC-BP0336LW4-S1
1 MOTOR
HC-BP0136D-S1
Z2 MOTOR
HC-BP0336LW4-S1
2 MOTOR
HC-BP0136D-S1
Z3 MOTOR
HC-BP0336LW4-S1
3 MOTOR
HC-BP0136D-S1
Z4 MOTOR
HC-BP0336LW4-S1
4 MOTOR
HC-BP0136D-S1
Z5 MOTOR
HC-BP0336LW4-S1
5MOTOR
HC-BP0136D-S1
Z6 MOTOR
HC-BP0336LW4-S1
6 MOTOR
HC-BP0136D-S1
Z7 MOTOR
HC-BP0336LW4-S1
Z7 MOTOR
HC-BP0336LW4-S1
4AXIS SERVO
AMP(4)
CNP1
CN1A
CNP2D
CN2D
CN2C
CNP2C
2-2B
2-2B
ONLY 3020V 3020VR

- 250 -
NOTE( 注記 ) #01....FOR 200V 200 V 用
#02....FOR 400V 400 V 用
REF.NO NOTE PART NO D E S C R I P T I O N
品 名
Qty
1 400-92410 BREAKER INPUT CABLE ASM
ブレーカ入力ケーブル組
1
2 400-92412 POWER ON LAMP RELAY CABLE ASM
パワーオンランプ中組
1
3 400-92411 BREAKER OUT CABLE ASM
ブレーカ出力ケーブル組
1
4
#01
401-06608 POWER LAMP 200V CABLE ASM
パワーランプ200V束線組
1
5
#02
401-06609 POWER LAMP 400V CABLE ASM
パワーランプ400V束線組
1
6 400-92439 MTC PWR WIRE L ASM
MTC 電源 L ケーブル組
1
7 400-02063 MTC POWER WIRE R ASM
MTC(R)電源ケーブル組
1
8 400-94708 AC INPUT UNIT
AC_インプットユニット
1
9 400-02056 INPUT UNIT FG CABLE ASM
入力ユニットFGケーブル組
1
10 400-92413 MAIN SW OUTPUT CABLE ASM
メインスイッチ出力ケーブル組
1
11 400-92414 TF INPUT CABLE ASM
トランス入力ケーブル組
1
12 400-92664 TF INPUT DELTA CABLE ASM
トランス入力デルタ結線ケーブル組
1
13 400-92415 TF FG CABLE ASM
トランスFGケーブル組
1
14 400-71184 TRANSFOMER GX-10
トランス GX−10
1
15 400-92417 TF 220V OUTPUT CABLE ASM
TF220V出力ケーブル組
1
16 400-92417 TF 220V OUTPUT CABLE ASM
TF220V出力ケーブル組
1
17 400-95136 TF 100VA OUTPUT CABLE ASM
TF100VA出力ケーブル組
1
18 400-95137 TF 100VB OUTPUT CABLE ASM
TF100VB出力ケーブル組
1
19 401-18724 POWER UNIT_XL
電源_ユニット_XL
1
20 400-92420 X PWR CABLE ASM
X電源ケーブル組
1
21 400-44538 SERVO AMP 750W
X軸サーボアンプ750W
1
22 400-92436 X MOTOR RB CABLE ASM
X 回生抵抗 ケーブル組
1
23 400-92416 DRV FG CABLE ASM
ドライバFGケーブル組
1
24 400-99547 VACUUM_PUMP_ASM
真空ポンプ組
1
25 401-13734 VAC PUMP POWER CABLE ASM XL
バキュームポンプ電源ケーブル組XL
1
26 401-09935 VACUUM PUMP FG CABLE ASM
バキュームポンプFGケーブル組
1
27 HB-0006400-00 HOUR METER
アワーメーター
1
28 400-99144 HOUR METER ASM
アワーメータ組
1
29 400-92421 YL PWR CABLE ASM
YL電源ケーブル組
1
30 400-44539 SERVO AMP 2000W
Y軸サーボアンプ2000W
1
31 400-92437 YL MOTOR RB CABLE ASM
YL 回生抵抗 ケーブル組
1
32 400-92440 BASIC FAN ASM
ファン組
1
33 400-92441 FAN CABLE ASM_1
ファンケーブル組1
1
34 400-92442 FAN CABLE ASM_2
ファンケーブル組2
1
35 400-92443 FAN CABLE ASM_3
ファンケーブル組3
1
36 400-92444 FAN CABLE ASM_4
ファンケーブル組4
4
37 400-92422 YR PWR CABLE ASM
YR電源ケーブル組
2
38 400-44538 SERVO AMP 750W
X軸サーボアンプ750W
1
39 400-92438 YR MOTOR RB CABLE ASM
YR 回生抵抗 ケーブル組
1
40 400-92658 REGENERATIVE REGISTOR
回生抵抗
1
41 400-54885 REGENERATIVE RESISTOR
回生抵抗 RB−12
1
42 400-44541 OPTICAL FIBER CABLE 0.15M
光ファイバケーブル0.15M
1
43 400-97602 FAN CABLE ASM_7
ファンケーブル組7
1
44 400-97601 FAN CABLE ASM_6
ファンケーブル組6
1
45 400-47893 ATX PWR CABLE ASM
ATX電源ケーブル組
1
46 400-47894 ATX PWR RLY CABLE ASM
ATX電源中継ケーブル組
1
47 400-48006 ATX PSU
ATX電源
1
48 400-92435 CPCI POWER CABLE ASM
CPCIパワーケーブル組
1
49 401-05681 MONITOR SWITCH PCB PWR CABLE A
モニタ切リ換え基板電源ケーブル組
1
50 400-97432 COPLA CPU CP CABLE ASM
コプラCPU CPケーブル
2
51 400-48007 BATTERY UNIT
バッテリユニット
1
52 400-97430 COPLA INPUT RELAY CABLE ASM
コプラ入力リレーケーブル組
1
53 HX-0057700-00 POWER SUPPLY
電源
1
54 400-97428 COPLA CPU POWER CABLE ASM
コプラCPU電源ケーブル組
1
55 400-97433 COPLA CPU GND CABLE ASM
コプラCPU GNDケーブル組
1
56 401-32154 COPLA MONITOR SWITCHING BOARD
コプラナリティ画面切り替え基板
1
57 400-92447 OPTICAL FIBER CABLE 2.4M
光ファイバーケーブル 2.4M
1
58 400-45395 XL ENC CABLE ASM
XL ENCケーブル組
1
59 400-92657 XL MTR CABLE ASM
Xモーターケーブル組
1
60 400-44540 16AXIS 2CH SERVO CONTROLLER
16軸 2CHポジションボード
1
61 400-92638 Y BEAR CABLES ASM XL
Y ベアケーブル組 XL
1
62 400-47930 POS BOARD1 1CH CABLE ASM
ポジションボード1 1CHケーブル組
1
63 400-97614 XY-RELAY POS RELAY CABLE ASM
XY−RELAY ポジション中継ケーブル組
1
64 400-71676 XY RELAY PCB ASM
XYリレー基板組
1
65 400-92448 OPTICAL FIBER CABLE 6.5M
光ファイバーケーブル 6.5M
1
66 400-44545 X MOTOR ENCODER CABLE
X軸エンコーダ中継ケーブル
1
67 400-44546 X MTR PWR CABLE
X MTR電源ケーブル組
1
68 400-68914 SERVO MOTOR 750W
サーボモーター 750W
1
69 400-44531 MAGNETIC SCALE X SENSOR UNIT
マグネチックスケールXセンサユニット
1
70 400-92637 XY BEAR CABLES ASM XL
XY ベアケーブル組 XL
1
71 400-97578 X LINEAR SENSOR CABLE ASM
Xリニアセンサケーブル組
1
72 400-92451 YL ENCODER CABLE ASM
YLエンコーダケーブル組
1
73 400-76136 SARVO MOTOR 1500W
サーボモーター 1500W
1
74 400-92453 YL MOTOR CABLE ASM
YLモーターケーブル組
1
75 400-97582 YL ENC RELAY CABLE ASM
YL ENCリレーケーブル組
2
76 400-44532 MAGNETIC SCALE Y SENOR UNIT
マグネチックスケールYセンサユニット
1
77 400-02171 YL ORG SENS ASM
YL原点センサ組
2
78 400-92638 Y BEAR CABLES ASM XL
Y ベアケーブル組 XL
1
79 400-97579 YL LINEAR SENSOR CABLE ASM
YLリニアセンサケーブル組
2
80 400-97584 YL ORG SENSOR CABLE ASM
YL原点センサケーブル組
1
81 400-92452 YR ENCODER CABLE ASM
YRエンコーダケーブル組
2
82 400-92454 YR MOTOR CABLE ASM
YRモーターケーブル組
1
83 400-94583 EMERGENCY SW(CNV) CABLE 2 ASM
エマージェンシーSW(CNV)ケーブル2組(XL)
1
84 400-97580 YR LINEAR SENSOR CABLE ASM
YRリニアセンサケーブル組
1
85 400-97585 YR ORG SENSOR CABLE ASM
YR原点センサケーブル組
1
86 400-95130 MAGNETIC SCALE PCB ASM
マグネスケール基板組
2
87 400-97586 MAGNE SCALE PCB PWR CABLE ASM
マグネスケール基板電源ケーブル組
1
88 400-92461 LZT PWR RELAY CABLE ASM
LZT パワーリレーケーブル組
2
89 400-92637 XY BEAR CABLES ASM XL
XY ベアケーブル組 XL
1
90 400-44541 OPTICAL FIBER CABLE 0.15M
光ファイバケーブル0.15M
2
91 400-44535 4AXIS SERVO AMP
4軸一体型サーボアンプ
2
92 400-44534 SERVO MOTOR 30W
サーボモータ30W
2
93 400-44533 SERVO MOTOR 10W
サーボモータ10W
1
94 400-97581 X ENC RELAY CABLE ASM
X ENCリレーケーブル組
1