KE-3010_KE-3020V_KE-3020VR-Rev05 - 第261页
- 252 - NOTE( 注記 ) #01....FOR 3010 3010用 #02....FOR EN EN 用 #03....OPTIONAL PARTS オプション部品 #04....UN TIL M/C REV.D マシン REV.D まで #05....AFTER M/C REV.E マシン R EV.E 以降 #06....FOR 3010(UNTIL M/C REV.D) 3010用(マシン REV.D まで) #07…

- 251 -
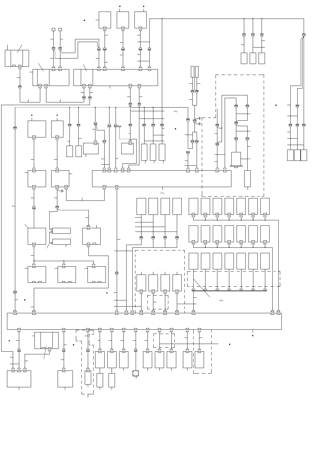
126.SYSTEM DIAGRAM(3)
SYSTEM DIAGRAM(3)
10
126
104
128
72
127
73
74
75
7
92
9390 91
131
100
130
97
96
94
95
88
89
42
43
86
87
85
7
7
8484
83
129
76
77
78 79
80
81 82
124 54
50
51
53
125
59
60
58
57
555556
45
44
47
46
29
101
36
37 41
42
4338 39
49
48
118
120
105
106
107
108
35 123
40
31
102
33
34
32
30
5
6
313131
67676665
68
71
63
62
61
5
6
24
27
64
8
9
20181614
12
22
24
25
5
6
103
7
121
5
6
4
3
2
122
11
13 15
17
19
21 23 26 26
27 28
1
EN3
EN2
EN1
S-HEAD MAIN
PCB ASM
4AXIS SERVO
AMP(1)
CN4B CN5CN19
CN4D
4AXIS SERVO
AMP(2)
CN4B CN5
CN4D
4AXIS SERVO
AMP(3)
CN4B CN5
CN4D
4AXIS SERVO
AMP(4)
CN4C CN5
CN4D
1-5A
1-5B
1-5C
1-5D
LNC60
CN1
SCM3
PCB
J4 COM
CN848
ETHER
MAIN PCB
J8
XY-RELAY
PCB
CN16
1-3A
SAFTY
UNIT
(EN)
AIR PRESS
METER (+)
AIR PRESS
METER (-)
EN2
EN1
ETHER
SLAVE
PCB
BASE I/O
PCB
EN2
EN1
ETHER
SLAVE
PCB
4-2A
FEEDER
PCB
EN2
EN1
ETHER
SLAVE
PCB
3-2A
XY03
CN34
XY05
CN1
CN2
I/F L
I/F R
MTS I/F
MTC I/F
HEAD IO
SAFE IO
CNP1
CNP2
CN064
CN4
XY04
Y-LIMIT
SENSOR
Y ++LINIT
SENSOR
YNEAR
SENSOR
Y -LIM
X++LIM
Y NEAR
X -LIMIT
SENSOR
X +LIMIT
SENSOR
X NEAR
SENSOR
X-LIM
X NEAR
X +LIM X +LIM
CN127
CN15
POWER UNIT
CN17
CN26
CN064
CN20CN13
CN201
IONIZER
IONIZER
ION PWR
CN901
CN33
CN7
CN9
CPU
BOARD
COM2
4-4A
OPERATION
PCB (F)
CN14
3-4A
OPERATION
PCB (R)
CN14
3-4B
XY08
XY01
XY02
IEEE1394a
REPEATER
CH2
LNC60
CN245
CH1
IEEE1394
BOARD
CH1
4-4C
CPU
BOARD
COM1
2-5B
2-4A
IP-X7
PCB
AC3
CN478
CN2
4-1D
FMLA
1-3B
HMS HEA DR
CN32
B/M FIBER
CN14
B/M AMP
CDS FIBER
CN20
CDS AMP
EN1
CN813
S LIGHT
CTRL PCB
EN2
EN1
ETHER
SLAVE
PCB
4-2C
3-3B
CN1
OCCRCN31
OCCL
CN9
LIGHT-CCN6
LIGHT-C
CN10
LIGHT-A1CN7
LIGHT-A1
CN11
LIGHT-A2CN8
LIGHT-A2
CN27
CN24
BR1
CN25
CN26
CN23
TEMPERATURE
SENSOR
PWB ASM
CN12
CN32
CN16
CN28
CN10
XY10
CN19
NZ DWN3
NZ DWN1
NZ DWN2
ES F
XYEN2
XYEN2
LED F
LED R
COPLA LA
HMS
4-5A
ONLY 3020V 3020RV
ONLY 3020V 3020RV
OCC
CAMERA
OCC
CAMERA
OCC C
LIGHT
PCB ASM
OCC C
LIGHT
PCB ASM
OCC A
LIGHT
PCB ASM
OCC A
LIGHT
PCB ASM
OCC A
LIGHT
PCB ASM
OCC A
LIGHT
PCB ASM
T7 SLOW
DOWN
SENSOR
Z1
PRESSURE
SENSOR
Z2
PRESSURE
SENSOR
Z3
PRESSURE
SENSOR
Z4
PRESSURE
SENSOR
Z5
PRESSURE
SENSOR
Z6
PRESSURE
SENSOR
Z7
PRESSURE
SENSOR
Z1 VAC SV Z1 BLW SV
Z2 VAC SV Z2 BLW SV
Z3 VAC SV Z3 BLW SV
Z4 VAC SV Z4 BLW SV
Z5 VAC SV Z5 BLW SV
Z6 VAC SV Z6 BLW SV
Z7 VAC SV Z7 BLW SV
FAN
NOZZLE
DOWN
SENSOR R
NOZZLE
DOWN
SENSOR L
NOZZLE
DOWN
SENSOR IC
NOZZLE
UP
SV ASM
COPLA
LASER KEY
PILOT LAMP
PILOT LAMP
CN61
CN62
MOTOR
SWICH
FULX RLYFULX RLY2
RT FULX
112
111
110
113
114
FULX PWR
FULX RLY1
RT FLUX option
ROTARY FLUXER
MOTOR
SWITCH
116
117
115
98
PUMP-IO
CN68
132
109
CN61
CN62
FULX RLY2
FULX RLY1
SWICH
MOTOR
RT FULX
FULX RLY
FULX PWR
MOTOR
SWICH
133
135
134
99

- 252 -
NOTE( 注記 ) #01....FOR 3010 3010用
#02....FOR EN EN 用
#03....OPTIONAL PARTS オプション部品
#04....UNTIL M/C REV.D マシン REV.D まで
#05....AFTER M/C REV.E マシン REV.E 以降
#06....FOR 3010(UNTIL M/C REV.D) 3010用(マシン REV.D まで)
#07....FOR 3010(AFTER M/C REV.E) 3010用(マシン REV.E 以降)
#08....FOR EN(AFTER M/C REV.E) EN 用(マシン REV.E 以降
REF.NO NOTE PART NO D E S C R I P T I O N
品 名
Qty
1 401-49647 ETHER-MAIN PCB ASM
イーサメイン基板組
1
2 401-13624 ETHER CABLE MAIN-XY ASM
イーサケーブル メイン−XY組
1
3 401-13625 ETHER HEAD CABLE ASM
イーサヘッドケーブル組
1
4 401-13627 ETHER LIGHT CABLE ASM
イーサライトケーブル組
1
5
#04
401-13621 XY BEAR 5P CABLES ASM
XYベア5連ケーブル組
4
6
#05
401-35796 XY BEAR CABLES ASM
XYベアケーブル組
1
7 400-47557 ETHER-SLAVE PCB ASM
ETHER−SLAVE基板組
4
8
#04
401-06799 S-HEAD MAIN PCB ASM
Sヘッドメイン基板組
1
9
#05
401-30259 S-HEAD MAIN PCB ASM
S−HEADメイン基板組
1
10
#04
401-13696 HIGHT SENSOR UNIT ASM
HMSケーブル組
1
11 401-13694 SENSOR
センサー
(1)
12 401-13697 HIGHT SENSOR RELAY CABLE ASM
HIGHTセンサリレーケーブル組
(1)
13 HD-0013100-30 FIBER UNIT
ファイバユニット
1
14 400-47981 BAD MARK FIBER AMP ASM
バッドマークファイバアンプ組
1
15 HD-0026000-10 SENSOR
センサ
1
16 400-45484 NOZZLE SENSOR AMP ASM
ノズルセンサアンプ組
1
17 400-29824 TEMPERATURE SENSOR PCB ASM
温度センサ基板組
1
18 401-13707 BASE TEMP CABLE ASM
ベース温度ケーブル組
1
19 401-13708 HEAD FAN CABLE ASM
ヘッド冷却ファンケーブル組
1
20 401-13709 HEAD FAN RELAY CABLE ASM
ヘッド冷却ファン中継ケーブル組
1
21 400-48028 OCC CAMERA
OCCカメラ
1
22 400-92466 OCC CAMERA L CABLE ASM
OCCカメラLケーブル組
1
23 400-47512 OCC C LIGHT PCB ASM
OCC Cライト基板組
1
24 401-09977 OCC LIGHT CABLE ASM
OCCライトケーブル組
2
25
#01
401-09978 OCC LIGHT 3010 CABLE ASM
OCCライト3010ケーブル組
1
26 400-47508 OCC A LIGHT PCB ASM
OCC A ライト基板組
2
27 401-09979 OCC OPASS LIGHT CABLE ASM
OCCライトOPASSケーブル組
2
28 401-13698 T7 SLOW DOWN SENSOR ASM
T7スローダウンセンサケーブル組
1
29 401-09976 HEAD I/O CABLE ASM
ヘッドI/Oケーブル組
1
30 401-13706 Z-THETA SIGNAL CABLE ASM
Z−θ信号ケーブル組
1
31 400-44535 4AXIS SERVO AMP
4軸一体型サーボアンプ
4
32 400-80203 LNC60 I/F CABLE ASM
LNC60 I/Fケーブル組
1
33 E9345-721-0A0 CABLE ASM.
LAセンサ−接続ケ−ブル組
1
34 400-03264 FMLA SENSOR
FMLAセンサ
1
35 400-44517 1394 ROBOT CABLE ASM
1394ロボットケーブル組
1
36 400-44518 IEEE1394 REPEATER BOARD
IEEE1394リピータボード
1
37 401-13617 1394 RELAY CABLE ASM
1394中継ケーブル組
1
38
#04
400-48003 IEEE1394 BOARD
IEEE1394ボード
1
39
#05
401-50021 IEEE1394 BOARD
IEEE1394 ボード
1
40 401-09972 SCM3 PCB PWR CABLE ASM
SCM3電源ケーブル組
1
41 401-09973 FMLA SERIAL CABLE ASM
FMLAシリアルケーブル組
1
42
#04
401-13723 CPU BOARD
CPUボード
2
43
#05
401-35432 CPU BOARD
CPU BOARD
1
44 400-47987 VACUUM PRESSURE SW ASM
負圧センサー組
1
45 400-97626 IONIZER CABLE ASM
イオナイザケーブル組
1
46 400-93724 IONIZER
イオナイザ
1
47 400-48168 AIR PRESSURE SW ASM
正圧センサー組
1
48 401-13673 IONIZER PWR CABLE ASM
イオナイザ電源ケーブル組
1
49 401-09962 PWR UNIT I/O CABLE ASM
電源ユニットI/Oケーブル組
1
50 401-13640 SAFETY U 901 CABLE ASM(EN)
SAFETY U 901 ケーブル組
1
51 401-09961 XY-RELAY I/O CABLE ASM
XYリレー I/O ケーブル組
1
52
#03
401-22782 XY-RELAY I/O CABLE ASM
XYリレー I/O ケーブル組
1
53
#05
401-22782 XY-RELAY I/O CABLE ASM
XY−RELAY I/O ケーブル組
1
54 401-13690 XY-RELAY PWR RELAY CABLE ASM
XYリレー PWRリレーケーブル組
1
55 400-99903 PILOT LAMP
パイロットランプ
2
56 400-99902 KEY SWITCH
キースイッチ
1
57 400-99906 PILOT LAMP CABLE F ASM
パイロットランプケーブルF組
1
58 400-99907 PILOT LAMP CABLE R ASM
パイロットランプケーブルR組
1
59
#04
400-99904 KEY SWITCH CABLE ASM
キーSWケーブル組
1
60
#05
401-13714 KEY SWITCH CABLE ASM
キースイッチケーブル組
1
61 401-13705 NOZZLE UP SV RELAY CABLE ASM
ノズルアップSVリレーケーブル組
1
62 401-13703 NOZZLE DOWN CABLE ASM
ノズルダウンケーブル組
1
63 400-92467 OCC CAMERA R CABLE ASM
OCCカメラRケーブル組
1
64
#04
400-92475 EJECTOR RELAY CABLE ASM
エジェクタ中継ケーブル組
1
65 400-48028 OCC CAMERA
OCCカメラ
1
66 400-47512 OCC C LIGHT PCB ASM
OCC C LIGHT基板組
1
67 400-47508 OCC A LIGHT PCB ASM
OCC A ライト基板組
2
68
#04
401-13699 VACUUM SV CABLE ASM 3020
バキュームSVケーブル組3020
1
69
#06
401-13700 VACUUM SV CABLE ASM 3010
バキュームSVケーブル組3010
1
70
#05
401-35793 VACUUM CABLE ASM(7AXIS)
バキュームケーブル(7軸)
1
71
#07
401-35790 VACUUM CABLE ASM
バキュームケーブル組
1
72 401-09954 X ORG RANGE SENSOR ASM
X軸原点周囲センサ組
1
73 401-09956 X PLUS SENSOR RELAY CABLE ASM
X軸センサ中継組
1
74
#04
401-13623 Y BEAR CABLES ASM
Yベアケーブル組
1
75
#05
401-35797 Y BEAR CABLES ASM
Yベアケーブル組
1
76 400-47560 FEEDER PCB ASM
フィーダ基板組
1
77 400-71680 BASE IO PCB ASM
ベースIO基板組
1
78 401-13626 ETHER CABLE BASE FEEDER ASM
ETHERケーブルベースフィーダ組
1
79 400-92610 ETHER CABL XY BASE ASM
イーサケーブルXYベース組
1
80 401-06795 S-XY RELAY PCB ASM
S−XYリレー基板組
1
81 400-97621 ETHER CABL XY BASE RELAY ASM
イーサケーブルXYベース中継組
1
82 400-97622 ETHER CABLE MAIN-XY RELAY ASM
イーサケーブル メイン−XY中継組
1
83 401-10049 MTC MTS I/F CABLE ASM
MTC MTS I/F ケーブル組
1
84 401-10050 MTC MTS I/F BR CABLE ASM
MTC MTS I/F ブラケットケーブル組
2
85 401-13688 XY MTC MTS CABLE ASM
XY MTC MTS ケーブル組
1
86 401-13691 XY-RELAY HOD 232C RELAY CABLE ASM
XYリレー HOD 232C中継ケーブル組
1
87 401-09964 XY-RELAY HOD 232C CABLE ASM
XYリレー HOD 232Cケーブル組
1
88 400-97619 XY-RELAY OPERATION RELAY CABLE ASM
XYリレーオペレーション中継ケーブル組
1
89 401-10068 OPERATION RLY CABLE F ASM
オペレーションリレーケーブル組
1
90 400-92408 OPERATION PCB FRONT10 ASM
オペレーション基板フロント10組
1
91
#02
400-92482 OPERATION PCB FRONT10 ASM(EN)
オペレーション基板フロント10組
1
92 400-92481 OPERATION PCB REAR10 ASM
オペレーション基板リア10組
1
93
#02
400-92483 OPERATION PCB REAR10 ASM(EN)
オペレーション基板リア10組(EN)
1
94 400-97620 XY-RELAY OPERATION RELAY CABLE ASM
XYリレーオペレーション中継ケーブル組
1
95 401-10069 OPERATION RLY CABLE R ASM
オペレーションリレーケーブル組
1
96 401-13689 XY-RELAY SENSOR RELAY CABLE ASM
XYリレー センサリレーケーブル組
1
97 401-09952 XY-RELAY SENSOR CABLE ASM
XYリレー センサケーブル組
1
98
#05
401-09963 PUMP I/O CABLE ASM
ポンプ I/O ケーブル組
1
99
#05
401-22786 ROTARY FLUXER CABLE ASM
ロータリーフラクサケーブル組
1
100 401-09958 Y NEAR SENSOR ASM
Y軸原点周囲センサ組
1
101 400-92460 SCM3 PCB
SCM3基板
1
102 401-13622 XY BEAR 1P CABLES ASM
XYベア1連ケーブル組
1
103 401-09975 OCC CABLE ASM
OCC束線組
1
104 400-45547 LNC60
LNC60
1
105 401-13704 NOZZLE UP SV ASM
ノズルアップケーブル組
1
106 401-13702 NOZZLE DOWN SENS IC ASM
ノズルダウンセンサ IC ケーブル組
1
107 400-92495 NOZZLE DOWN SENS L ASM
ノズルダウンセンサ L ケーブル組
1
108 401-13701 NOZZLE DOWN SENS R ASM
ノズルダウンセンサ R ケーブル組
1
109
#05
401-22783 ROTARY FLUXER PWR CABLE ASM
ロータリーフラクサ電源ケーブル組
1
110
#03
401-22784 ROTARY FLUXER I/O CABLE ASM
ロータリーフラクサI/O ケーブル組
1
111
#03
401-22785 ROTARY FLUXER RLY CABLE ASM
ロータリーフラクサ中継ケーブル組
1
112
#03
401-22783 ROTARY FLUXER PWR CABLE ASM
ロータリーフラクサ電源ケーブル組
1
113
#03
401-22787 ROTARY FLUXER MOTOR CABLE ASM
ロータリーフラクサモーターケーブル組
1
114
#03
401-22786 ROTARY FLUXER CABLE ASM
ロータリーフラクサケーブル組
1
115
#03
401-22789 ROTARY FLUXER SWITCH ASM
ロータリーフラクサスイッチ組
1
116
#03
401-22788 ROTARY FLUXER MOTOR ASM
ロータリーフラクサモーター組
1
117
#03
HA-0005900-00 POWER SWITCH
電源スイッチ
1
118
#04
401-14531 POWER UNIT ASM
電源ユニット組
1
119
#05
401-33955 POWER SUPPLY UNIT ASM
電源ユニット組
1
120
#08
401-33958 POWER SUPPLY UNIT (EN) ASM
電源ユニット(EN)組
1
121 401-08607 S-LIGHT CTRL PCB ASM
Sライトコントロール基板組
1
122 400-71300 IPX7 ASM
IPX7組図
1
123 401-09971 LA SENSOR RELAY CABLE ASM
LAセンサ中継ケーブル組
1
124 400-97616 XY-RELAY I/O REALY CABLE ASM
XYリレー I/O中継ケーブル組
1
125 401-09960 XY-RELAY PWR CABLE ASM
XYリレー 電源ケーブル組
1
126 401-09974 HEAD MAIN PWR CABLE ASM
ヘッドメイン電源ケーブル組
1
127 401-09953 X MINUL LMT SENSOR ASM
X軸マイナスリミットセンサ組
1
128 401-09955 X PLUS LMT SENSOR ASM
X軸プラスリミットセンサ組
1
129 400-47954 ETHER CABLE FEEDER LR-RF ASM
イーサフィーダLR−RFケーブル組
1
130 401-09957 Y- LMT SENSOR ASM
Y軸マイナスリミットセンサ組
1
131 401-09959 Y++ LMT SENSOR ASM
Y軸プラスリミットセンサ組
1
132
#05
401-22784 ROTARY FLUXER I/O CABLE ASM
ロータリーフラクサI/Oケーブル組
1
133
#05
401-22787 ROTARY FLUXER MOTOR CABLE ASM
ロータリーフラクサモーターケーブル組
1
134
#05
401-22788 ROTARY FLUXER MOTOR ASM
ロータリーフラクサモーター組
1
135
#05
401-22789 ROTARY FLUXER SWITCH ASM
ロータリーフラクサスイッチ組
1

- 253 -
127.SYSTEM DIAGRAM(4)(TYPE XL)(AFTER M/C REV.E)
SYSTEM DIAGRAM(4)(XL 仕様)(マシン REV.E 以降)
IP-X7
PCB
B/M
FIBER
CDS
FIBER
ETHER
MAIN PCB
NOZZLE UP
SV ASM
NOZZLE DOWN
SENSOR IC
NOZZLE DOWN
SENSOR L
NOZZLE DOWN
SENSOR R
FAN
Z7 BLW SVZ7 VAC SV
Z6 BLW SVZ6 VAC SV
Z5 BLW SVZ5 VAC SV
Z4 BLW SVZ4 VAC SV
Z3 BLW SVZ3 VAC SV
Z2 BLW SVZ2 VAC SV
Z1 BLW SVZ1 VAC SV
Z7
PRESSURE
SENSOR
Z6
PRESSURE
SENSOR
Z5
PRESSURE
SENSOR
Z4
PRESSURE
SENSOR
Z3
PRESSURE
SENSOR
Z2
PRESSURE
SENSOR
Z1
PRESSURE
SENSOR
T7 SLOW
DOWN
SENSOR
OCC A LIGHT
PCB ASM
OCC A LIGHT
PCB ASM
OCC A LIGHT
PCB ASM
OCC A LIGHT
PCB ASM
OCC C LIGHT
PCB ASM
OCC C LIGHT
PCB A SM
OCC CAMERA
OCC CAMERA
CPU
BOARD
CPU
BOARD
PILOT
LAMP
PILOT
LAMP
COPLA
LASER KEY
ONLY 3020V 3020VR
ONLY 3020VR
ONLY 3020V 3020RV
ONLY 3020V 3020RV
ONLY 3020V 3020RV
HMS
NZ DWN2
NZ DWN1
NZ DWN3
TEMPERATURE SENSOR
PWB ASM
BR1
LIGHT-A2
LIGHT-A2
LIGHT-A1
LIGHT-A1
LIGHT-C
LIGHT-C
OCCL
OCCR
CDS AMP
B/M AMP
HMS
HEADR
1-3D
4-5A
COPLA SENSOR
HEAD
CN09
CN13
COPLA LA
LED R
LED F
CN12
SCALE01
SCALE02
MAGNETIC
SCALE PCB
XYEN2
XYEN2
ES F
CN19
XY10
CN30
CN28
CN16
CN32
CN12
CN23
CN26
CN25
CN24
CN27
CN8
CN11
CN7
CN10
CN6
CN9
CN31
CN1
3-3B
4-2C
ETHER
SLAVE
PCB
EN1
EN2
S LIGHT
CTRL PCB
CN813
EN1
CN20
CN14
CN32
1-3B
FMLA
4-1D
CN2
CN478
AC3
2-4A
2-5B
COM1
CH1
IEEE1394
BOARD
CH1
CN245
LNC60
CH2
IEEE1394a
REPEATER
XY02
XY01
XY08
3-4B
CN14
OPERATION
PCB (R)
3-4A
CN14
OPERATION
PCB (F)
4-4A
COM2
CN9
CN7
CN33
CN901
ION PWR
IONIZER
IONIZER
CN201
CN13
CN20 CN064
CN26
CN17
POWER
UNIT
CN15
CN127
CN131
CN130
CN132
CN130
CN131
XNEAR
SENSOR
X +LIMIT
SENSOR
X -LIMIT
SENSOR
CN430
CN431
CN139
CN143
CN138
CN137
XY04
CN2
CN064
CNP2
CNP1
SAFE IO
HEAD IO
MTC I/F
MTS I/F
I/F R
I/F L
CN2
CN1
XY05
CN34
XY03
3-2A
ETHER
SLAVE
PCB
EN1
EN2
FEEDER
PCB
4-2A
ETHER
SLAVE
PCB
EN1
EN2
BASE
I/O PCB
ETHER
SLAVE
PCB
EN1
EN2
AIR PRESS
METER (-)
AIR PRESS
METER (+)
SAFTY
UNIT
(EN)
1-3A
CN16
XY-RELAY
PCB
J8
CN848
COMJ4
SCM3
PCB
CN1
LNC60
1-5D
1-5C
1-5B
1-5A
CN4D
CN5CN4C
4AXIS
SERVO
AMP(4)
CN4D
CN5CN4B
4AXIS
SERVO
AMP(3)
CN4D
CN5CN4B
4AXIS
SERVO
AMP(2)
CN4D
CN19 CN5CN4B
4AXIS
SERVO
AMP(1)
HEAD
MAIN PCB
EN1
EN2
EN3
2
1 9
3
4
10
5 11 13
12
14 16
15
17 19 21 23 25 26 28 29
20
18 2422 27 27
59
57
55
53
52
49
8
60 61
30
32
34
31
33
35
33
47
48
41
36
42
43
62 63 64 65
50
54 56 58 58
40
37
39
44
46
38 45
67
68
70
71
72
77 78 80
82
74
73
75
83
84
87
88
87
98 99
69
797676 81
85
105
109 111
112110106
103
102
101
116
115
9797
96
93
92
91
94
100
7
7
7
104 107 108 113 114
118
6
66
95
51
7
Y -LIMIT
SENSOR
Y ++LINIT
SENSOR
YNEAR
SENSOR
117
33 33
86
89
90
119
120