KE-3010_KE-3020V_KE-3020VR-Rev05 - 第263页
- 254 - NOTE( 注記 ) #01....FOR 3010 3010用 #02....F OR EN EN 用 REF.NO NOTE PA RT NO D E S C R I P T I O N 品 名 Qty 1 401-49647 ETHER-MAIN PCB ASM イーサメイン基板組 1 2 400-92626 BASE-IO ENC RLY CABLE ASM BASE−IO ENC 中継ケ ーブル組 1 3 40…

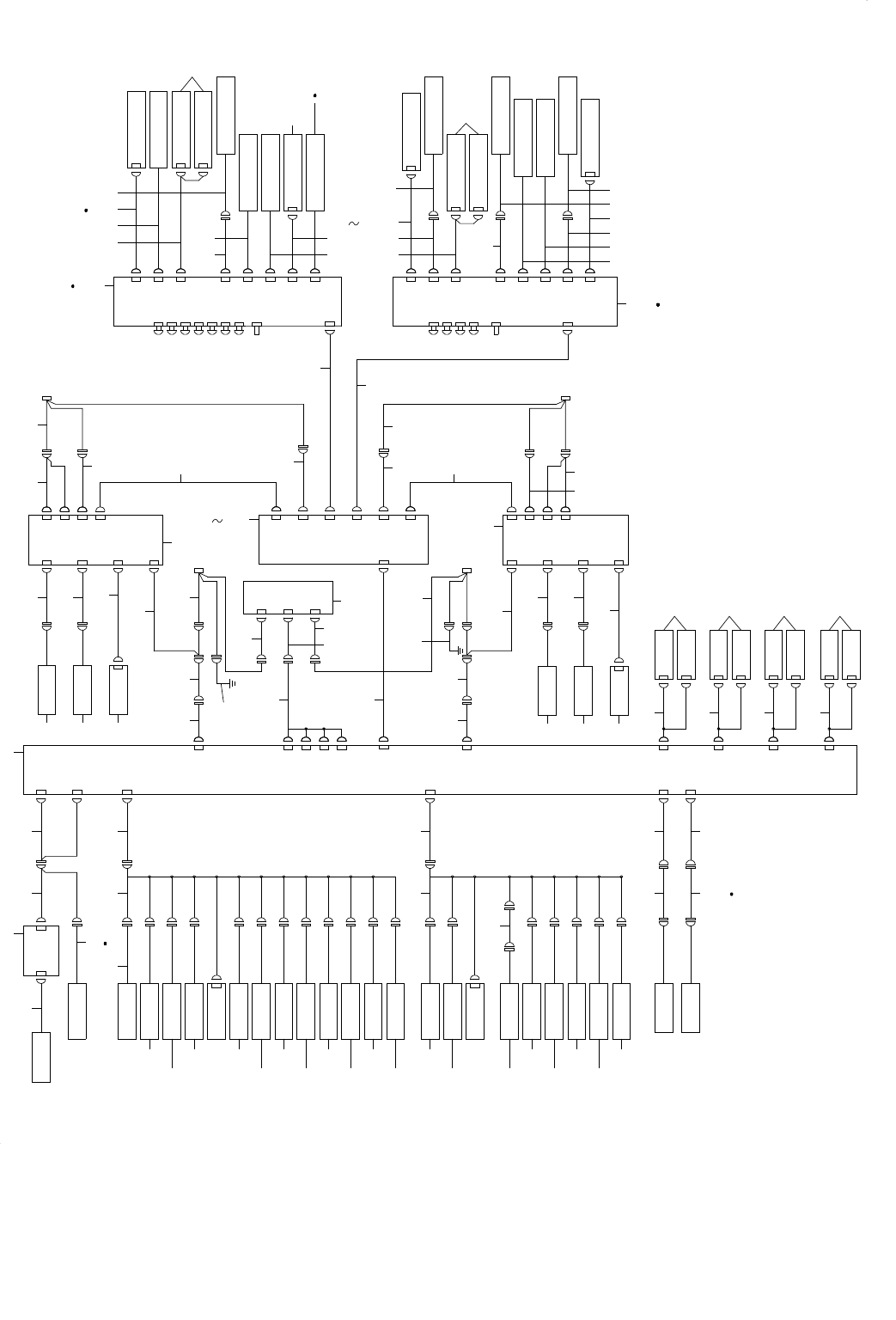
- 253 -
127.SYSTEM DIAGRAM(4)(TYPE XL)(AFTER M/C REV.E)
SYSTEM DIAGRAM(4)(XL 仕様)(マシン REV.E 以降)
IP-X7
PCB
B/M
FIBER
CDS
FIBER
ETHER
MAIN PCB
NOZZLE UP
SV ASM
NOZZLE DOWN
SENSOR IC
NOZZLE DOWN
SENSOR L
NOZZLE DOWN
SENSOR R
FAN
Z7 BLW SVZ7 VAC SV
Z6 BLW SVZ6 VAC SV
Z5 BLW SVZ5 VAC SV
Z4 BLW SVZ4 VAC SV
Z3 BLW SVZ3 VAC SV
Z2 BLW SVZ2 VAC SV
Z1 BLW SVZ1 VAC SV
Z7
PRESSURE
SENSOR
Z6
PRESSURE
SENSOR
Z5
PRESSURE
SENSOR
Z4
PRESSURE
SENSOR
Z3
PRESSURE
SENSOR
Z2
PRESSURE
SENSOR
Z1
PRESSURE
SENSOR
T7 SLOW
DOWN
SENSOR
OCC A LIGHT
PCB ASM
OCC A LIGHT
PCB ASM
OCC A LIGHT
PCB ASM
OCC A LIGHT
PCB ASM
OCC C LIGHT
PCB ASM
OCC C LIGHT
PCB A SM
OCC CAMERA
OCC CAMERA
CPU
BOARD
CPU
BOARD
PILOT
LAMP
PILOT
LAMP
COPLA
LASER KEY
ONLY 3020V 3020VR
ONLY 3020VR
ONLY 3020V 3020RV
ONLY 3020V 3020RV
ONLY 3020V 3020RV
HMS
NZ DWN2
NZ DWN1
NZ DWN3
TEMPERATURE SENSOR
PWB ASM
BR1
LIGHT-A2
LIGHT-A2
LIGHT-A1
LIGHT-A1
LIGHT-C
LIGHT-C
OCCL
OCCR
CDS AMP
B/M AMP
HMS
HEADR
1-3D
4-5A
COPLA SENSOR
HEAD
CN09
CN13
COPLA LA
LED R
LED F
CN12
SCALE01
SCALE02
MAGNETIC
SCALE PCB
XYEN2
XYEN2
ES F
CN19
XY10
CN30
CN28
CN16
CN32
CN12
CN23
CN26
CN25
CN24
CN27
CN8
CN11
CN7
CN10
CN6
CN9
CN31
CN1
3-3B
4-2C
ETHER
SLAVE
PCB
EN1
EN2
S LIGHT
CTRL PCB
CN813
EN1
CN20
CN14
CN32
1-3B
FMLA
4-1D
CN2
CN478
AC3
2-4A
2-5B
COM1
CH1
IEEE1394
BOARD
CH1
CN245
LNC60
CH2
IEEE1394a
REPEATER
XY02
XY01
XY08
3-4B
CN14
OPERATION
PCB (R)
3-4A
CN14
OPERATION
PCB (F)
4-4A
COM2
CN9
CN7
CN33
CN901
ION PWR
IONIZER
IONIZER
CN201
CN13
CN20 CN064
CN26
CN17
POWER
UNIT
CN15
CN127
CN131
CN130
CN132
CN130
CN131
XNEAR
SENSOR
X +LIMIT
SENSOR
X -LIMIT
SENSOR
CN430
CN431
CN139
CN143
CN138
CN137
XY04
CN2
CN064
CNP2
CNP1
SAFE IO
HEAD IO
MTC I/F
MTS I/F
I/F R
I/F L
CN2
CN1
XY05
CN34
XY03
3-2A
ETHER
SLAVE
PCB
EN1
EN2
FEEDER
PCB
4-2A
ETHER
SLAVE
PCB
EN1
EN2
BASE
I/O PCB
ETHER
SLAVE
PCB
EN1
EN2
AIR PRESS
METER (-)
AIR PRESS
METER (+)
SAFTY
UNIT
(EN)
1-3A
CN16
XY-RELAY
PCB
J8
CN848
COMJ4
SCM3
PCB
CN1
LNC60
1-5D
1-5C
1-5B
1-5A
CN4D
CN5CN4C
4AXIS
SERVO
AMP(4)
CN4D
CN5CN4B
4AXIS
SERVO
AMP(3)
CN4D
CN5CN4B
4AXIS
SERVO
AMP(2)
CN4D
CN19 CN5CN4B
4AXIS
SERVO
AMP(1)
HEAD
MAIN PCB
EN1
EN2
EN3
2
1 9
3
4
10
5 11 13
12
14 16
15
17 19 21 23 25 26 28 29
20
18 2422 27 27
59
57
55
53
52
49
8
60 61
30
32
34
31
33
35
33
47
48
41
36
42
43
62 63 64 65
50
54 56 58 58
40
37
39
44
46
38 45
67
68
70
71
72
77 78 80
82
74
73
75
83
84
87
88
87
98 99
69
797676 81
85
105
109 111
112110106
103
102
101
116
115
9797
96
93
92
91
94
100
7
7
7
104 107 108 113 114
118
6
66
95
51
7
Y -LIMIT
SENSOR
Y ++LINIT
SENSOR
YNEAR
SENSOR
117
33 33
86
89
90
119
120

- 254 -
NOTE( 注記 ) #01....FOR 3010 3010用
#02....FOR EN EN 用
REF.NO NOTE PART NO D E S C R I P T I O N
品 名
Qty
1 401-49647 ETHER-MAIN PCB ASM
イーサメイン基板組
1
2 400-92626 BASE-IO ENC RLY CABLE ASM
BASE−IO ENC 中継ケーブル組
1
3 400-92612 ETHER HEAD CABLE ASM
イーサヘッドケーブル組
1
4 400-92613 ETHER LIGHT CABLE ASM
イーサライトケーブル組
1
5 400-92637 XY BEAR CABLES ASM XL
XY ベアケーブル組 XL
1
6 401-08607 S-LIGHT_CTRL PCB ASM
Sライトコントロール基板組
1
7 400-47557 ETHER-SLAVE PCB ASM
ETHER−SLAVE基板組
1
8 400-66569 HEAD MAIN PCB ASM
ヘッドメイン基板組
1
9 400-71300 IPX7 ASM
IPX7組図
1
10 400-47942 OCC CABLE LF ASM
OCCケーブルLF組
1
11 400-92637 XY BEAR CABLES ASM XL
XY ベアケーブル組 XL
1
12 401-13694 SENSOR
センサー
1
13 401-13697 HIGHT SENSOR RELAY CABLE ASM
HIGHTセンサリレーケーブル組
1
14 HD-0013100-30 FIBER UNIT
ファイバユニット
1
15 400-47981 BAD MARK FIBER AMP ASM
バッドマークファイバアンプ組
1
16 HD-0026000-10 SENSOR
センサ
1
17 400-45484 NOZZLE SENSOR AMP ASM
ノズルセンサアンプ組
1
18 400-29824 TEMPERATURE SENSOR PCB ASM
温度センサ基板組
1
19 401-13707 BASE TEMP CABLE ASM
ベースオンドケーブル組
1
20 401-13708 HEAD FAN CABLE ASM
ヘッド冷却ファンケーブル組
1
21 401-13709 HEAD FAN RELAY CABLE ASM
ヘッド冷却ファン中継ケーブル組
1
22 400-48028 OCC CAMERA
OCCカメラ
1
23 400-92466 OCC CAMERA L CABLE ASM
OCCカメラLケーブル組
1
24 400-47512 OCC C LIGHT PCB ASM
OCC C ライト基板組
1
25 401-09977 OCC LIGHT CABLE ASM
OCCライトケーブル組
1
26
#01
401-09978 OCC LIGHT 3010 CABLE ASM
OCCライト3010ケーブル組
1
27 400-47508 OCC A LIGHT PCB ASM
OCC A ライト基板組
1
28 401-09979 OCC OPASS LIGHT CABLE ASM
OCCライトOPASSケーブル組
1
29 401-13698 T7 SLOW DOWN SENSOR ASM
T7スローダウンセンサケーブル組
1
30 400-92637 XY BEAR CABLES ASM XL
XY ベアケーブル組 XL
1
31 400-92474 HEAD I/O CABLE ASM
ヘッド I/O ケーブル組
1
32 400-92468 OCC C LIGHT CABLE ASM
OCC C ライトケーブル組
1
33 400-44535 4AXIS SERVO AMP
4軸一体型サーボアンプ
1
34 400-80203 LNC60 I/F CABLE ASM
LNC60 I/Fケーブル組
1
35 400-45547 LNC60
レーザセンサ
1
36 400-95138 1394 ROBOT CABLE ASM
1394ロボットケーブル
1
37 400-44518 IEEE1394 REPEATER BOARD
IEEE1394リピータボード
1
38 400-44516 1394 RELAY CABLE ASM
1394中継ケーブル組
1
39 401-50021 IEEE1394 BOARD
IEEE1394 ボード
1
40 400-03264 FMLA SENSOR
FMLA センサ
1
41 E9345-721-0A0 CABLE ASM.
LAセンサ−接続ケ−ブル組
1
42 400-92462 LA SENSOR RELAY CABLE ASM
LAセンサ中継ケーブル組
1
43 400-92463 SCM3 PCB PWR CABLE ASM
SCM3電源ケーブル組
1
44 400-92460 SCM3 PCB
SCM3 基板
1
45 400-92464 FMLA SERIAL CABLE ASM
FMLAシリアルケーブル組
1
46 401-35432 CPU BOARD
CPUボード
1
47 400-92449 XY BEAR CABLES ASM
XY ベアケーブル組
1
48
#02
400-92637 XY BEAR CABLES ASM XL
XY ベアケーブル組 XL
1
49 400-92637 XY BEAR CABLES ASM XL
XY ベアケーブル組 XL
1
50 400-92465 HEAD MAIN PWR CABLE ASM
ヘッドメイン電源ケーブル組
1
51 401-13705 NOZZLE UP SV RELAY CABLE ASM
ノズルアップSVリレーケーブル組
1
52 401-13703 NOZZLE DOWN CABLE ASM
ノズルダウンケーブル組
1
53 400-92467 OCC CAMERA R CABLE ASM
OCCカメラRケーブル組
1
54 400-48028 OCC CAMERA
OCCカメラ
1
55 401-09977 OCC LIGHT CABLE ASM
OCCライトケーブル組
1
56 400-47512 OCC C LIGHT PCB ASM
OCC C ライト基板組
1
57 401-09979 OCC OPASS LIGHT CABLE ASM
OCCライトOPASSケーブル組
1
58 400-47508 OCC A LIGHT PCB ASM
OCC A ライト基板組
1
59 400-92475 EJECTOR RELAY CABLE
エジェクタ中継ケーブル組
1
60 401-13699 VACUUM SV CABLE ASM 3020
バキュームSVケーブル組3020
1
61
#01
401-13700 VACUUM SV CABLE ASM 3010
バキュームSVケーブル組3010
1
62 401-13704 NOZZLE UP SV ASM
ノズルアップケーブル組
1
63 401-13702 NOZZLE DOWN SENS IC ASM
ノズルダウンセンサ IC ケーブル組
1
64 400-92495 NOZZLE DOWN SENS L ASM
ノズルダウンセンサ L ケーブル組
1
65 401-13701 NOZZLE DOWN SENS R ASM
ノズルダウンセンサ R ケーブル組
1
66 401-18724 POWER UNIT_XL
電源ユニット_XL
1
67 400-48168 AIR PRESSURE SW ASM
正圧センサー組
1
68 400-47987 VACUUM PRESSURE SW ASM
負圧センサー組
1
69 400-93724 IONIZER
イオナイザ
1
70 400-97626 IONIZER CABLE ASM
イオナイザケーブル組
1
71 400-97627 IONIZER PWR CABLE ASM
イオナイザ電源ケーブル組
1
72 400-92665 PWR UNIT I/O CABLE ASM
電源ユニットI/Oケーブル組
1
73 400-92670 SAFETY U 901 CABLE ASM(EN)
安全ユニット 901 ケーブル組
1
74 400-97629 XY-RELAY I/O CABLE ASM
XY−RELAY I/O ケーブル組
1
75 400-92433 XY-RELAY PWR CABLE ASM
XY−RELAY 電源ケーブル組
1
76 400-99903 PILOT LAMP
パイロットランプ
1
77 400-99906 PILOT LAMP CABLE F ASM
パイロットランプケーブルF組
1
78 400-99907 PILOT LAMP CABLE R ASM
パイロットランプケーブルR組
1
79 400-99902 KEY SWITCH
キースイッチ
1
80 400-99904 KEY SWITCH CABLE ASM
キーSWケーブル組
1
81 400-95130 MAGNETIC SCALE PCB ASM
マグネスケール基板組
1
82 400-99905 COPLA TRG CABLE ASM
コプラトリガケーブル組
1
83 400-97424 COPLA POWER CABLE ASM
コプラ電源ケーブル組
1
84 400-97425 COPLA ENCODER CABLE ASM
コプラエンコーダケーブル組
1
85 400-97422 COPLANARITY SENSOR
コプラナリティセンサー
1
86 400-02228 X MINUS LMT SENSOR ASM
X軸マイナスリミットセンサ組
1
87 400-92459 X NEG LMT SENSOR RELAY CABLE ASM
X軸マイナスリミットセンサ組
1
88 400-92638 Y BEAR CABLES ASM XL
Y ベアケーブル組 XL
1
89 400-02227 X PLUS LMT SENSOR ASM
X軸プラスリミットセンサ組
1
90 400-02229 X ORG RANGE SENSOR ASM
X軸原点周囲センサ組
1
91 400-47954 ETHER CABLE FEEDER LR-RF ASM
イーサフィーダLR−RFケーブル組
1
92 400-47560 FEEDER PCB ASM
フィーダ基板組
1
93 400-92611 ETHER CABLE BASE FEEDER ASM
イーサケーブルベースフィーダ組
1
94 400-71680 BASE IO PCB ASM
ベースIO基板組
1
95 400-92610 ETHER CABL XY BASE ASM
イーサケーブル XYベース組
1
96 400-95125 MTC MTS I/F CABLE ASM
MTC MTS I/Fケーブル組
1
97 400-95126 MTC MTS I/F BR CABLE ASM
MTC MTS I/F BRケーブル組
1
98 400-97621 ETHER CABL XY BASE RELAY ASM
イーサケーブル XYベース中継組
1
99 400-97622 ETHER CABLE MAIN-XY RELAY ASM
イーサケーブル MAIN−XY 中継組
1
100 400-71676 XY RELAY PCB ASM
XYリレー基板組
1
101 400-95124 XY MTC MTS CABLE ASM
XY MTC MTSケーブル組
1
102 400-97618 XY-RELAY HOD 232C RELAY CABLE ASM
XY−RELAY HOD 232C中継ケーブル組
1
103 400-97623 XY-RELAY HOD 232C CABLE ASM
XY−RELAY HOD 232Cケーブル組
1
104 401-05432 FX2 EPU VERUP ASM(CH)
FX2ヨウEPUVERUPクミ(CH)
1
105 400-97619 XY-RELAY OPERATION RELAY CABLE
XY−RELAYオペレーションリレーケーブル組
1
106 400-92581 OPERATION RLY CABLE F ASM
オペレーションリレーケーブル組(F)
1
107 400-92408 OPERATION PCB FRONT10 ASM
オペレーション基板フロント10組
1
108
#02
400-92482 OPERATION PCB FRONT10 ASM(EN)
オペレーション基板フロント10組(EN)
1
109 400-97620 XY-RELAY OPERATION RELAY CABLE ASM
XY−RELAYオペレーションリレーケーブル組
1
110 400-92582 OPERATION RLY CABLE R ASM
オペレーションリレーケーブル組(R)
1
111 400-97615 XY-RELAY SENSOR RELAY CABLE ASM
XY−RELAY センサ中継ケーブル組
1
112 400-95134 XY-RELAY SENSOR CABLE ASM
XY−RELAY センサケーブル組
1
113 400-92481 OPERATION PCB REAR10 ASM
オペレーション基板リア10組
1
114
#02
400-92483 OPERATION PCB REAR10 ASM(EN)
オペレーション基板リア10組(EN)
1
115 400-92477 Y- LMT SENSOR ASM
Yマイナスリミットセンサ組
1
116 400-92479 Y++ LMT SENSOR ASM
Yプラスプラスリミットセンサ組
1
117 400-92480 Y NEAR SENSOR ASM
Y近傍センサ組
1
118 401-23119 Y+ LMT SHORT CONNECTOR ASM
Y+リミットショートコネクタ組
1

- 255 -
128.SYSTEM DIAGRAM(5)
SYSTEM DIAGRAM(5)
66
67
56
42
31
30
29
28
27
2524
21
20
19
18
17
16
15
14
1312
11
10
89
91
92
93
87
86
84
85
90
95
96
94
91
92
105
107
104
90
106
102
108
99
101
86
103
88
82
83
97
98
51
55
53
54
52
36 36 37
50
3938
40
49
46
47
48
41
45
44
43
57
59
61
60
112
111
62
63
72
73
65
64
50
68
69 70
71
36 36 37
81797775
74 76 78 80
22
26
110
34
3532
3323
6
7
109
8
9
5
4
3
2
1
CN19
CN19
FEEDER PCB
CN2
CN3
CN3 CN370 E BANK(F)
CN402
CN403
CN413
CN410
CN418
CN417
CN414
CN451
ATC
CN412
CN411
CN415
CN416
CN21
CN21CN421
CN422
CN429
CN426
CN425
CN450
CN420
CN423
CN424
CN5
CALF
CN669
CN20CN2 CN1
CN27
CALR
CN28
CN30
CN31
CN67
CN351
BANK
PCB (F)
POWER UNIT
1-3B
4-4A
CN353
CUT F
CN23
E-CUTTER
CUT R
CN24
E-CUTTER
CN1 CN23
2-5A
E BANK(R)
CN353
CN370
CN4
CN4
CN9
BK-FR
CN10
BK-FL
CN3
CN6
CN5
CN8
CN1
CN2
M-BANK(F)
CN24
CN7
CN65
CN3
CN25
CN66
CN3
CN2
BANK
PCB (F)
CN9
BK-RL
CN10
BK-RR
CN3
CN6
CN5
CN8
CN7
CN2
CN1
M-BANK(R)
CN15
CN17
CN16
CN18
CN13
OPERATION
PCB (F)
SW1
2-5C
CN30
CN31
SW2
SW3
SW4
SW5
SW6
SW7
CN1
CN12
CN22
CN23
CN21
CN8
CN15
CN7
CN24
MNLT
4-5A
CN13
OPERATION
PCB (R)
SW1
2-5C
SW2
SW4
SW5
CN1
CN12
CN22
CN23
CN8
CN15
CN7
CN24
MNLT
CN7
RLY03
ETF
POWER UNIT
CN69
CN351
CN70
CN20
ATC OPEN SENS
ATC CLOSE SENS
FEEDER FLOAT
SENS(FF)(REC)
FEEDER FLOAT
SENS(FR)(REC)
BANK UP
SW (F)
ELEC FEED DET
SENS(F)(REC)
ELEC FEED FLOAT
SENS(F)(REC)
DRIVE CYL
SENSOR F ASM
ATC S.V
FEEDER FLOAT
SENS(FF)(EMI)
FEEDER FLOAT
SENS(FR)(EMI)
ELEC FEED FLOAT
SENS(F)(EMI)
ELEC FEED DET
SENSOR(F)(EMI)
FEEDER FLOAT
SENS(RF)(REC)
FEEDER FLOAT
SENS(RR)(REC)
BANK UP
SW (R)
ELEC FEED DET
SENS(R)(REC)
ELEC FEED FLOAT
SENS(R)(REC)
DRIVE CYL
SENSOR R ASM
FEEDER FLOAT
SENS(RF)(EMI)
FEEDER FLOAT
SENS(RR)(EMI)
ELEC FEED FLOAT
SENS(R)(EMI)
CAL
VACUUM SENSOR
CAL PCB
CAL S.V
ECUTTER(F)
ECUTTER(R)
DRIVE
CYLINDER ASSY
DRIVE
CYLINDER ASSY
M-E
BANK SW
DRIVE
CYLINDER ASSY
DRIVE
CYLINDER ASSY
M-E
BANK SW
LED
PCB(F-LL)
LED
PCB(F-LR)
LED
PCB(F-RL)
LED
PCB(F-RR)
LED
PCB(R-RR)
LED
PCB(R-RL)
LED
PCB(R-LR)
LED
PCB(R-LL)
EMG SW_F
COVER OPEN
SW(F)
COVER(F) L OCK
SV
NON-STOP
SIGNAL LIGHT(F)
FEEDER SW(F)
(NON-STOP OPERATION)
KEY CHANGE SW
MOUSE/KEYBOARD
SELECTOR
HOD BOX
EMG SW_R
COVER OPEN
SW(R)
COVER(R)
LOCK SV
NON-STOP
SIGNAL LIGHT(R)
FEEDER SW(R)
(NON-STOP OPERATION)
KEY CHANGE SW
SIGNAL LIGHT
COVER(F)
LOCK SV
COVER(R)
LOCK SV
ION SV