TR5DNR_TR5DNX-Rev05 - 第34页
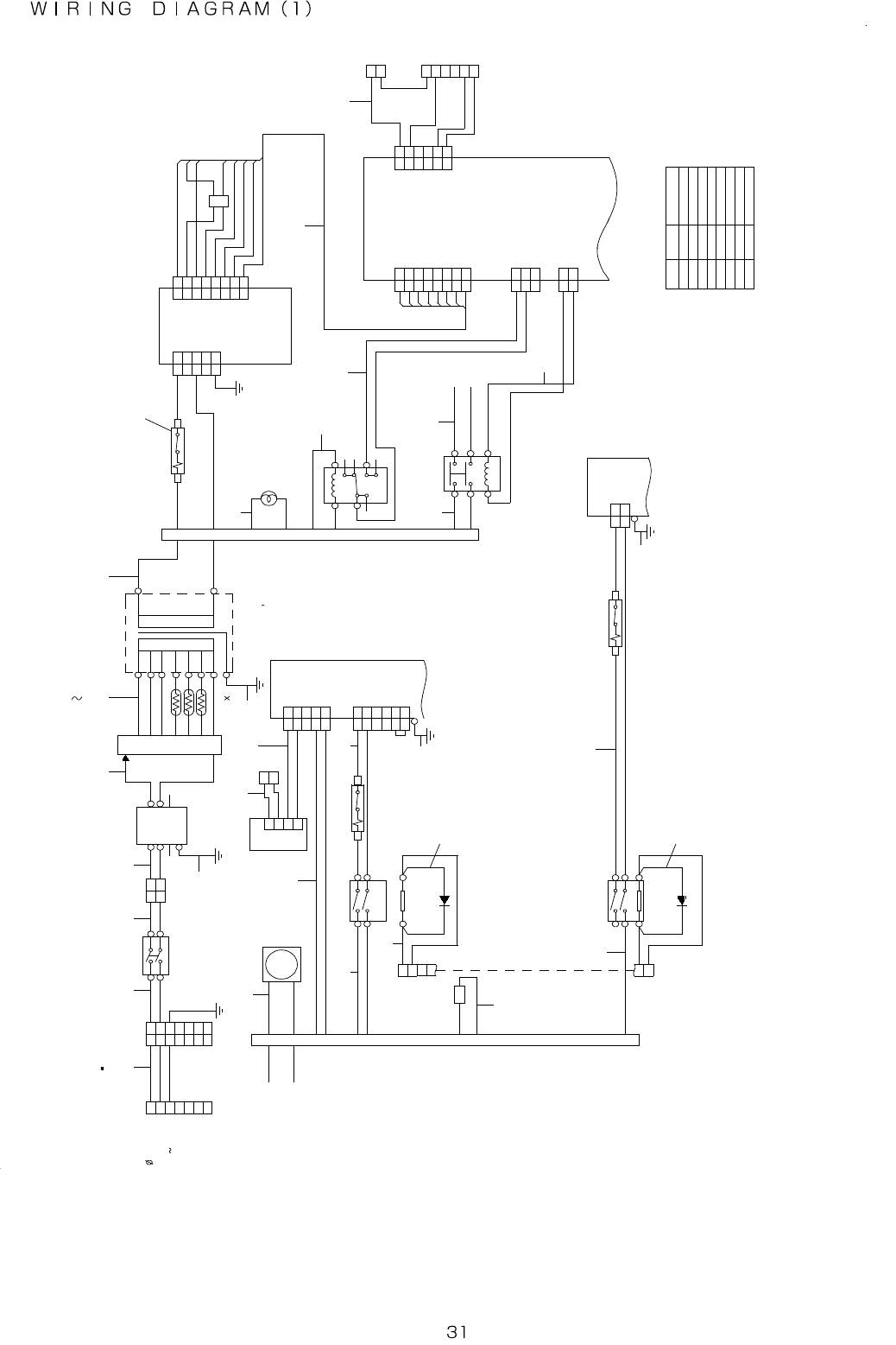
- - 16. WIRINGDIAGRAM(1) 2 4 5 3 3 2 1 2 3 1 9 1 8 1 7 3 8 3 7 1 5 3 6 7 1 3 6 3 4 3 1 3 9 4 3 0 2 7 1 0 _ 2 C ( C E ) 1 0 _ 3 C ( C E ) 1 0 3 2 C N 6 7 - B 1 _ 5 B 4 3 6 5 D 1 2 1 1 0 + 2 4 V R T N + 2 4 V R T N + …

- -
REF.NO NOTE PARTNO DESCRIPTION Qty
1 400-73830 TAGINSERT(T)KIT 40
2 SM-4031001-SC SCREWM3X0.5L=10 40
3 WP-0320500-SC WASHERM3 40
4 WS-0310002-KN SPRINGWASHERM3 40
5 NM-6030001-SC NUTM3X0.5TYPE1 40
6 400-73860 TR5D_MAIN_BASE 2
7 SL-6040892-TN BOLT 12
8 400-73861 TR5D_BASE_U_SUP_BR 2
9 SL-6030692-TN SCREWM3L=6 4
10 400-73863 TR5D_BASE_LO_SUP_BR 2
11 SL-6030692-TN SCREWM3L=6 4
12 400-73479 TR5S_PCB_BR_2 2
13 SL-6030692-TN SCREWM3L=6 6
14 400-73862 TR5D_PCB_BR 2
15 SL-6030692-TN SCREWM3L=6 6
16 400-77414 TR5D_PCB_BASE_1 2
17 SL-6030692-TN SCREWM3L=6 6
18 400-73666 ANTENNAARRAY14MMPITCH/20POSITION 2
19 HX-0005500-0J RUBBERBUSHING 2
20 EA-9500B01-00 CABLEBAND 20
21 HX-0006500-0A CABLEBAND 5
22 400-83190 ISSCNPCBASM 1
23 400-97676 SHIELD_BRACKET_5D 2
24 WP-0320501-SC WASHERM3 12
25 WS-0310002-KN SPRINGWASHERM3 12
26 NM-6030001-SC NUTM3X0.5TYPE1 12
27
#01
400-99604 Y_SENSOR_DOG_A 1
28
#01
400-99605 Y_SENSOR_DOG_B 1
29
#01
SL-6030692-TN SCREWM3L=6 2
30 SL-6030642-TN SCREWM3L=6 2

- -
16.WIRINGDIAGRAM(1)
2 4
5
3 3
2 1
2 3
1 9
1 8
1 7
3 8
3 7
1 5
3 6
7 1 3
6
3 4
3
1 3 9
4
3 0
2 7
1 0 _ 2 C
( C E )
1 0 _ 3 C
( C E )
1
0
3 2
C N 6 7 - B
1 _ 5 B
4
3
6
5
D 1
2
1
10
+ 2 4 V R T N
+ 2 4 V R T N
+ 2 4 V
+ 2 4 V
+ 5 V
+ 5 V
G N D
G N D
T B 2
+
-
3 1
C N 0 6 5
1 _ 5 B
2
1
5
4
3
2
1
6
C N 0 6 7 - A
C N 0 6 5
1 _ 2 A
5
4
3
2
1
6
2
1
+ 2 4 V D
+ 2 4 V D
4
3
2
1
G 3
G 4
+ 2 4 V R T N
+ 2 4 V R T N
+ 2 4 V
+ 2 4 V
+ 5 V
+ 5 V
G N D
G N D
N
L
S R G A B S .
C
P
Y D R V 1
2
1
5 AC P 5
N
R L Y 5
6
2
8
4
L
Z M P 1
Z M P 2
P S U 2P S U 1
M A I N 2 0
M A I N 1 5
M A I N 0 7
C N 0 0 1
2 _ 4 B
2 _ 2 A
2 _ 1 A
C N P 2
5
4
3
2
1
5
4
3
2
1
L 2 1
L11
D
C
P
C N P 1
6
5
4
3
2
1
P 2
P 1
N
L 3
6
5
4
3
2
1
2
1
C N 1
F G
A C
A C
N.C
33
5
1
6
7
2
3
8
4
5
1
6
7
2
3
8
4
5
4
3
2
1
R L Y 5 _ O N [ N ]
R L Y 4 _ O N [ N ]
R L Y 3 _ O N [ N ]
+ 2 4 V D
C N 1 4
1 _ 1 B
6
R L Y 1 _ O N [ N ]
+ 2 4 V D
+ 2 4 V R T N
A C _ P W R _ I N [ N ]
C N 2 0
C N 1 5
2
1
1
2
C N 7
M A I N P C B ( 1 / 7 )
1
2
4
8
3
7
6
5
3 A
C P 1
2 0
2 2
1 6
2 9
1 _ 1 A
1 _ 1 A
A C - N
A C - L
1
8
4
0
6
2
R L Y 1
2
1
N
L
78
6
5
4
3
2
1
2
1
R L Y 2
N
L
N
L
P S U
C N 2
+ 2 4 V R T N
+ 2 4 V R T N
+ 2 4 V
+ 2 4 V
+ 5 V
+ 5 V
G N D
G N D
1
2
4
8
3
7
6
5
F G
N
L
C N 1
4
5
3
2
1
4
5
3
2
1
N
L
T B 1
2 6
1 4
2
P 0 0 9
J 0 5
0
1 0 0
T F
E
0
2 0 0
2 2 0
2 4 0
3 8 0
4 1 5
4 0 0
6
5
4
T B 0
0
2 0 0
2 2 0
2 4 0
3 8 0
4 0 0
4 1 5
N C
N F
E
3
2
1
1
2
1
2
N F B 1
7
1
2
3
4
5
6
7
1
2
3
4
5
6
7
1
2
3
4
5
6
R
E
S
T
3
A C 2 0 0 V
4 1 5 V
N
L
Y D R I V E R ( 1 / 2 )
L
N
M A I N 1 4
R L Y 3
6
2
8
4
T B 3
F A N M O T O R
L
N
F A N 1
Z M D R I V E R ( 1 / 2 )
L
F G
L 2
1 0 AC P 2
1 - 4 B A C - N
1 - 4 B A C - L
O M R O N
G 7 L - 2 A - B
D C 2 4 V
S I G N A L
5
1
6
2
7
3
8
4
T A B L E 1
8
7
6
5
4
3
2
1
M A I N 0 7P S U 2
O M R O N
G 7 L - 2 A - B
D C 2 4 V
P O T T E R & B R U M F I E L D
W 2 8 X Q 1 A - 5
P O T T E R & B R U M F I E L D
W 2 8 X Q 1 A - 1 0
M I T S U B I S H I
M R - R B 0 3 2
S A N Y O
F S 1 W 0 7 5 P
I S H I Z U K A
P O T T E R & B R U M F I E L D
W 2 8 X Q 1 A - 3
O M R O N
L Y 1 - A C 1 0 0 V
O M R O N
G 7 L - 2 A - B
D C 2 4 V
C O S E L
L E B 1 0 0 F - 0 5 2 4 - S
P O W E R L A M P
F U J I E L E
D R 2 2 D O L - H 3 G
A C 1 1 0
S U E N N
L I A N G
S P - T B S M - 1 I - 1 6 K V A
4 W - 2 5 ( 3 )
O K A Y A
3 S U P - H U 1 0
- E R - 6
M I T S U B I S H I
N F 3 0 - S W - C E / 2 P / 1 5 A
2 8
M I T S U B I S H I
M R - J 3 - 4 0 A 1
S A N Y O
1 0 9 S 0 8 5
3 5
2 5
J 0 0 9
L 1

- -
REF.NO NOTE PARTNO DESCRIPTION Qty
1
#01
E9454-723-AA0 ACCABLEASM(CE) 1
2 400-49489 ACPOWERINPUTCABLEASM 1
3 400-49490 NFBOUTPUTCABLEASM 1
4 400-44996 NFINPUTCABLEASM 1
5 400-49491 NFFGCABLEASM 1
6 400-49492 NFOUTPUTCABLEASM 1
7 400-49493 TFINPUTCABLE(415V)ASM 1
8 400-49494 TFINPUTCABLE(400V)ASM 1
9 400-49495 TFINPUTCABLE(380V)ASM 1
10 400-49496 TFINPUTCABLE(240V)ASM 1
11 400-49497 TFINPUTCABLE(220V)ASM 1
12 400-49498 TFINPUTCABLE(200V)ASM 1
13 400-49499 TFINPUTCABLE(0V)ASM 1
14 400-49501 TFOUTPUTCABLEASM 1
15 400-49502 PSUINPUTCABLEASM 1
16 400-49504 POWERLAMPCABLEASM 1
17 400-49505 RELAY2DRIVECABLEASM 1
18 400-49503 PSUOUTPUTCABLEASM 1
19 400-49506 RELAY2I/OCABLEASM 1
20 400-45011 RELAY1INPUTCABLEASM 1
21 400-45012 RELAY1OUTPUTCABLEASM 1
22 400-49507 RELAY1DRIVECABLEASM 1
23 400-49508 RELAY3,5DRIVECABLE1ASM 1
24 400-49509 FANMOTORASM 1
25 400-49512 ZMDRIVERPOWERCABLE(L11_L21)ASM 1
26 400-45020 RELAY3INPUTCABLEASM 1
27 400-49514 RELAY3,5DRIVECABLE2ASM 1
28 400-49516 SURGEABSORBERASM 1
29 400-45023 RELAY3DIODECABLEASM 1
30 400-49513 ZMDRIVERPOWERCABLE(L1,L2)ASM 1
31 400-49510 REGENERATINGRESISTORCABLE(ZM-G3,G4)ASM 1
32 400-49511 REGENERATINGRESISTORCABLE(ZM-P,C)ASM 1
33 400-49500 TFFGCABLEASM 1
34 400-49515 ZMDRIVERFGCABLEASM 1
35 400-49517 RELAY5INPUTCABLEASM 1
36 400-45035 RELAY5DIODECABLEASM 1
37 400-49518 YDRIVERPOWERCABLEASM 1
38 400-45039 YDRIVERFGCABLEASM 1
39
#02
400-49752 ACPWRCABLE(TR5CE)ASM 1