TR5DNR_TR5DNX-Rev05 - 第53页
- - REF.NO NOTE PARTNO DESCRIPTION Qty 1 40 0-49619 DOORMOPEN SWCABLE1 ASM 1 2 40 0-49620 DOORMOPEN SWCABLE2 ASM 1 3 40 0-49621 DOORMOPEN SWASM 1 4 40 0-49623 RELAY12I/OCAB LE2AS…

- -
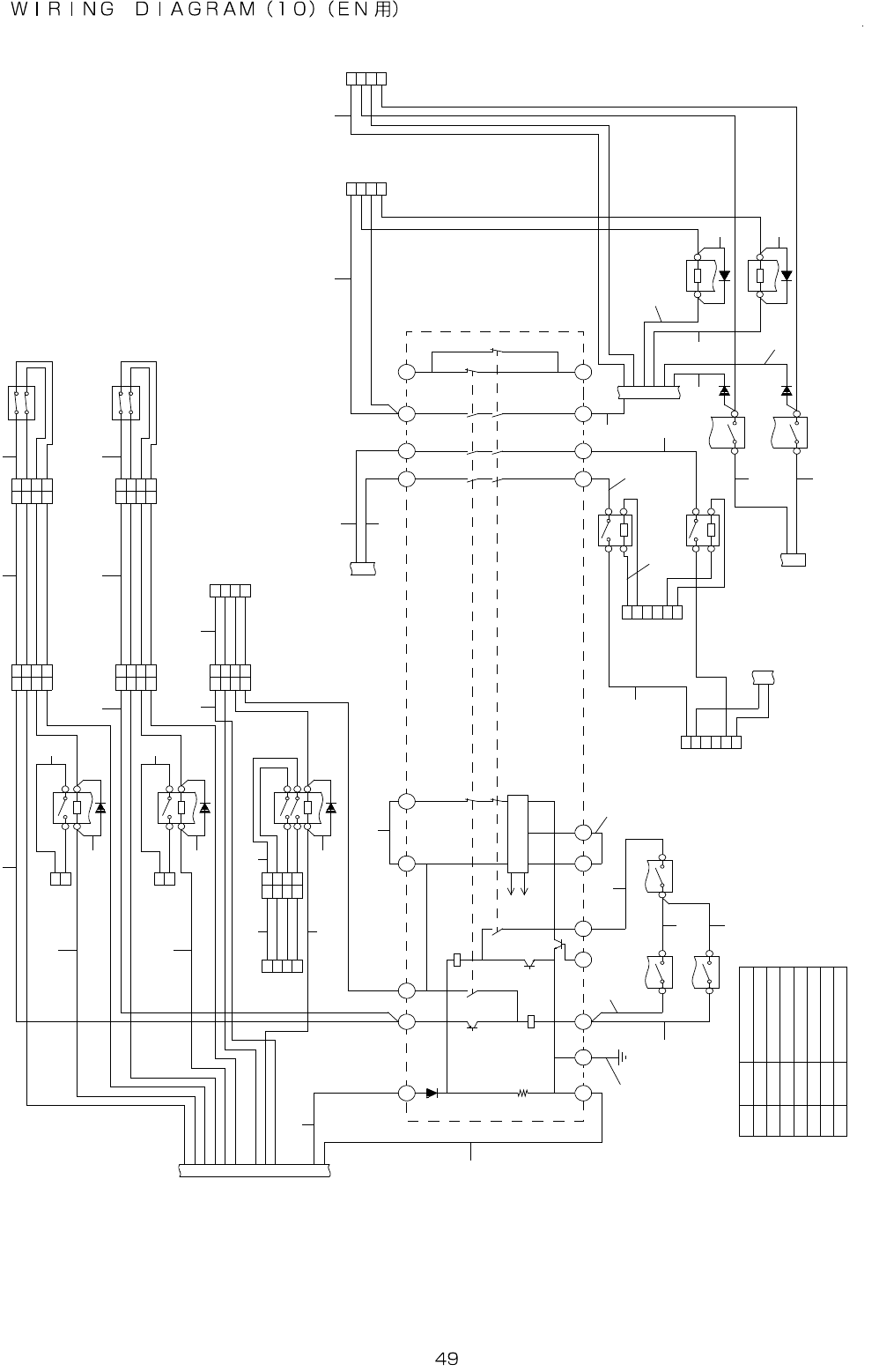
25.WIRINGDIAGRAM(10)(FOREN)
1 _ 1 B
( C E )
6 _ 2 B
( C E )
6 _ 2 B
( C E )
C N 1 0 7 - A
4
3
2
1
M Y 2 D C 2 4 V
M Y 2 D C 2 4 V
M Y 2 D C 2 4 V
M Y 2 D C 2 4 V
G 7 S A - 3 A 1 B D C 2 4 V
G 7 S A - 3 A 1 B D C 2 4 V
G 7 S A - 3 A 1 B D C 2 4 V
O M R O N
O M R O N
O M R O N
O M R O N
O M R O N
O M R O N
O M R O N
R L Y 1 9
R L Y 1 8
R L Y 1 6
R L Y 1 4
R L Y 1 3
R L Y 1 2
R L Y 1 0
T Y P EM A K E RS I G N
T B 2
-
-
C
C
C
C
C
D 1 3
D 11
R L Y 1 8
1 0 _ 4 D
D 1 0
1 41 3
T B 2
C
R L Y 1 9
1 0 _ 4 D
D 1 2
1 41 3
4 _ 4 B
( C E )
4 _ 4 B
( C E )
O M R O N
G 9 S A - 3 0 1
S R L Y
4 1
4 23 4
3 3
4 34 4
C N 1 2 4
C N 1 2 3
5 - 4 C
( C E )
C N 1 2 2
1 0 _ 4 D
1 2
R L Y 1 9
8
1 0 _ 4 C
D 6
1 0 _ 2 C
2 32 4
R L Y 1 0
1 0
D 9
T B 2
+
+
1 0 _ 2 C
4 34 4
5 _ 4 C
( C E )
R L Y 1 3
1 0
3 1
11
D O O R S O P E N S W
3 2
1 2
S
S
S
1 2
R L Y 1 8
8
1 41 3
8
R L Y 1 6
1 2
1 41 3
8
R L Y 1 4
1 0 _ 2 B
R L Y 1 0
3 3 3 4
1 0 _ 2 A
R L Y 1 3
3 3 3 4
1 0 _ 2 A
1 0 _ 2 C
4 34 4
D 8
1 _ 5 B
( C E )
T B 2
-
-
1 2
2 4
2 3
1 4
1 3T 3 2
b
a
BA
C o n t r o l
C i r c u i t
T 3 1
R L Y 1 2
3 3 3 4
K 1
K 2
K 2
b
a K 1
T 2 3 T 2 2T 2 1P E
T 1 2
A 2
T 11A 1
-
+
-
+
-
R L Y 1 2
1 0
3 1
11
D O O R M O P E N S W
3 2
1 2
+
-
+
T B 2
C N 0 6 7 - B
6
5
4
2
3
1
C N 1 2 1
C N 0 7 4
C N 0 7 2
C N 1 0 7 - B
C N 0 8 7 - BC N 0 8 7 - A
4
3
C N 0 7 5
C N 0 6 7 - A
6
2
5
1
C N 0 7 3
1
2
3
4 4
3
2
1
2
1
2
1
1
2
3
44
3
2
1
4
1
4
3
2
3
1
2
2
1
3
2
3
44
1
4
1
3
2
4
3
2
1 1
2
3
4
4
3
2
11
2
3
4
4
3
2
11
2
3
4
1
2
3
4
5
6
7
8
9
1 0
1 1
1 2
1 3
1 4
1 5
1 6
1 8
1 7
1 9
2 0
2 1
2 2
2 3
2 4
2 62 5
2 8
2 7
2 9 3 0
3 1
3 2
3 3
3 4
3 5
3 6
3 7
3 8
3 9
4 0
4 1
4 2 4 3
4 4
4 5

- -
REF.NO NOTE PARTNO DESCRIPTION Qty
1 400-49619 DOORMOPENSWCABLE1ASM 1
2 400-49620 DOORMOPENSWCABLE2ASM 1
3 400-49621 DOORMOPENSWASM 1
4 400-49623 RELAY12I/OCABLE2ASM 1
5 400-49622 RELAY12DRIVECABLEASM 1
6 400-45229 RELAY12DIODECABLEASM 1
7 400-49627 RELAY13DRIVECABLEASM 1
8 400-49629 RELAY13I/OCABLE2ASM 1
9 400-49624 DOORSOPENSWCABLE1ASM 1
10 400-49625 DOORSOPENSWCABLE2ASM 1
11 400-49626 DOORSOPENSWASM 1
12 400-45234 RELAY13DIODECABLEASM 1
13 400-49662 RELAY10I/OCABLE1ASM 1
14 400-49634 RELAY10I/OCABLE2ASM 1
15 400-45212 RELAY10DRIVECABLEASM 1
16 400-45211 RELAY10DIODECABLEASM 1
17 400-49630 EMERGENCYSWCABLE(REAR,CE)1ASM 1
18 400-49631 EMERGENCYSWCABLE(REAR,CE)2ASM 1
19 400-45218 SRLYPOWERCABLE(+)ASM 1
20 400-45226 SRLY-T3CABLEASM 1
21 400-45219 SRLYPOWERCABLE(-)ASM 1
22 400-49633 SRLY-FGCABLEASM 1
23 400-49635 RELAY12-33CABLEASM 1
24 400-49637 RELAY13-33CABLEASM 1
25 400-49639 RELAY12-34CABLEASM 1
26 400-49640 RELAY13-34CABLEASM 1
27 400-49641 SRLY-T22CABLEASM 1
28 400-45225 SRLY-ABCABLEASM 1
29 400-49642 SRLY-23CABLEASM 1
30 400-49643 SRLY-13CABLEASM 1
31 400-49646 CGSWS.V.CABLE2ASM 1
32 400-49647 CGSWS.V.CABLE3ASM 1
33 400-49644 RELAY14,16OUTPUTCABLEASM 1
34 400-49645 RELAY14,16DRIVECABLEASM 1
35 400-45240 RELAY14INPUTCABLEASM 1
36 400-45242 RELAY16INPUTCABLEASM 1
37 400-49648 SRLY-34CABLEASM 1
38 400-49651 RELAY18-8CABLEASM 1
39 400-49649 RELAY18-13CABLEASM 1
40 400-49652 RELAY19-13CABLEASM 1
41 400-49650 RELAY18DIODECABLEASM 1
42 400-49655 RELAY18-12CABLEASM 1
43 400-49656 RELAY19-12CABLEASM 1
44 400-49654 RELAY19-8CABLEASM 1
45 400-49653 RELAY19DIODECABLEASM 1

- -
26.WIRINGDIAGRAM(11)
C N 1 5 4
C N 1 5 3
A N T M 2
4
3
4
3
2
1
2
1
A N T S 2
4
3
4
3
2
1
2
1
I S Z S _ O R G [ N ]
I S C G _ L _ I N [ N ]
I S D O O R _ S _ L O C K [ N ]
I S D O O R _ M _ L O C K [ N ]
I S G N D
I S + 5 V
I S Z M _ O R G [ N ]
I S C G _ R _ I N [ N ]
I S D O O R _ M _ L O C K [ N ]
N.C.
I S G N D
I S + 5 V
S C N 1 5 2
S C N 1 5 1
C N 1 5 2
C N 1 5 1
A N T S 1
G N D
I N on l i n e
I N p o s i t i o n
+ 5 V
4
3
4
3
2
1
2
1
+ 2 4 V
A _ 4 8 5
+ 2 4 V R T N
B _ 4 8 5
4
3
2
1
4
3
2
1
I S S C N P C B ( r e p l a c e S C N P C B )
6
5
4
3
2
1
6
5
4
3
2
1
6
5
4
3
2
1
6
5
4
3
2
1
A N T M 1
G N D
I N o n l i n e
I N p o s i t i o n
+ 5 V
4
3
4
3
2
1
2
1
+ 2 4 V
A _ 4 8 5
+ 2 4 V R T N
B _ 4 8 5
4
3
2
1
4
3
2
1
4
3
4
3
2
1
2
1
4
3
4
3
2
1
2
1
5 0
2 5
4 9
2 4
4 8
2 3
4 7
2 2
4 6
2 1
4 5
2 0
4 4
1 9
4 3
1 8
4 2
1 7
4 1
1 6
4 0
1 5
3 9
1 4
3 8
1 3
3 7
1 2
3 6
11
3 5
10
3 4
9
3 3
8
3 2
7
3 1
6
3 0
5
2 9
4
2 8
3
2 7
2
2 6
1
5 0
4 9
4 8
4 7
4 6
4 5
4 4
4 3
4 2
4 1
4 0
3 9
3 8
3 7
3 6
3 5
3 4
3 3
3 2
3 1
3 0
2 9
2 8
2 7
2 6
2 5
2 4
2 3
2 2
2 1
2 0
1 9
1 8
1 7
1 6
1 5
1 4
1 3
1 2
11
10
9
8
7
6
5
4
3
2
1
5 0
4 9
4 8
4 7
4 6
4 5
4 4
4 3
4 2
4 1
4 0
3 9
3 8
3 7
3 6
3 5
3 4
3 3
3 2
3 1
3 0
2 9
2 8
2 7
2 6
2 5
2 4
2 3
2 2
2 1
2 0
1 9
1 8
1 7
1 6
1 5
1 4
1 3
1 2
11
10
9
8
7
6
5
4
3
2
1
5 0
2 5
4 9
2 4
4 8
2 3
4 7
2 2
4 6
2 1
4 5
2 0
4 4
1 9
4 3
1 8
4 2
1 7
4 1
1 6
4 0
1 5
3 9
1 4
3 8
1 3
3 7
1 2
3 6
11
3 5
10
3 4
9
3 3
8
3 2
7
3 1
6
3 0
5
2 9
4
2 8
3
2 7
2
2 6
1
M A I N 2 2
9 _ 3 D
B
B
B
B
B
B
B
B
B
B
B
B
B
B
B
B
B
B
B
B
B
B
B
B
B
2 5
2 4
2 3
2 2
2 1
2 0
1 9
1 8
1 7
1 6
1 5
1 4
1 3
1 2
11
10
9
8
7
6
5
4
3
2
1
A
A
A
A
A
A
A
A
A
A
A
A
A
A
A
A
A
A
A
A
A
A
A
A
A
I n s i d e o f T R 5 D
2 5
2 4
2 3
2 2
2 1
2 0
1 9
1 8
1 7
1 6
1 5
1 4
1 3
1 2
11
10
9
8
7
6
5
4
3
2
1
N . C
N . C
N . C
N . C
N . C
N . C
N . C
N . C
N . C
N . C
I / F + 5 V
I / F + 5 V
I / F + 5 V
I / F + 5 V
N . C
C _ O P E N
M T C _ E M G [ N ]
E M G
P O W E R _ O N [ N ]
R D Y [ N ] / B S Y 1
I / F G N D
R D Y / B S Y 0 [ N ]
I / F G N D
W R I T E 0 [ N ]
I / F G N D
W R I T E 1 [ N ]
I / F G N D
I / F G N D
W D A T A 7
W D A T A 6
W D A T A 5
W D A T A 4
I / F G N D
I / F G N D
W D A T A 3
W D A T A 2
W D A T A 1
W D A T A 0
I / F G N D
I / F G N D
R D A T A 7
R D A T A 6
R D A T A 5
R D A T A 4
I / F G N D
I / F G N D
R D A T A 3
R D A T A 2
R D A T A 1
R D A T A 0
M A I N P C B ( 8 / 8 )
J 0 4 J 0 1 0P 0 1 0 C N 2 2
S U B S T A C K E R
A N T E N N A A R R A Y
1 4 M M 2 0 C O J I S C A N ,
M A I N S T A C K E R
A N T E N N A A R R A Y
1 4 M M 2 0 C O J I S C A N ,
S - I / F
M T C / M T S I / F
S - I / F
I / F
2 0
1 9
1 8
1 7
1 6
1 5
1 4
1 3
1 2
11
10
9
8
7
6
5
4
3
2
1
2 0
1 9
1 8
1 7
1 6
1 5
1 4
1 3
2 0
1 9
1 8
1 7
1 6
1 5
1 4
1 3
1 2
11
10
9
8
7
6
5
4
3
2
1
1 2
11
10
9
8
7
6
5
4
3
2
1
C N 4 2 2
1 2
11
10
9
8
7
6
5
4
3
2
1
1 2
11
10
9
8
7
6
5
4
3
2
1
E M G [ N ]
+ 2 4 V
C V _ O P [ N ]
+ 2 4 V
T x D -
T x D +
+ 2 4 V
R x D -
R x D +
M T C _ O P E N [ N ]
M T C _ E M G 2 [ N ]
P O W E R _ O N 2 [ N ]
C N 4 2 2
C N 1 5 4
C N 1 5 3
4
3
4
3
2
1
2
1
4
3
4
3
2
1
2
1
9 _ 3 D
I n s i d e o f T R 5 D
M A I N P C B ( 8 / 8 )
1
2
3
4
5
6
87
9
1 0