SM310_Technical-4th(User) - 第15页
S A MS U N G T E C H W I N Pressure Sensor HEADSOLASSY#1 HEADSOLASSY#2 VacuumChamber Head1 BlowManifold FilterAssy Head2 Head4 Head3 Head6 Head5 FlatTube-X VacuumChamber VacuumChambe…

NO. PARTNO. PARTNAME Q'TY TYPE REMARK
1 J9058093A SM310SOLENOIDVALVEASSY 2 J9058093A
1-A J6704006A MANIFOLDBLOCK 1
1-B J6702036A SOLVALVE 4
1-C J1300067 SILENCER 2
1-D J6711118A STRAIGHTFITTING 1
1-E J6703038A SPEEDCON 2
1-F J6711008A UNIONFITTING 1
1-G J1301050 SPEEDCONTROLLER(ELBOW) 1
1-H J6712017A PLUGFITTING 1
1-I J67021002A SOLVALVE 1
1-J J1301188 ELBOWFITTING 4
1-K J67111003A FITTING 2
2 J6701046A CYLINDER-LIFTTABLE 1 BUT
3 J1300277 FITTING 2
4 J6701080A AIRCYLINDER 1 WORK
5 J6711255A BOBFITTING 2
6 J67011002A CYLINDER 1 ANC
7 J6703002A SPEEDCONTROLLER(STRAIGHT) 2
8 J6701080A AIRCYLINDER 1 SHUTTLE
9 J1301188 FITTING 2
10 J67011001A EDGE_FIXER_CYLINDER 1 EDGEFIXER
11 J6709018A REGULATOR 2
12 J1301181 BOBFITTING 2
13
14
15
16

S AMS UNG TE CHWIN
Pressure
Sensor
HEADSOLASSY#1 HEADSOLASSY#2
VacuumChamber
Head1
BlowManifold
FilterAssy
Head2
Head4
Head3
Head6
Head5
FlatTube-X
VacuumChamber
VacuumChamber
VacuumChamber
VacuumChamber
VacuumChamber
FilterAssy FilterAssy FilterAssy FilterAssy FilterAssy
Pressure
Sensor
Pressure
Sensor
Pressure
Sensor
Pressure
Sensor
Pressure
Sensor
Vacuum
Generator
Regulator
6
5
12
7
20-A
2
9
10
8
1
3
3 33
19
19
19
19
19
19
12
12
12
12
12
22-A22-A22-A21-A21-A21-A
21
22
16
11
13
13
14
16
11
16
11
13
13
14
16
11
16
11
13
13
14
16
11
20-B
20-A
20-B
20-A
20-B
20-A
20-B
20-A
20-B
20-A
20-B
18
15
18
15
18
15
18
15
18
15
18
15
17 17 17 17 17 17
14
14
14
14
14
14

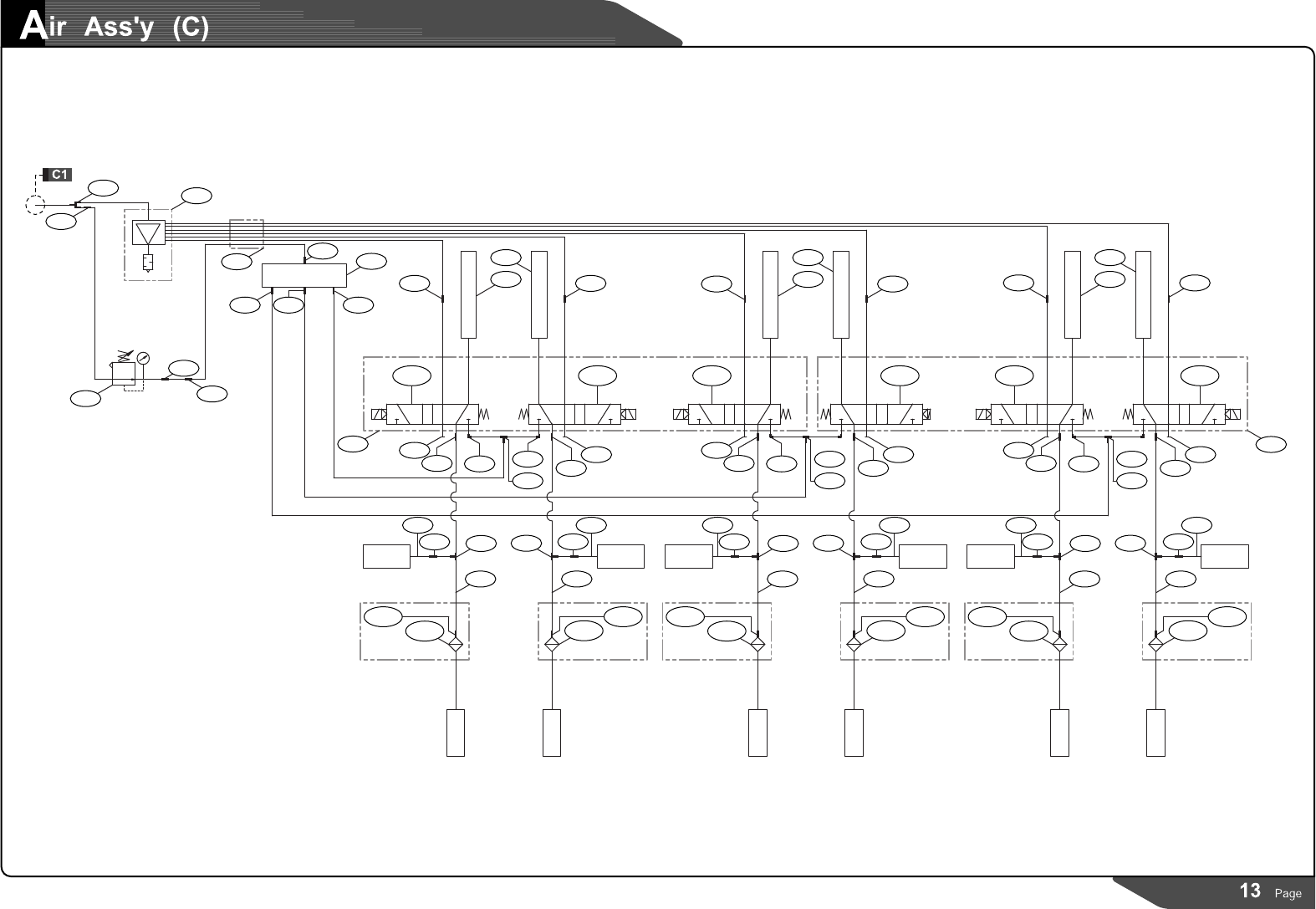
NO. PARTNO. PARTNAME Q'TY TYPE REMARK
1 J7254040B BLOWMANIFOLD 1 J7254040B
2 J6707006A VACUUMGENERATOR 2
3 J6711050A FITTINGPLASTIC10-32UNFTO1/8HOSE 2
4 J6711163A FITTING 6
5 J6711182A UNIONY 2
6 J6711183A STRAIGHTFITTING 2
7 J6713015A RING 2
8 J7358003B FLATTUBE-X 2 J7358003B
9 J6709020A REGULATOR 2
10 J6711243A STRAIGHTUNION 2
11 J6711047A FITTINGPLASTIC1/16HOSETO10-32UNF 6
12 J6711050A FITTINGPLASTIC10-32UNFTO1/8HOSE 6
13 J6711051A FITTINGPLASTICSWIVELELBOW 6
14 J6711052A FITTINGPLASTICTEE1/16HOSEBARAS 9
15 J6711054A BARBEDPORTSFOR1/16*1/8IDFLEXIBLETUB 6
16 J6712004A PLUGPLASTIC10-32UNF 6
17 J6713022B COILTUBE(POLYURETHANE) 6 J6713022B
18 J6713024A PRESSURETUBINGPOLYURETHANE1/16 1
19 J7155484A VOLUMECHAMBER 6 J7155484A
20 J9058076A FILTERASSY 6 J9058076A
20-A J67081001A AIRFILTER 1
20-B J6711227A FITTING 1
21 J9080340A HEADSOLASSY#1 1
21-A J6702037A VALVESOLENOID4WAY,24VAC.ALU 3
22 J9080341A HEADSOLASSY#2 1
22-A J6702037A VALVESOLENOID4WAY,24VAC.ALU 3
23