DECAN_S1_TRM(Ver1.2_CS19.11) - 第110页
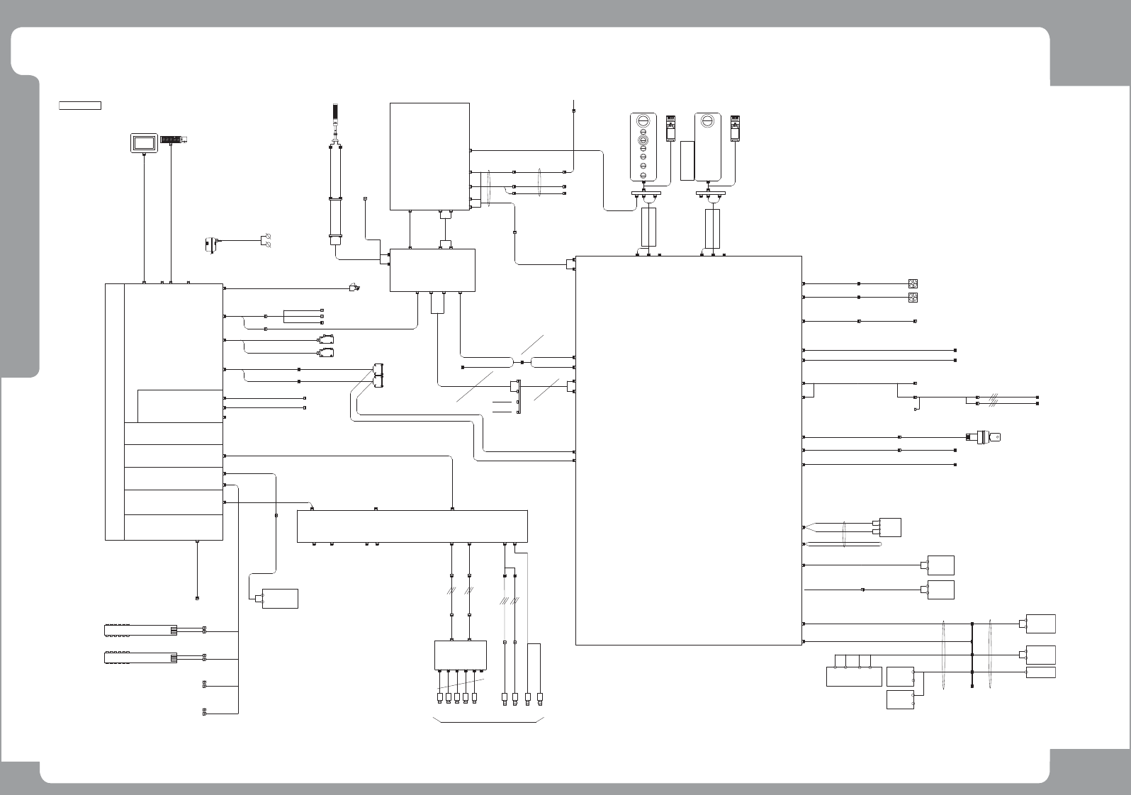
Page +$1:+$ 108 DE CA N S 1 Harness Wiring Diagram (7/8) TB1-3C TB1-8C myvu{Gvwlyh{pvuGtvkl G R S T M E E CHANGE F/FEEDER RESET STOP START READY E O P C N Y P O T S Y N C E E E M R G <FRONT -OP> <REAR-OP> CPC…

Page
+$1:+$
107
DECAN
S1
Harness Wiring Diagram (6/8)
CONVEYOR I/F
BOARD
[CV]
CN23
AM03-011608B
HD-CAN
FDOCK1
FDOCK2
FRONT DOCKING CART SENSOR1(전면에서 왼쪽)
OMRON
EE-1001
+
L
OUT
-
FRONT DOCKINF CART SENSOR2(전면에서 오른쪽)
OMRON
EE-1001
+
L
OUT
-
CN24
RDOCK1
RDOCK2
REAR DOCKING CART SENSOR1(LEFT TO FRONT)
OMRON
EE-1001
+
L
OUT
-
REAR DOCKINF CART SENSOR2(RIGHT TO FRONT)
OMRON
EE-1001
+
L
OUT
-
CN10
AM03-011610A
F/D_CART SOL1
F/D_CART SOL2
FRONT D_CART SOL1
FRONTD_CART SOL2
CN111
AM03-011611B
R/D_SOL1
R/D_SOL2
REAR D_CART SOL1
REAR D_CART SOL2
FFD-EN3
FFD-EN2
FFD-CN3
FFD-CN2
SM511_IT004
DeviceNet
DeviceNet
PC RACK
IT MASTER
CAN_CH1_L
CAN_CH3_L
F-24V-EX
AM03-011612B
AM03-011613A
RFD-EN3
RFD-EN2
RFD-CN3
RFD-CN2
CN21
[AXIO#1]
CN3
[SC]
[SC]
CN22
CAN_CH2_R
CAN_CH4_R
R-24V-EX
Front DOCKING CART EXT.
Rear DOCKING CART EXT.
F-DCART
R-DCART
Front DOCK ING CART
Rear DOCK ING CART
5557-24R
5557-24R
DOCK ING CART (OPTION)
DeviceNet
DeviceNet
FFD-PWR
CV-RDF-PWR
AM03-011245C
RFD-CN4
5559-10P
CN20
CV-CN4
5557-10R
DF1B-4DS-2.5RC
DF1B-4DS-2.5RC
DF1BA-4DEP-2.5RC
AM03-010841C
RFD-EN4
D-S1_CA104
AM03-010871A
SM511_CV019
SM511_CV028
SM511_FD010_DC
SM511_CV101-1
SM511_CV101
SM511_CV029
SM511_FD011_DC
AM03-011609B
SM511_CV020
5559-24P
5559-24P
DCART
DCART
AM03-001731C
SM411N_FD012_DC
AM03-001731C
SM411N_FD012_DC
D-S1_FL002-13
D-S1_CA104-1
FFD-CAN-EXT
AM03-006942A
SM48_CA104
CN2
SM511C_FD004
AM03-014713A
F-FB-L
AM03-010867B
SM511_FD101-1
SM511C_FD006
AM03-014716A
SM41_CA003
AM03-010656A
[HD BD]
CN2
CN3
SM48_CA106
FIX-ILL-R
D-S1_CA102
AM03-025118A
AM03-027093A
AM03-027092A
AM03-027090A

Page
+$1:+$
108
DECAN
S1
Harness Wiring Diagram (7/8)
TB1-3C
TB1-8C
myvu{Gvwlyh{pvuGtvkl
G
R
S
T
M
E
E
CHANGE
F/FEEDER
RESET
STOP
START
READY
E
O
P
C
N
Y
P
O
T
S
Y
N
C
E
E
E
M
R
G
<FRONT-OP> <REAR-OP>
CPCI 6U RACK
USBVGA1
SBC
<FRONT>
PCIE ADAPTER
PCIE X1 2MR
PCIE X1 3MR
AXIO B/D #1-CN1
AXIO B/D #2-CN1
NT-A8
PC POWER SUPPLY
AM03-014387A
AM03-014758A
SAFETY CONTROL B/D
CN30
CN3
F-OP
CN3
R-OP
[SC]
CN4 CN9
PWR(12V)
SM400 VISION IF B/D
CN1
CN1CN3
CN6CN8CN5 CN10
IT MASTER
CN1(12V)
AM03-014384A
AM03-014765A
CN11
CN21
CN2 CN7
CONV I/F B/D
[CV]
AM03-010857C
[SUB]
CONV.SUB I/F B/D
CN32
CN28
AM03-010836C
CN6
CN1
CN18
CN3
AM03-010850A
CN17
CN2
START,FFD,RFD
CN7
AM03-014710B
CN2
CN5
CN2
AM03-017384C
AM03-017384C
CN7
CN13
AM03-013055A
CN8
AM03-021644A
CN26
CN3
CN1 CN1
CN6
CN13
EM,READY,DOOR,FSO
[VIS]
CN24
CN18
MC1
21
22
+A1
-A2
CN19
J90831335C
J4R-3
J4R-4
J9L-3
J9L-4
AM03-010843B
J6R-2
SM48_CV026-1
J11L-2
J6R-3
J6R-4
J11L-3
J11L-4
AM03-014977B
AM03-010953B
AXIO#2-CN2
21/22
JUMPER
AM03-010986D
R PANEL LAN
AM03-014705A
FFD-CN4
AM03-014629A
PWR
AM03-010871A
CAN
J1R
CN26 CN27
J1R-3
J1R-4
AM03-010867B
CN33
CN35
CN20
CN22
RFD-CN4
SC-J1R
CN4
AM03-010961A
F/R T-BOX HOST
AM03-010841C
FFD-PWR
AM03-010866C
PWR(24V)
PWR(24V)
VGA
AM03-021648A
TW-LP
TW-BZ
J9LJ4R
PC-232-EXT
R-PW-PANEL
DOOR.FFD.READY.START
DSTOP.RESET SW
J6R J11L
AIRSEN
AM03-021648A
(DC BRK)
PWR(24V)
13
14
(24G)
(+24V)
CN23
SAFEGUARD OVERRIDE KEY
AX-CN1
AM03-010951A
AM03-011671A
CN5
CN-FSO
AM03-010079B
PS1+24V
PS1-24G
PS2+24V
PS2-24G
T6L
PS1
PS2
PS2+24V
PS2-24G
PS2
FRONT FEEDER BASE RIGHT B/D
JK1 JK2 JK3 JK4 JK5 JK6
JK7 JK8 JK9 JK10 JK11 JK12
JJ1 JJ2 JJ3 JJ4 JJ5 JJ6
JJ7 JJ8 JJ9 JJ10 JJ11 JJ12
AM03-000765A
AM03-000764A
CAN
PWR
CAN
PWR
FRONT FEEDER BASE LEFT B/D
CAN_CH1_L
CAN_CH2_R
CAN
VGA2
SUB-CN6/7
15S 15S15S 15S15P 15P 15P 15P
JST 20P
J1R-1
J1R-2
PWR(24V)
F-OW-LAMP
PWR
PWR
AM03-011245C
CV-RFD-PWR
5557-10R/5559-10P
X
X
⓸䇭⽀⢰䁇 㻈ᴴ
MULTIPORT
LAN1
F BARCODR
SM511_IT001
R BARCODR
AM03-012662A
SCAN
PCB-IN
RY11
RELAY-BK1-5
AM03-011272A
6
4
(+24V)
(+24V)
RY1
AM03-011273B
CN2
입력
JST 20P
㩅䑄
HD
CN3
CN2
CN1
FAN
RACK FAN
CV-CN16
AM03-010848E
SM511C_KV003-2
SM48C_PC003
SM511_PC003-1
SM421_IT003
OPTION
SM511_CV104-2
SM511_CV104-1
SM511_CA201_LT
AM03-010868A
SM511_VM111
SM511_IT004
SM48C_IT005-1
SM48C_VIS000
SM511C_VIS012-2
SM511_CV109-1
SM_FD023
SM_FD022
SM511_CV003
SM511_CV113
SM511_CV126_LT
AM03-021754A
SM511_CV201_LT
SM511_SC105-1
SM33C_OP005
SM33C_OP005
SM511_FD101-1
SM511_FD101
SM511-SC009
SM511_AX001
SM411_SC008
SM41_SC006
SM511C_PW044
SM511-PW033
SM511_PW148
SM511C_PW202
SM511_CV132
SM511_SC204
SM511_CV101 SM511_CV101-1
AM03-012484A
PMC2-EXT
COM5/6
SM511_VM101
PMC1-EXT
Tray Feeder-1
TF-CH1
COM1/2
COM3/4
AM03-003686A
SM421_VM101-1
Tray Feeder-2
TF-CH2
AM03-003689A
SM421_VM102-1
CN14
CN15
AM03-005519B
220V PWR
ADAPTOR
SM471_PW067
SM471_PC007
CN27
AXIO#1-CN2
CN28
HD-PW-EXT
FL1-#15
HEAD IF CN1
FL2-#4
X_SEN.
AM03-007045A
SM481_SC009
AM03-006922B
SM48_SC007
AM03-007080C
SM481_AX006-1
HD-PW
X-SEN
CN10
R DRIVER-PW
AM03-005723C
SM471_SC111-2
AM03-007044B
SM481_SC011
SM511_CV126-1
AM03-010855C
CN4
AM03-010906B
START,STOP,RESET,FFD
SM511_OP103
EP13-900134
PTE_APV-302-RYG(510)
CN6
AM03-010919C
SM511_PW020
LEFT REAR FAN PW
CN7
AM03-010920B
SM511_PW021
RIGHT FRONT FAN PW
CN34
CN31 CN4
CN36
AM03-010948B
SM511-SC002
(HEAD AMP)
SM471_PW022
AM03-006409A
SM471_PW022
AM03-006409A
FLY CAM1~5
SM471_VIS011
P1 P2
COM1
COM2
COM3
COM4
COM5
FID.CAM
SM400 CAMERA IO B/D#1
[FID1]
SM511C_VIS007
SM511C_VIS010
SM471_VIS006
HEAD
1234 5
COM6
FIX.CAM
SM471_VIS009
#1F-FL-15
SM481_VIS002-1
#2F-FL-15
12
SM481_VIS002-2
SM511C_FX007
1 2
SM511_FX-004
AM03-012884A
X-SNS-EX
AM03-014385A
SM48C_IT005
AM03-000054
J91672739A
AM03-014335A
USB
AM03-014768B
AM03-014769B
D-S1_FL002-16,17
FLY2-PW
FLY2-CAM
D-S1_FL001-16,17
FLY-PW
FLY-CAM
AM03-014773C
SCANNER OPTION
CN25
SCANNER
PWR(24V)
AM03-012662A
SM421_IT003
SC-CN25
RACK-CN7
CAN_CH3_L
CAN_CH4_R
AM03-005553C
AM03-010262D
AM03-010263D
PS3
REMOTE
CN1
입력
11A
24V
TB1
12A
GND
11C
12C
24V
GND
TB2
2A
1A
RY1
6
5
SELECT
F/R
AM03-027332A
D-S1_OP001
AM03-027418A
D-S1_OP001-1
AM03-010947B
SM511-SC001
Changes when the front operation mode is selected

Page
+$1:+$
109
DECAN
S1
Harness Wiring Diagram (8/8)
AXIS IO BOARD #1
[AXIO#1]
CN3
CN1
PCIE X1
PCIE ADAPTER #2
CONVEYOR I/F
BOARD
[CV]
CN9
CN20
AM03-010844C
INLINE BEFORE(F)
CN16
RANC-EXT
CN2(CAN)
SM33_CV010
ANC
FAREA-E
FAREA-R
J90831139A
FRONT AREA SENSOR
J6R-1
J90831759A
REAR AREA SENSOR
AM03-003542A
CN12
CN15
MC2
TH-N12
AM03-010848E
AM03-010847A
J5R-2
AM03-010852B
J10L-2
AM03-010853B
J11L-1
J6R J11L
J5R
J10L
AM03-021648A
PUMP-PWR
AM03-014907A
PUMP-ALARM
VACCUM-AIR
AM03-014853A
FANC-EXT
A-OP
A-CL
RAREA-R
RAREA-E
CN14
PLACE STOPPER
AFTER
BEFORE
INLINE AFTER(F)
CN8
CN22
J90831146B
JST 6P
F-OW-LAMP
CN6
AM03-010836C
F LOOF FAN
R LOOF FAN
F-LOOF-FAN
R-LOOF-FAN
SUB-CN1
JST 6P
V1_BASE_332
RACK-FAN
SM48C_PW147-1
SM48C_PW146
SM511_CV106-1
SM421_CV106-2
SM511_CV109-1
SM511_CV107-1
SM33_CV024
EP02-001745B
SM421_CV018
SM511_CV109
SM511_CV117-1
SM33_CV016
SM511_CV115-1
SM511_CV201_LT
SM511_CV003
J90831135A
AM03-025092A
DECAN_1TCV_006
BUT UP
CAN
F-FEEDER I/F
BOARD
CN4(PWR)
[FFD]
CN2(CAN)
D-S1_CA104
DeviceNet
DeviceNet
CN5
CN6
EXT-CN2
CN13
DeviceNet
PWR
DeviceNet
PWR
CN7
JK1 JK2 JK3 JK4 JK5 JK6
CN8
JK7 JK8 JK9 JK10 JK11 JK12
JJ1 JJ2 JJ3 JJ4 JJ5 JJ6
JJ7 JJ8 JJ9 JJ10 JJ11 JJ12
FRONT FEEDER BASE LEFT B/D
FRONT FEEDER BASE RIGHT B/D
DeviceNet
PWR
DeviceNet
PWR
EXT-CN3
SM511C_IT004
PS2
SM48C_IT005
+24V
24G
IT
MASTER
CH1
CH2
CH3
CH4
P-SEN-EXT
AM03-025091A
DECAN_1TCV_016
R-DUMP.BOX1
F-DUMP.BOX
PLACE_SOL
BUT_SOL
EDGE_SOL
ANC1_SOL
ANC2_SOL
CN5
AM03-012631A
SM511_CS111-7
CN21
CN22
AM03-012634A
SM511_CV115-2
AM03-012635B
SM511_CV115-3
AM03-021648A
SM511_CV201_LT
CN3(CAN)
D-S1_CA102-1
AM03-027439A
CN3
SM48_CA106
AM03-025118A
CN3(CAN)
CAN
HEAD IF
BOARD
[HD]
CN2(CAN)
AM03-006942A
SM48_CA104
FFD-CAN-EXT
AM03-027092A
D-S1_CA104-1
Node 1
Node 5 : Conv
Node 6 : Fix Ill
Node 3
Master Node
AM03-027093A
HD-CAN
D-S1_FL002-13
CN4(R FEEDER PWR)
AM03-010841C
SM511_CV101
(PWR)CN4
PWR
CV-RFD-PWR
AM03-011245C
SM511_CV101-1
SACO-CN20/22
SM_FD003
SM_FD004
SM_FD006
SM_FD007
J90800841C
J90800842C
J90800838D
J90800839D
AM03-010871A
AM03-014385A
AM03-014629A
SM48C_IT005-1
AM03-000765A
AM03-000764A
SM_FD023
SM_FD022
DECAN
FFD-PWR
AM03-010866C
SM511_FD101
PS3
+24V
24G
SM511C_FD004
AM03-014713A
SM511C_FD005
AM03-014714A
조명
CN29
조명
STAGE #1
STAGE #2
AM16-001209A
SM48_VI103
OMRON
EE-1001
+
L
OUT
-
DUMP BOX
AM03-015716A
SM21_CV048
FRONT OPERATION MODE
L-DUCT COMMON CABLE 하위
RY1-3
TB2-1B
SM511C_FD002
AM03-014721B
SACO-CN21
AM03-010867B
SM511_FD101-1
FIX-ILL-R
TEACHING BOX
CN26
D-S1_CV123
AM03-027470A
AM03-010837D
SM511_CV023-4
AM03-022731A
SMMD-TB_V1.0
Changes when the front operation mode is selected