DECAN_S1_TRM(Ver1.2_CS19.11) - 第113页
Page +$1:+$ 1 1 1 DE CA N S 1

Page
+$1:+$
110
DECAN
S1
Electric Power (1/8)
S Y M B O L L I S T
GRAPHIC SYMBOL
-EMS/W
-MC
-RY
COIL PART
SWITCHING PART
RELAY
SWITCHING PART
MAGNETIC CONTACT
MAGNET CONTACT
RELAY
COIL PART
SWITCH LAMP
3Ø MOTOR
-M
LED TYPE
SWITCH
DOOR INTERLOCK
SWITCH
-DS/W
-LAMP
-NF
ITEM
-MCCB
SYMBOL
-CP
-SC
GRAPHIC SYMBOL
NOISE FILTER
POWER CONSENT
CIRCUIT BREAKER
CIRCUIT PROTECTOR
EMERGENCY
COOLING FAN
SPARK KILLER (1PH)
-FAN
-SK
(USE FOR AC)
TERMINAL BLOCK
SPARK KILLER (3PH)
-ZM
-TB
GRAPHIC SYMBOL
DESCRIPTION
DESCRIPTION
SYMBOL
ITEM
DESCRIPTION
-FUSE
-SD
FUSE
SERVO DRIVER
CONTACT
(THERMAL)
FRAME EARTH
PE
(GENERAL)
CONTACT
(CIRCUIT BREAKER)
(CIRCUIT PROTECTOR)
CONTACT
SYMBOL
ITEM
DESCRIPTION GRAPHIC SYMBOL
SYMBOL
ITEM
-STEP
2Ø STEP DRIVER
2Ø MOTOR
-M
SPARK KILLER(3Ø)
-SK
312
456
(a)
(a)
(a)
(b)
(b)
(b)
Z2-AXIS
DRIVER
3~
M
22
12
21
11
22
12
21
11
VU
tr
WE
L3L1 L2
WD-AXIS
DRIVER
A
A
+
-
B
B
2~
M

Page
+$1:+$
111
DECAN
S1

Page
+$1:+$
112
DECAN
S1
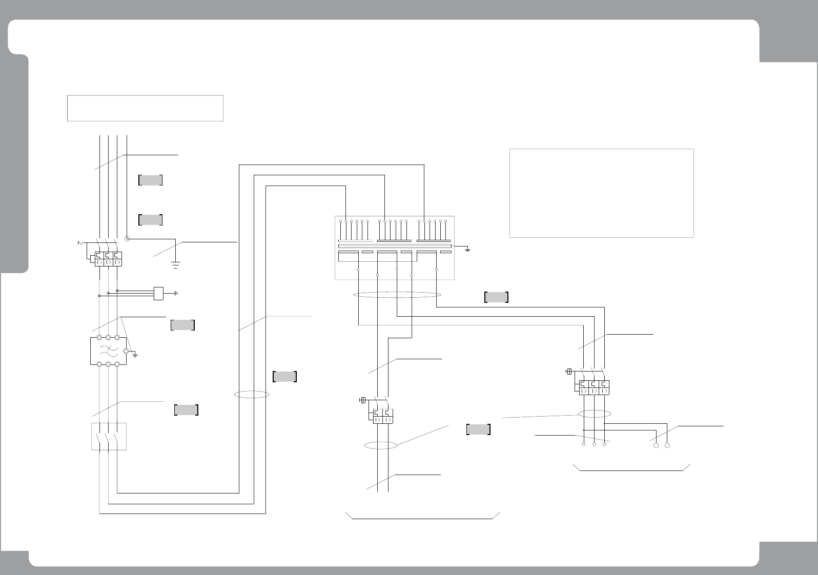
Electric Power (2/8)
1
2
3
4
5
7
6
240
D-S1_PW005
D-S1_PW004
2.5 mm (BLK)
2.5 mm(ORANGE)
L32
L33
L31
L22
L21
L23
D-S1_PW003-2
SM33_PW001
2.5 mm (ORANGE)
4.0 mm (BLK)
-MCCB1
(3Ø, 18A)
L13
L12
L11
T
SR
-EARTH PLATE
FRAME GROUND
-TRANS
220V
208200 220
L31
PE
to TB1-1A,TB1-6A
1L1
1L2
22S
22R 22T
TF2L1
TF2L2
TF2L3
220V 220V
0V 220V
200220415380 200 208 380240 415
L32
415208 220 380240
L33
2.5 mm (BLK)
X(750W),Y1(1KW),Y2(1KW),SW(50W),WD(100W) AXIS(SERVO)
22R 22T
CONTROL RACK(150VA)
MONITOR1,2(35W*2)
TF1L1
TF1L2
2.5 mm (BLK)
SM421_PW106
2.5 mm(BLK)
2.5 mm (BLK)
2.5 mm (BLK)
DC POWER #1~4(24VDC)(400W*4)
AC FAN(14W*5)
D-S1_PW000_LT
4.0 mm (Y/G)
FACTORY MAIN POWER
- 200/208/220/240/380/415VAC FLA13A
- 3PHASE ~50/60Hz SCR 100KA(220VAC)
6.SECONDARY #1 : 1Ø 220(1.5KVA)
SECONDARY #2 : 3Ø 220(2.0KVA)
2.FREQUENCY : 50/60Hz
1.CAPACITY : 3.5KVA
3.PHASE : 3Ø
4. CONNECTION: Y-Y
<TRANS SPECIFICATION>
5.PRIMARY : 3Ø 200/208/220/240/380/415V, 3.55KVA
GV2ME20
-NF1
(3Ø, 20A)
TNS-5020
-MAIN S/W
(3Ø, 25A)
KG20B-T203
SH202-C16
-CP1
(1Ø,16A)
SH203-C16
-CP2
(3Ø,16A)
to TB1-13A,TB1-15A
to MC1
AM03-027373A
SM511_PW003-1
AM03-010913A
FRAME GROUND
SM471_PW100-01
AM03-020540A
AM03-027371A
AM03-027372A
AM03-027391A
J90831063A
AM03-003859A
246
135
1
456
23
2
1
264
135
4
3
24
13
6
5
13 5
2
2
PE08
2
2
PE02
2
2
2
2
2
2
SPD