DECAN_S1_TRM(Ver1.2_CS19.11) - 第166页
Page +$1:+$ 164 DE CA N S 1 Axis IO Board (1/11) AXIO BD #1 BOARD CN1 CN2 01 02 03 04 01 02 03 04 01 02 03 04 SAFTY CONTROL 01 02 03 04 CN27 SM48_SC007(AM03-006922B) CN6 11 12 1 2 9 8 7 20 A1 A2 A3 A4 A5 A6 A7 A8 A9 A10 …

Page
+$1:+$
163
DECAN
S1
Axis Sensor Board (2/2)
NO. PART NO. PART NAME Q'TY Old No. Supply Supply LT Reference
1 AM03-020589C CABLE ASSY-AXIS_SNS_BD_CN9;B 1
2 AM03-007046B CABLE ASSY-CABLE_ASSY-AXIO_CN7_9 1
3 AM03-027048A CABLE ASSY-FDR UNLOCK SEN J3R 1
4 AM03-021648A CABLE ASSY-AXIO_CAN_SEN_J3-6R_J8-11L 1
5 AM03-010811C CABLE ASSY-FDR_UNLOCK_SEN_J8L 1
6 J90831286C FDR_UNLOCK_RIGHT_CABLE_ASSY 2

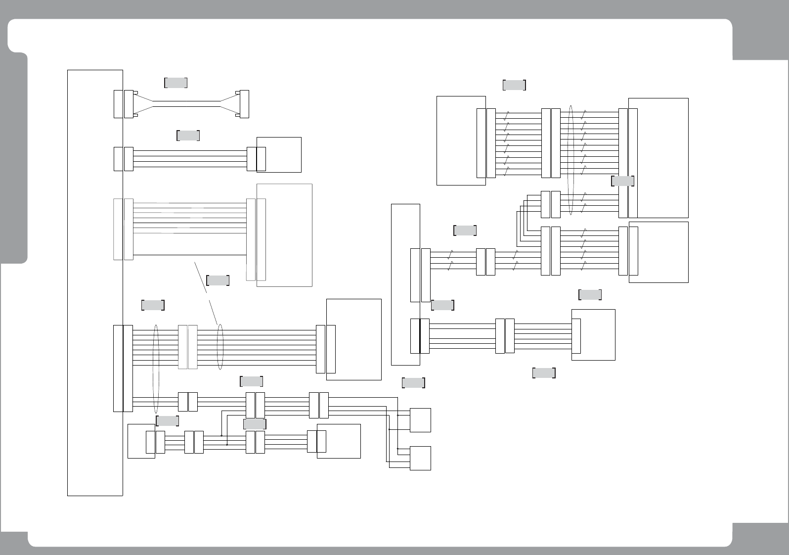
Page
+$1:+$
164
DECAN
S1
Axis IO Board (1/11)
AXIO BD #1
BOARD
CN1
CN2
01
02
03
04
01
02
03
04
01
02
03
04
SAFTY CONTROL
01
02
03
04
CN27
SM48_SC007(AM03-006922B)
CN6
11
12
1
2
9
8
7
20
A1
A2
A3
A4
A5
A6
A7
A8
A9
A10
B1
B2
B10
AXIS SENSOR
BOARD
CN10
BOARD
PCIE ADAPTER #1
PC RACK
KEL 30P
A1
A2
A3
A4
A5
A6
A7
A8
A9
A10
B1
B2
B10
11
12
1
2
9
8
7
20
PCIE X1 2M
CN7
1
3
5
2
4
6
8
30
7
9
11
A1
A3
A5
A7
A9
A11
B1
B2
SM481_AX006
AXIS SENSOR
BOARD
CN9
1
2
3
4
5
6
7
8
2
3
4
1
3
5
2
4
6
8
30
7
9
11
2
3
4
2
3
4
1
5
1
2
3
4
1
2
3
4
SM481_AX006-1
1
2
3
4
5
6
7
8
A1
A3
A5
A7
A9
A11
B1
B2
Y11_HOME
Y11_PL
Y11_NL
Y12_HOME
Y12_PL
Y12_NL
WD_H
24G
24G
24G
+24V
+24V
24G
+24V
2
3
4
1
5
2
3
4
1
5
2
3
4
1
5
24G
+24V
X_-L/S
X_+L/S
X_HOME
L
-
OUT
+
L
-
OUT
+
SM481C_AX002(AM03-015580A)
SM48_SC007
X_-L/S
X_+L/S
X_HOME
(AM03-007046B)
SM48_AX005_LT
(AM03-020589C)
F FEEDER UNLOCK
R FEEDER UNLOCK
PCB IN
PCB WAIT
PCB WORK
PCB QUICK
PCB OUT
GND
(AM03-007080C)
1
2
3
4
24G
24G
+24V
+24V
1
2
3
4
1
2
3
4
SACO
CN28
B/D
1
2
3
4
B1
B2
A1
A2
B1
B2
A1
A2
HEAD IF
B/D
CN1
X_HOME
X_(-)LIMIT
CN5
13
14
15
16
1
2
~
20
13
14
15
16
1
2
~
20
1
2
3
4
HD_SOL
SM48_CA106
1
2
3
4
3
4
7
8
6
5
2
1
HD_SOL
1
2
3
4
H1H4-VAC
9
11
2
4
7
5
3
1
1
2
3
4
H5H10-VAC
6
8
10
12
13
15
14
16
H6-VAC
H5-VAC
H10-BLOW
H9-BLOW
H7-VAC
H8-VAC
H9-VAC
H10-VAC
H8-BLOW
H7-BLOW
H6-BLOW
H5-BLOW
H4-VAC
H3-VAC
H4-BLOW
H3-BLOW
9
11
2
4
7
5
3
1
6
8
10
12
13
15
14
16
AXIO BD #2
BOARD
CN5
H6-VAC
H5-VAC
H10-BLOW
H9-BLOW
H7-VAC
H8-VAC
H9-VAC
H10-VAC
H8-BLOW
H7-BLOW
H6-BLOW
H5-BLOW
9
11
2
4
7
5
3
1
6
8
10
12
A5
A6
B1
B2
A4
A3
A2
A1
B3
B4
B5
B6
A5
A6
B1
B2
A4
A3
A2
A1
B3
B4
B5
B6
HEAD IF B/D
CN4
3
4
7
8
6
5
2
1
A3
A4
B3
B4
B2
B1
A2
A1
HEAD IF B/D
CN5
A3
A4
B3
B4
B2
B1
A2
A1
H4_VAC
H3_VAC
H4_BLOW
H3_BLOW
H2_VAC
H1_VAC
H2_BLOW
H1_BLOW
AXIO BD #1
BOARD
(AM03-025118A)
9
11
2
4
7
5
3
1
6
8
10
12
CN3
A1
A2
A3
B1
B2
B3
A1
A2
A3
B1
B2
B3
A1
A2
A3
B1
B2
B3
A1
A2
A3
B1
B2
B3
REAR FEEDER
I/F B/D
CAN_H
CAN_L
24GND
12V GND
+12V
A1
A2
A3
B1
B2
B3
CAN_H
CAN_L
/IO_RESET
24GND
12V GND
+12V
FIX-ILL-R
D-S1_CA102
(AM03-027090A)
CN3
J91672739A
SM481_AX008-1
SM481_VI006
(AM03-007482B)
(AM03-007484B)
D-S1_FL002(4)
AM03-026603A
D-S1_FL002(15)
AM03-026603A
D-S1_FL002(14)
AM03-026603A
D-S1_FL001(14)
AM03-026604A
1
2
3
4
5
6
7
8
9
10
11
12
13
14

Page
+$1:+$
165
DECAN
S1
Axis IO Board (1/11)
NO. PART NO. PART NAME Q'TY Old No. Supply Supply LT Reference
1 J91672739A PCIE_CABLE_2M 74576-0002 1
2 AM03-006922B CABLE ASSY-AXIS1_HD_POWER;B 1
3 AM03-020589C CABLE ASSY-AXIS_SNS_BD_CN9;B 1
4 AM03-007046B CABLE ASSY-CABLE_ASSY-AXIO_CN7_9 1
5 AM03-026603B CABLE ASSY-DECAN_S1 FLAT 2 1
6 AM03-007080C CABLE ASSY-CABLE_ASSY-X_LIMIT_& HD_PWR 1
7 AM03-026603B CABLE ASSY-DECAN_S1 FLAT 2 1
8 AM03-015580A CABLE ASSY-X AXIS SENSOR CABLE ASSY 1
9 AM03-025118A CABLE ASSY-AXIS1_RFD_CAN_EXT 1
10 AM03-027090A CABLE ASSY-FIX_ILL_RFD_CAN 1
11 AM03-026603B CABLE ASSY-DECAN_S1 FLAT 2 1
12 AM03-007482B CABLE ASSY-CABLE ASSY-HD_VAC-BLOW_CTRL 1
13 AM03-007484B CABLE ASSY-CABLE ASSY-HD_VAC-BLOW_H3-H10 1
14 AM03-026604B CABLE ASSY-DECAN_S1 FLAT 1 1