DECAN_S1_TRM(Ver1.2_CS19.11) - 第175页
Page +$1:+$ 173 DE CA N S 1 Ax is I O B oa rd (5 /1 1 ) NO. P ART NO. P ART NAME Q'TY Old No. Supply Supp ly L T Refere nce 1 AM 03-00 7050B CAB L E ASSY -CAB LE_AS SY - CB 12_BW 12_CMD _AXIO 1 2 AM 03-02 6829A CAB …

Page
+$1:+$
172
DECAN
S1
Axis IO Board (5/11)
1
2
3
4
2
1
2
1
4
2
3
1
4
2
3
1
2
1
CN1
CN11
SAFETY CONTROL
B/D
24G
24V
CN2
CN3
CB12 STEP DRIVER
1
2
3
6
4
8
9
7
CN4
1
2
3
6
4
8
9
7
1POUT+
1POUT-
1PDIR-
2POUT+
2PDIR+
2PDIR-
2POUT-
1PDIR+
10
5
1
3
7
9
30
4
2
3
1
4
2
3
1
CN2
CN3
WB12 STEP DRIVER
1
2
3
6
4
9
8
7
CN4
1
2
3
6
4
9
8
7
10
5
CN15
2
1
4
2
3
1
4
2
3
1
2
1
CN12
CN2
CN3
CB34 STEP DRIVER
1
2
3
6
4
8
9
7
CN4
1
2
3
6
4
8
9
7
10
5
CN16
CN3
SM41_SC012
1
3
7
9
30
1POUT+
1POUT-
1PDIR-
2POUT+
2PDIR+
2PDIR-
2POUT-
1PDIR+
1
3
7
9
30
1
3
7
9
30
1POUT+
1POUT-
1PDIR-
2POUT+
2PDIR+
2PDIR-
2POUT-
1PDIR+
1
3
7
9
30
1
3
7
9
30
AXIO BD #1
BOARD
AM03-010657A
2
1
2
1
24G
24V
2
1
CN1
1
4
3
6
B/
B
A/
A
A4
A2
A3
A1
B/
B
A/
A
4
2
3
1
CB1 STEP MOTOR
EP08-900073
B/
B
A/
A
B6
B4
B5
B3
B/
B
A/
A
4
2
3
1
1
4
3
6
1
4
3
6
1
4
3
6
D-S1_1TCV_004
SM48_1TCV_002
A4
A2
A3
A1
B6
B4
B5
B3
CB3 STEP MOTOR
EP08-900073
B/
B
A/
A
B/
B
A/
A
4
2
3
1
WB1 STEP MOTOR
EP08-900073
1
4
3
6
1
4
3
6
B2
A6
B1
A5
B2
A6
B1
A5
AM03-026829A
AM03-024336A
SM481_VM008
SM481_VM009
AM03-007050B

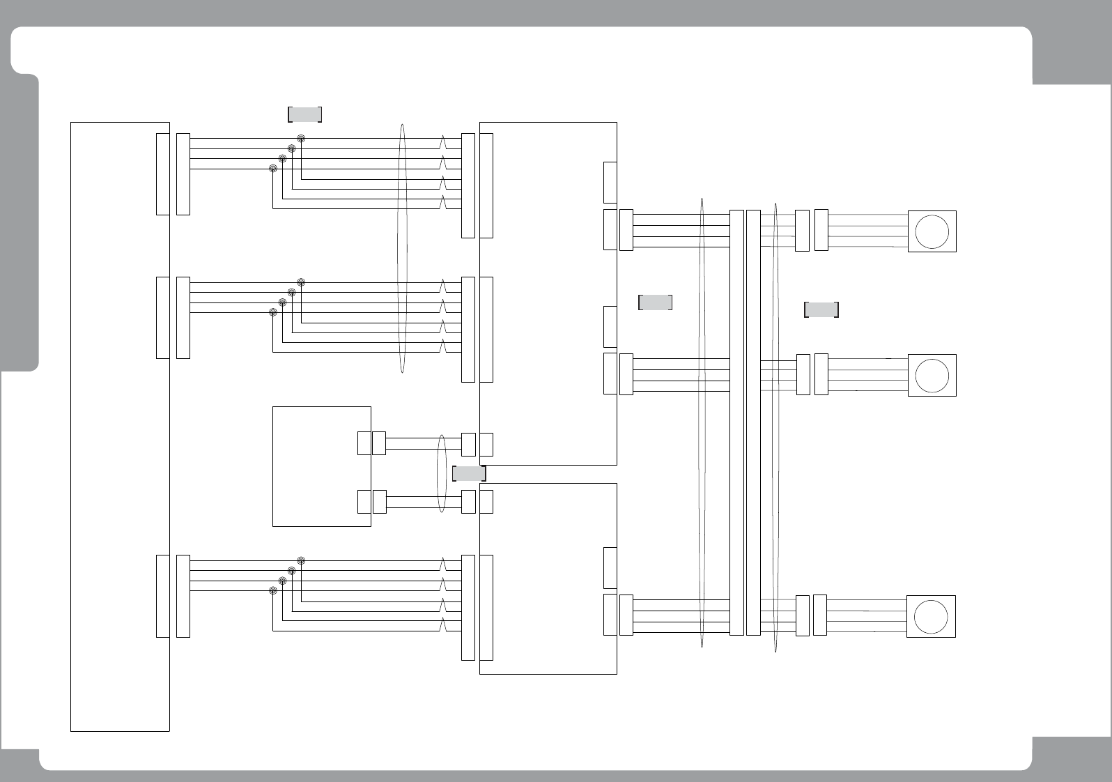
Page
+$1:+$
173
DECAN
S1
Axis IO Board (5/11)
NO. PART NO. PART NAME Q'TY Old No. Supply Supply LT Reference
1 AM03-007050B CABLE ASSY-CABLE_ASSY-CB12_BW12_CMD_AXIO 1
2 AM03-026829A CABLE ASSY-CONV_BELT_MOT 1
3 AM03-024336A CABLE ASSY-CONV_R_BELT_MOT_PW;A 1
4 AM03-010657A CABLE ASSY-CONV-BELT-STEP-POWER 1

Page
+$1:+$
174
DECAN
S1
Axis IO Board (6/11)
1
2
3
4
5
6
AXIO BD #2
BOARD
AXIO BD #2
BOARD
CN1
PCIE ADAPTER #2
PC RACK
CN2
01
02
03
04
01
02
03
04
SAFTY CONTROL
01
02
03
04
CN26
SM481_SC009
BOARD
27
17
01
03
07
09
19
21
23
22
24
29
06
02
04
08
10
14
16
27
17
01
03
07
09
19
21
23
22
24
29
06
02
04
08
10
14
16
1
13
3
4
5
6
14
15
16
17
18
20
2
7
8
9
10
11
12
27
17
01
03
07
09
19
21
23
22
24
29
06
02
04
08
10
14
16
27
17
01
03
07
09
19
21
23
22
24
29
06
02
04
08
10
14
16
21
33
23
24
25
26
34
35
36
37
38
40
22
27
28
29
30
31
32
Z10/Z9 DRIVER(AMP)
01
02
03
04
01
02
03
04
A1
A2
A4
A5
B1
B2
B4
B5
A9
A10
A07
A08
A06
B09
B10
B07
B08
B06
02
03
04
05
06
01
01
02
03
04
01
02
03
04
A1
A2
A4
A5
B1
B2
B4
B5
A9
A10
A07
A08
A06
B09
B10
B07
B08
B06
02
03
04
05
06
01
02
03
04
05
06
01
02
03
04
05
06
01
CN11
CN12
21
33
23
24
25
26
34
35
36
37
38
40
22
27
28
29
30
31
32
FRONT MOTOR
I/F BOARD
CN11
Z10-PWR
Z9-PWR
Z10-ENC
Z9-ENC
01
02
CN6
01
02
Z87 DRIVER
CN5
01
02
SM511_PW031
CN10
+24V
+24V
24G
24G
1
13
3
4
5
6
14
15
16
17
18
20
2
7
8
9
10
11
12
PCIE x1 3M
AM03-000054
AM03-007045A
SM481_VM009-1
AM03-007526B
AM03-010924A
01
02
CN5
01
02
+24V
24G
+24V
24G
01
02
Z43-CN5
+24V
24G
PS2
D-S1_FL001(6,7)
AM03-026604A
D-S1_PW124
AM03-026997A