DECAN_S1_TRM(Ver1.2_CS19.11) - 第37页
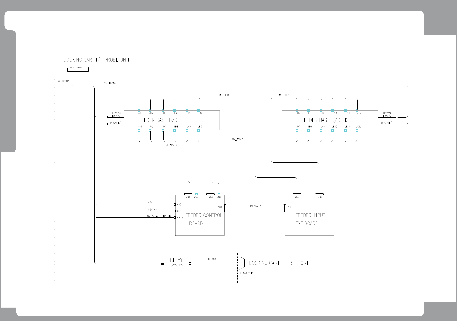
Page +$1:+$ 35 DE CA N S 1 Do c ki n g Ca rt ( 6/ 6) - O p tio n NO. P ART NO. P ART NAME Q'TY Old No. S u pply S upply L T Reference AM 03-00 1729A CAB L E ASSY -FRO NT D -CAR T PW R CAB LE A SS Y 1 J90 8085 2D LEF…

Page
+$1:+$
34
DECAN
S1
Docking Cart (6/6) - Option

Page
+$1:+$
35
DECAN
S1
Docking Cart (6/6) - Option
NO. PART NO. PART NAME Q'TY Old No. Supply Supply LT Reference
AM03-001729A CABLE ASSY-FRONT D-CART PWR CABLE ASSY 1
J9080852D LEFT FDR SOL OUTPUT CABLE ASSY 1
J9080853B RIGHT FDR SOL OUTPUT CABLE ASSY 1
J9080854C LEFT FDR SENOR INPUT CABLE ASSY 1
J9080855B RIGHT FDR SENOR INPUT CABLE ASSY 1
J9080857B FDR INPUT EXT CABLE ASSY, D-CART 1
AM03-001739A CABLE ASSY-FEEDER CN7 EXT CABLE ASSY 1
AM03-013728A CABLE ASSY-ND-CART RY1 EXT 2 1
AM03-001730A CABLE ASSY-REAR D-CART PWR CABLE ASSY 1

Page
+$1:+$
36
DECAN
S1
Single Conveyor (1/4)
A
1
2
1
A
7
6
5
4
3