Formflex Manual - 第11页
1.4 FormFlex Tooling Manual Chapter Issue 4 Jun 04 TECHNIC AL RE FERENCE ELECTRIC AL SCHE MATIC ELECTRICAL SCHEMA TIC Solenoid V alve 1 (T ooling Modules) Solenoid V alve 2 (T ooling Modules) Solenoid V alve 3 (T ooling …

TECHNICAL REFERENCE
OVERVIEW
Chapter Issue 4 Jun 04 FormFlex Tooling Manual 1.3
in board layout, component tolerances or board misalignment can cause the
pins to displace. The resultant force on the pins is spread across all unaffected
pins in the tooling module raising them proportionally to the downward force.
The system therefore self compensates for any anomalies in board profile
without detriment to overall board or component support, figure below refers.
Figure 1-3 FormFlex Pin Displacement
Three of the solenoid valves on the FormFlex sequencer are used to control up
to 15 tooling modules. The solenoid valves are controlled by the M34 control
pod, mounted on the FormFlex sequencer assembly, which operates each
solenoid valve in turn with a 20 second delay allowing all the FormFlex pins on
one set of tooling modules to be raised before the next set is activated.
PCB Component Variation Causing One FormFlex Pin to Displace
FormFlex Pin
Displaced
Stencil
Force Being Dissipated
Over All Other Pins
PCB and Components

1.4 FormFlex Tooling Manual Chapter Issue 4 Jun 04
TECHNICAL REFERENCE
ELECTRICAL SCHEMATIC
ELECTRICAL SCHEMATIC
Solenoid Valve 1
(Tooling Modules)
Solenoid Valve 2
(Tooling Modules)
Solenoid Valve 3
(Tooling Modules)
Solenoid Valve 4
(Fluid Cut-Off Valve Override)
Solenoid Valve 5
(Venturi Vacuum Unit)
M34
Control Pod
M34PL04
E E E
Operator Switch
Operator Switch LED
Reset Switch
Exercise Switch
FS01
M34SK01
M34SK03
24V US
OV
M24 dc Power Supply
(600 series)
M37 Power Supply
(700 series)
M24PL05 (600)
M37PL10 (700)

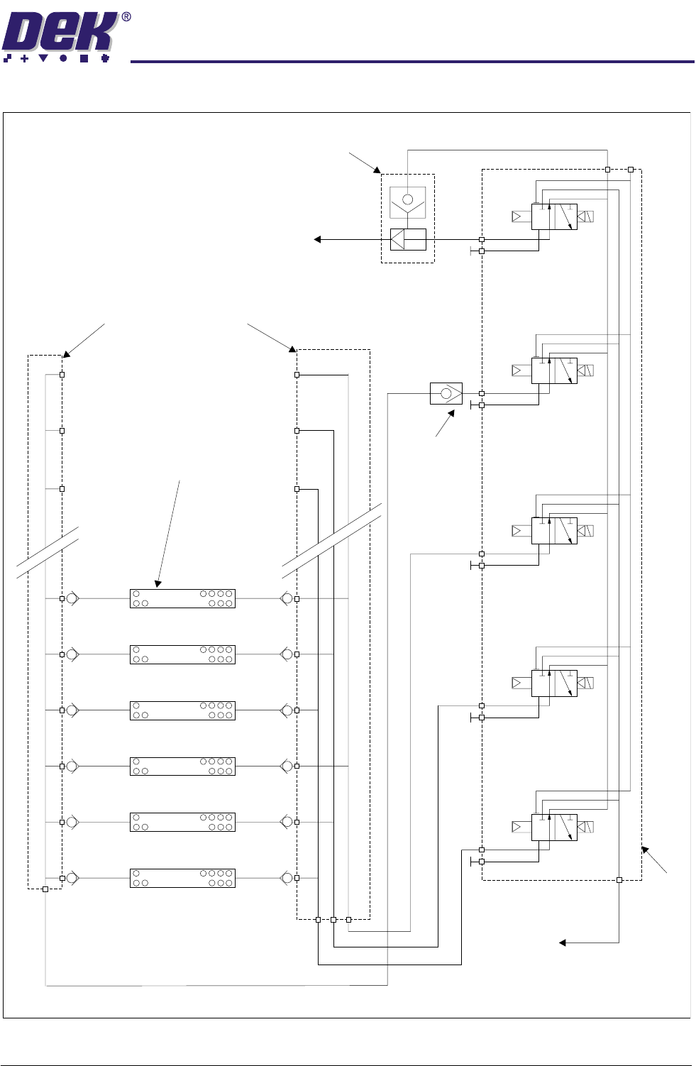
TECHNICAL REFERENCE
PNEUMATIC SCHEMATIC
Chapter Issue 4 Jun 04 FormFlex Tooling Manual 1.5
PNEUMATIC SCHEMATIC
Tooling Modules
Sequencing Manifold
Exhaust
Venturi Vacuum
Unit
Non Return
Valve
Main Air Supply
AB
AB
AB
AB
AB
1
2
3
4
5
Solenoid Valve Manifold
Override Manifold