PTS-NXT-03JE.pdf - 第127页
111
110

111

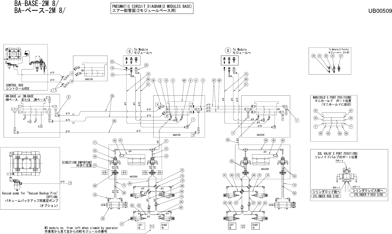
BA-BASE-2M 8/
BA-ベース-2M 8/
UB00509
No. Drg.No. & Code No. QTY Description Rating Materials Remark
番号 図番 & コード番号 個数 品名 規格 材質 備考
1 A40687 4 ELBOW エルボ KQ2L16-99 OT
2 Y3081G 2 UNION, ELBOW ユニオン エルボ KQ2L16-03S OT
3 H3132K 2 PLUG プラグ 3月8日 OT
4 Y30869 4 UNION, HALF ユニオン ハーフ KQ2S16-03S OT
5 Y3043S 2 UNION ユニオン KQ2Y16-03S OT
6 H3145T 3 PLUG プラグ KQ2P-16 OT
7 Y3122A 2 UNION, ELBOW ユニオン エルボ KQ2VS10-02S OT
8 Y31010 2 UNION, ELBOW ユニオン エルボ KQ2K06-02S OT
9 Y3082E 2 UNION, ELBOW ユニオン エルボ KQ2VS08-02S OT
10 Y31013 2 UNION, ELBOW ユニオン エルボ KQ2K08-02S OT
11 Y3071H 2 UNION ユニオン KQ2T08-00 OT
12 Y30680 2 UNION ユニオン KQ2N08-99 OT
13 Y30860 4 UNION, HALF ユニオン ハーフ KQ2S08-01S OT
14 Y30377 4 UNION ユニオン KQ2TW06-00 OT
15 Y3049W 16 UNION, ELBOW ユニオン エルボ KJL06-01S(シロ)OT
16 Y3075A 4 UNION ユニオン KQ2U06-00 OT
17 Y30812 2 UNION, ELBOW ユニオン エルボ KQ2W08-99 OT
18 Y3079A 4 UNION, ELBOW ユニオン エルボ KQ2L06-02S OT
19 S50251 2 SOCKET ソケット CPSE7-6 10ケ/ロット OT
20 K1161W 2 COUPLER カプラ CPPE7-01 OT
21 Y3024A 2 UNION ユニオン PMF6-01 OT
22 A4066R 2 ELBOW エルボ KQ2L08-99 OT
23 S5025X 2 SOCKET ソケット CPS15-8 OT
24 K1161Y 2 COUPLER カプラ CPP15-01 OT
25 Y30249 2 UNION ユニオン PMF8-01 OT
26 S5026T 2 SOCKET ソケット KK4S-10L-X42 OT
27 K11578 2 COUPLER カプラ KK4P-10E OT
28 Y3068Y 2 UNION, ELBOW ユニオン エルボ KQ2K16-03S OT
30 XS00571 2 CYLINDER, AIR シリンダ エアー OT
31 XS00861 8 CYLINDER, AIR シリンダ エアー OT
35 S1056E 8 SILENCER サイレンサ AN103-01 OT
36 H1338F 4 VALVE, SOL バルブ SOL SY5220-5MO-C6-F2-X274 OT
37 K5340Y 8 CONTROLLER, SPEED コントローラ スピード AS2001F-06(シロ)OT
38 H5056N 8 HOLDER ホルダ TMH-06J OT
40 PM01371 2 MANIFOLD, AIR マニホールド エアー AL
41 PB09372 1 BKT BKT FE
42 PB09382 1 BKT BKT FE
43 PB09392 2 BKT BKT FE
112