PTS-NXT-03JE - 第168页
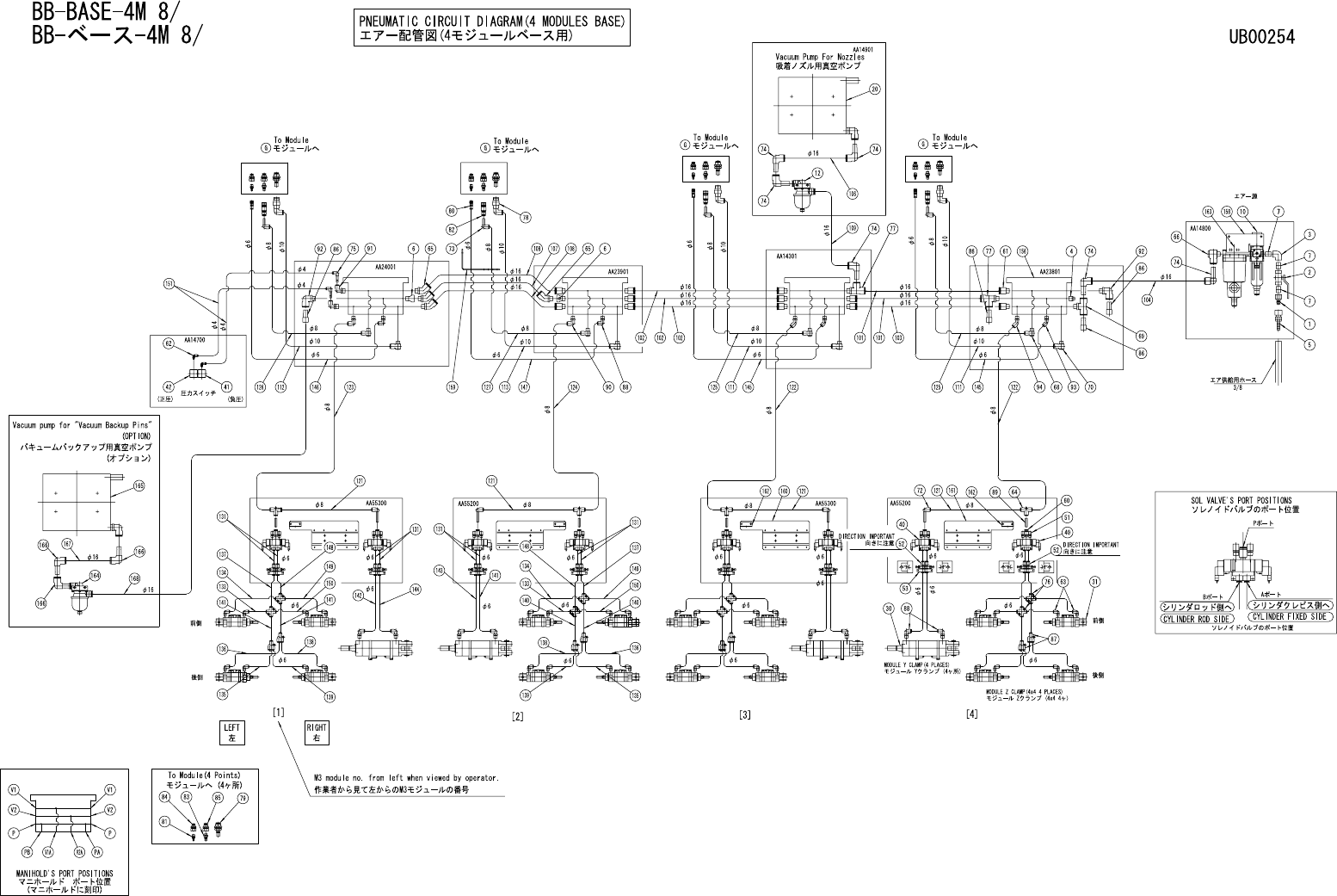
BB-BASE-4M 8/ BB- ベース -4M 8/ UB00254 No. Drg.No. & Code No. QTY Description Rating Materials Remark 番号 図番 & コード番号 個数 品名 規格 材質 備考 1 H3149K 1 PLUG, COUPLER プラグ カプラ CAL23PF OT 2 H1059T 1 VALVE, BALL バルブ ボール RP-LL-3…

151

BB-BASE-4M 8/
BB-ベース-4M 8/
UB00254
No. Drg.No. & Code No. QTY Description Rating Materials Remark
番号 図番 & コード番号 個数 品名 規格 材質 備考
1 H3149K 1 PLUG, COUPLER プラグ カプラ CAL23PF OT
2 H1059T 1 VALVE, BALL バルブ ボール RP-LL-3/8 ロックハンドルツキ OT
3 A4061A 1 ELBOW エルボ 3月8日 OT
4 H3132K 1 PLUG プラグ 3月8日 OT
5 S5220A 1 SOCKET, COUPLER ソケット カプラ CAL23SH OT
6 S50360 2 SOCKET ソケット GF-X-3/8 OT
7 H1282A 3 PIPE, DOUBLE ENDED パイプ 両口 3/8X 25 OT
10 XH00120 1 FILTER REGULATOR フィルタレギュレータ OT
12 H3022Z 1 FILTER フィルタ VFR20-16-16 OT
20 XP00530 1 PUMP, VACUUM ポンプ バキューム OT
30 XS00571 4 CYLINDER, AIR シリンダ エアー OT
31 XS00861 16 CYLINDER, AIR シリンダ エアー OT
40 H1338G 8 VALVE, SOL バルブ SOL SY5220-5M0-C6-F2 OT
41 S3158R 1 SW, PRESSURE SW プレッシャ ZSE30-01-65-ML OT
42 S31575 1 SW, PRESSURE SW プレッシャ ISE30-01-65ML OT
51 S1056E 16 SILENCER サイレンサ AN103-01 OT
52 K5340Y 16 CONTROLLER, SPEED コントローラ スピード AS2001F-06(シロ)OT
53 H5056N 16 HOLDER ホルダ TMH-06J OT
60 Y30860 8 UNION, HALF ユニオン ハーフ KQ2S08-01S OT
61 Y30869 12 UNION, HALF ユニオン ハーフ KQ2S16-03S OT
62 Y3049E 2 UNION, ELBOW ユニオン エルボ KJL04-M5 OT
63 Y3049W 32 UNION, ELBOW ユニオン エルボ KJL06-01S(シロ)OT
64 Y3071H 4 UNION ユニオン KQ2T08-00 OT
65 Y3068Y 4 UNION, ELBOW ユニオン エルボ KQ2K16-03S OT
66 Y3122K 1 UNION, ELBOW ユニオン エルボ KQ2V16-03S OT
68 Y3082E 4 UNION, ELBOW ユニオン エルボ KQ2VS08-02S OT
69 Y30741 1 UNION ユニオン KQ2T16-03S OT
70 Y3122A 4 UNION, ELBOW ユニオン エルボ
KQ2VS10-02S OT
72 Y3079H 4 UNION, ELBOW ユニオン エルボ KQ2L06-99 OT
73 A4066R 4 ELBOW エルボ KQ2L08-99 OT
74 A40687 6 ELBOW エルボ KQ2L16-99 OT
75 A4066S 2 ELBOW エルボ KQ2L04-08 OT
76 Y30377 8 UNION ユニオン KQ2TW06-00 OT
77 Y3043S 2 UNION ユニオン KQ2Y16-03S OT
78 S5026T 4 SOCKET ソケット KK4S-10L-X42 OT
79 K11578 4 COUPLER カプラ KK4P-10E OT
80 S50251 4 SOCKET ソケット CPSE7-6 10ケ/ロット OT
81 K1161W 4 COUPLER カプラ CPPE7-01 OT
152

BB-BASE-4M 8/
BB-ベース-4M 8/
UB00254
No. Drg.No. & Code No. QTY Description Rating Materials Remark
番号 図番 & コード番号 個数 品名 規格 材質 備考
82 S5025X 4 SOCKET ソケット CPS15-8 OT
83 K1161Y 4 COUPLER カプラ CPP15-01 OT
84 Y3024A 4 UNION ユニオン PMF6-01 OT
85 Y30249 4 UNION ユニオン PMF8-01 OT
86 H3145T 4 PLUG プラグ KQ2P-16 OT
87 Y3075A 8 UNION ユニオン KQ2U06-00 OT
88 Y3079A 10 UNION, ELBOW ユニオン エルボ KQ2L06-02S OT
89 Y30680 4 UNION ユニオン KQ2N08-99 OT
90 Y3079T 2 UNION, ELBOW ユニオン エルボ KQ2L08-02S OT
91 Y3079X 2 UNION, ELBOW ユニオン エルボ KQ2L08-03S OT
92 Y3081G 2 UNION, ELBOW ユニオン エルボ KQ2L16-03S OT
93 Y31010 2 UNION, ELBOW ユニオン エルボ KQ2K06-02S OT
94 Y31013 2 UNION, ELBOW ユニオン エルボ KQ2K08-02S OT
101 PZ07491 2 TUBE チューブ TU1612 L=90 OT
102 PZ07500 3 TUBE チューブ TU1612 L=115 OT
103 PZ06890 1 TUBE チューブ TU1612 L=120 OT
104 PZ05931 1 TUBE チューブ TU1612 L=190 OT
106 PZ05990 1 TUBE チューブ TU1612 L=310 OT
107 PZ07521 1 TUBE チューブ TU1612 L=580 OT
108 PZ07531 2 TUBE チューブ TU1612 L=620 OT
109 PZ09451 1 TUBE チューブ TU1612 L=230 OT
111 PZ06001 2 TUBE チューブ TU1065 L=2350 OT
112 PZ07541 1 TUBE チューブ TU1065 L=2400 OT
113 PZ07551 1 TUBE チューブ TU1065 L=2500 OT
121 PZ06012 4 TUBE チューブ TU0805 L=110 OT
122 PZ06022 2 TUBE チューブ TU0805 L=1250 OT
123 PZ07562 1 TUBE チューブ TU0805 L=1320 OT
124 PZ07571 1 TUBE チューブ TU0805 L=1500 OT
125 PZ06032 2 TUBE チューブ TU0805 L=2350 OT
126 PZ07582 1 TUBE チューブ TU0805 L=2410 OT
127 PZ06700 1 TUBE チューブ TU0805 L=2450 OT
131 PZ06042 16 TUBE チューブ TU0604 L=47 OT
133 PZ14740 4 TUBE チューブ TU0604 L=175 OT
134 PZ14720 4 TUBE チューブ
TU0604 L=235 OT
135 PZ06080 4 TUBE チューブ TU0604 L=250 OT
136 PZ06091 4 TUBE チューブ TU0604 L=315 OT
137 PZ14710 4 TUBE チューブ TU0604 L=370 OT
138 PZ15150 4 TUBE チューブ TU0604 L=570 OT
153