PTS-NXT-03JE.pdf - 第198页
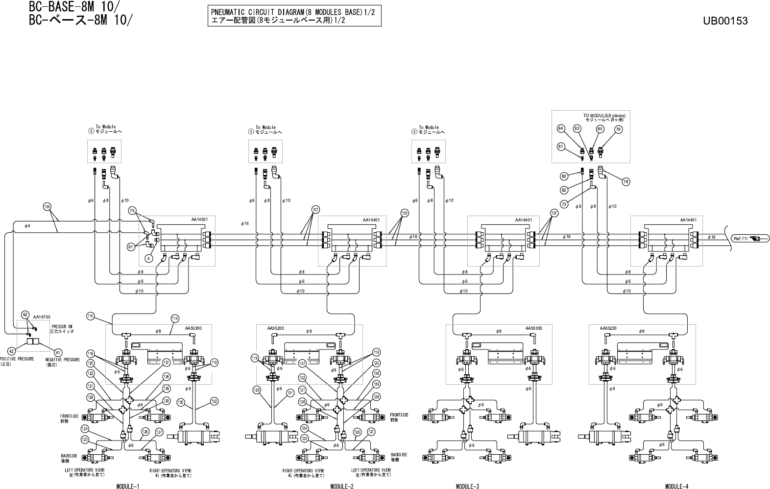
BC-BASE-8M 9/ BC- ベース -8M 9/ UB00153 No. Drg.No. & Code No. QTY Description Rating Materials Remark 番号 図番 & コード番号 個数 品名 規格 材質 備考 1 PB14762 1 COVER カバー FE 2 PB14772 3 COVER カバー FE 3 PB14782 3 COVER カバー FE 4 PB147…

181

BC-BASE-8M 9/
BC-ベース-8M 9/
UB00153
No. Drg.No. & Code No. QTY Description Rating Materials Remark
番号 図番 & コード番号 個数 品名 規格 材質 備考
1 PB14762 1 COVER カバー FE
2 PB14772 3 COVER カバー FE
3 PB14782 3 COVER カバー FE
4 PB14792 1 COVER カバー FE
5 H5297A 32 BOLT, HEX SOCKET ボルト 六角穴 M05X008 FE
6 W1023A 32 WASHER, LOCK ワッシャ スプリング 5M/M FE
7 W1044A 32 WASHER, FLAT ワッシャ 平 4W-5 FE
8 AA150** 8 FIEXIBLE TRACK ケーブルベア OT
9 K41623 8 FIEXIBLE TRACK ケーブルベア 15.4.048-37-104.2 0 FE
10 PB00603 8 BKT BKT FE
11 K5262E 16 SCREW, HEX SOCKET BUTTON 小ネジ 六角穴ボタン M06X015 FE
12 W1024A 16 WASHER, LOCK ワッシャ スプリング 6M/M FE
13 W1045A 16 WASHER, FLAT ワッシャ 平 4W-6 FE
14 N1085A 16 NUT, HEX ナット 六角 M 6 P=1.0 1ハコ1000ケイリ ハコガイ FE
69 AA0ZS00 4 SENSOR センサ OT
70 PM48600 8 SHAFT シャフト FE
71 S1020A 16 CIR-CLIP サークリップ ST-EW- 2 FE
72 PM48640 4 ROLLER ローラ FE
73 PB26661 4 DOG ドッグ FE
74 PZ13690 4 SPRING, TORSION スプリング ネジリ FE
75 S3276A 4 SW SW AGX306 FE
76 PB27960 4 BKT, SENSOR BKT センサ FE
77 H5297A 8 BOLT, HEX SOCKET ボルト 六角穴 M05X008 1ハコ400ケ FE
78 W1023A 8 WASHER, LOCK ワッシャ スプリング 5M/M 1ハコ8000ケイリ ハコガイ FE
79 W1050A 8 WASHER, FLAT ワッシャ 平 5M/MX1.0X10(1W-5) FE
182

183