PTS-NXT-03JE.pdf - 第254页
238

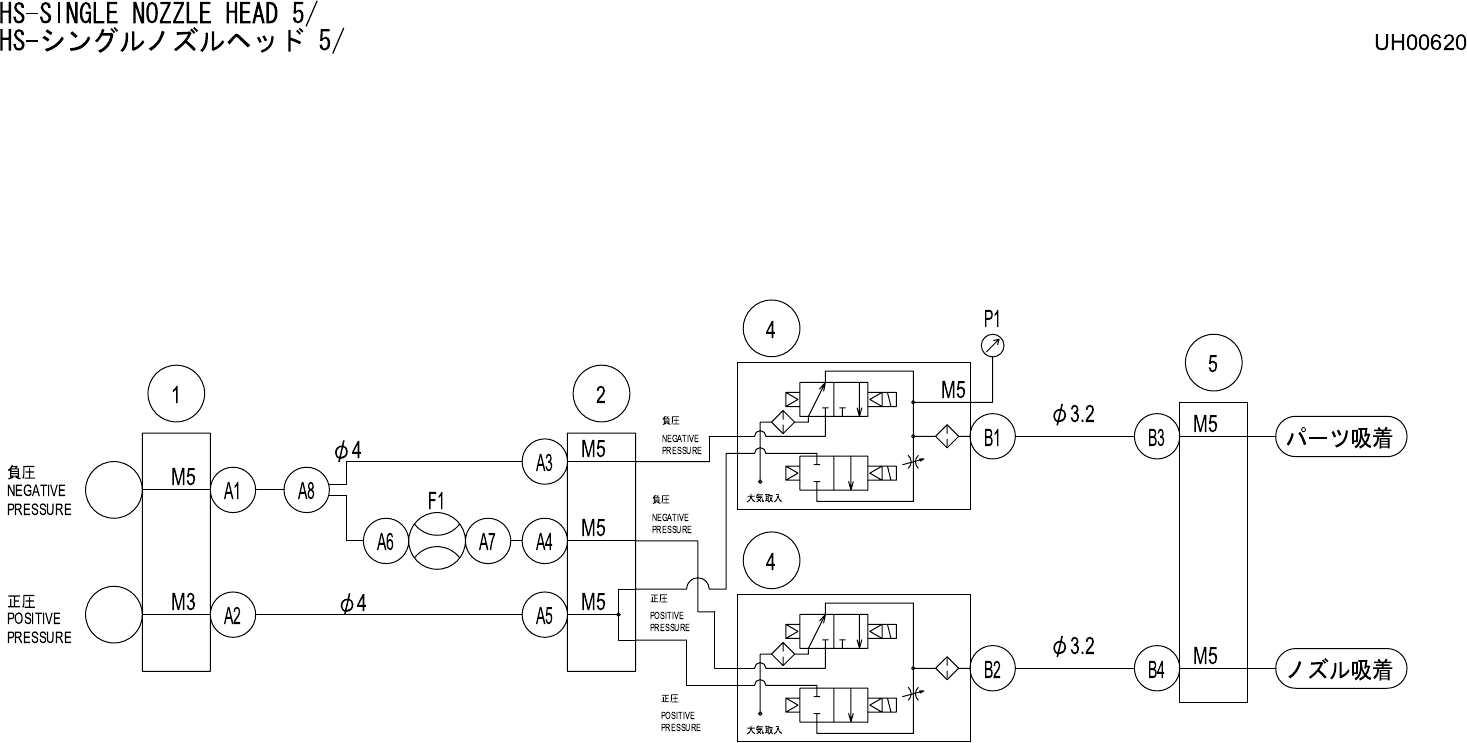
HS-SINGLE NOZZLE HEAD 4/
HS-シングルノズルヘッド 4/
UH00620
No. Drg.No. & Code No. QTY Description Rating Materials Remark
番号 図番 & コード番号 個数 品名 規格 材質 備考
38 PB15130 1 BKT, RETAINER BKT 押え FE
38.1 PS00820 1 SHEET シート OT
39 H5265A 1 BOLT, HEX SOCKET ボルト 六角穴 M02X005 OT
40 W1020A 1 WASHER, LOCK ワッシャ スプリング 2M/M FE
41 PB11642 1 COVER カバー FE
42 K51990 4 SCREW, WASHER ASS'Y 小ネジ 座金組込み M03X006 ナベセムス P4 FE
44 S32275 4 SPACER スペーサ BSL-308N OT
45 W1021A 4 WASHER, LOCK ワッシャ スプリング 3M/M FE
46 W1040A 4 WASHER, FLAT ワッシャ 平 3M/MX0.5X7 FE
47 S4033G 1 SENSOR, PRESSURE センサ 圧力 PSE543-M5 OT
51 XB01442 2 VALVE, AIR バルブ エアー OT
52 XS01581 1 SENSOR センサ OT
53 K5177A 2 SCREW, C/R PAN 小ネジ 十穴鍋 M02.5X014 ステンレス FE
54 A4068H 2 ELBOW エルボ M-5ALU-4 OT
55 PZ09200 1 TUBE チュー
ブ
OT
237
238

239