PTS-NXT-03JE.pdf - 第48页
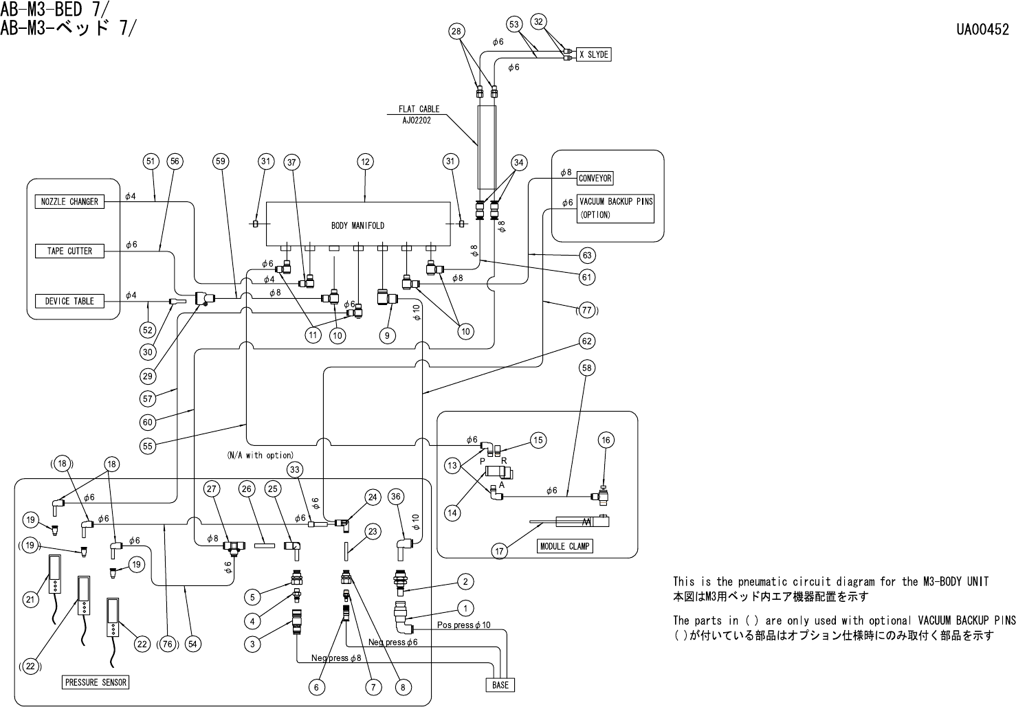
AB-M3-BED 6/ AB-M3- ベッド 6/ UA00452 No. Drg.No. & Code No. QTY Description Rating Materials Remark 番号 図番 & コード番号 個数 品名 規格 材質 備考 1 AJ36904 1 CONTROLLER コントローラ OT 2 AJ04305 1 BOX, ELECTRIC BOX 電気 OT 3 XB01050 1 BOX…

31

AB-M3-BED 6/
AB-M3-ベッド 6/
UA00452
No. Drg.No. & Code No. QTY Description Rating Materials Remark
番号 図番 & コード番号 個数 品名 規格 材質 備考
1 AJ36904 1 CONTROLLER コントローラ OT
2 AJ04305 1 BOX, ELECTRIC BOX 電気 OT
3 XB01050 1 BOX, SERVO BOX サー
ボ
OT
32

33