SM451DH_TRM(Ver6.0_CS16.18) - 第109页
Page HANWHA TECHWIN 97 SM451DH Air Ass’y (6/8) E E 6-J3204002A MPX5100AP J90551392A FIL TER ASSY J7458002A FIL TER ELEMENT (6-LF-M5-60-ZK) J671 11 151A FITTING M-3AU-4 HEAD 1 HEAD 2 HEAD 4 HEAD 3 J91741259A SM421P_V ACUU…

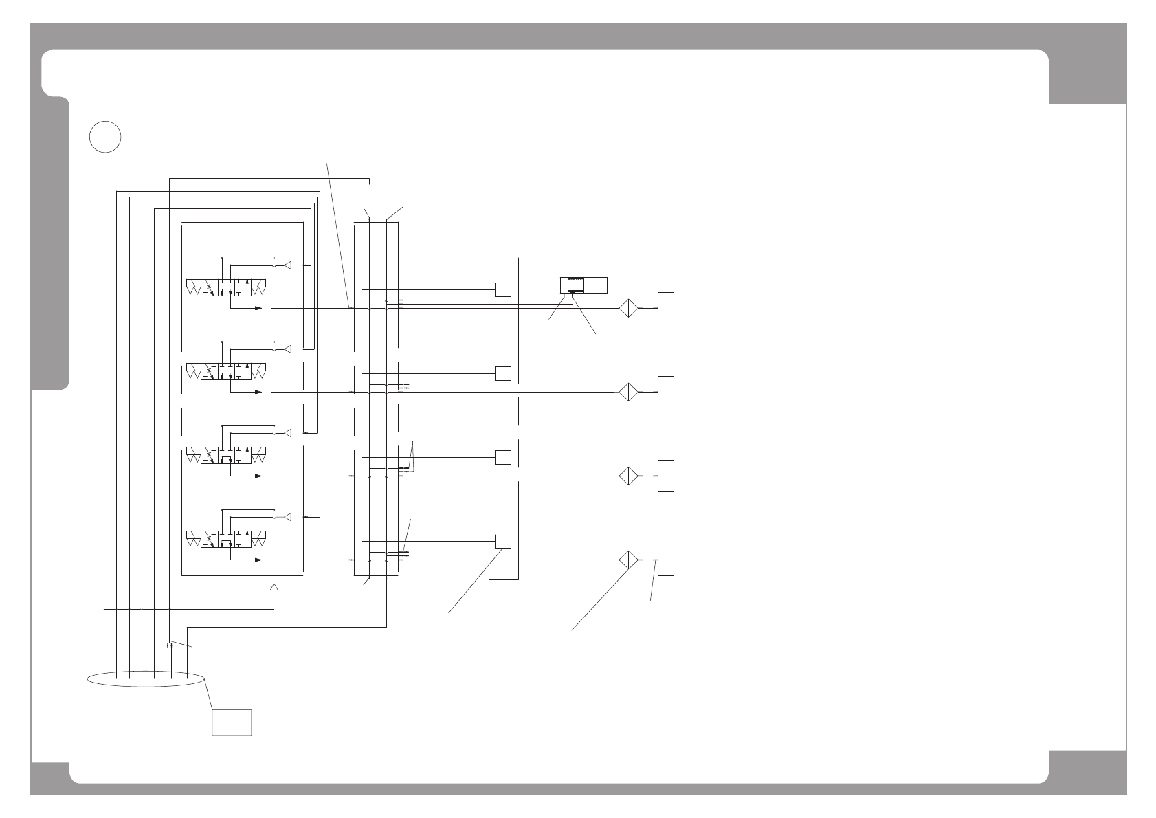
Page
HANWHA TECHWIN
96
SM451DH
Air Ass’y (5/8)
D
6-J3204002A
MPX5100AP
J90551392A FILTER ASSY
J7458002A FILTER ELEMENT
(6-LF-M5-60-ZK)
J67111151A
FITTING
M-3AU-4
HEAD 1 HEAD 2 HEAD 4HEAD 3
J91741259A
SM421P_VACUUM_SENSOR_BOARD
HEAD ASSY (FRTON)
2
W
1
A
3
P
A
3
A
3
A
3
VVVV
W
2
1
W
2
1
W
2
1
J67111080A
FITTING
KQ2L04-M5
J67111170A
FITTING
KJL06-M5
J1300213
PLUG
M5-P
J1300213
PLUG
M5-P
9-J1300279
FITTING
KQ2S04-M5
J6711141A
FITTING
M-5AU-4
J90551358A
SM421P_AIR_MODULE_ASSY
J67110119B
FITTING
KQ2U04-06
J67011073A
AIR_BEARING
J67111068A
M-3ALU-4
J67111169A
KJL04-M5
J67121006A
PLUG
KQ2P-04
D

Page
HANWHA TECHWIN
97
SM451DH
Air Ass’y (6/8)
E
E
6-J3204002A
MPX5100AP
J90551392A FILTER ASSY
J7458002A FILTER ELEMENT
(6-LF-M5-60-ZK)
J67111151A
FITTING
M-3AU-4
HEAD 1 HEAD 2 HEAD 4HEAD 3
J91741259A
SM421P_VACUUM_SENSOR_BOARD
HEAD ASSY (REAR)
2
W
1
A
3
P
A
3
A
3
A
3
VVVV
W
2
1
W
2
1
W
2
1
J67111080A
FITTING
KQ2L04-M5
J67111170A
FITTING
KJL06-M5
J1300213
PLUG
M5-P
J1300213
PLUG
M5-P
9-J1300279
FITTING
KQ2S04-M5
J6711141A
FITTING
M-5AU-4
J90551358A
SM421P_AIR_MODULE_ASSY
J67110119B
FITTING
KQ2U04-06
J67011073A
AIR_BEARING
J67111068A
M-3ALU-4
J67111169A
KJL04-M5
J67121006A
PLUG
KQ2P-04

Page
HANWHA TECHWIN
98
SM451DH
Air Ass’y (7/8)
11
10
4
2
9
13
14
1
14
14
5
8
9
12
12
6
5
3
14
14
14
7
18