SM451DH_TRM(Ver6.0_CS16.18) - 第110页
Page HANWHA TECHWIN 98 SM451DH Air Ass’y (7/8) 11 10 4 2 9 13 14 1 14 14 5 8 9 12 12 6 5 3 14 14 14 7 18

Page
HANWHA TECHWIN
97
SM451DH
Air Ass’y (6/8)
E
E
6-J3204002A
MPX5100AP
J90551392A FILTER ASSY
J7458002A FILTER ELEMENT
(6-LF-M5-60-ZK)
J67111151A
FITTING
M-3AU-4
HEAD 1 HEAD 2 HEAD 4HEAD 3
J91741259A
SM421P_VACUUM_SENSOR_BOARD
HEAD ASSY (REAR)
2
W
1
A
3
P
A
3
A
3
A
3
VVVV
W
2
1
W
2
1
W
2
1
J67111080A
FITTING
KQ2L04-M5
J67111170A
FITTING
KJL06-M5
J1300213
PLUG
M5-P
J1300213
PLUG
M5-P
9-J1300279
FITTING
KQ2S04-M5
J6711141A
FITTING
M-5AU-4
J90551358A
SM421P_AIR_MODULE_ASSY
J67110119B
FITTING
KQ2U04-06
J67011073A
AIR_BEARING
J67111068A
M-3ALU-4
J67111169A
KJL04-M5
J67121006A
PLUG
KQ2P-04

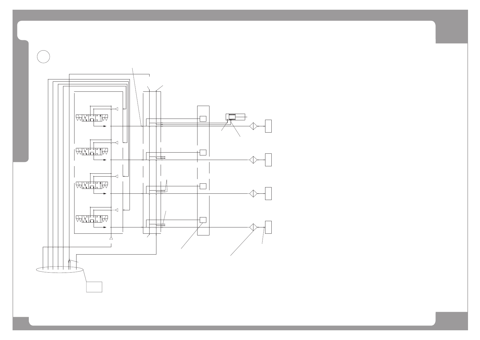
Page
HANWHA TECHWIN
98
SM451DH
Air Ass’y (7/8)
11
10
4
2
9
13
14
1
14
14
5
8
9
12
12
6
5
3
14
14
14
7
18

Page
HANWHA TECHWIN
99
SM451DH
Air Ass’y (7/8)
NO. LEVEL PART NO. PART NAME Q'TY Old No. Old No. Stock Apply Reference
1 HP09-900118 REGULATOR HP09-900118 1
2 J90831313C AIR_INDICATOR_CABLE_ASSY 1
3 FC09-000104A BRACKET-AIR FRONT;ME1:Steel 1
4 HP06-900255 STRAIGHT FITTING KQ2H04-M5/SQL04-M5-W 1
5 HP06-900026 ELBOW FITTING PL12-04/SQL12-04S-W 2
6 HP09-900108 REGULATOR 1
7 HP04-900041 OIL_FILTER AM08-T2-CR00-J387A 1
8 FC09-000106A BRACKET-POWER FRONT;ME1:Steel 1
9 HP06-900179 FITTING KCE06-00 2
10 AM03-000734A ASSY,AIR-MAIN MANIFOLD 1
11 AM03-000458A CABLE ASSY-MAINFOLD CABLE ASSY 1
12 AM03-000137A CABLE ASSY-CONV SOL CABLE ASSY (R)_DH 2
13 HP09-900123 REGULATOR AR08-T2-D0M0-J346A 1
14 HP06-900026 ELBOW FITTING PL12-04/SQL12-04S-W 2