SM451DH_TRM(Ver6.0_CS16.18) - 第148页
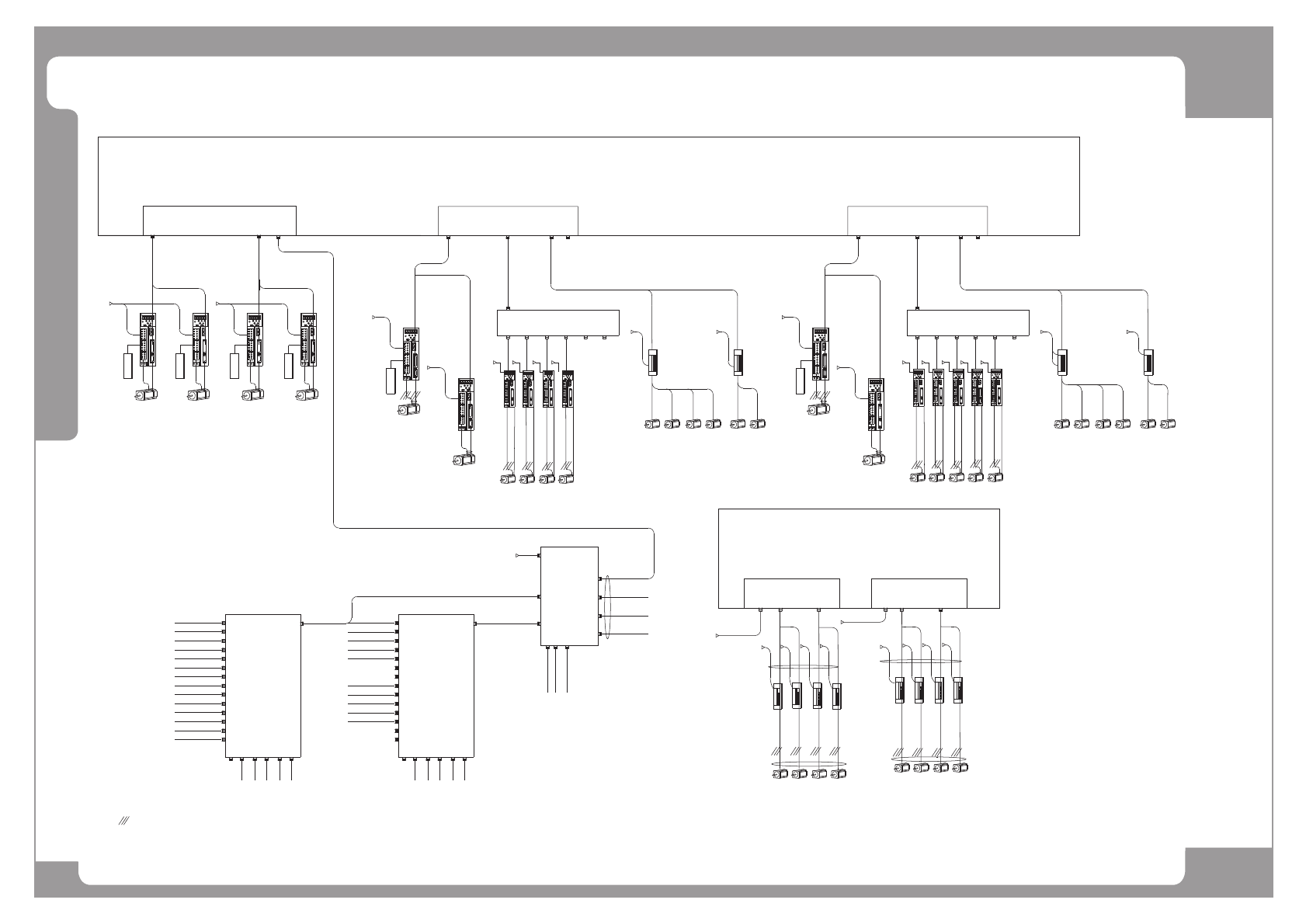
Page HANWHA TECHWIN 136 SM451DH Axis Sensor Board Interface (1/3) CN1 AXIS SENSOR BOARD 4 2 1 3 10 9 8 7 10 9 8 7 22 6 5 3 4 6 5 3 4 1 CN2 1 SAFETY CONTROL B/D 4 4 4 SM451DH_AX001 +24V 24G 24G +24V 2 3 1 2 1 3 2 3 1 CN23…

Page
HANWHA TECHWIN
135
SM451DH
Harness Wiring Diagram (2/2)
CN4 CN2 CN3 CN1
X7043N SEDES #1 BOARD
(50W) (50W) (50W)
VME
FLAT CABLE
X7043 NEW TWIN SERVO B/D
CN1
(1KW)
FY2
(1KW)
FY1
CN3
CN2
(1KW)
RY2
(1KW)
RY1
CN8
CN11 CN12
FZ1 FZ2
CN13 CN14
FZ3 FZ4
CN16 CN17
(50W)
CN4 CN2 CN3 CN1
X7043N SEDES #2 BOARD
(50W) (50W) (50W)
CN8
CN11 CN12
RZ1 RZ2
CN13 CN14
RZ3 RZ4
CN16 CN17
(50W)
REGENERATIVE
RESISTOR
REGENERATIVE
RESISTOR
REGENERATIVE
RESISTOR
REGENERATIVE
RESISTOR
VME
CN6
CN3CN2
CN11
CN1
BOARD
AXIS SENSOR
+24V,24G
F/R FEEDER UNLOCK SENSOR
RY1 HOME/+LIMIT/-LIMIT
FY1 HOME/+LIMIT/-LIMIT
CN9
CN10
CN12
CN16CN15
CN1
SENSOR
R CONVEYOR
R ANC SOL
CON1
CN5
CN4
CN2
CN3
CN4
CN5
CN6
CN7
CN8
CN9
CN10
CN11
CN12
CN13
CN14
CN18
R WORK STOPPER SO
L
CN19
R BUT SOL
CN20
reserved OUT
CN17
R EDGE PUSHER SOL
IF BOARD
CN16CN15
CN1
SENSOR
F CONVEYOR
F ANC SOL
CON1
CN2
CN3
CN4
CN5
CN6
CN7
CN8
CN9
CN10
CN11
CN12
CN13
CN14
CN18
F WORK STOPPER SOL
CN19
F BUT SOL
CN20
reserved OUT
CN17
F EDGE PUSHER SOL
IF BOARD
RCB1
RCB2
RCB3
RCB4
(STEPPING MOTOR)
FCB1
FCB2
FCB3
FCB4
(STEPPING MOTOR)
RWB1
RWB2
FWB1
FWB2
* WD3 Motor Front >> Rear Change
* SJ.LEE (10.12.20)
(750W)
RX
(100W)
WD2
(750W)
FX
(100W)
WD1
REGENERATIVE
RESISTOR
REGENERATIVE
RESISTOR
WD3
(100W)
CN1
X7043(M) B/D
(30W)
FT1 FT2 FT3 FT4
SM451DH_VM018
(30W)
(30W)
(30W)
(30W)
RT1 RT2
RT3 RT4
SM421P_HD004
(30W)
(30W)
(30W)
X7043(D) B/D
CN3
CN3
SM421P_HD004
CN2
CN1
CN2
SM451DH_VM019 SM451DH_VM020
SM451DH_VM021
SM451DH_PW070
SM451DH_PW071
TO AXIS SENSOR BOARD
TO AXIS SENSOR BOARD
SM451DH_MD005
SM451DH_MD009
SM451DH_MD006
SM451DH_MD010
SM451DH_MD007
SM451DH_MD011
SM451DH_MD008
SM451DH_MD012
SM451DH_MD021
SM451DH_MD025
SM451DH_MD022
SM451DH_MD026
SM451DH_MD023
SM451DH_MD027
SM451DH_MD024
SM451DH_MD028
SM451DH_MD037
SM451DH_MD036
SM451DH_MD039
SM451DH_MD031
SM451DH_PW059
SM451DH_PW058
SM451DH_PW059
SM451DH_PW067
SM451DH_PW063
SM451DH_PW066
SM451DH_PW062
SM451DH_PW055
SM451DH_PW051
SM451DH_PW048
SM451DH_PW044
SM451DH_PW043
SM451DH_PW044
SM451DH_PW043
SM451DH_CS040SM451DH_CS038SM451DH_CS036
SM451DH_CS039SM451DH_CS037SM451DH_CS035
SM451DH_PW040
SM451DH_PW036
SM451DH_VM017
SM451DH_CS046SM451DH_CS044SM451DH_CS042
SM451DH_CS045SM451DH_CS043SM451DH_CS041
SM451DH_MD065
SM451DH_MD064
SM451DH_MD063
SM451DH_MD062
SM451DH_MD061
SM451DH_MD060
SM451DH_MD059
SM451DH_MD058
SM451DH_MD057
SM451DH_MD056
SM451DH_MD055
to C/V I/F B/D CN14
STOPPER SOL SIGNAL
R ANC CLOSED
R ANC OPEN
F ANC CLOSED
F ANC OPEN
SM451DH_VM008
SM451DH_VM007
Panasonic AC servo
SET
MODE
Panasonic AC servo
SET
MODE
Panasonic AC servo
SET
MODE
Panasonic AC servo
SET
MODE
Panasonic AC servo
SET
MODE
Panasonic AC servo
SET
MODE
Panasonic AC servo
SET
MODE
Panasonic AC servo
SET
MODE
Panasonic AC servo
SET
MODE
SM451DH_PW054
SM451DH_PW050
SM451DH_VM016
SM451DH_VM015
SM451_VM014
SM451DH_VM013
SM451DH_VM012
SM451DH_VM011
SM451_VM010
SM451DH_MD0039
SM451DH_MD016
SM451DH_MD071
SM451DH_MD068
SM451DH_PW047
SM451DH_MD038
Panasonic AC servo
SET
MODE
SM451DH_VM003
SM451DH_MD015
Panasonic AC servo
SET
MODE
SM451DH_PW058
SM451DH_MD038
Panasonic AC servo
SET
MODE
SM451DH_VM004
SM451DH_MD030
Panasonic AC servo
SET
MODE
WORK STP DOWN
WORK STP UP
WORK BUT UP
WIDTH HOME #3
WIDTH HOME #2
PCB OUT
PCB QUICK
PCB WAIT
PCB WORK
PCB IN
SM451DH_PW088 SM451DH_PW088
SM451DH_MD054
SM451DH_PW087 SM451DH_PW089
SM33_CS035 -2
SM451DH_AX005
SM451DH_AX004
WORK STP DOWN
WORK STP UP
WORK BUT UP
-
WIDTH HOME #1
PCB OUT
PCB QUICK
PCB WAIT
PCB WORK
PCB IN
SENSOR,SOL DATUM
SENSOR, SOL DATUM
to CAN IO B/D CN12
F/R STOPPER UP/DN,BUT
to C/V I/F B/D CN16
ANC SOL SIGNAL
F/R Y1 H/+L/-L
SM33_CS035 -1
SM451DH_AX001
SM451DH_006
SM451DH_AX003
SM451DH_AX002
SM451DH_PW039
SM451DH_PW035
SM451DH_MD070
SM451DH_MD069
SM451DH_MD067SM451DH_MD066
SM451DH_MD034
SM451DH_MD035
SM451DH_MD032
SM451DH_MD033
SM451DH_MD019
SM451DH_MD020
SM451DH_MD017
SM451DH_VM006
REAR SEDES SLAVE B/D
SM451DH_VM009
SM451DH_VM005
SM451DH_VM002
Panasonic AC servo
SET
MODE
Panasonic AC servo
SET
MODE
SM451DH_VM001
SM451DH_MD018
Panasonic AC servo
SET
MODE
Panasonic AC servo
SET
MODE
FRONT SEDES SLAVE B/D

Page
HANWHA TECHWIN
136
SM451DH
Axis Sensor Board Interface (1/3)
CN1
AXIS SENSOR
BOARD
4
2
1
3
10
9
8
7
10
9
8
7
22
6
5
3
4
6
5
3
4
1
CN2
1
SAFETY CONTROL B/D
4
4
4
SM451DH_AX001
+24V
24G
24G
+24V
2
3
1
2
1
3
2
3
1
CN23
2
(SENSOR CONN.)
+24V
OUT
GND
EE-1001
(SENSOR CONN.)
FY1_-LIMIT
L
2
1
3
4
+24V
OUT
GND
+24V
OUT
GND
4
3
FY1_HOME
(SENSOR CONN.)
EE-1001
FY1_+LIMIT
EE-1001
1
3
4
L
1
SM451DH_AX002
10 10
99
88
77
66
55
44
33
22
CN3
11
SM451DH_AX003
AM03-000082A
AM03-000083A
AM03-000084A
2
(SENSOR CONN.)
+24V
OUT
GND
EE-1001
(SENSOR CONN.)
RY1_-LIMIT
L
2
1
3
4
+24V
OUT
GND
+24V
OUT
GND
4
3
RY1_HOME
(SENSOR CONN.)
EE-1001
RY1_+LIMIT
EE-1001
1
3
4
L
1
A10
A12
A14
A13
A11
A15
B11
B10
B13
B14
B15
B12
B8
B12
B14
B15
B13
B10
B11
B9
A15
B4
B6
B7
B5
B2
B3
B1
A13
A14
A12
A11
A10
A9
A8
A7
BOARD
A6
A5
A4
A3
CN4
A2
A1
AXIS SENSOR
SM451DH_AX004
B8 B8B8
B11
B10
B14
B13
B15
B12
B9
B12
B14
B15
B13
B10
B11
B9 B9
A10
A12
A14
A13
A11
A15
B4
B6
B7
B5
B2
B3
B1
F WORK STP DN
A9
A8
A7
A15
B4 B4
B6 B6
B7 B7
B5 B5
B2 B2
B3 B3
B1 B1
A13
A14
A12
A11
A9
A10
A9
A8
A7
A8
A7
FRONT
PCB WAIT
A6
A5
A4
A3
A2
A1
CON1
A6
A5
A6
A5
A4
A3
A4
A3
A2
A1
A2
A1
RESERVED IN #1
24V
24V
PCB IN
PCB WORK
WIDTH HOME #1
F BUT UP
F WORK STP UP
-
PCB QUICK
PCB OUT
GND
GND
GND
RESERVED OUT #2
GND
F BUT
F EDGE PUSHER SOL
RESERVED OUT #1
WIDTH HOME #2
F ANC OPEN
24V
24V
RESERVED IN #2
F ANC CLOSED
WIDTH HOME #3
F ANC SOL
F WORK STP SOL
AM03-000085A
SENSOR IF BOARD
A10
A12
A14
A13
A11
A15
B11
B10
B13
B14
B15
B12
B8
B12
B14
B15
B13
B10
B11
B9
A15
B4
B6
B7
B5
B2
B3
B1
A13
A14
A12
A11
A10
A9
A8
A7
A6
A5
A4
A3
CN5
A2
A1
SM451DH_AX005
B8 B8B8
B11
B10
B14
B13
B15
B12
B9
B12
B14
B15
B13
B10
B11
B9 B9
A10
A12
A14
A13
A11
A15
B4
B6
B7
B5
B2
B3
B1
R WORK STP DN
A9
A8
A7
A15
B4 B4
B6 B6
B7 B7
B5 B5
B2 B2
B3 B3
B1 B1
A13
A14
A12
A11
A9
A10
A9
A8
A7
A8
A7
REAR
R_PCB WAIT
A6
A5
A4
A3
A2
A1
CON2
A6
A5
A6
A5
A4
A3
A4
A3
A2
A1
A2
A1
RESERVED IN #3
24V
24V
R_PCB IN
R_PCB WORK
RESERVED IN #5
R BUT UP
R WORK STP UP
RESERVED IN #6
R_PCB QUICK
R_PCB OUT
GND
GND
GND
RESERVED OUT #4
GND
R BUT
R EDGE PUSHER SOL
RESERVED OUT #3
RESERVED IN #7
R ANC OPEN
24V
24V
RESERVED IN #4
R ANC CLOSED
RESERVED IN #8
R ANC SOL
R WORK STP SOL
AM03-000086A
SENSOR IF BOARD
^4`
^5`
^6`
^7`
^43`
^8`

Page
HANWHA TECHWIN
137
SM451DH
Axis Sensor Board Interface (1/3)
NO. Lev. PART NO. PART NAME Q'TY Old No. Supply Supply LT Reference
1 AM03-000082A CABLE ASSY-AXIS SNS BD PWR CABLE ASSY_DH 1
2 AM03-000083A CABLE ASSY-Y1 AXIS SNS CABLE ASSY_DH 1
3 AM03-000084A CABLE ASSY-Y2 AXIS SNS CABLE ASSY_DH 1
4 AM03-000085A CABLE ASSY-CONV F IF BD CABLE ASSY_DH 1
5 AM03-000086A CABLE ASSY-CONV R IF BD CABLE ASSY_DH 1