SM451DH_TRM(Ver6.0_CS16.18) - 第186页
Page HANWHA TECHWIN 174 SM451DH Step IF CV Belt (1/2) 4 2 3 1 B/ B A/ A 4 2 3 1 B/ B A/ A 4 2 3 1 4 2 3 1 B/ B A/ A 4 2 3 1 B/ B A/ A 4 2 3 1 4 2 3 1 4 2 3 1 F CB1 STEP MOTOR SM451DH_MD042 F CB2 STEP MOTOR CN2 CN3 STEP D…

Page
HANWHA TECHWIN
173
SM451DH
Servo IF (2/2)
NO. Lev. PART NO. PART NAME Q'TY Old No. Supply Supply LT Reference
1 AM03-001049A CABLE ASSY-Z4 MOTOR CABLE ASSY_DH 2
2 AM03-000383A CABLE ASSY-HEAD1 NWK SRL CABLE ASSY_DH 1
3 AM03-000387A CABLE ASSY-FZ1 DRV CMD CABLE ASSY_DH 1
4 AM03-000388A CABLE ASSY-FZ2 DRV CMD CABLE ASSY_DH 1
5 AM03-001048A CABLE ASSY-Z3 MOTOR CABLE ASSY_DH 2
6 AM03-000389A CABLE ASSY-FZ3 DRV CMD CABLE ASSY_DH 1
7 AM03-001047A CABLE ASSY-Z2 MOTOR CABLE ASSY_DH 2
8 AM03-000397A CABLE ASSY-FT3,4 DRV CMD CABLE ASSY_DH 1
9 AM03-000390A CABLE ASSY-FZ4 DRV CMD CABLE ASSY_DH 1
10 AM03-001046A CABLE ASSY-Z1 MOTOR CABLE ASSY_DH 2
11 AM03-000391A CABLE ASSY-RZ1 DRV CMD CABLE ASSY_DH 1
12 AM03-000384A CABLE ASSY-HEAD2 NWK SRL CABLE ASSY_DH 1
13 AM03-000392A CABLE ASSY-RZ2 DRV CMD CABLE ASSY_DH 1
14 AM03-000393A CABLE ASSY-RZ3 DRV CMD CABLE ASSY_DH 1
15 AM03-000394A CABLE ASSY-RZ4 DRV CMD CABLE ASSY_DH 1

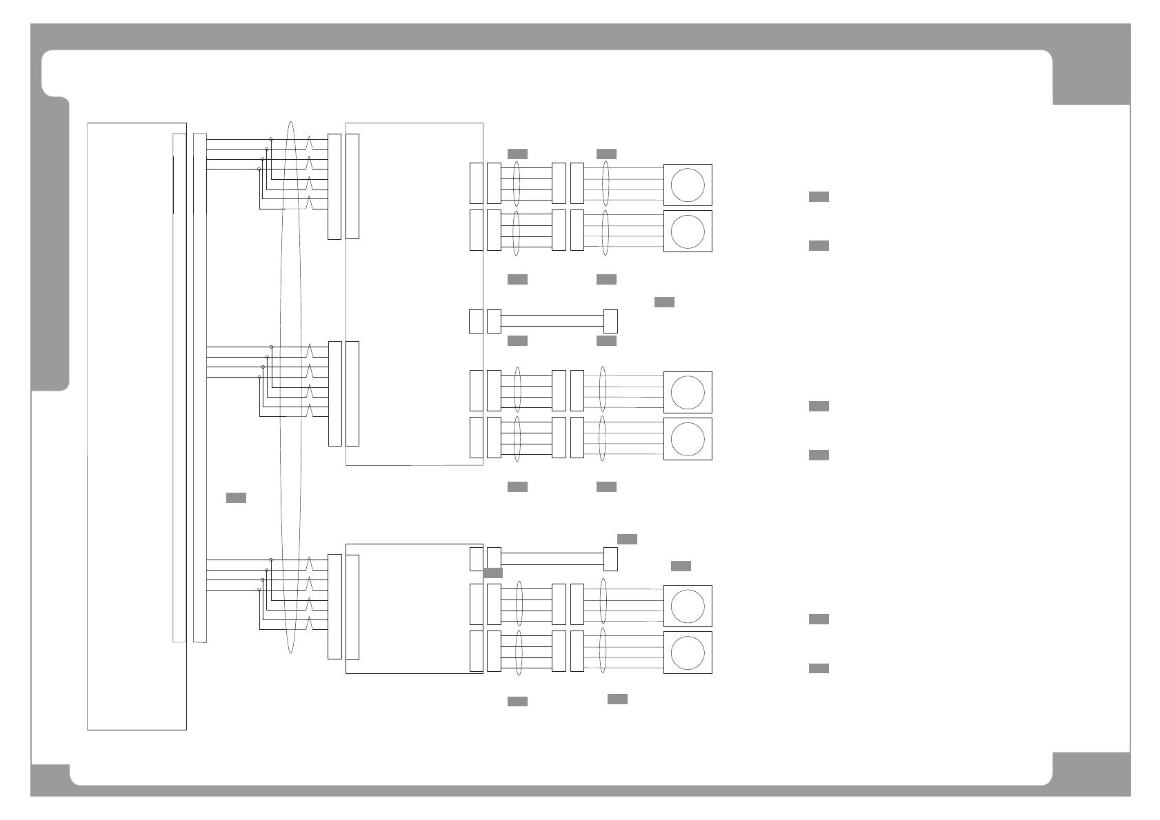
Page
HANWHA TECHWIN
174
SM451DH
Step IF CV Belt (1/2)
4
2
3
1
B/
B
A/
A
4
2
3
1
B/
B
A/
A
4
2
3
1
4
2
3
1
B/
B
A/
A
4
2
3
1
B/
B
A/
A
4
2
3
1
4
2
3
1
4
2
3
1
F CB1 STEP MOTOR
SM451DH_MD042
F CB2 STEP MOTOR
CN2
CN3
STEP DRIVER #1
1
2
3
6
4
8
9
7
CN4
1
2
3
6
4
8
9
7
10
5
1
7
2
8
4
2
3
1
B/
B
A/
A
4
2
3
1
B/
B
A/
A
4
2
3
1
4
2
3
1
B/
B
A/
A
4
2
3
1
B/
B
A/
A
4
2
3
1
4
2
3
1
4
2
3
1
CN2
CN3
1
2
3
6
4
9
8
7
CN4
10
5
CN3
X7043 SEDES #1
B/D
4
2
3
1
B/
B
A/
A
4
2
3
1
B/
B
A/
A
4
2
3
1
4
2
3
1
B/
B
A/
A
4
2
3
1
B/
B
A/
A
4
2
3
1
2
1
2
1
4
2
3
1
4
2
3
1
2
1
CN1
24G
24V
F WB1 STEP MOTOR
SM451DH_MD046
CN2
CN3
STEP DRIVER #2(1/2)
1
2
3
6
4
8
9
7
CN4
10
5
SM451DH_MD055
SM451DH_PW088
AM03-000833A
AM03-000235A
AM03-000222A
AM03-000226A
1
7
2
8
1POUT+
1POUT-
1PDIR-
1PDIR+
3
10
4
9
3
10
4
9
5
12
6
11
5
12
6
11
10
5
1
2
3
6
4
8
9
7
10
5
2POUT+
2POUT-
2PDIR-
2PDIR+
1
2
3
6
4
8
9
7
10
5
3POUT+
3POUT-
3PDIR-
3PDIR+
SM451DH_VM007
AM03-000385A
SM451DH_MD043
AM03-000223A
F CB3 STEP MOTOR
SM451DH_MD044
F CB4 STEP MOTOR
AM03-000224A
SM451DH_MD045
AM03-000225A
F WB2 STEP MOTOR
SM451DH_MD047
AM03-000227A
2
1
2
1
2
1
CN1
24G
24V
SM451DH_SC012
AM03-000359A
TB1-18B
TB1-20B
TB1-18A
TB1-20A
SM451DH_MD054
AM03-000234A
SM451DH_MD056
AM03-000236A
SM451DH_MD057
AM03-000237A
SM451DH_MD058
AM03-000238A
SM451DH_MD059
AM03-000239A
SM451DH_CS036
AM03-000439A
SM451DH_CS035
AM03-000143A
SM451DH_CS038
AM03-000441A
SM451DH_CS037
AM03-000440A
SM451DH_CS040
AM03-000443A
SM451DH_CS039
AM03-000442A
^4` ^5`
^6`
^9`
^7` ^8`
^;` ^<`
^45` ^46`
^43`
^44`
^4;`
^4<`
^53`
^54`
^4:`
^49`
^47`
^:`
^48`

Page
HANWHA TECHWIN
175
SM451DH
Step IF CV Belt (1/2)
NO. Lev. PART NO. PART NAME Q'TY Old No. Supply Supply LT Reference
1 AM03-000234A CABLE ASSY-F-CONV BELT1 PW CABLE ASSY_DH 1
2 AM03-000143A CABLE ASSY-CS SPARE CABLE ASSY5_DH 1
3 AM03-000222A CABLE ASSY-F-CONV BELT1 MOTOR ASSY_DH 1
4 AM03-000235A CABLE ASSY-F-CONV BELT2 PW CABLE ASSY_DH 1
5 AM03-000439A CABLE ASSY-F CONV MTR2 EXT CABLE ASSY_DH 1
6 AM03-000223A CABLE ASSY-F-CONV BELT2 MOTOR ASSY_DH 1
7 AM03-000359A CABLE ASSY-CONV BELT STEP CABLE ASSY3_DH 1
8 AM03-000236A CABLE ASSY-F-CONV BELT3 PW CABLE ASSY_DH 1
9 AM03-000440A CABLE ASSY-F CONV MTR3 EXT CABLE ASSY_DH 1
10 AM03-000224A CABLE ASSY-F-CONV BELT3 MOTOR ASSY_DH 1
11 AM03-000225A CABLE ASSY-F-CONV BELT4 MOTOR ASSY_DH 1
12 AM03-000237A CABLE ASSY-F-CONV BELT4 PW CABLE ASSY_DH 1
13 AM03-000441A CABLE ASSY-F CONV MTR4 EXT CABLE ASSY_DH 1
14 AM03-000385A CABLE ASSY-F-CONV BELT CMD CABLE ASSY_DH 1
15 AM03-000833A CABLE ASSY-CONV-BELT2 PWR CABLE ASSY_DH 1
16 AM03-000238A CABLE ASSY-F-WORK BELT1 PW CABLE ASSY_DH 1
17 AM03-000442A CABLE ASSY-F WORK MTR1 EXT CABLE ASSY_DH 1
18 AM03-000226A CABLE ASSY-F-WORK BELT1 MOTOR ASSY_DH 1
19 AM03-000227A CABLE ASSY-F-WORK BELT2 MOTOR ASSY_DH 1
20 AM03-000239A CABLE ASSY-F-WORK BELT2 PW CABLE ASSY_DH 1
21 AM03-000443A CABLE ASSY-F WORK MTR2 EXT CABLE ASSY_DH 1