SM451DH_TRM(Ver6.0_CS16.18) - 第189页
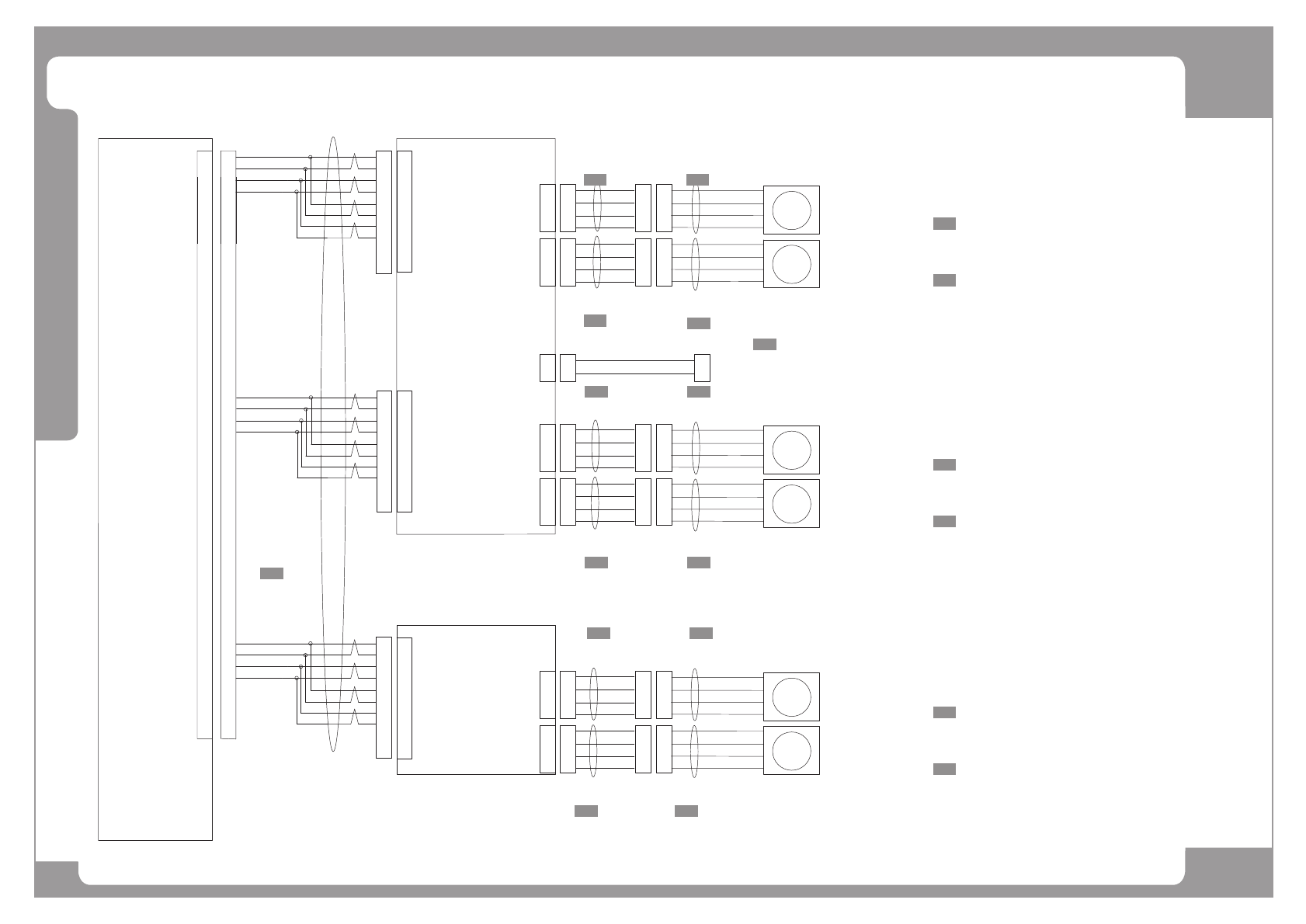
Page HANWHA TECHWIN 177 SM451DH Step IF CV Belt (2/2) NO. Lev . P ART NO. P ART NAME Q'TY Old N o. Supply Supply L T Reference 1 AM03-000244A CA BLE ASSY -R-WORK BEL T1 PW CABLE ASSY _DH 1 2 AM03-000246A CABLE ASSY …

Page
HANWHA TECHWIN
176
SM451DH
Step IF CV Belt (2/2)
4
2
3
1
B/
B
A/
A
4
2
3
1
B/
B
A/
A
4
2
3
1
4
2
3
1
B/
B
A/
A
4
2
3
1
B/
B
A/
A
4
2
3
1
4
2
3
1
4
2
3
1
R CB1 STEP MOTOR
SM451DH_MD048
R CB2 STEP MOTOR
CN2
CN3
STEP DRIVER #3
1
2
3
6
4
8
9
7
CN4
1
2
3
6
4
8
9
7
10
5
1
7
2
8
4
2
3
1
B/
B
A/
A
4
2
3
1
B/
B
A/
A
4
2
3
1
4
2
3
1
B/
B
A/
A
4
2
3
1
B/
B
A/
A
4
2
3
1
4
2
3
1
4
2
3
1
CN2
CN3
1
2
3
6
4
9
8
7
CN4
10
5
CN3
X7043 SEDES #1
B/D
4
2
3
1
B/
B
A/
A
4
2
3
1
B/
B
A/
A
4
2
3
1
4
2
3
1
B/
B
A/
A
4
2
3
1
B/
B
A/
A
4
2
3
1
4
2
3
1
4
2
3
1
R WB1 STEP MOTOR
SM451DH_MD052
CN2
CN3
STEP DRIVER #2(2/2)
1
2
3
6
4
8
9
7
CN4
10
5
AM03-000228A
AM03-000232A
1
7
2
8
1POUT+
1POUT-
1PDIR-
1PDIR+
3
10
4
9
3
10
4
9
5
12
6
11
5
12
6
11
10
5
1
2
3
6
4
8
9
7
10
5
2POUT+
2POUT-
2PDIR-
2PDIR+
1
2
3
6
4
8
9
7
10
5
3POUT+
3POUT-
3PDIR-
3PDIR+
SM451DH_VM008
AM03-000386A
SM451DH_MD049
AM03-000229A
R CB3 STEP MOTOR
SM451DH_MD050
R CB4 STEP MOTOR
AM03-000230A
SM451DH_MD051
AM03-000231A
R WB2 STEP MOTOR
SM451DH_MD053
AM03-000233A
2
1
2
1
2
1
CN1
24G
24V
SM451DH_PW089
AM03-000834A
TB1-18B
TB1-20B
SM451DH_MD060
AM03-000240A
SM451DH_MD061
AM03-000241A
SM451DH_MD064
AM03-000244A
SM451DH_MD065
AM03-000245A
SM451DH_MD062
AM03-000242A
SM451DH_MD063
AM03-000243A
SM451DH_CS041
AM03-000444A
SM451DH_CS042
AM03-000445A
SM451DH_CS043
AM03-000246A
SM451DH_CS044
AM03-000447A
SM451DH_CS045
AM03-000248A
SM451DH_CS046
AM03-000449A
^4` ^5`
^6`
^9`
^7`
^8`
^;` ^<`
^45` ^46`
^43`
^44`
^4:`
^4;`
^4<` ^53`
^48`
^47`
^:`
^49`

Page
HANWHA TECHWIN
177
SM451DH
Step IF CV Belt (2/2)
NO. Lev. PART NO. PART NAME Q'TY Old No. Supply Supply LT Reference
1 AM03-000244A CABLE ASSY-R-WORK BELT1 PW CABLE ASSY_DH 1
2 AM03-000246A CABLE ASSY-FY1 REGEN RES CABLE ASSY_DH 1
3 AM03-000228A CABLE ASSY-R-CONV BELT1 MOTOR ASSY_DH 1
4 AM03-000245A CABLE ASSY-R-WORK BELT2 PW CABLE ASSY_DH 1
5 AM03-000447A CABLE ASSY-R CONV MTR4 EXT CABLE ASSY_DH 1
6 AM03-000229A CABLE ASSY-R-CONV BELT2 MOTOR ASSY_DH 1
7 AM03-000834A CABLE ASSY-CONV-BELT3 PWR CABLE ASSY_DH 1
8 AM03-000242A CABLE ASSY-R-CONV BELT3 PW CABLE ASSY_DH 1
9 AM03-000248A CABLE ASSY-FX REGEN RES CABLE ASSY_DH 1
10 AM03-000230A CABLE ASSY-R-CONV BELT3 MOTOR ASSY_DH 1
11 AM03-000231A CABLE ASSY-R-CONV BELT4 MOTOR ASSY_DH 1
12 AM03-000243A CABLE ASSY-R-CONV BELT4 PW CABLE ASSY_DH 1
13 AM03-000449A CABLE ASSY-R WORK MTR2 EXT CABLE ASSY_DH 1
14 AM03-000386A CABLE ASSY-R-CONV BELT CMD CABLE ASSY_DH 1
15 AM03-000240A CABLE ASSY-R-CONV BELT1 PW CABLE ASSY_DH 1
16 AM03-000444A CABLE ASSY-R CONV MTR1 EXT CABLE ASSY_DH 1
17 AM03-000232A CABLE ASSY-R-WORK BELT1 MOTOR ASSY_DH 1
18 AM03-000233A CABLE ASSY-R-WORK BELT2 MOTOR ASSY_DH 1
19 AM03-000241A CABLE ASSY-R-CONV BELT2 PW CABLE ASSY_DH 1
20 AM03-000445A CABLE ASSY-R CONV MTR2 EXT CABLE ASSY_DH 1

Page
HANWHA TECHWIN
178
SM451DH
SV IF (1/5)
X2
SERVO DRIVER
ROWA
13
19
22
30
21
20
16
18
17
15
14
9
12
11
8
7
CN4
3
4
2
1
13
19
22
30
21
20
16
18
17
15
14
GND
/EZ
EZ
EB
/EB
/EA
-COM
EA
INP
FG
50
9
8
49
25
38
36
24
23
21
48
22
41
39
9
12
11
8
7
3
4
2
1
+COM
/ALM
/ALMRST
/SON
SP1
/CW
/CCW
CCW
CW
6
30
37
31
29
7
5
4
3
X(F) AXIS
X5
RB2
RB3
RB1
L3
r
X1
L1
L2
t
TB2-63B
TB2-67B
TB2-59B
TB2-51B
TB2-47B
(SM451DH_PW043)
REGENERATIVE
RESISTOR
SP2
1010
27
13
8
50
9
41
21
13
31
30
38
36
25
24
23
49
48
22
39
37
27
29
7
6
5
4
3
X(F) MOTOR
D
C
B
A
U
V
W
PE
6
4
5
3
1
2
SHIELD
SD
SD/
0V
+5V
4
6
5
2
3
1
EN
H
G
K
L
J
(SM451DH_MD016)
(SM451DH_MD015)
(SM451DH_MD068)
X6
A
ROWB
5050
FG
38
8
99
8
38
RB1
RB3
RB2
X2
V
W
U
C
B
WD1 MOTOR
+5V
SHIELD
0V
SD
SD/
SP2
CW
CCW
/CCW
/CW
SP1
/SON
/ALMRST
/ALM
+COM
INP
EA
-COM
/EA
/EB
EB
EZ
/EZ
GND
88
1616
17
18
20
21
30
22
19
30
22
20
21
18
19
17
10
11
12
9
14
15
13
12
14
15
13
10
11
9
2
4
3
77
4
3
11
2
2929
SERVO DRIVER
2121
23
24
36
25 25
36
23
24
22
48
49
48
49
22
3737
13
39
41
39
41
13
27
31
30
27
31
30
44
PE
66
55
X6
22
33
1
1
5
7
6
7
5
6
3
4
3
4
X5
WD1 AXIS
X1
t
L3
L2
L1
r
(SM451DH_MD036)
D
J
L
K
(SM451DH_MD037)
H
G
EN
TB2-54B
TB2-58B
TB2-66B
TB2-46B
(SM451DH_VM003)
SEDES #1 B/D
AM03-000381A
AM03-000307A
AM03-000188A
AM03-000187A
AM03-000248A
AM03-000209A
AM03-000208A
(SM451DH_PW044)
AM03-000308A
FLAT
CABLE
(MSMA082P1A01)
J3108063A
(MSMA012P1A01)
J3108062A
^4`
^5`
^6`
^9`
^7`
^8`
^;`
^<`
^43`
^:`