SM451DH_TRM(Ver6.0_CS16.18) - 第199页
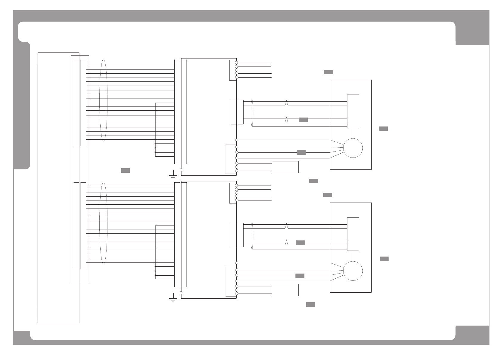
Page HANWHA TECHWIN 187 SM451DH SV IF (5/5) NO. Lev . P ART NO. P ART NAME Q'TY Old N o. Supply Supply L T Reference 1 J90833 380A Y1-X_S ERVO _POWER_CABL E_ASSY 1 2 AM03-000205A CABLE ASSY -RY1_MOTOR_ENC_CABLE_AS S…

Page
HANWHA TECHWIN
186
SM451DH
SV IF (5/5)
X2
SERVO DRIVER
ROWA
13
TWIN SERVO
B/D
19
22
30
21
20
16
18
17
15
14
9
12
11
8
7
CN2
3
4
2
1
13
19
22
30
21
20
16
18
17
15
14
GND
/EZ
EZ
EB
/EB
/EA
-COM
EA
INP
FG
50
9
8
49
25
38
36
24
23
21
48
22
41
39
9
12
11
8
7
3
4
2
1
+COM
/ALM
/ALMRST
/SON
SP1
/CW
/CCW
CCW
CW
6
30
37
31
29
7
5
4
3
Y1 AXIS
X5
RB2
RB3
RB1
L3
r
X1
L1
L2
t
TB1-42B
TB1-45B
TB1-39B
TB1-36B
TB1-33B
(SM421P_PW018)
REGENERATIVE
RESISTOR
SP2
1010
27
13
8
50
9
41
21
13
31
30
38
36
25
24
23
49
48
22
39
37
27
29
7
6
5
4
3
Y1 MOTOR
D
C
B
A
U
V
W
PE
6
4
5
3
1
2
SHIELD
SD
SD/
0V
+5V
4
6
5
2
3
1
EN
H
G
K
L
J
(SM451DH_MD033)
(SM451DH_MD032)
X6
A
ROWB
5050
FG
38
8
99
8
38
RB1
RB3
RB2
X2
V
W
U
RESISTOR
REGENERATIVE
C
B
Y2 MOTOR
+5V
SHIELD
0V
SD
SD/
SP2
CW
CCW
/CCW
/CW
SP1
/SON
/ALMRST
/ALM
+COM
INP
EA
-COM
/EA
/EB
EB
EZ
/EZ
GND
88
1616
17
18
20
21
30
22
19
30
22
20
21
18
19
17
10
11
12
9
14
15
13
12
14
15
13
10
11
9
2
4
3
77
4
3
11
2
2929
SERVO DRIVER
2121
23
24
36
25 25
36
23
24
22
48
49
48
49
22
3737
13
39
41
39
41
13
27
31
30
27
31
30
44
PE
66
55
X6
22
33
1
1
5
7
6
7
5
6
3
4
3
4
X5
Y2 AXIS
X1
t
L3
L2
L1
r
(SM451DH_MD034)
D
J
L
K
(SM451DH_MD035)
H
G
EN
(SM421P_PW019)
TB1-35B
TB1-38B
TB1-44B
TB1-41B
TB1-32B
(SM451DH_VM002)
AM03-000380A
J90833380A
AM03-000205A
AM03-000204A
J90833381A
AM03-000207A
AM03-000206A
(MSMA102P1C01)
J3108064A
(MSMA102P1C01)
J3108064A
R
R
(SM451DH_MD068)
AM03-000248A
(SM451DH_MD069)
AM03-000249A
^4`
^5`
^7`
^9`
^6`
^8`
^:`
^;`
^43`
^44`
^<`

Page
HANWHA TECHWIN
187
SM451DH
SV IF (5/5)
NO. Lev. PART NO. PART NAME Q'TY Old No. Supply Supply LT Reference
1 J90833380A Y1-X_SERVO_POWER_CABLE_ASSY 1
2 AM03-000205A CABLE ASSY-RY1_MOTOR_ENC_CABLE_ASSY_DH 1
3 EP08-900123 SERVO MOTOR(MSMA102P1C01) 1
4 AM03-000204B RY1_MOTOR_POWER_CABLE_ASSY_DH 1 AM03-000204A
5 AM03-000380A CABLE ASSY-RY1-RY2 DRV CMD CABLE ASSY_DH 1
6 AM03-000248A CABLE ASSY-FX REGEN RES CABLE ASSY_DH 1
7 J90833381A Y2-WD_SERVO_POWER_CABLE_ASSY 1
8 AM03-000207A CABLE ASSY-RY2_MOTOR_ENC_CABLE_ASSY_DH 1
9 EP08-900123 SERVO MOTOR(MSMA102P1C01) 1
10 AM03-000206A RY2_MOTOR_POWER_CABLE_ASSY_DH 1
11 AM03-000249A CABLE ASSY-RY1 REGEN RES CABLE ASSY_DH 1

Page
HANWHA TECHWIN
188
SM451DH
Vision IF (1/2)
VISION MUX B/D
TO VME J1
CN5
CN2
CN1
CN3
J1
CN4
J2
J3
J4
J5
J6
STAGE CAM. #1
FIDUCIAL CAM1.
CN1
CN2
INDUSTIAL PC
FLAT CABLE
DSUB-15PIN
FEMALE
DSUB-15PIN
FEMALE
DSUB-9PIN
FEMALE
DSUB-44PIN
FEMALE
SM451DH_VIS006
SM451DH_VIS004
FID_CAM
DSUB-9PIN
FEMALE
FID_CAM
SM421P_VIS002
STAGE CAM. #2
NEXTEYE B/D
(SM33_VIS012, MEGA OPTION)
DSUB-9PIN
FEMALE
FIDUCIAL CAM2.
SM421P_VIS003
AM03-000372A
AM03-000374A
J90831109A
J90833396A
J90833397B
^4`
^5`
^7`
^6`
^8`