SM451DH_TRM(Ver6.0_CS16.18) - 第211页
Page HANWHA TECHWIN 199 SM451DH Electric Circuit Diagram (1/7) NO. Lev . P ART NO. P ART NAME Q'TY Old N o. Supply Supply L T Reference

Page
HANWHA TECHWIN
198
SM451DH
Electric Circuit Diagram (1/7)
Z2-AXIS
DRIVER
GRAPHIC SYMBOL
-EMS/W
-MC
-RY
COIL PART
SWITCHING PART
RELAY
3~
M
SWITCHING PART
MAGNETIC CONTACT
MAGNET CONTACT
RELAY
COIL PART
22
12
21
11
22
12
SWITCH LAMP
3Ø MOTOR
-M
LED TYPE
SWITCH
DOOR INTERLOCK
SWITCH
-DS/W
-LAMP
-NF
ITEM
-MCCB
SYMBOL
-CP
-SC
S Y M B O L L I S T
312
4 5 6
GRAPHIC SYMBOL
NOISE FILTER
POWER CONSENT
21
11
CIRCUIT BREAKER
CIRCUIT PROTECTOR
EMERGENCY
COOLING FAN
SPARK KILLER (1PH)
-FAN
-SK
(USE FOR AC)
TERMINAL BLOCK
SPARK KILLER (3PH)
-ZM
-TB
VU
tr
GRAPHIC SYMBOL
DESCRIPTION
DESCRIPTION
SYMBOL
ITEM
DESCRIPTION
(a)
(a)
(a)
-FUSE
WE
L3L1 L2
-SD
FUSE
SERVO DRIVER
CONTACT
(THERMAL)
FRAME EARTH
PE
(b)
(GENERAL)
CONTACT
(CIRCUIT BREAKER)
(CIRCUIT PROTECTOR)
CONTACT
(b)
(b)
SYMBOL
ITEM
DESCRIPTION GRAPHIC SYMBOL
SYMBOL
ITEM

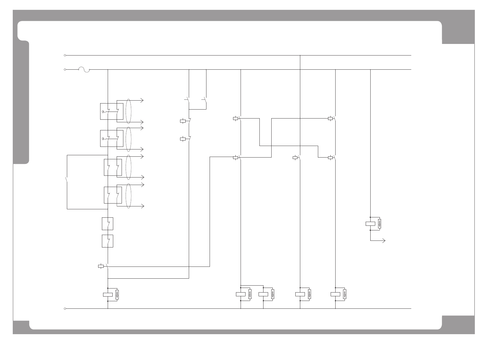
Page
HANWHA TECHWIN
199
SM451DH
Electric Circuit Diagram (1/7)
NO. Lev. PART NO. PART NAME Q'TY Old No. Supply Supply LT Reference

Page
HANWHA TECHWIN
200
SM451DH
Electric Circuit Diagram (2/7)
24G
+24V
22
12
-EM S/W1
21
11
(CONV.CN17-3)
EM1
-EM S/W2
22
12
21
11
EM2
(CONV.CN18-3)
(FRONT)
(REAR)
21
22
11
12
21
11
22
12
-DOOR S/W1
(FRONT)
-DOOR S/W2
(REAR)
DOOR1
(CONV.CN17-4)
DOOR2
24G
(CONV.CN17-5)
(CONV.CN18-4)
24G
(CONV.CN18-5)
24G
(CONV.CN17-6)
24G
(CONV.CN18-6)
-FUSE1
-K1
13
14
-K1
5
9
-MC1
-READY S/W
E E
-K1
-K3
(FRONT)
(REAR)
-K2
13
14
-K1
-K3
-K3
13
14
READY OUT
REM1
FD1
RD1
TF3
(250V,0.5A)
11
7
K3
K1
9
5
K2
12
8
MCEN1
10
6
MCA1
-K4
13
14
-K2
NO1A
9
5
NO1B
D24V(STEPPING & FEEDER POWER)
K1
MC1
TF2
-EM SPARE1
-EM SPARE2
TF1
-SAFEGUARD
OVERRIDE KEY
K1
CN18-2
CN18-1
CN3-3
CN3-4
CN4-3
CN4-4
DIP SW-1
DIP SW-4
DIP SW-3
DIP SW-2
-A2
+A1
-MC1 -MC2
-A2
+A1
-MC2
MC2
CN19-1
CN19-2