SM451DH_TRM(Ver6.0_CS16.18) - 第215页
Page HANWHA TECHWIN 203 SM451DH Electric Circuit Diagram (3/7) NO. Lev . P ART NO. P ART NAME Q'TY Old N o. Supply Supply L T Reference 1 J90831 343A MAIN-POWER-CA BLE-ASSY SM4 1-PW001 1 2 J90831 344B MCCB_NF1 -CABL…

Page
HANWHA TECHWIN
202
SM451DH
Electric Circuit Diagram (3/7)
240
(SM451DH_PW005)
(SM451DH_PW004)
2.5 mm
2.5 mm
-MAIN S/W
(600VAC,20A)
L32
L33
L31
246
135
-NF1
(3Ø, 20A)
L22
L21
L23
1
4
5 6
2 3
2
2
PE01
2P-C16, 16A
-CP1
2
1
(SM451DH_PW003)
(SM41_PW001)
2.5 mm
FACTORY MAIN POWER
4.0 mm
(3Ø/PE 60HZ 200~415VAC)
-MCCB1
(3Ø, 20A)
L13
L12
L11
2 64
1 3 5
APPROX. 5KVA)
T
SR
2
-EARTH PLATE
FRAME GROUND
-TRANS
220V
208200 220
L31
2
PE
to TB1-1A,TB1-9A
1L1
1L2
4
3
21S
21R
(SM451DH_PW009)
21T
3P-C16
-CP3
2 4
13
TF2L1
TF2L2
6
5
TF2L3
220V 220V
0V 220V
PE02
200220415380 200 208 380240 415
L32
415208 220 380240
L33
2.5 mm
2
FX,FY1,FY2,WD2,FZ1~FZ4 AXIS(SERVO)
to MC1
6.SECONDARY #1 : 1Ø 220(2KVA)
SECONDARY #2 : 3Ø 220(4KVA)
2.FREQUENCY : 50/60Hz
1.CAPACITY : 6KVA
3.PHASE : 3Ø
4.CONNECTION: Y-Y
<TRANS SPECIFICATION>
5.PRIMARY : 3Ø 200/208/220/240/380/415V, 5KVA
(23812)
(23825)
to TB1-21A,25A,29A
21R 21T
CONTROL RACK(PC+VME)
MONITOR1,2
2.5 mm
2
TF1L1
TF1L2
2.5 mm
2
(SM451DH_PW007)
2.5 mm
2
2.5 mm
2
to POWER SUPPLY
2L1
2L2
DC POWER #3,#4(24VDC)
(FT1~FT4, RT1~RT4 AXIS)
2.5 mm
2
(SM451DH_PW008)
BLACK
BLACK
BLACK
BLACK
BLACK
BLACK
BLACK
BLACK
BLACK
BLACK
J90831343A
J90831344B
J90831345A
J90831067A
J90831347A
J90831348A
J90833377A
2P-C16
-CP2
2
1
4
3
(23812)
DC POWER #1,#2(24VDC)
AC FAN
22S
22R
(SM451DH_PW010)
22T
3P-C16
-CP4
2 4
13
6
5
RX,RY1,RY2,WD3,4,RZ1~RZ4 AXIS(SERVO)
to MC2
(23825)
to TB1-45A,49A,53A
22R 22T
2.5 mm
2.5 mm
2
BLACK
BLACK
J90833377A
2
21S 22S
(SM451DH_PW006)
J90831347A
^4`
^5`
^7`
^6`
^8`
^9`
^:` ^:`

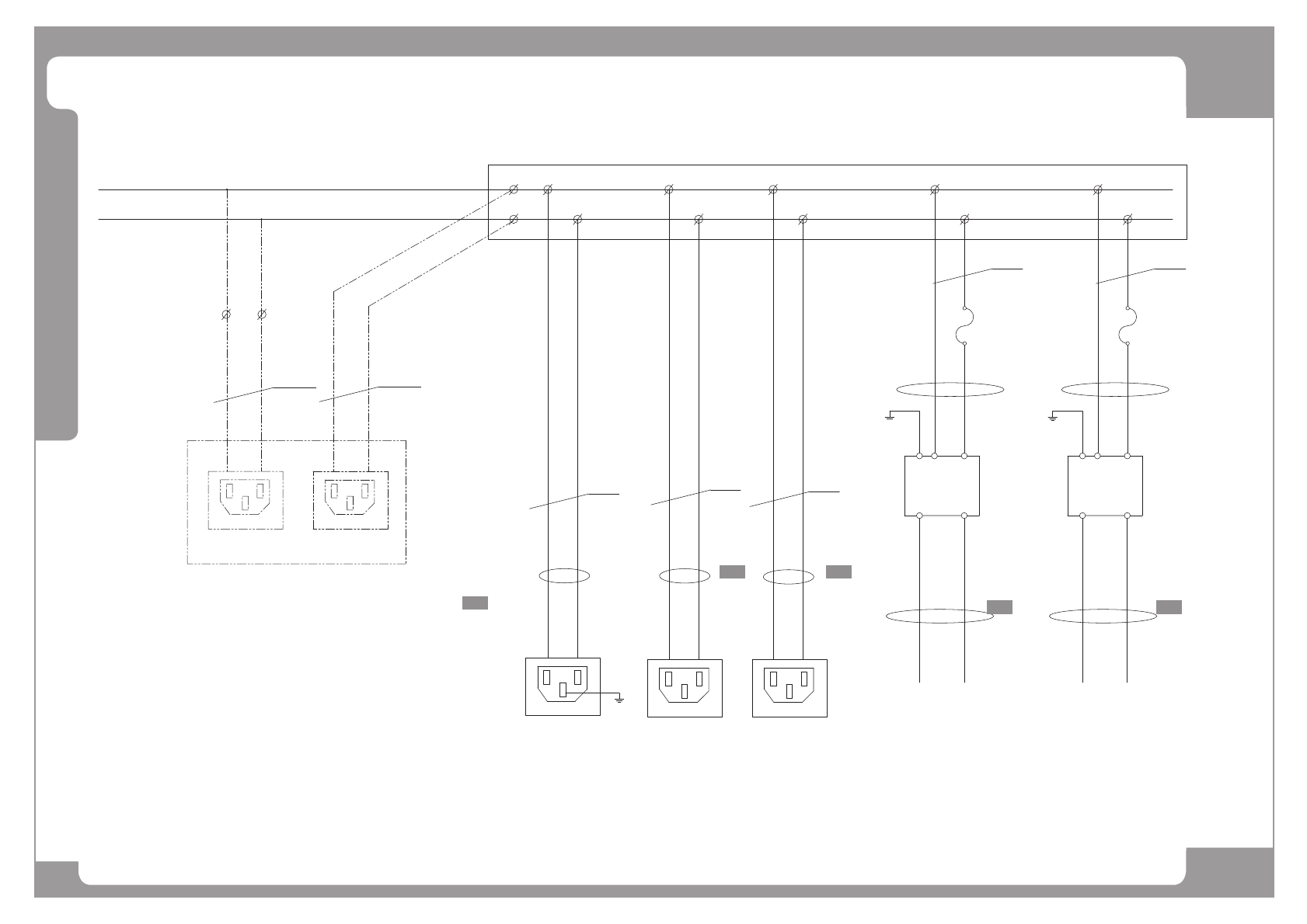
Page
HANWHA TECHWIN
203
SM451DH
Electric Circuit Diagram (3/7)
NO. Lev. PART NO. PART NAME Q'TY Old No. Supply Supply LT Reference
1 J90831343A MAIN-POWER-CABLE-ASSY SM41-PW001 1
2 J90831344B MCCB_NF1-CABLE-ASSY 1
3 J90831345A NF1_MAIN_SWITCH_CABLE_ASSY SM41-PW004 1
4 J90831067A MAIN_SWITCH_TB2_CABLE_ASSY SM33-PW005 1
5 J90831347A TRANS_CP1-2_CABLE_ASSY SM41-PW006 1
6 J90831348A CP1_TB1_CABLE_ASSY SM41-PW007 1
7 J90833377A CP2_TB1-MC1_CABLE_ASSY SM421P-PW008 2

Page
HANWHA TECHWIN
204
SM451DH
Electric Circuit Diagram (4/7)
TO REAR MONITOR
(PC+VME ASSY POWER)
TO CONTROL BOX
TO FRONT MONITOR
1L1 1L2
FROM CP1
1L2
1L1
9A
9B
1A 1B
1.5mm
2
10A
2A 3A
11A
POWER INLET
PE03
1L1 1L2 1L1 1L2
1.5mm
2
AC220V
1.5mm
2
(SM451DH_PW029)
(SM4151DH_PW030)
OUTLETINLET
UPS OPTION INSTALL
4A
4B
8A
8B
-UPS
(800VA)
* UPS사용시만결선
1.25mm
2
1.25mm
2
BLACK
BLACK
J90831362B
J90831363A
(SM451DH_PW013)
J90833510A
13B
5A
DC POWER(400W)
-PS2
(+)
PE07
(-)
AC IN
1.5mm
1L1
1L2(F2)
A
B
2
24VDC
-FUSE2 (AC250V,10A)
+24V 24G
(CONV.BELT 6AXIS)
(SM451DH_PW031)
J90831357B
12B
4A
DC POWER(400W)
-PS1
(+)
PE06
(-)
AC IN
1.5mm
1L1
1L2(F2)
A
B
2
24VDC
-FUSE2 (AC250V,10A)
TO SC-CN1,CN2
+24V 24G
(SM451DH_PW012)
(GENERAL IO)
(FEEDER PW)
(SM451DH_PW012)
(SM451DH_PW079)
J90831357B
^4`
^5`
^7`
^6`
^7`