SM451DH_TRM(Ver6.0_CS16.18) - 第219页
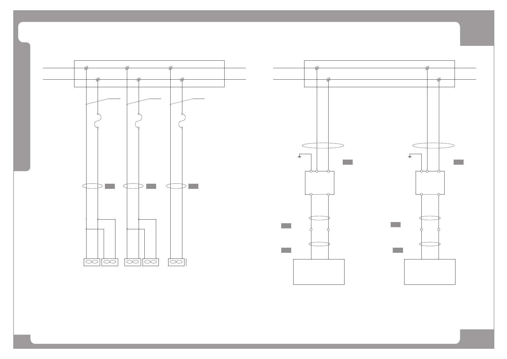
Page HANWHA TECHWIN 207 SM451DH Electric Circuit Diagram (5/7) NO. Lev . P ART NO. P ART NAME Q'TY Old N o. Supply Supply L T Reference 1 J90831 354C SERVO_F AN_POWER_CAB LE_ASSY 3 2 J90831357B PS1_ SAFETY_BD_C ABLE…

Page
HANWHA TECHWIN
206
SM451DH
Electric Circuit Diagram (5/7)
1L2
1L1
(RIGHT SIDE)
-FAN1
-FAN2
1L1 1L2(F3)
0.75mm
A
B
2
14B
6A
DC POWER(400W)
-PS3
(+)
PE09
(-)
AC IN
2L1
2L2
24VDC
+24V 24G
-FUSE3 (AC250V,5A)
-FAN3
(LEFT SIDE)
-FAN4
B
A
1L1 1L2(F4)
-FUSE4 (AC250V,5A)
2
0.75mm
7A
15B
(SERVO DRIVER RACK)
-FAN5
1L2(F5)
A
B
-FUSE5 (AC250V,5A)
0.75mm
2
16B
8A
1L1
AC220V
(SM451DH_PW013)
(SM451DH_PW016)
FROM CP1
(SM451DH_PW027)
J90831357B
J90831354C
J90833379A
DC POWER(400W)
-PS4
(+)
PE10
(-)
AC IN
2L1
2L2
24VDC
+24V 24G
(SM451DH_PW013)
(SM451DH_PW028)
J90831357B
2L2
2L1
AC220V
FROM MC1
(SM451DH_PW015)
J90831354C
(SM451DH_PW015)
J90831354C
HEAD RT1~RT4 AXIS
HEAD FT1~FT4 AXIS
J90833379A
(SM451DH_PW034)
J90831357B
(SM41_PW016)
J90831357B
^4`
^5`
^6`
^4`^4`
^5`
^6`
^5`
^5`

Page
HANWHA TECHWIN
207
SM451DH
Electric Circuit Diagram (5/7)
NO. Lev. PART NO. PART NAME Q'TY Old No. Supply Supply LT Reference
1 J90831354C SERVO_FAN_POWER_CABLE_ASSY 3
2 J90831357B PS1_SAFETY_BD_CABLE_ASSY 4
3 J90833379A TB1_PS1_POWER_CABLE_ASSY SM421P-PW011 2

Page
HANWHA TECHWIN
208
SM451DH
Electric Circuit Diagram (6/7)
21L1
21L3
21L2
21S
21R
(SM451DH_PW018)
(SM451DH_PW021)
DRIVER
E
PE11
-M1
3~
M
W
UV
-SD1
r
L1
t
SERVO
L3
57B
(SM451DH_PW022)
61B
49B
45B
1KW
FY1-AXIS
100W
WD1-AXIS
1KW
FY2-AXIS
750W
FX-AXIS
50W
FZ1-AXIS
1
-MC1
3
5
2
4
6
3P AC220V
21R
21S
21T
LC1D096BD-20A
(SM451DH_PW011)
0.75mm
2
FROM CP3
-SD4
DRIVER
E
PE12
-M2
3~
M
WUV
-SD2
r
L1
t
SERVO
L3
50W
FZ2-AXIS
DRIVERDRIVER
PE13
U
-M3
3~
M
WV E
3~
-M4
M
UV
PE14
W E
L3
SERVO
r
-SD3
L1
t
SERVO
rt
-SD4
L3L1
DRIVERDRIVER
PE15
U
-M5
3~
M
VW E V
M
3~
-M12
U
PE24
W E
SERVO
r
-SD5
L1
t
SERVO
t
L3
r
-SD12
L2 L3L1
58B
62B
(SM451DH_PW023)
0.75mm
2
65B
66B
53B
50B
54B
46B
DRIVER
E
PE22
-M14
3~
M
W
UV
L2
-SD14
r
L1
t
SERVO
L3
60B
68B
64B
55B
48B
50W
FZ3-AXIS
50W
FZ4-AXIS
0.75mm
2
0.75mm
2
DRIVER
E
PE23
-M13
3~
M
WUV
L2
-SD13
r
L1
t
SERVO
L3
J90833382A
J90833383A
J90833381A
J90833380A
J90833378A
45A
49A
57A
61A
65A
(SM451DH_PW020)
59B
63B
67B
51B
47B
0.75mm
2
J90833381A
21T
53A
^5` ^6`
^4`
^7`
^8`^7`