RS-1 机器规格书 - 第41页
37 8- 2 输入及输出信号 接口 8-2- 1 连接电缆规格 JIS B 8438 产业用机器人 -电气设备标准 。电缆长度 1 0m 以内。 单通道传送规格 连接电缆 0 , 是可用的 。 0 :连接电缆( 以往产品 : E9599705 * A0 ) 8- 3 数据接口 LAN 端口 ( 10 / 100BASE T ) 8- 4 工具的连接 管线接口 φ 8× φ 12 软管用单按式 管线接口插 头。 +24V 下游装置 上游…

36
8
接口
8-1 电气接口
8-1-1 电信号的种类与含义
下面的“电信号连接概念图”,是贴片机主机与对象装置连接电信号的概念图。
在下图里,贴片机主机与上游装置间的电信号为①②,与下游装置之间的电信号为③④。
a)电信号①称为输入信号要求搬出(或 Board available in),即收到上游装置要求搬出印刷基板的信号。
b)电信号②称为输出信号许可搬出(或 Ready out),即向上游装置发出许可搬出印刷基板的信号。
c)电信号③称为输出信号要求搬出(或 Board available out),是向下游装置发出要求搬出印刷基板的信号。
d)电信号④称为输入信号许可搬出(或 Ready in),是收到下游装置许可搬出印刷基板的信号。
图 电信号连接概念图
下游装置
贴片机主机
上游装置
④
③
②
①

37
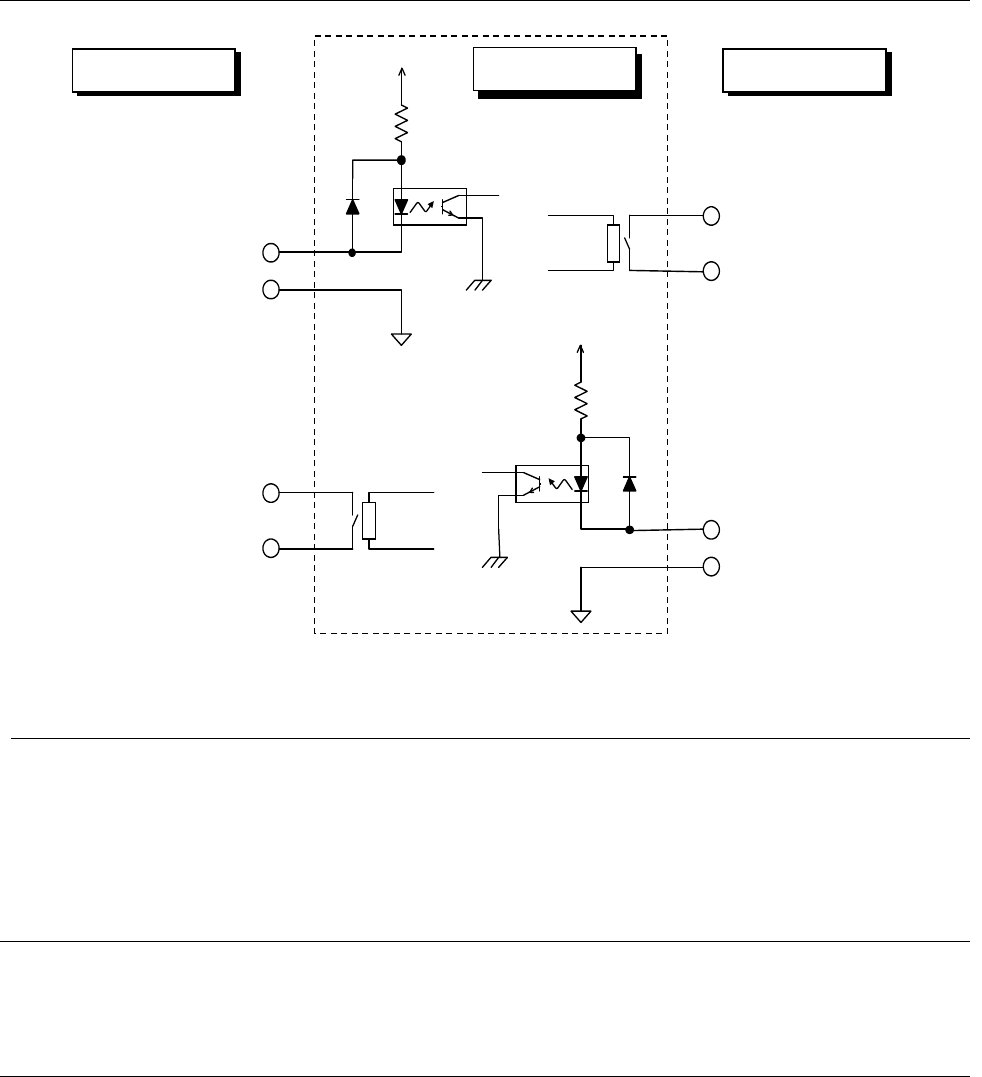
8-2 输入及输出信号接口
8-2-1 连接电缆规格
JIS B 8438 产业用机器人-电气设备标准。电缆长度 10m 以内。
单通道传送规格
连接电缆 0 ,是可用的。
0:连接电缆(以往产品 :E9599705*A0)
8-3 数据接口
LAN 端口(10/100BASE T)
8-4 工具的连接
管线接口
φ
8×
φ
12 软管用单按式管线接口插头。
+24V
下游装置
上游装置
贴片机主机
继电器接点
输
入信号许可搬出(READY IN+)
针
号:1
公用信号
许可搬出(READY IN -)
针
号: 2
输
出信号要求搬出
(BOARD AVAILABLE OUT
+)
针
号: 3
公用信号要求搬出
(BOARD AVAILABLE OUT
-)
针
号: 4
输
出信号许可搬出
(READY OUT
+
)
针
号:1
公用信号
许可搬出(READY OUT -)
针
号: 2
输
入信号要求搬出
(BOARD AVAILABLE IN
+)
针
号: 3
公用信号要求搬出
(BOARD AVAILABLE IN
-)
针
号: 4
+24V
继电器接点

38
9
安全性规格
9-1 标准规格
紧急停止
设有前后 2 处紧急停止开关。
按下紧急停止开关时,各轴会立即停止、切断伺服马达的驱动电源。
安全罩
机器的前后配备安全罩,前后均可通过安全罩开关,检测到开关状态。
操作面板上设置有可切换「维护模式」「操作模式」的「切换键」,可切换对应各模式的安全罩开关
动作。
・
操作模式
锁定安全罩,限制通常生产时打开安全罩。
通过操作解除锁定,安全罩打开时,即进入「伺服关闭状态」的安全规格。
・
维护模式
是进行维护时使用的模式,不锁定安全罩,在安全罩打开状态下进行低速运行。