F5 HMpart list - 第430页
Teilekatalog (Parts Catalog) Bebilderte Teileliste (Illustrated Parts) Bildtafel (Figure) 25 Ausgabe (Edition) 11-03 IC-Kopf für CAN-Bus Pick & place-head f. CAN-BUS 25 2 -

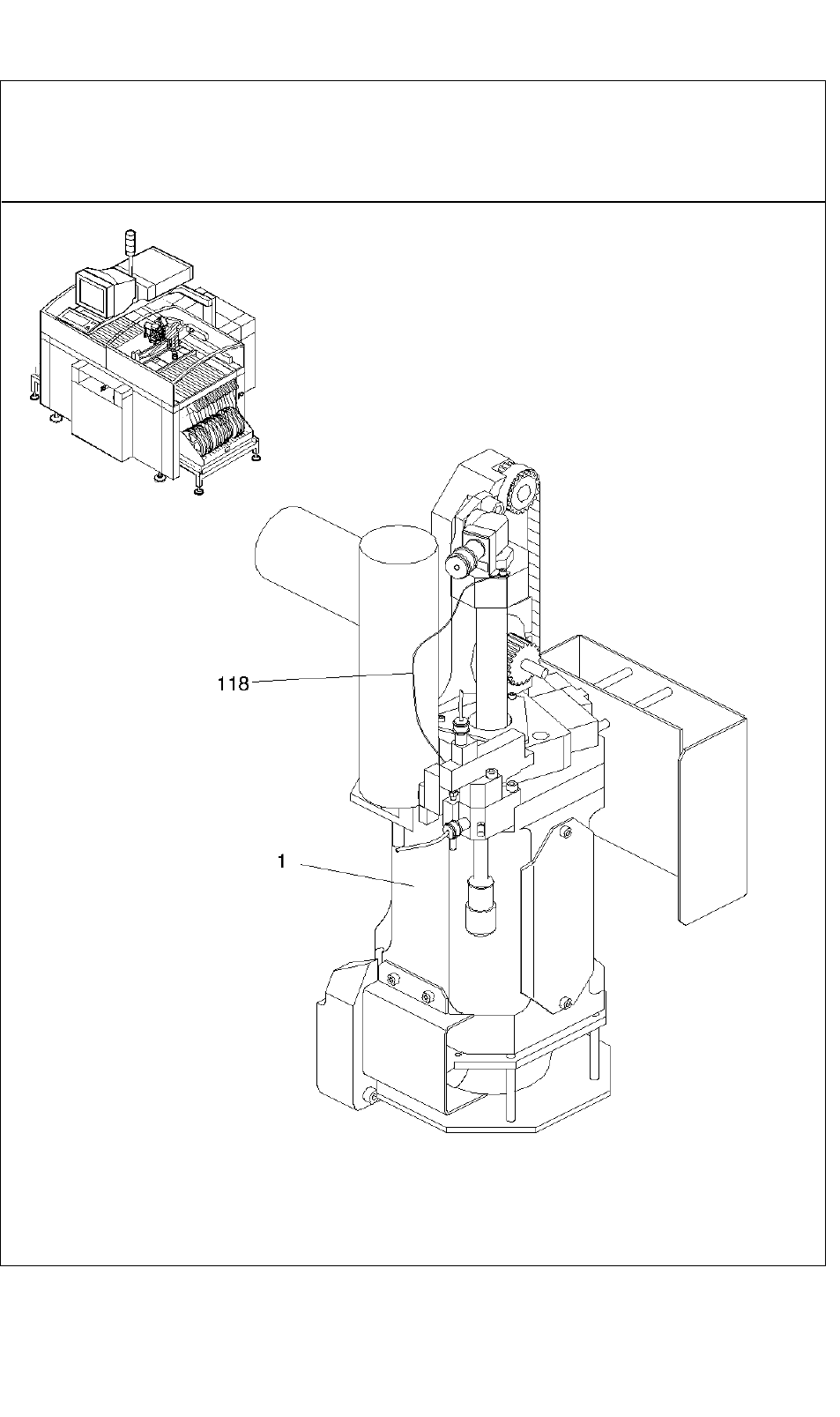
Teilekatalog (Parts Catalog) Bebilderte Teileliste (Illustrated Parts)
Bildtafel (Figure) 25
A
usgabe (Edition) 11-03
IC-Kopf für CAN-Bus
Pick & place-head f. CAN-BUS
25 1 -

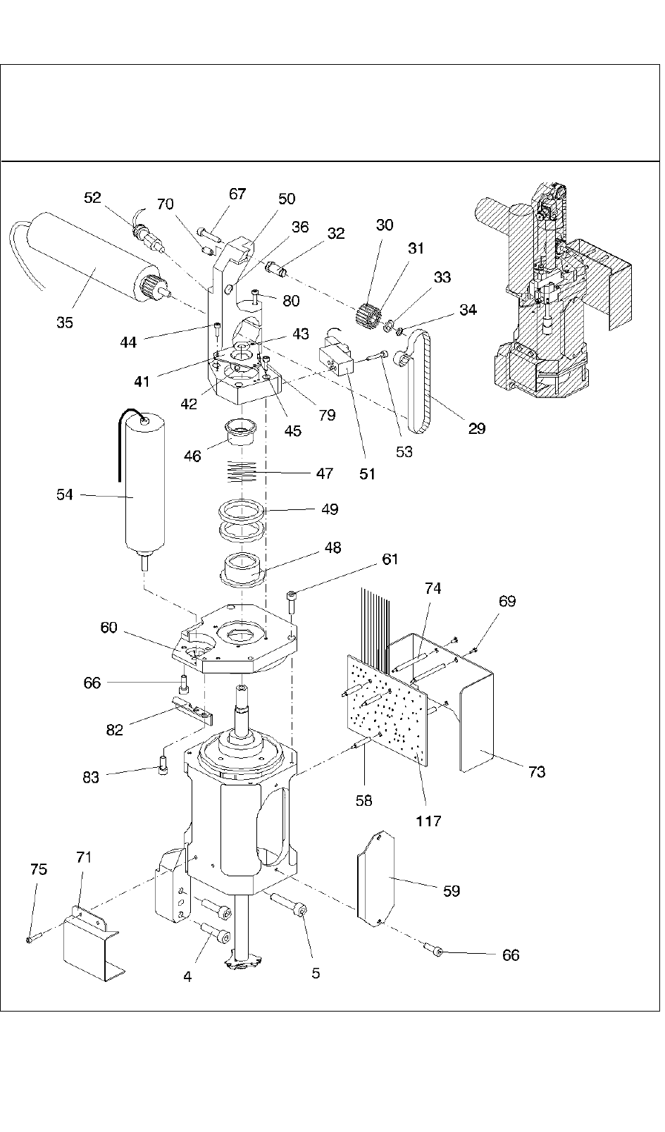
Teilekatalog (Parts Catalog) Bebilderte Teileliste (Illustrated Parts)
Bildtafel (Figure) 25
Ausgabe (Edition) 11-03
IC-Kopf für CAN-Bus
Pick & place-head f. CAN-BUS
25 2 -

Teilekatalog (Parts Catalog) Bebilderte Teileliste (Illustrated Parts)
Bildtafel (Figure) 25
A
usgabe (Edition) 11-03
IC-Kopf für CAN-Bus
Pick & place-head f. CAN-BUS
25 3 -