P-294-004e.pdf - 第12页
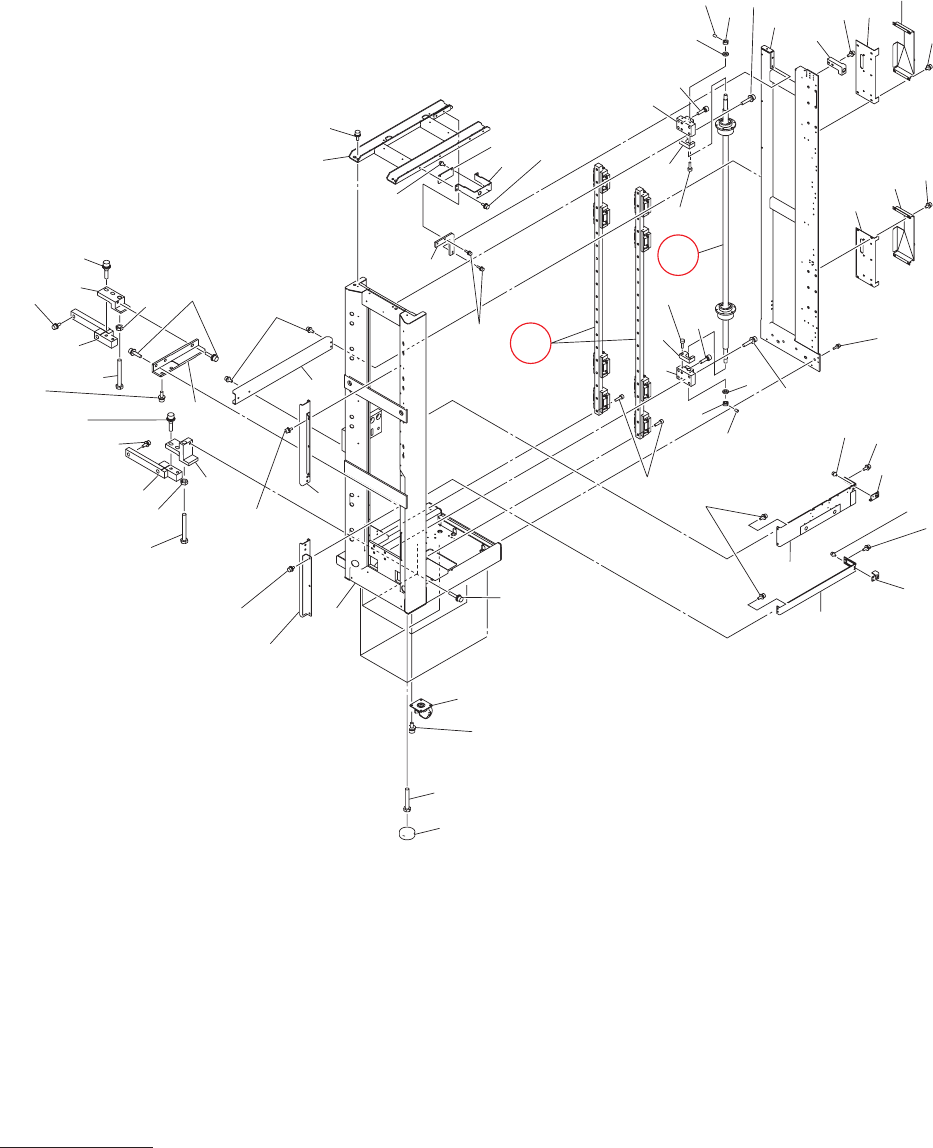
MODEL FP-G10 0R 0801-002 エレベータ部 ELEV A TOR SECTION Fig. ER-1 フレーム部 Frame Section 82 81 . 64 . 80 79 . 62 . 80 79 . 62 . 80 79 . 62 . 74 73 . 54 . 80 79 . 60 . 82 81 . 64 . 74 73 . 53 . 74 73 . 53 . 78 77 . 58 . 80 79 . 6…

MODEL FP-G100R
0801-002
Fig. ER
エレベータ部
ELEVATOR SECTION
ER illust-1

MODEL FP-G100R
0801-002
エレベータ部
ELEVATOR SECTION
Fig. ER-1
フレーム部
Frame Section
82
81
.
64
.
80
79
.
62
.
80
79
.
62
.
80
79
.
62
.
74
73
.
54
.
80
79
.
60
.
82
81
.
64
.
74
73
.
53
.
74
73
.
53
.
78
77
.
58
.
80
79
.
63
.
72
71
.
52
.
76
75
.
56
.
74
73
.
54
.
80
79
.
63
.
74
73
.
54
.
74
73
.
53
.
74
73
.
53
.
76
75
.
56
.
80
79
.
63
.
61
29
66
49
27
26
66
49
28
17
1
16
22
23
21
1
1
25
76
75
.
57
.
4
61
3
12
65
55
5
34
24
35
44
47
47
45
65
12
3
59
55
6
4
33
41
42
46
13
30
43
15
14
74
73
.
54
.
74
73
.
.
74
73
.
54
.
72
71
.
51
.
74
73
.
54
.
72
71
.
51
.
注) Key No.33,34(○印)は重要保守部品となっております。交換方法については高度な
技術を要しますので、当社サービス員にご相談下さい。
Notice) The Key No. 33 and 34 (with a circle) is an important maintenance component.
Because high-grade technique is required for the replacement of this component,
consult our service personnel.
ER-1 illust-1

MODEL FP-G100R
1004-004
Key No. PART No. PART NAME Q’ty REMARKS New Code
NOTE
ER-1
ER-1 list-1
1 6301306377 FRAME 1 806ER-110-001 210B3760
3 6301282022 COLLAR 2 806ER-110-003 216A1155
4 6301291543 BLOCK 2 806ER-110-004 211G3645
5 6301282008 BLOCK 1 806ER-110-005 211G3574
6 6301289649 BLOCK 1 806ER-110-006 211G3636
11 6301292694 BRACKET 1 806ER-110-101 211F8662
12 6301282220 NUT 2 806ER-110-212 221G0174
13 6301345406 BRACKET 1 806ER-110-103 211F9440
14 6301291710 BRACKET 1 806ER-110-104 211F8653
15 6301345420 COVER 1 806ER-110-105 211A9500
16 6301474892 BRACKET 1 806ER-110-016 211FB072
17 6301474885 BRACKET 1 806ER-110-017 211FB071
21 6301293691 BRACKET 1 806ER-110-021 211F8676
22 6301283463 BRACKET 1 806ER-110-022 211F8528
23 6301309989 FRAME 1 806ER-110-023 210B3774
24 6301310138 FRAME 1 806ER-110-024 210B3776
25 6301283982 BRACKET 1 806ER-110-025 211F8535
26 6301296944 BLOCK 1 806ER-110-125 211G3677
27 6301296951 BLOCK 1 806ER-110-126 211G3678
28 6301296968 BLOCK 1 806ER-110-127 211G3679
29 6301296975 BLOCK 1 806ER-110-128 211G3680
30 6301296982 BLOCK 1 806ER-110-129 211G3681
33 6301297842 GUIDE,LINEAR 2 806ER-110-203 222L0720
34 6301363455 BALL SCREW 1 806ER-110-204 223B0366
35 6301294087 BRACKET 1 806ER-110-035 211F8687
41 6301264486 CASTER 4 806ER-110-221 226E0055
42 6300008869 BOLT,HEX 4 806ER-110-222 221B0031
43 6301285214 BRACKET 1 806ER-110-043 211F8564
44 6301310015 COVER 1 806ER-110-044 211A9123
45 6301310022 COVER 1 806ER-110-045 211A9124
46 6300289749 FOOT PAD 6 806ER-110-223 218D0002
47 6301309958 COVER 2 806ER-110-047 211A9122
49 6300008876 BOLT,HEX 2 806ER-110-249 221B0032
51 6300007503 BOLT,HEX-SCT 4 M3X6 221A0005
52 6300007510 BOLT,HEX-SCT 2 M3X8 221A0006
53 6300007619 BOLT,HEX-SCT 14 M4X8 221A0016
54 6300007626 BOLT,HEX-SCT 15 M4X10 221A0017
55 6300007633 BOLT,HEX-SCT 4 M4X12 221A0018
56 6300007756 BOLT,HEX-SCT 4 M5X12 221A0030
57 6300007763 BOLT,HEX-SCT 8 M5X16 221A0031
58 6300007879 BOLT,HEX-SCT 16 M6X12 221A0042
59 6300007893 BOLT,HEX-SCT 40 M6X20 221A0044
60 6300008012 BOLT,HEX-SCT 2 M8X20 221A0056
61 6300008029 BOLT,HEX-SCT 4 M8X25 221A0057
62 6300008036 BOLT,HEX-SCT 7 M8X30 221A0058
63 6300008043 BOLT,HEX-SCT 9 M8X35 221A0059
64 6300008159 BOLT,HEX-SCT 4 M10X40 221A0070
65 6300008883 SET SCREW 4 M3X4 SET 221C0001
66 4111411502 NUT HEX 16 2 M16 221F0095
71 4111412806 WASHER SPR 3 6 SW3 221H0281