CX-1-Rev10PDFA - 第121页
- 11 6 - RE F.N O N O T E PA RT NO D E S C R I P T I O N 品 名 Qt y 1 PF-0154 010-A0 AIR F I LT ER エアフィルター 1 2 PJ-304125 4- 01 ELBOW U N I ON D =1 2 エルボユニオン φ 12 2 3 BT-1200 801-EF T UB E チューブ 1.3 4 PJ-304120 0- 01 ELBOW D…

- 115 -
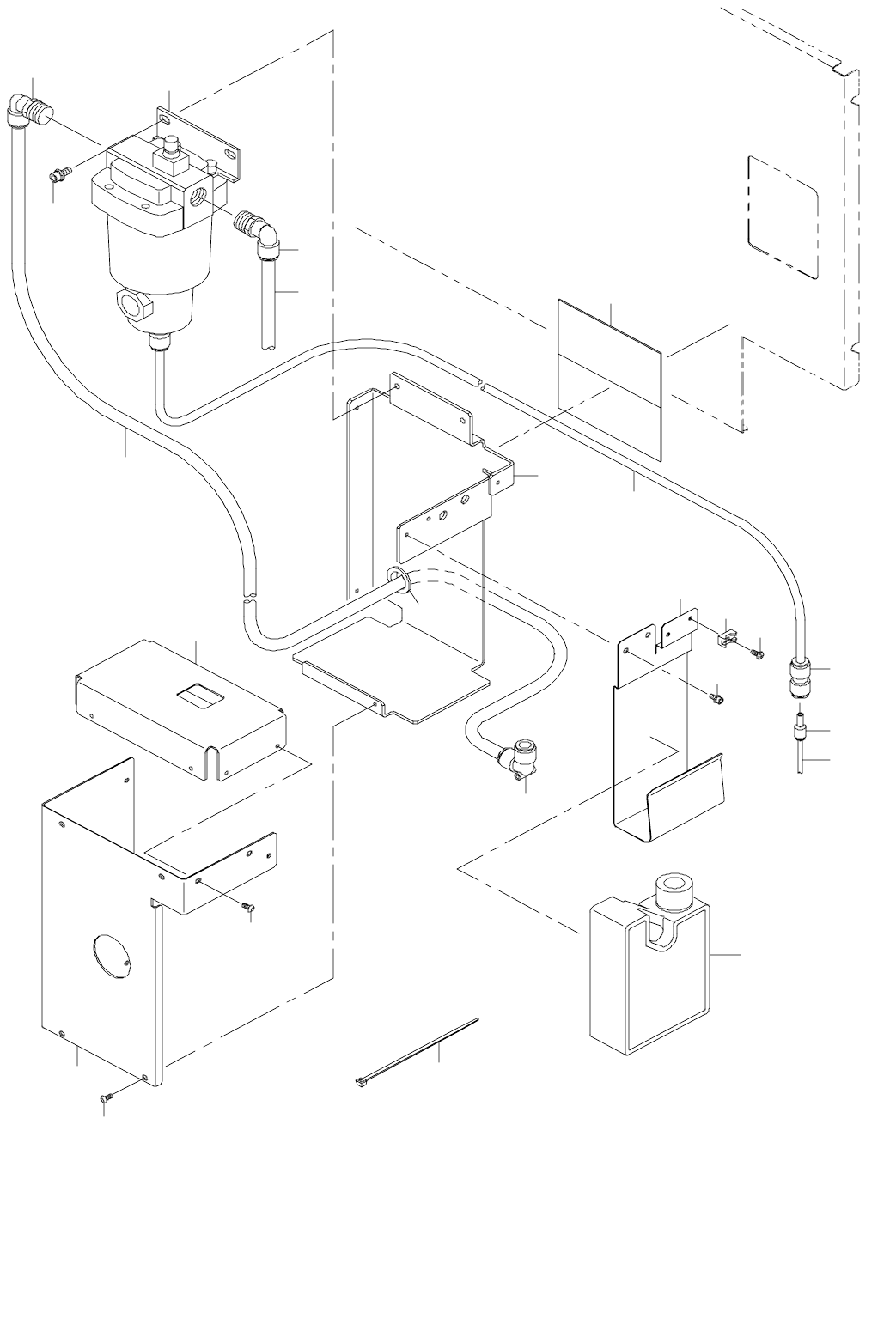
59.MAIN LINE FILTER COMPONENTS
メインラインフィルタ関係
2
2
1
15
14
10
16
17
23
22
21
20
5
7
8
13
11
9
3
4
6
18
19
12

- 116 -
REF.NO NOTE PART NO D E S C R I P T I O N
品 名
Qty
1 PF-0154010-A0 AIR FILTER
エアフィルター
1
2 PJ-3041254-01 ELBOW UNION D=12
エルボユニオン φ 12
2
3 BT-1200801-EF TUBE
チューブ
1.3
4 PJ-3041200-01 ELBOW D=12
エルボφ12
1
5 BT-1200801-EF TUBE
チューブ
1.3
6 BT-1000651-EB POLYURETHANE TUBE
ポリウレタン チューブ
0.7
7 PJ-3031000-02 STRAGHT
ストレート
1
8 PJ-3090400-03 STRAGHT
レジュ−サ(φ 4− φ 10)
1
9 BT-0400251-EA TUBE HOSE, BLUE
ウレタンホース 青
0.16
10 SL-6061692-TN BOLT
座金付き六角穴ボルト
2
11 400-31183 FILTER BRACKET
フィルタブラケット
1
12 HX-0005500-0J RUBBER BUSHING
ゴムブッシュ
1
13 E1387-700-000 HOD MAGNET
HOD マグネット
2
14 400-17146 DRAIN TANK STAY B
ドレインタンクステイ B
1
15 SL-6040892-TN BOLT
座金付き六角穴ボルト
2
16 HX-0029400-00 FIXED BASE
固定ベース
1
17 SM-4040601-SC SCREW M4X0.7 L=6
なべ小ねじ M 4 X 0.7 L =6
1
18 EA-9500B01-00 CABLE BAND
束線バンド
1
19 400-01632 DRAIN TANK
ドレインタンク
1
20 400-31184 FILTER COVER U
フィルターカバー U
1
21 SM-3040652-TN SCREW M4 L=6
丸ねじ M 4 L =6
6
22 400-31185 FILTER COVER B
フィルターカバー B
1
23 SM-3040652-TN SCREW M4 L=6
丸ねじ M 4 L =6
4

- 117 -
60.FLUXER SUPPLY DEVICE COMPONENTS
フラクサ供給装置関係
63
46
53
51
47
52
49
50
48
45
37
34
33
38
42
36
43
43
43
43
54
55
40
59
60
61
62
58
56
38
35
38
41
39
44
12
22
29
27
15
22
18
17
18
21
20
19
14
23
13
9
28
10
21
4
5
2
6
3
1
24
16
32
7
8
25
25
26
23
23
57
30
11
30
31