CX-1-Rev10PDFA - 第145页
- 14 0 - N OT E ( 注記 ) # 01 ....OPT ION AL PART S オプション部品 REF .NO N O TE PART NO D E S C R I P T I O N 品 名 Q ty 1 40 0-0 2198 OP PO WER CABLE ASM OP 電源ケーブル組 1 2 40 0-0 2197 RS2 32 C CABLE ASM RS 232 C ケーブル組 1 3 40 0-0 22…

- 139 -
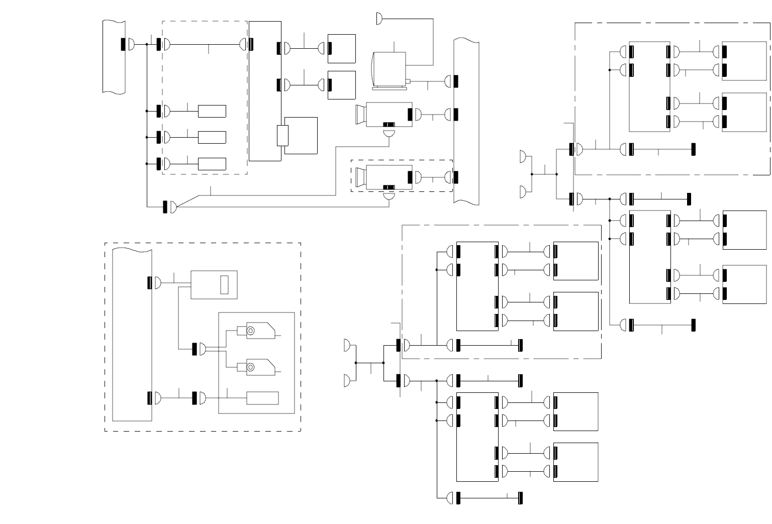
71.SYSTEM DIAGRAM (OPERATION UNIT/CPU)
SYSTEM DIAGRAM(OPERATION UNIT / CPU)
1- 2B
7 -4B
R S23 2C
RS2 32C
REAR LCD
VI DEO
1-5B
OUT 2
7-3 B
V IDEO
FRONT LCD
1- 3C
OUT 1
PANEL-LINK
DISTRIBUTOR
PAN EL
LIN K
IN
M OUSE
KB
CN7 20
CN2 0
E X KB /MS PC
KB 2
KEY BOARD
(R EAR)
TRACK BALL
MS 2
MS1
TRACK BALL
(FR ONT)
KEYBOARD/
MOUSE
SWITCH
KEY BOARD
KB1
D C12 V
7-5 A
FRONT LCD
FDD PWR
FD D
FDD
FD D I/ F
CD RO M
HDD
COPY
HDD
COVER
PRINTER
CN 13
LPT
CPU
HDD I/F
COM1
POWER UNIT
1-1C
ACCE SSO RY
RS- 232 C
(2/2)
UPS
C N05 5
CTRL
-PWR
PCB
COVER
HARD DISK
ACCESS LAMP
7- 1A
CN2
CN 6
CN 7
FEEDER
SW(R)
COVER
OPEN
SW(R)
EMG SW_RR
C N74 2
CN7 46
OPTION(NON STOP OPERATION)
OPERATION
PCB.
CN 741
CN1
CN 703
CN7
OPTION(NON STOP OPERATION)
CN 719
C N19
CN 718
CN 18
HOD
BOX
CN0 2
C N71 1
C N11CN 54
L S4- 2
CN1
CN7 01
CN 2
FG-T AP
FRON T
OP E-E 1
KEY
CHANGE
SW
START SW
STOP SW
SERVO FREE SW
CYCLE SW
CTRL-PWR
CONNECTOR
PANEL
OPERATION
PCB.
SW(R)
CN 715
C N15
CN5
ON LINE SW
ORIGIN SW
START SW
STOP SW
SERVO FREE SW
CYCLE SW
C N705
EMG S W_ F R
COVER
OPEN
SW(F)
I/O CONTROL
PCB.
5- 3C
7-3 B
5- 1D
6- 2B
SW 2
SW 1
SW 6
SW 5
S W10
SW 9
SW 6
SW 5
SW 10
SW9
CN 6
L S4- 6
FEEDER
SW(F)
1
23
8
9
5
7
611
14
16 17
15
18
7
12
6
19
21
20
22
23
25 26
30
CN5
OPTION(REAR MONITOR)
10
CN3
CN 710
CN 10
RS232
CHANGE
PCB ASM
RS-C N5
7 -5B
C HG-4 P
CHG -4P- A
CHG
4P- B
R S-C N5
OPTION(REAR MONITOR)
K B/M OUSE
OPTION(REAR MONITOR)
CN 745
9
KEY
CHAN G E
SW
CPU COM2
NO TE1
OPTION
(REAR MONITOR)
OPTION
(TOUCH PANEL WITH REAR MONITOR)
OPTION(TOUCH PANEL)
KEYBOARD/
MOUSE
SWITCH
RS 2
RS 1
RS -PC
R S-A
R S-A
RS -CN2
RS-B
EXT2
CN3
CN4
CN2
CN2
RS232C
CHANGE
PCB ASM
13
31 4
24
40027815
TOUCH PANEL
TOUCH PANEL
WITH REAR MONITOR)
CONNECTION POINT
FROM TO
CPU COM2 F LCD RS232C
CPU COM2 RS-A
NOTE1
27
29 28
7-2D
10 -5B
11 -5A
7-1 C
11 -1C
10 -2C
9- 2B
11- 3C
11- 3B

- 140 -
NOTE( 注記 ) #01....OPTIONAL PARTS オプション部品
REF.NO NOTE PART NO D E S C R I P T I O N
品 名
Qty
1 400-02198 OP POWER CABLE ASM
OP 電源ケーブル組
1
2 400-02197 RS232C CABLE ASM
RS 232 C ケーブル組
1
3 400-02203 OP S P CABLE ASM
OP S / P ケーブル組
1
4 400-26414 ADD OP RS232C CABLE 2 ASM
ADD RS 232 C ケーブル2組
1
5 400-02205 F EMG SWITCH CABLE ASM
F EMG スイッチケーブル組
1
6 400-02252 FEEDER SWITCH CABLE ASM
フィーダスイッチケーブル組
1
7 400-02254 COVER OPEN SWITCH CABLE ASM
カバーオープンスイッチケーブル組
1
8 E9649-729-000 HOD ASM.
HOD 組
1
9 400-02251 OPRATION ON SW CABLE ASM
オペレーションオン SW ケーブル組
1
10 400-02207 OP FG CABLE ASM
OPFG ケーブル組
1
11 400-02204 R OP SWITCH CABLE ASM
R OP スイッチケーブル組
1
12 400-02206 R EMG SWITCH CABLE ASM
R EMG スイッチケーブル組
1
13 400-26197 ADD CHANGE BOX CABLE ASM
ADD 切換えケーブル組
1
14 400-02302 KEYBOARD CABLE ASM
キーボードケーブル組
1
15 400-02301 MOUSE CABLE ASM
マウスケーブル組
1
16 400-02304 R KEYBOARD CABLE ASM
リアキーボードケーブル組
1
17 400-02303 R MOUSE CABLE ASM
リアマウスケーブル組
1
18 400-03282 MOUSE KEYBOARD SELECTOR
マウス/キーボード切換え器ケーブル組
1
19 400-02325 HDD ACCESS LAMP ASM
HDD アクセスランプ組
1
20 400-02201 FDD MONITOR POWER CABLE ASM
FDD / MONITOR 電源ケーブル組
1
21 400-02200 CD HDD I F CABLE ASM
CD − HDD I / F ケーブル組
1
22 400-02321 FDD I F CABLE ASM
FDDI / F ケーブル組
1
23 400-02311 PRINTER I F CABLE ASM
プリンタ I / F ケーブル組
1
24 400-27815 F-232C CABLE ASM
F −232 C ケーブル組
1
25 400-28017 PANEL LINK F CABLE ASM
パネルリンク F ケーブル
1
26 400-28018 PANEL LINK R CABLE ASM
パネルリンク R ケーブル
1
27 400-25580 3.3K RESISTOR CABLE ASM
3.3 K 抵抗束線組
1
28 400-02263 OP 232C CABLE(R)ASM
リアパネル232 C ケーブル組
1
29 400-02260 F 232C CABLE ASM
F 232 C ケーブル組
1
30
#01
400-03297 PANEL LINK RELAY CABLE ASM
パネルリンク中継ケーブル
1
31 400-26196 ADD OP RS232C CABLE ASM
ADD RS 232 C ケーブル組
1

- 141 -
72.SYSTEM DIAGRAM (VCS/FEEDER/CVS)
SYSTEM DIAGRAM(VCS / FEEDER / CVS)
4- 3D
1 -3C
OLD-TYPE
OVERALL
REPLACEMANT
TABLE R
OLD-TYPE
OVERALL
REPLACEMANT
TABLE F
1 -3C
COVER
CN1 0
CN02
CN03 CN04
FEEDER
BANK PCB
(RL)
FEEDER
I/F PCB
(R)
CN 661
CN 662
CN1
CN2
FEEDER
BANK PCB
(RR)
CN649
IC FUL L
IC FULL
CN649
FEEDER
BANK PCB
(RR)
CN7 60CN 669 -2
CN9
CN 670 -2
CN 10
CN7 61
CN1 0-2
CN 9-2
CN7 51
CN 10
CN 670 -1
CN1 0-1
CN9CN9 -1
CN 669 -1
CN 2
CN 1
CN7 50
C N66 2
C N66 1
FEEDER
I/F PCB
(R)
FEEDER
BANK PCB
(RL)
CN507 CN11
OPTION(OLD-TYPE OVERALL REPLACEMANT TABLE R)
CN1 1CN 507
FEEDER
BANK PCB
(FL)
FEEDER
I/F PCB
(F)
FEEDER
BANK PCB
(FR)
CN 649
IC FULL
IC FULL
CN 649
FEEDER
BANK PCB
(FR)
OPTION(OLD-TYPE OVERALL REPLACEMANT TABLE F)
FEED E R
I/F P CB
(F)
FEEDER
BANK PCB
(FL)
C N04
CN0 1
CN0 0
C N10
COVER
OPTION(CVS)
J3
P/ J04 2
P/ J04 3
J1
STATION
VERIFY PROVE
VERFY CHUCK S.V.
(-)
(+)
VERFY
I/F
OPTION
(HIGH RESOLUTION CAMERA)
CN 2
CN 1
1- 1D
PWR
CN4 7
3
SIDE
LIGHT
UNIT
CN 491
VCS C HA NG E SV
C N47 6
VCS SENSOR_OP
C N47 5
C N47 4
VCS SENSOR_ST
CN 2
1-5 B
4-3 C
COAXIAL
LIGHT
PCB
CN 481
BACK
LIGHT
PCB
BOTTOM
LIGHT
PCB
CN4 7
2
CN 471
CN 709
CN 47 0
LIGHT
CTRL
PCB
IN
VCS(OCS)
MONITOR
IP-X 3
PCB
LS 2-2
CN 3
LS 5- 3
CN9
CN 10
CN9
CN 10
CN7 51
CN7 50
CN7 60
CN7 61
CN 670 -1
CN 669 -1
CN 669 -2
CN 670 -2
CN1 0-1
CN9 -1
CN1 0-2
CN 9-2
CN1
CN2
C N66 1
C N66 2
C N66 1
C N66 2
CN2
CN1
CN9 -1
CN1 0-1
CN1 0-1
CN9 -1
CN 10- 2
CN 9-2
CN 10- 2
CN 9-2
C N67 0-1
C N66 9-1
C N67 0-2
C N66 9-2
CN 75 0
CN 75 1
CN7 50
CN7 51
CN 76 0
CN 76 1
CN7 61
CN7 60
CN6 70- 2
CN6 69- 2
CN6 70- 1
CN6 69- 1
CN9
CN 10
CN 10
CN9
CN9
C N10
C N10
CN9
345
89
11
12
45
38 10
39
44
40
41
42 43
37
36
34
3533
14
15 21
27
2625
24
23
22
16
20
19
18
17
28
29
30
31 32
2
1
VCS CAMERA
HIGH RESO-
LUTION
VCS CAMERA
HIGH RESO-
LUTION
LS 5- 1
LS 5- 2
13 7
CX VCS PWR
CX OP V PWR
OPTION(HIGH RESOLUTION CAMERA)
CN4 77
6
1 0-1 B
13 -3C