EXCEN_Feeder_TRM(Ver3.5_CS16.31) - 第17页
Page HANWHA TECHWIN 5 EXCEN EXCEN Feeder 4mm NO. P ART NO. P ART NAME Q'TY Old No. Stock Apply Reference 2 AM03- 001569B INDEX MOTOR ASSY V8 1 3 MC19 -000514A GEAR SHAFT SCREW 1 4 J70653745A SECOND PINION 08 1 5 J70…

Page
HANWHA TECHWIN
4
EXCEN
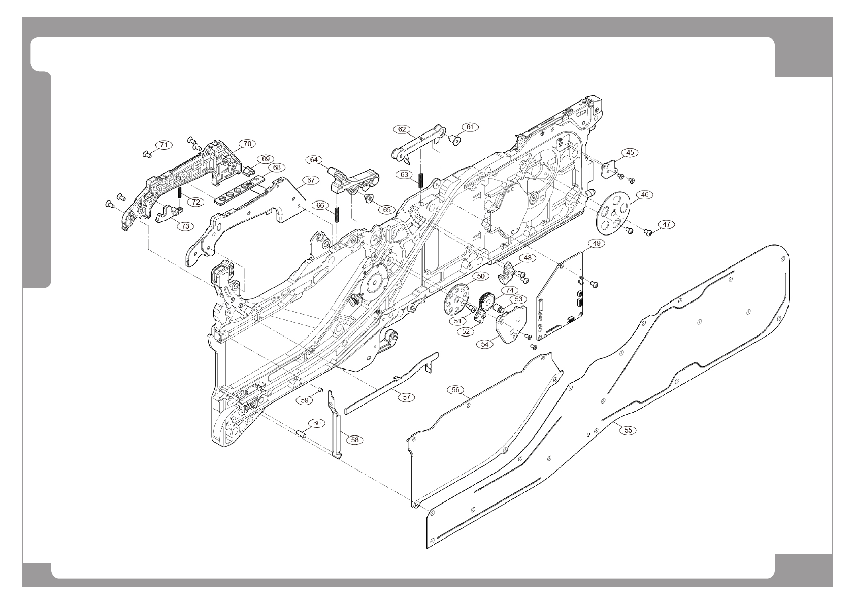
EXCEN Feeder 4mm (2/2)

Page
HANWHA TECHWIN
5
EXCEN
EXCEN Feeder 4mm
NO. PART NO. PART NAME Q'TY Old No. Stock Apply Reference
2 AM03-001569B INDEX MOTOR ASSY V8 1
3 MC19-000514A GEAR SHAFT SCREW 1
4 J70653745A SECOND PINION 08 1
5 J70661204A LOCKER SPG SHAFT 2
6 FC38-000026C SPRING,ETC-TAPE GUIDE REAR SPRING 1
7 AM03-012712A TAPE GUIDE V W4P1 ASSY 1
8 J70652830A FLANGED SHAFT 1
9 MC19-000661A SHAFT-PICKUP BLOCK SHAFT W4P1 1
10 FC07-000293C BLOCK-T-GUIDE F BLOCK 1
11 FC38-000025C SPRING,ETC-TAPE GUIDE FRONT SPRING;pw-2 1
12 FC09-000864D BRACKET-TAPE GUIDE P COVER 1
13 J7066047A FLAT HEAD CAP SCREW H4.4 35
14 MC19-000102B V LOC ECCENTRIC PIN 2
15 FC07-001219B BLOCK-PICKUP BLOCK EXCEN 4W1P 1 FC07-001219A
16 FC18-902841 SOCKET SET SCREW [M3*4 (BL/ZN)] 3
17 AM03-000618A MAIN CONNECTOR HARNESS ASSY V8 1
18 FC18-901892 BUTTON_HEAD_CAP_SCREW M2.5*6 (SUS) 4
19 AM03-012713A SPROCKET V W4P1 ASSY 1
20 MC19-000384A SPROCKET SHAFT 1
21 FC18-000694 TRUSS HEAD SRCREW M3L5 2
22 MC19-000492A FIRST METAL BEARING 1
23 AM03-010170A MOTOR GEAR SHAFT1 ASSY 1
24 J70653699A MOTOR COVER M 08 1
25 FC18-000693 FLAT HEAD CAP SCREW 3
26 FC09-000866A INSTALL GUIDE 1
27 J90652111A D-GEARTRAIN M 08 ASSY 1

Page
HANWHA TECHWIN
6
EXCEN
EXCEN Feeder 4mm
NO. PART NO. PART NAME Q'TY Old No. Stock Apply Reference
28 FC15-000534B LEFT COVER 1
29 J70653926A PAN CAP SCREW M25L35 7
30 EP08-000052A ,ELECTRIC-DRAIN MOTOR V08 1
31 MC19-000644A CLAMP ROLLER PIN 3
32 MC19-000487A CLAMPING ROLLER 1
33 J70653549A BOTTOM LOC PIN 1
34 FC18-901902 BUTTON HEAD SOCKET SCREW;M3*8 (BL/Zn) 1
35 AM03-000622A CLAMP SWITCH HARNESS ASSY V8 1
36 AM03-001557C CLAMP V ASSY 1
37 MC19-000174A CLAMP LINK SHAFT1 1
38 FC28-000204B CLAMP LINK 1
39 J70652749A VINYL_CUTTER 1
40 FC07-000219B NON SPLICING BLOCK 1
41 MC19-000155A CLAMP LEVER SHAFT 2
42 J70661295A CLAMP-HOOK-SPRING 1
43 J70661257A SPRING HOLDER 1
44 FC24-000011A CLAMP LEVER 1
45 AM03-001565A INDEX_SENSOR_ASSY V8 1
46 AM03-008090A SECOND GEAR M 08 ASSY 1
47 FC18-902805 BUTTON HEAD SOCKET SCREW M3*5 (NI/ZN) 7
48 AM03-000621A DRAIN SENSOR HARNESS ASSY V8 1
49 AM03-017152B ASSY,BOARD-MF MAIN BOARD REV 6.5 V8 1
50 MC11-000965A GEAR-D-STAGE GEAR1 1
51 MC19-002055B SHAFT-D-STAGE GEAR SHAFT 1
52 FC07-000970A DRAIN GEAR FORK-W4P1 1
53 MC19-000660A DRAIN COVER SHAFT-W4P1 1
54 FC07-000971A DRAIN COVER W4P1 1