JM-10-Rev05 - 第65页
- 60 - REF.NO NOTE PA RT NO D E S C R I P T I O N 品 名 Qty 1 401-07844 CONVEYOR EXTENT ION GUIDE AS SY 搬送延長ガイド組 1 2 400-78 518 PWB GUIDE F PWBガイドF (1) 3 400-78 519 PWB GUIDE R PWBガイドR (1) 4 400-78 497 COLLAR A カラーA (2) 5 …

- 59 -
30.CONVEYOR EXTENTION GUIDE & AUXILIARY MEMORY COMPONENTS
搬送延長ガイド・補助記憶装置関係
9
11
10
1
2
6
8
5
7
7
6
3
4
5
12

- 60 -
REF.NO NOTE PART NO D E S C R I P T I O N
品 名
Qty
1 401-07844 CONVEYOR EXTENTION GUIDE ASSY
搬送延長ガイド組
1
2 400-78518 PWB GUIDE F
PWBガイドF
(1)
3 400-78519 PWB GUIDE R
PWBガイドR
(1)
4 400-78497 COLLAR A
カラーA
(2)
5 SL-6041492-TN SCREW
座金付き六角穴ボルト
(4)
6 E2153-727-000 EX PWB GUIDE
EX PWBガイド
(2)
7 SL-6041092-TN SCREW
座金付き六角穴ボルト
(2)
8 401-07830 GUIDE COLLER
ガイドカラー
(2)
9 400-44524 PORTABLE DVD-ROM CD-R/RW DRIVE
ポータブルDVD−ROM CD−R/RWドライブ
1
10 400-83341 OPTION HOLDER ASM
オプションホルダ組
1
11 400-52558 USB MEMORY
USBメモリ
1
12 SL-4041091-SC SCREW M4 L=10
なべ小ねじセムス M4X0.7 L=10
2

- 61 -
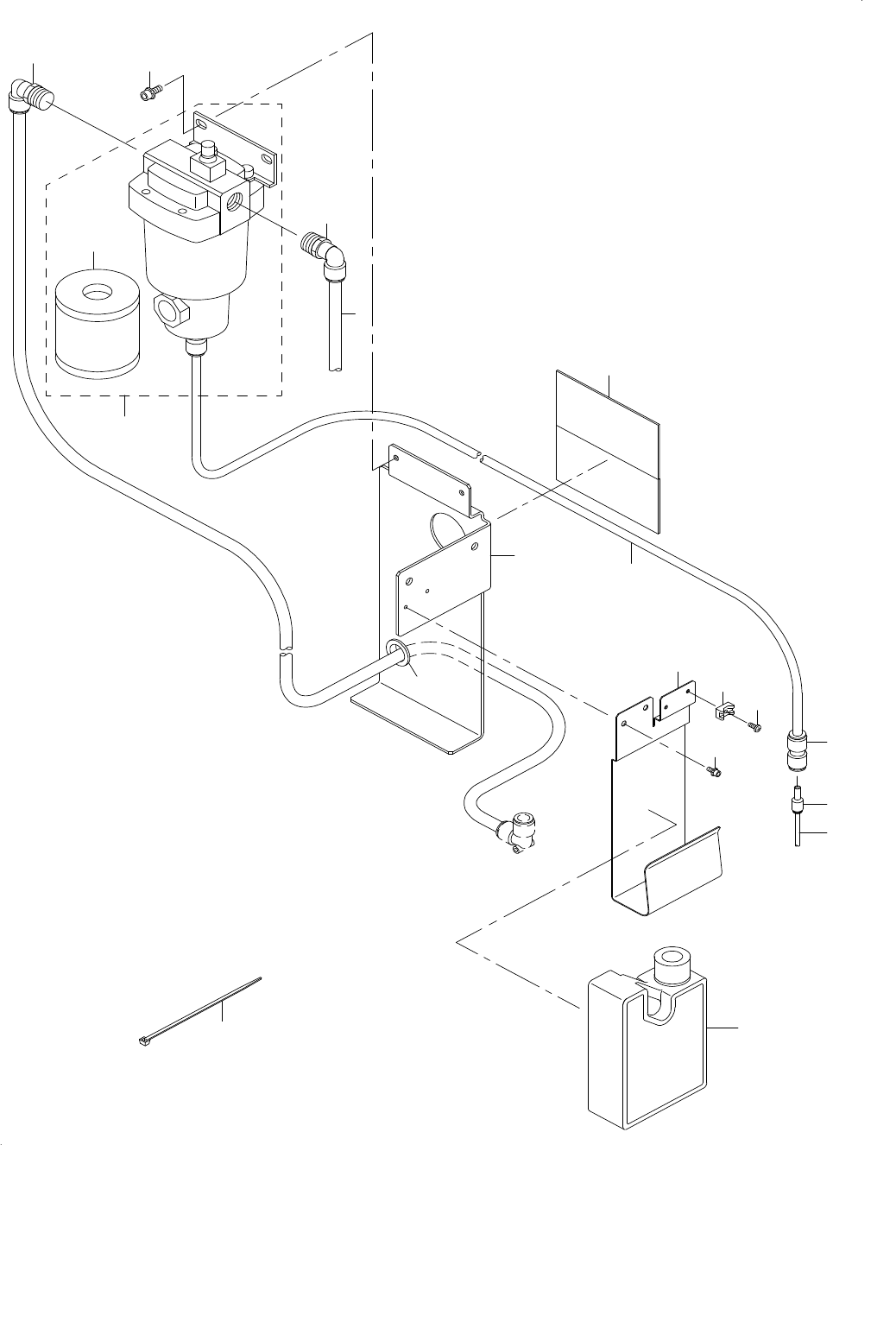
31.MAIN LINE FILTER COMPONENTS
メインラインフィルタ関係
4
15
14
16
17
7
8
13
11
9
3
6
18
5
12
10
2
4
1