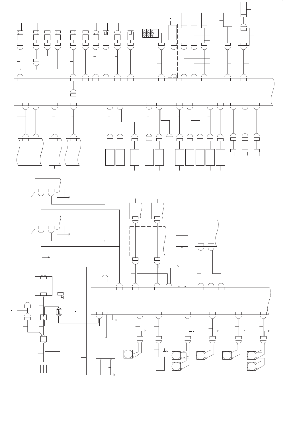
JM-10-Rev05 - 第73页
- 68 - NOTE( 注記 ) #01....FOR EN EN 用 REF.NO NOTE PART NO D E S C R I P T I O N 品 名 Qty 1 400-76778 BREAKER INPUT CABLE ASM ブレーカ入力ケーブル組 1 2 400-76920 POWER ON LAMP RELAY CABLE ASM POWER ON LAMP リレーケーブル組 1 3 401-06608 POWE…

- 67 -
34.SYSTEM DIAGRAM (1)
SYSTEM DIAGRAM(1)
㹁㹌㸳㸱㸵 㹁㹌㸱㸵㹕㸿㹇㹒
㹁㹍㹌㹔㹃㹗㹍㹐
㹕㸿㹇㹒ࠉ
㹑㹃㹌㹑㹍㹐
㹁㹌㸳㸮㸲 㹁㹌 㸲㹍㹓㹒
㹁㹍㹌㹔㹃㹗㹍㹐
㹁㸬㹍㹓㹒ࠉ
㹑㹃㹌㹑㹍㹐
㹁㹌㸳㸮㸴
㹁㹌㸴㸶㸰
㹖㹑㹒㹍㹎㹎㹃㹐
㹑㸬㹔㸬
㹁㹌㸴
㹁㹌㸲㸷㸱
㹁㹌㸵㸯㸴
㹁㹌㸳㸯㸲
㹁㹌㸳㸯㸲
㹁㹗㹁㹊㹃ࠉ㹑㹕
㹁㹌㸲㸲㸲
㹁㹌㸳㸲㸵㹊㹃㹄㹒
㹁㹍㹌㹔㹃㹗㹍㹐
㹊㹃㹄㹒ࠉ
㹑㹃㹌㹑㹍㹐
㹋㸿㹇㹌㹒㹃㹌㸿㹌㹁㹃ࠉ
㹑㹕
㹁㹌㸱㸰㹁㹌㸳㸱㸰
㹁㹌㸲㸳㸯
㹁㹌㸲㸳㸮
㹍㹓㹒
㹇㹌
㹁㹌㸳㸰㸮
㹁㹌㸳㸯㸷
㹑㹋㹃㹋㸿㸦㹐㸧
㹑㹋㹃㹋㸿㸦㹊㸧
㹁㹌㸮㸮㸯
㹎㹍㹕㹃㹐ࠉ㹍㹌ࠉ
㹊㸿㹋㹎
㸱㸫㸯㸿
㹇㹍ࠉ㹋㹇ࠉ㹎㹁㹀㸦㸰㸭㸳㸧
㸰㸫㸲㹂
㸯㸫㸯㹂
㹁㹌㸲㸳㹁㹌㸳㸲㸳
㹁㹌㸮㸯㸵
㹁㹌㸮㸯㸵
㹎㹍㹕㹃㹐ࠉ㹓㹌㹇㹒㸦㸰㸭㸵㸧
㸰㸫㸱㹀
㸰㸫㸱㹀
㸰㸫㸰㸿
㸰㸫㸱㹁
㸯㸫㸱㸿
㸯㸫㸰㹁
㸱㸫㸯㸿
㸰㸫㸱㹀
㸰㸫㸱㸿
㸯㸫㸱㸿
㸿㹒㹁
㹍㹎㹃㹌ࠉ
㹑㹃㹌㹑㹍㹐
㹁㹌㸲㸲㸱
㹁㹌㸲㸲㸰 㹁㹌㸲㸴㹁㹌㸳㸲㸴
㸿㹒㹁
㹁㹊㹍㹑㹃ࠉ
㹑㹃㹌㹑㹍㹐
㹁㹌㸱㸮
㹁㹌㸮㸷㸵
㹁㹌㸮㸱㸱
㸦㹄㸳㹃㸧
㹔㸿㹁㹓㹓㹋
㹎㹓㹋㹎
㹁㹌㸮㸷㸴㹁㹌㸮㸷㸴㹁㹌㸮㸴㸶
㸦㹄㸲㹃㸧
㹁㹌㸮㸮㸴㹁㹌㸮㸮㸴
㹔㸿㹁㹓㹓㹋ࠉ㹎㹓㹋㹎ࠉ㹄㸿㹌
㹄㸿㹌
㹁㹌㸮㸶㸮
㹖㹗ࠉ㹀㹃㸿㹐ࠉ
㹁㸿㹀㹊㹃㸦㸯㸭㸰㸧
㹍㹉㸿㹗㸿
㸱㹑㹓㹎㸫㹆㹏㸰㸮㸫㹃㹐㸴
㹁㸤㹌
㹉㹆㸰㸮㹀ࠉ㹒㸯㸮㸱㸭㸯㸵
㹋㹇㹒㹑㹓㹀㹇㹑㹆㹇
㹌㹔㸱㸰㸫㹑㹔ࠉ㸱㹎ࠉ㸯㸮㸿ࠉ㸱㸮㹫㸿
㹒㹁㹑㸫㸮㸳㹑㹔㸱㸦㹁㹍㹔㹃㹐㸧
㹄㸿㹌
㸦㹄㸯㹃㸧
㹁㹌㸮㸯㸮㹁㹌㸮㸯㸮
㹁㹍㹔㹃㹐ࠉ㹒㹍㹎ࠉ㹄㸿㹌
㹄㸿㹌
㹁㹌㸮㸴㸶
㸦㹐㸱㹃㸧
㹁㹌㸱㸮
㹍㹓㹒
㹇㹍ࠉ㹋㹇ࠉ㹎㹁㹀㸦㸯㸭㸳㸧
㹁㹌㸲
㹁㹌㸳
㹇㹍㸫㹁㹌㸲
㹇㹍㸫㹁㹌㸳
㹁㹌㸮㸰㸵
㹁㹌㸮㸰㸲
㹁㹌㸰㸵
㹁㹌㸰㸲
㸦㹐㸴㹃㸧
㹁㹌㸮㸮㸷㹁㹌㸮㸮㸷
㹀㸿㹑㹃ࠉ㹄㸿㹌ࠉ㹐
㹄㸿㹌
㹁㹌㸮㸴㸵
㸦㹐㸳㹃㸧
㹁㹌㸮㸮㸶㹁㹌㸮㸮㸶
㹀㸿㹑㹃ࠉ㹄㸿㹌ࠉ㹊
㹄㸿㹌
㹁㹌㸮㸴㸴
㸦㹐㸲㹃㸧
㹁㹌㸮㸮㸵㹁㹌㸮㸮㸵
㹁㹍㹌㹒㹐㹍㹊ࠉ㹓㹌㹇㹒ࠉ㹒㹍㹎ࠉ㹄㸿㹌
㹄㸿㹌 㹄㸿㹌
㹁㹌㸮㸴㸲
㹁㹎㹁㹇ࠉ㹀㸿㹁㹉ࠉ㹀㹍㸿㹐㹂
㹒㹀㸰
㹒㹀㸯
㹁㹌㸮㸷㸵
㹁㹌㸮㸱㸰
㹁㹌㸰㸮㸰㹁㹌㸮㸱㸱
㹁㹌㸰㸮㸯
㹘㹒㹀ࠉ㹑㹃㹐㹔㹍ࠉ
㸿㹋㹎㸦㸯㸭㸱㸧
㹋㹐㸫㹋㹂㸯㸮㸮
㹘㹒㹀㹁㹌㹎㸯
㹁㹌㹎㸯
㹘㹒㸿ࠉ㹑㹃㹐㹔㹍ࠉ
㸿㹋㹎㸦㸯㸭㸱㸧
㹋㹐㸫㹋㹂㸯㸮㸮
㹘㹒㸿㹁㹌㹎㸯
㹁㹌㹎㸯
㹁㹌㸮㸱㸰
㹁㹌㸮㸮㸯
㸦㹄㸱㹃㸧
㹃
㹖ࠉ㹑㹃㹐㹔㹍ࠉ
㸿㹋㹎㸦㸯㸭㸰㸧
㹋㹐㸫㹈㸱㸫㸲㸮㹀㸫㹉㹋㸮㸰㸲
㹁㹌㹎㸰
㹁㹌㹎㸯
㸦㹄㸰㹃㸧
㹃
㹗ࠉ㹑㹃㹐㹔㹍ࠉ
㸿㹋㹎㸦㸯㸭㸰㸧
㹋㹐㸫㹈㸱㸫㸰㸮㸮㹀㸫㹐㹈㸮㸰㸲
㹁㹌㹎㸰
㹁㹌㹎㸯
㹁㹌㸮㸷㸷
㹎㹍㹕㹃㹐ࠉ㹓㹌㹇㹒㸦㸯㸭㸵㸧
㸦㹐㸰㹃㸧
㹒㹄㸯
㹄㹅
㸦㹐㸯㹃㸧
㹌㹍㹇㹑㹃ࠉ㹄㹇㹊㹒㹃㹐
㹇㹌
㹋㸿㹇㹌ࠉ㹑㹕
㹌㹄㹀㸯ࠉ㸯㸮㸿
㹊㸱
㹊㸰
㹊㸯
㹒㹀㸯
㹐㹍㹎㹝㹁㹌㸵
㹁㹍㹔㹃㹐ࠉ㹍㹎㹃㹌ࠉ㹑㹕ࠉ㹐㹃㸿㹐
㹁㹌㸳㸯㸯
㹁㹌㸯㸯
㹁㹌㸳㸲㸶 㹁㹌㸲㸶
㹁㹌㸳㸮㸱 㹁㹌 㸱
㹁㹌㸲㸲 㹁㹌㸳㸲㸲
㹁㹌㸱㸷
㹁㹌㸱㸴
㹁㹌㸳㸱㸷
㹁㹌㸳㸱㸴
㹁㹌㸵㸯㸱㹄
㹑㹒㹍㹎ࠉ㹑㹕
㹁㹌㸳㸳㸯
㹁㹌㸳㸯
㹇㹍㸫㹁㹌㸰
㹁㹌㸰
㹁㹌㸴㸶㸯
㹁㹌㸮㸯
㹁㹎㹓ࠉ㹁㹍㹋㸯
㹁㹌㸲㸵
㹁㹌㸲㸷㸯
㹁㹌㸲㸷㸰
㹁㹌㸴㸴㸷
㹁㹌㸰
㹁㹌㸯
㹁㹌㸴㸶㸮
㹁㹌㸳㸲㸷㹁㹌㸲㸷
㹁㹌㸳㸮㸷㹁㹌㸷
㹁㹌㸰㸮
㹁㹌㸲㸱㸴
㹁㹌㸲㸱㸳
㹐㹇㹅㹆㹒
㹑㹒㹍㹎
㹁㹌㸮㸶
㹁㹌㸯㸷
㹁㹌㸱㸲㹁㹌㸳㸱㸲
㹁㹌㸲㸰㹁㹌㸳㸲㸰
㹁㹌㸳㸯㸮
㹁㹌㸯㸮
㹁㹌㸶㸮㸯
㹁㹌㸵㸰㸰
㹄㹍㹎㹝㹁㹌㸵
㹁㹌㸵㸯㸳
㹁㹌㸵㸯㸱㹐
㹁㹌㸵㸯㸰
㹁㹌㸰㸰㹁㹌㸳㸰㸰
㹁㹌㸳㸯㸶
㹁㹌㸯㸶
㹁㹌㸳㸮㸳㹁㹌㸳
㹁㹌㸳㸲㸮
㹁㹌㸲㸮
㹁㹌㸳㸰㹁㹌㸳㸳㸰
㹁㹌㸳㸯㸰
㹁㹌㸯㸰
㹇㹍㸫㹁㹌㸱
㹑㹓㹎㹍㹐㹒ࠉ
㹒㸿㹀㹊㹃
㹂㹍㹕㹌ࠉ㹑㹃㹌㹑㹍㹐
㹑㹓㹎㹍㹐㹒ࠉ
㹒㸿㹀㹊㹃
㹓㹎ࠉ㹑㹃㹌㹑㹍㹐
㹁㹍㹌㹔㹃㹗㹍㹐
㹐㹇㹅㹆㹒ࠉ
㹑㹃㹌㹑㹍㹐
㹁㹍㹌㹔㹃㹗㹍㹐
㹑㹒㹍㹎ࠉ
㹑㹃㹌㹑㹍㹐
㹁㸿㹊㹀㹊㹍㹁㹉ࠉ
㹎㹁㹀ࠉ㸿㹑㹋
㹁㸿㹊ࠉ
㹔㸿㹁㹓㹓㹋
㹑㹃㹌㹑㹍㹐
㹁㸿㹊ࠉ㹑㸬㹔㸬
㹃㹋㹅ࠉ㹑㹕ࠉ㹐㹃㸿㹐
㹁㹍㹔㹃㹐ࠉ㹍㹎㹃㹌ࠉ㹑㹕ࠉ㹄㹐㹍㹌㹒
㹃㹋㹅ࠉ㹑㹕ࠉ㹄㹐㹍㹌㹒
㹑㹒㹍㹎ࠉ㹑㹕ࠉ㹐㹃㸿㹐
㹑㹒㹍㹎ࠉ㹑㹕
㸿㹒㹁ࠉ㹑㸬㹔㸬
㹑㹓㹎㹎㹍㹐㹒
㹒㸿㹀㹊㹃ࠉ㹑㸬㹔㸬
㸿㹇㹐ࠉ
㹎㹐㹃㹑㹑㹓㹐㹃
㹑㹕㹇㹒㹁㹆
㹆㹍㹂ࠉ㹀㹍㹖
㹑㹇㹅㹌㸿㹊ࠉ
㹒㹍㹕㹃㹐
㹁㹎㹓ࠉ㹀㹍㸿㹐㹂㸦㸯㸭㸰㸧
㹁㹍㹋㸯
㹀㸿㹑㹃ࠉ㹎㹁㹀㸦㸯㸭㸱㸧
㹁㹌㸱
㸯
㸰 㸳
㸱 㸲
㸴
㸵
㸶
㸯㸮
㸷
㸯㸯
㸯㸰
㸯㸳
㸯㸱
㸯㸲
㸯㸴
㸱㸱
㸱㸯
㸱㸮
㸰㸳
㸰㸲
㸱㸲
㸱㸳
㸯㸵
㸯㸶
㸰㸮
㸰㸰
㸯㸷
㸰㸯 㸰㸱
㸰㸴
㸰㸶
㸰㸵
㸰㸷
㸱㸰
㸱㸰
㸱㸶
㸳㸵㸳㸳㸳㸲㸳㸰㸳㸮㸲㸶
㸲㸴
㸲㸳㸲㸱㸲㸯
㸳㸷
㸴㸯
㸴㸱
㸱㸴
㸱㸵
㸱㸷 㸲㸮 㸲㸰
㸲㸲
㸲㸵
㸲㸷
㸳㸯
㸳㸱
㸳㸴
㸳㸶 㸴㸮 㸴㸰 㸴㸲
㸴㸳
㸴㸷
㸵㸯
㸵㸱
㸵㸳
㸵㸵
㸴㸴 㸴㸵 㸴㸵 㸵㸮 㸵㸰 㸵㸲 㸵㸴 㸵㸲 㸵㸷
㸶㸯 㸶㸰
㸶㸵
㸶㸮
㸵㸶 㸶㸳
㸶㸱
㸶㸶
㸶㸴
㸶㸲
㸷㸮
㸷㸱
㸷㸰
㸶㸷 㸷㸯
㹋㹁㸯
㹁㹌㸮㸴
㹁㹌㸰㸮 㹁㹌㸰㸮 㹁㹌㸰㸮
㹇㹍㸫㹁㹌㸰㸮
㸯㸮㸯
㸯㸮㸰
㹁㹌㸵㸯㸰㹐
㹑㹒㸿㹐㹒ࠉ㹑㹕ࠉ㹐㹃㸿㹐
㸴㸴㸴㸶
㹍㹐㹇㹅㹇㹌ࠉ㹑㹕
㹁㹌㸵㸯㸲
㹁㹌㸵㸯㸱
㸯㸮㸮
㹁㹌㸮㸰㸷 㹁㹌㸮㸰㸷
㸷㸶
㸷㸲
㸷㸳 㸷㸴
㸷㸵
㸷㸷

- 68 -
NOTE( 注記 ) #01....FOR EN EN 用
REF.NO NOTE PART NO D E S C R I P T I O N
品 名
Qty
1 400-76778 BREAKER INPUT CABLE ASM
ブレーカ入力ケーブル組
1
2 400-76920 POWER ON LAMP RELAY CABLE ASM
POWER ON LAMP リレーケーブル組
1
3 401-06608 POWER LAMP 200V CABLE ASM
POWER LAMP 200V 束線組
1
4 401-06609 POWER LAMP 400V CABLE ASM
POWER LAMP 400V 束線組
1
5 401-07184 BREAKER-OUT CABLE ASM
BREAKER−OUTケーブル組
1
6 401-07185 MAIN SW OUTPUT CABLE ASM
メインスイッチ出力ケーブル組
1
7 400-76781 INPUT UNIT FG CABLE ASM
入力ユニットFGケーブル組
1
8 401-07186 TF1 INPUT CABLE ASM
TF1入力ケーブル組
1
9 401-07371 TRANSFORMER
トランス
1
10 401-07187 TF1 FG CABLE ASM
TF1 FGケーブル組
1
11 400-54705 VAC FAN CABLE ASM
真空ポンプファンケーブル組
1
12 401-07251 VAC PUMP FAN RELAY CABLE ASM
真空ポンプファンリレーケーブル組
1
13 400-99547 VACUUM PUMP ASM
真空ポンプ組
1
14 401-07252 VAC PUMP PWR RELAY CABLE ASM
真空ポンプパワーリレーケーブル組
1
15 401-07253 VAC PUMP FG CABLE ASM
真空ポンプFGケーブル組
1
16 400-76862 CTRL UNIT TOP FAN ASM
CTRLユニットトップファン組
1
17 400-76790 CTRL UNIT TOP FAN RELAY CABLE ASM
CTRLユニットトップファンリレーケーブル組
1
18 400-76863 BASE FAN (L) ASM
ベースファン(L)組
1
19 400-76791 BASE-FAN(L)CABLE ASM
ベースファン(L)ケーブル組
1
20 400-76864 BASE FAN (R) ASM
ベースファン(R)組
1
21 400-76792 BASE-FAN(R)CABLE ASM
ベースファン(R)ケーブル組
1
22 400-76794 COVER TOP FAN ASM
カバートップファン組
1
23 400-76793 COVER TOP FAN RELAY CABLE ASM
カバートップファンリレーケーブル組
1
24 400-76784 XY CTRL PWR CABLE ASM
XY CTRL パワーケーブル組
1
25 400-76785 XY SV PWR CABLE ASM
XY SV パワーケーブル組
1
26 400-44539 SERVO AMP 2000W
Y軸サーボアンプ2000W
1
27 400-76788 Y DRV FG CABLE ASM
Y DRV FGケーブル組
1
28 400-76927 SARVO AMP 400W
サーボアンプ400W
1
29 400-76789 X DRV FG CABLE ASM
X DRV FGケーブル組
1
30 401-07188 ZT PWR RELAY CABLE ASM
ZT パワーリレーケーブル組
1
31 400-76787 XY BEAR CABLES ASM
XY ベアケーブル組
1
32 400-44535 4AXIS SERVO AMP
4軸一体型サーボアンプ
1
33 400-76865 PS-CTRL POWER CABLE ASM
PS−CTRLパワーケーブル組
1
34 400-76866 IO SIGNAL CABLE ASM
IO シグナルケーブル組
1
35 400-76867 POWER MONITOR CABLE ASM
パワーモニタケーブル組
1
36 401-07194 BASE SP CABLE ASM
ベースSPケーブル組
1
37 401-07195 BASE IF CABLE ASM
ベースIFケーブル組
1
38 401-07372 CPU BOARD
CPUボード
1
39 401-07196 COM1 CABLE ASM
COM1ケーブル組
1
40 401-07197 BASE POWER CABLE ASM
ベースパワーケーブル組
1
41 400-45499 AIR PRESSURE METER ASM
エアプレッシャメーター組
1
42 401-07205 AIR PRESSURE CABLE ASM
エアプレッシャケーブル組
1
43 400-76842 ATC OPEN SENS ASM
ATC オープンセンサ組
1
44 401-07214 ATC SENSOR CABLE ASM
ATC センサケーブル組
1
45 400-76843 ATC CLOSE SENS ASM
ATC クローズセンサ組
1
46 401-35828 LR WAIT COUT SENS ASM
LRウェイト C.OUTセンサ組
1
47 401-61752 CONVEYOR LEFT SENSOR CABLE ASM
コンベアレフトセンサケーブル組
1
48 401-61750 CONVEYOR STOP SENSOR ASM
コンベアストップセンサ組
1
49 401-61753 CONVEYOR IN STOP SENSOR CABLE
コンベアインストップセンサケーブル組
1
50 401-35828 LR WAIT COUT SENS ASM
LRウェイト C.OUTセンサ組
1
51 401-61754 CONVEYOR RIGHT SENSOR CABLE AS
コンベアライトセンサケーブル組
1
52 400-76894 SUPPORT TABLE UP SENSOR ASM
サポートテーブルアップセンサ組
1
53 401-07213 SUPPORT TABLE SENSOR CABLE ASM
サポートテーブルセンサケーブル組
1
54 400-76896 SUPPORT TABLE DOWN SENSOR ASM
サポートテーブルダウンセンサ組
1
55 401-61751 CONVEYOR C.OUT SENSOR ASM
コンベア C.OUTセンサ組
1
56 401-61755 CONVEYOR C.OUT SENSOR CABLE AS
コンベア C.OUTセンサケーブル組
1
57 401-35828 LR WAIT COUT SENS ASM
LRウェイト C.OUTセンサ組
1
58 401-61756 CONVEYOR WAIT SENSOR CABLE ASM
コンベアウェイトセンサケーブル組
1
59 400-88096 SMEMA CABLE (L) ASM
スメマケーブル(L)組
1
60 401-07221 SMEMA RELAY CABLE (IN) ASM
スメマリレーケーブル(IN)組
1
61 400-88098 SMEMA CABLE (R) ASM
スメマケーブル(R)組
1
62 401-07222 SMEMA RELAY CABLE (OUT) ASM
スメマリレーケーブル(OUT)組
1
63 401-06703 KEY SW CABLE ASM(EN)
キースイッチケーブル組(EN)
1
64 401-07215 KEY SW CABLE ASM
キースイッチケーブル組
1
65 401-07198 OPERATION F CABLE ASM
オペレーションFケーブル組
1
66 400-76874 START SW ASM
スタートスイッチ組
1
67 400-76875 STOP SW ASM
ストップスイッチ組
1
68 400-76876 ORIGIN SW ASM
原点スイッチ組
1
69 401-07199 CYCLE SW CABLE ASM
サイクルスイッチケーブル組
1
70 401-07200 CYCLE SW ASM
サイクルスイッチ組
1
71 401-07201 F-EMG SWITCH RELAY CABLE ASM
F−EMG スイッチリレーケーブル組
1
72 400-76831 F-EMG SWITCH CABLE ASM
F−EMG スイッチケーブル組
1
73 401-07202 F-COPEN SWITCH RELAY CABLE ASM
F−COPEN スイッチリレーケーブル組
1
74 400-02254 COVER OPEN SW CABLE ASM
カバーオープンスイッチケーブル組
1
75 401-07203 R-EMG SWITCH RELAY CABLE ASM
R−EMG スイッチリレーケーブル組
1
76 400-76834 R-EMG SWITCH CABLE ASM
R−EMG スイッチケーブル組
1
77 401-07204 R-COPEN SWITCH RELAY CABLE ASM
R−COPEN スイッチリレーケーブル組
1
78 401-07254 SIGNAL-LIGHT CABLE ASM
シグナルライトケーブル組
1
79 400-48045 SIGNAL TOWER LIGHT ASM
シグナルタワーライト組
1
80 401-07255 HOD IF CABLE ASM
HOD IF ケーブル組
1
81 E9649-729-000 HOD ASM.
HOD組
1
82
#01
E9662-729-000 HOD (EN)
HOD(EN)
1
83 401-07216 SUPPORT TABLE SV RELAY CABLE ASM
サポートテーブル SVリレーケーブル組
1
84 400-76911 SUPPORT TABLE SV CABLE ASM
サポートテーブル SVケーブル組
1
85 401-07218 ATC SV RELAY CABLE ASM
ATC SVリレーケーブル組
1
86 400-76845 ATC SV CABLE ASM
ATC SVケーブル組
1
87 401-07217 X STOPPER SV RELAY CABLE ASM
X ストッパSVリレーケーブル組
1
88 400-88094 X STOPPER SV CABLE ASM
X ストッパSVケーブル組
1
89 401-07220 CAL-VCUM CABLE ASM
CAL−VCUM ケーブル組
1
90 400-02126 CAL VACUUM SENSOR ASSY
CALバキュームセンサ組
1
91 401-07219 CAL-BLOCK CABLE ASM
CAL−BLOCKケーブル組
1
92 400-07376 CALBLOCK PCB ASM
CALBLOCK基板組
1
93 400-02125 CAL VCUM SV ASM
CAL VCUM SV組
1
94 401-33415 MC1 INPUT CABLE ASM
MC1 入力ケーブル組
1
95 HA-0053000-00 MAGNETIC CONTACTOR
コンタクタ
1
96 HA-0053000-20 MAGNETIC CONTACTOR
端子台カバー
1
97 401-33418 MTS PWR CABLE ASM
MTS電源ケーブル組
1
98 401-33416 MC1- MAIN SW CABLE ASM
MC1メインスイッチケーブル組
1
99 401-33417 MAIN SW OUTPUT CABLE ASM
MC1メインスイッチ出力ケーブル組
1
100 401-33651 STOP RELAY CABLE ASM
ストップリレケーブル組
1
101 401-33653 PAPB RELAY CABLE ASM
PAPBリレケーブル組
1
102 401-33654 R START SW RELAY CABLE ASM
RスタートSWリレケーブル組
1

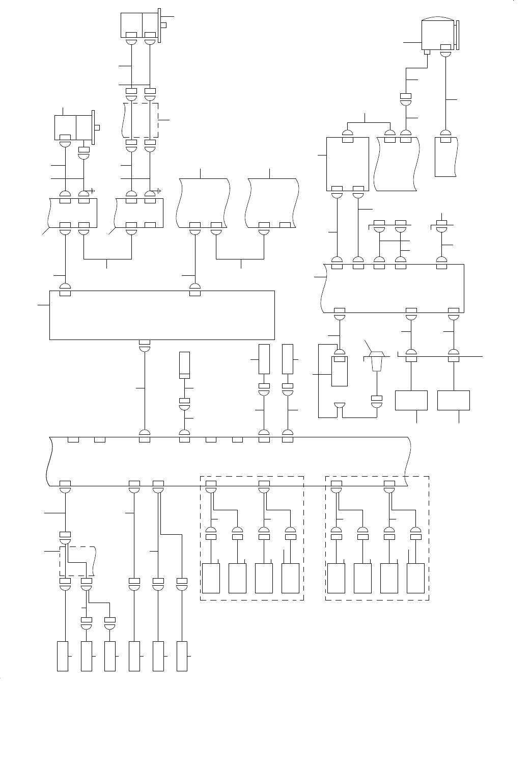
- 69 -
35.SYSTEM DIAGRAM (2)
SYSTEM DIAGRAM(2)
CN516
CN15
CN13
CN682
XSTOPPER
S.V.
CN8
CN31
CN16
REAR FEEDER FLOAT SENSOR OPTION
FRONT FEEDER FLOAT SENSOR OPTION
4-1A
F_BANKCN501CN1
FEEDER
(FRONT)
MONI PWR
COVER
LAN
CN011CN014
POWER UNIT(3/ 7)
1-3A
CPU
BOARD(2/3)
3-1A
3-1A
1-3B
CN724
F LCD RS232C RS232C
L-VOUT(CN4)
CPU-VGA F VIDEO
F-LCD PWR
CV-T/B F T/B F
CV-KB F KB F
HDD-I/F
HDD LAMP
LCD MONITOR
IP-X5 PCB(1/3)
VISION
MONITOR
CN015 CN015
DC12V
COM2
VIDEOVGA
COVER
MOUSE
MOUSE
KEYBOARD
KB
COVER
USB CH2
USB CH1
HDD
ACCESS
LAMP
COVER
HDD
SSD
CH1MCCN1CHCN550
2-1A
2-4A
Y SERVO AMP(2/2)
MR-J3-200B-RJ024
ZTB SERVO AMP(2/3)
MR-MR100
ZTA SERVO AMP(2/3)
MR-MR100
BASE PCB(2/4)
3-3B
1-3B
3-3A
1-3B
1-3A
1-3A
1-4D
R_BANKCN502CN2
FEEDER
(REAR)
CN24
CN23
CN26
CN524
CN523
CN526
CN28CN528
CN432
CN430
CN427
CN425
CN431
CN433
CN426
CN428
FEEDER FLOAT
SENSOR (RR)
(EMISSION)
FEEDER FLOAT
SENSOR (RF)
(RECEVING)
FEEDER FLOAT
SENSOR (RF)
(EMISSION)
FEEDER FLOAT
SENSOR (RR)
(RECEVING)
FEEDER FLOAT
SENSOR (FF)
(EMISSION)
FEEDER FLOAT
SENSOR (FR)
(RECEVING)
FEEDER FLOAT
SENSOR (FR)
(EMISSION)
FEEDER FLOAT
SENSOR (FF)
(RECEVING)
CN131
X NEG LIMIT
SENSOR
CH2
CN130
YCNMTR
YCNENC
XCNMTR
XCNENC
CN166
CN154
CN165
CN152
MRPWS2CBL03M-A1-L-S00
MR-J3JCBL03M-A1-L
X SERVO
MOTOR
HF-KP43-S10
Y SERVO
MOTOR
HC-RP153D-S2
Y BEAR CABLE
ASSY(2/2)
Y BEAR
CABLE(1/2)
MR-J3BUS7M-B
(X DRV E)
XCNP3
XCN2
CNP3
CN2
(Y DRV E)
YCNP3
YCN2
CNP3
CN2
MR-J3BUS015M
MR-J3BUS015M
MR-J3BUS1M
CN1B
CN1A
CN1B
CN1A
CN1B
CN1A
X SERVO AMP(2/2)
MR-J3-40B-KM024
CN1B
CN1A
CH1
POSITION
BOARD
MR-MC121-S0
CN50
CN31CN531
CN30CN530
CN29CN529
CN127
CN143
CN137
CN138
CN133
CN132
YNEAR
SENSOR
Y NEG LIMIT
SENSOR
Y POS LIMIT
SENSOR
XNEAR
SENSOR
X POS LIMIT
SENSOR
46 79111
5
2
3 8
10
12 14 15
17 23
13 16 19 22
24
27
28 28
29
25
26
30
45
49 51
50
52
46
48
47
34
36
38
42
44
33 37
31 39
32
44
32
41
40
43
35
2
56
55
55
53
54
57
58
59
60
63
61
62
2118 20