JM-10-Rev05 - 第76页
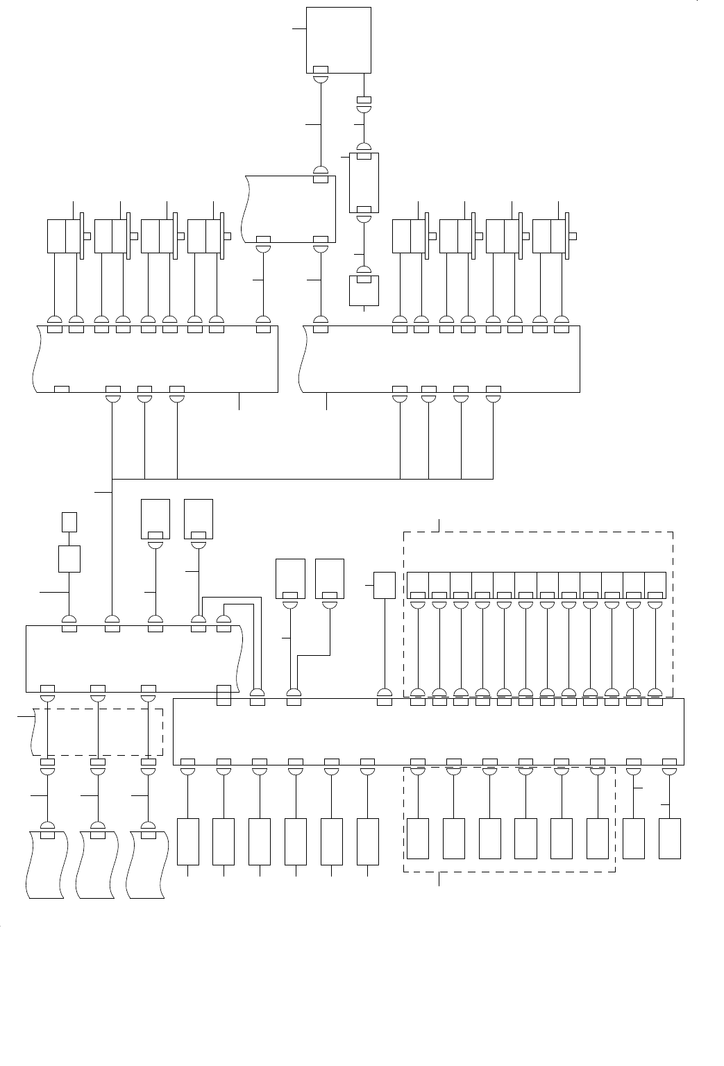
- 71 - 36. SYSTEM DIAGRAM (3) SYSTEM DIAGRA M(3) 4-3C 4-1 B 4-3A HIGHT MEAS URE SENSO R AM P CN12 CN 912 1-2B OCC-C OCC CN2 CN9 02 CN6 CN9 06 OCC C LIGHT PCB OCC CAMERA XC-HR50 2-4D 1-3A 2-4D IO-CN1 OCC-LF CN246 CN478 CN…

- 70 -
REF.NO NOTE PART NO D E S C R I P T I O N
品 名
Qty
1 400-02227 X PLUS LMT SENSOR ASM
X軸プラスリミットセンサ組
1
2 400-76795 Y BEAR CABLE ASM
Y ベアケーブル組
1
3 401-07189 X SENSOR CABLE ASM
X センサケーブル組
1
4 400-02228 X MINUS LMT SENSOR ASM
X軸マイナスリミットセンサ組
1
5 400-76797 X NEG LMT SENSOR RELAY CABLE ASM
X NEGリミットセンサリレーケーブル組
1
6 400-02229 X ORG RANGE SENSOR ASM
X軸原点周囲センサ組
1
7 400-76798 Y POS SENSOR ASM
Y POSセンサ組
1
8 401-07190 Y POS LMT SENSOR CABLE ASM
Y POSリミットセンサケーブル組
1
9 400-76801 Y NEG LMT SENSOR ASM
Y NEGリミットセンサ組
1
10 401-07191 Y NEG LMT SENSOR CABLE ASM
Y NEGリミットセンサケーブル組
1
11 400-76802 Y NEAR SENSOR ASM
Y ニアセンサ組
1
12 401-07225 FD-FLOAT(FF)RECEIVE SENS ASM
FD−FLOAT(FF)受光センサ組
1
13 401-07227 FEEDER FLOAT FL CABLE ASM
フィーダフロートFLケーブル組
1
14 401-07226 FD-FLOAT(FR) SENS ASM
FD−FLOAT(FR)投光センサ組
1
15 401-07228 FD-FLOAT(FR)RECEIVE SENS ASM
FD−FLOAT(FR)受光センサ組
1
16 401-07230 FEEDER FLOAT FR CABLE ASM
フィーダフロートFRケーブル組
1
17 401-07229 FD-FLOAT(FF) SENS ASM
FD−FLOAT(FF)投光センサ組
1
18 401-07231 FD-FLOAT(RR)RECEIVE SENS ASM
FD−FLOAT(RR)受光センサ組
1
19 401-07233 FEEDER FLOAT RR CABLE ASM
フィーダフロートRRケーブル組
1
20 401-07232 FD-FLOAT(RF) SENS ASM
FD−FLOAT(RF)投光センサ組
1
21 401-07234 FD-FLOAT(RF)RECEIVE SENS ASM
FD−FLOAT(RF)受光センサ組
1
22 401-07236 FEEDER FLOAT RL CABLE ASM
フィーダフロートRLケーブル組
1
23 401-07235 FD-FLOAT(RR) SENS ASM
FD−FLOAT(RR)投光センサ組
1
24 401-07192 DI 1CH CABLE ASM
DI 1CH ケーブル組
1
25 401-07217 X STOPPER SV RELAY CABLE ASM
X ストッパSVリレーケーブル組
1
26 400-88094 X STOPPER SV CABLE ASM
X ストッパSV ケーブル組
1
27 401-07223 BANK F CABLE ASM
バンクFケーブル組
1
28 400-63859 DRIVE CYLINDER
ドライブシリンダー
1
29 401-07224 BANK R CABLE ASM
バンクRケーブル組
1
30 400-44540 16AXIS 2CH SERVO CONTROLLER
16軸 2CHポジションボード
1
31 40113685 OPTICAL FIBER CABLE 0.7M
光ファイバケーブル0.7M
1
32 400-44541 OPTICAL FIBER CABLE 0.15M
光ファイバケーブル0.15M
1
33 400-44539 SERVO AMP 2000W
Y軸サーボアンプ2000W
1
34 400-76804 Y ENC CABLE ASM
Y ENC ケーブル組
1
35 400-44537 SERVO MOTOR 1500W
Y軸サーボーモータ1500W
1
36 400-76805 Y MOTOR RELAY CABLE ASM
Y モータリレーケーブル組
1
37 400-76927 SARVO AMP 400W
サーボアンプ400W
1
38 400-76806 X ENC CABLE ASM
X ENC ケーブル組
1
39 40048070 OPTICAL FIBER CABLE 7M
光ファイバケーブル7M
1
40 400-44545 X MOTOR ENCODER CABLE
X軸エンコーダ中継ケーブル
1
41 400-68913 SERVO MOTOR 400W
サーボモーター 400W
1
42 400-76807 X MTR CABLE ASM
X MTR ケーブル組
1
43 400-44546 X MTR PWR CABLE
X MTR パワーケーブル
1
44 400-44535 4AXIS SERVO AMP
4軸一体型サーボアンプ
1
45 400-81261 SOLID STATE DRIVE 4G
SOLID STATEドライブ 4G
1
46 400-47492 HDD I/F CABLE ASM
HDDインターフェイスケーブル組
1
47 401-07372 CPU BOARD
CPUボード
1
48 L835E-221-0A0 HDD ACCESS LAMP ASM
HDD ACCESSランプ組
1
49 400-03318 KEY BOARD SP ASM
キーボードスペーサ追加組
1
50 400-02302 KEYBOARD CABLE ASM
キーボードケーブル組
1
51 400-80173 OPTICAL SCROLL MOUSE
光学式スクロールマウス
1
52 400-02301 MOUSE CABLE ASM
マウスケーブル組
1
53 400-76859 VGA MONITOR CABLE ASM
VGA モニタケーブル組
1
54 400-76868 F-232C CABLE ASM
F−232C ケーブル組
1
55 400-44522 USB RELAY CABLE
USB延長ケーブル
1
56 HW-0018100-80 SHIELDED CABLE
LANケーブル
1
57 HK-0651200-80 MODULAR KAPLA
モジュラーカプラ
1
58 401-06712 LCD MONITER
LCDモニタ
1
59 400-76860 F-LCD PWR CABLE ASM
F−LCDパワーケーブル組
1
60 400-76872 VCS MONITOR PWR RELAY CABLE ASM
VCS モニタパワーリレーケーブル組
1
61 401-06704 VCS MONITOR PWR CABLE ASM
VCSモニター電源ケーブル組
1
62 401-02599 8.4 LCD MONITOR(CE)
8.4 LCDモニタ(CE)
1
63 E9623-721-000 PORTRAIT MONITOR CABLE
画像モニタケーブル
1

- 71 -
36.SYSTEM DIAGRAM (3)
SYSTEM DIAGRAM(3)
4-3C
4-1B
4-3A
HIGHT
MEASURE
SENSOR
AMP
CN12 CN912
1-2B
OCC-C
OCC
CN2 CN902
CN6 CN906
OCC C LIGHT PCB
OCC CAMERA
XC-HR50
2-4D
1-3A
2-4D
IO-CN1
OCC-LF
CN246
CN478
CN245
CN018CN018
POWER UNIT(4/7)
CN1
IO MI PCB(3/5)
OCC-LF(CN5)
IP-X5 PCB(2/3)
2-3B
2-3B
3-2B
3-4B
CN19 CN19
NZL
UP SV
CN8
CN1
CN908
CN901
CN905 CN5
XY BEAR
CABLE(2/2)
CN18 CN18
CN16 CN16
CN32 CN32
CN31 CN31
CN30 CN30
CN29 CN29
CN28 CN28
CN27 CN27
NOZZLE
DOWN
SENSOR R
NOZZLE
DOWN
SENSOR L
Z6 VAC
SENSOR
Z5 VAC
SENSOR
Z4 VAC
SENSOR
Z3 VAC
SENSOR
Z2 VAC
SENSOR
Z1 VAC
SENSOR
CN6 CN6
CN13 CN13
CN5 CN5
CN12
CN12
CN4
CN4
CN11 CN11
CN3 CN3
CN10 CN10
CN2 CN2
CN9 CN9
CN1 CN1
CN8 CN8
Z6 BLW SV
Z6 VAC SV
Z5 BLW SV
Z5 VAC SV
Z4 BLW SV
Z4 VAC SV
Z3 BLW SV
Z3 VAC SV
Z2 BLW SV
Z2 VAC SV
Z1 BLW SV
Z1 VAC SV
CN916
CN915
CN917 LNC60-CN1ZTB-CN5
ZTA-CN5
LNC60
LNC60
CH2CH1
IEEE1394a REPEATER
CH1
IEEE1394a
BOARD
CN1CN17
HEAD MAIN PCB(2/2)
CN16
CN15
CN5
CN5
Z6 NEAR
SENSOR
Z5 NEAR
SENSOR
Z4 NEAR
SENSOR
Z3 NEAR
SENSOR
Z2 NEAR
SENSOR
Z1 NEAR
SENSOR
80P
CN34 CN21
CN25CN25
CN24CN24
CN23CN23
CN22CN22
CN21CN21
CN20CN20
E2S-W23 OMRON
E2S-W23 OMRON
E2S-W23 OMRON
E2S-W23 OMRON
E2S-W23 OMRON
E2S-W23 OMRON
HEAD RELAY PCB
T2 MOTOR
HC-BH0336LW4-S1
Z6 MOTOR
HC-BH0336LW4-S1
Z5 MOTOR
HC-BH0336LW4-S1
Z4 MOTOR
HC-BH0336LW4-S1
Z3 MOTOR
HC-BH0336LW4-S1
Z2 MOTOR
HC-BH0336LW4-S1
Z1 MOTOR
HC-BH0336LW4-S1
T1 MOTOR
HC-BH0336LW4-S1
ZTB SERVO
AMP(3/3)MR-MD100
ZTA SERVO
AMP(3/3)MR-MD100
CNP2D
CN2D
CNP2C
CN2C
CNP2B
CN2B
CNP2A
CN2A
CN4DZTB-CN4D
CN4CZTB-CN4C
CN4BZTB-CN4B
CN4AZTB-CN4A
CNP2D
CN2D
CNP2C
CN2C
CNP2B
CN2B
CNP2A
CN2A
CN4DZTA-CN4D
CN4CZTA-CN4C
CN4BZTA-CN4B
CN913CN13
HEAD MAIN PCB(1/2)
CN4AZTA-CN4A
4
1 2 3
9 10 11 12 13 14
17
18
19
5
6
7
8
15
17
20 20
21 21 21 21
22 23
26
27
21 21 21 21
28
24 29
25
CN11 CN911
CN35 CN35
CN36 CN36
16
OCC A LIGHT PCB(STANDARD)
OCC-A1
OCC A LIGHT PCB(SOLDER REC)
OCC-A2

- 72 -
REF.NO NOTE PART NO D E S C R I P T I O N
品 名
Qty
1 400-76818 OCC CAMERA CABLE ASM
OCCカメラケーブル組
1
2 400-76819 HEAD SP CABLE ASM
ヘッドSPケーブル組
1
3 401-07193 HEAD MAIN PWR CABLE ASM
ヘッドメインパワーケーブル組
1
4 400-76787 XY BEAR CABLES ASM
XYベアケーブル組
1
5 401-16294 HIGHT SENSOR ASM
HIGHT センサ組
1
6 400-76814 Z NEAR DI CABLE ASM
Z ニアDIケーブル組
1
7 400-76821 OCC CABLE ASM
OCCケーブル組
1
8 400-95225 OCC C LIGHT CABLE ASM
OCC Cライトケーブル組
1
9 400-76808 Z1 NEAR SENSOR ASM
Z1 ニアセンサ組
1
10 400-76809 Z2 NEAR SENSOR ASM
Z2 ニアセンサ組
1
11 400-76810 Z3 NEAR SENSOR ASM
Z3 ニアセンサ組
1
12 400-76811 Z4 NEAR SENSOR ASM
Z4 ニアセンサ組
1
13 400-76812 Z5 NEAR SENSOR ASM
Z5 ニアセンサ組
1
14 400-76813 Z6 NEAR SENSOR ASM
Z6 ニアセンサ組
1
15 400-76883 NOZZLE UP SV ASM
ノズルアップSV組
1
16 400-95224 OCC A LIGHT CABLE ASM
OCC Aライトケーブル組
1
17 400-76882 VACUUM VALVE CABLE ASM
バキュームバルブケーブル組
1
18 400-76823 NOZZLE DOWN SENSOR L ASM
ノズルダウンセンサL組
1
19 400-76824 NOZZLE DOWN SENSOR R ASM
ノズルダウンセンサR組
1
20 400-44535 4AXIS SERVO AMP
4軸一体型サーボアンプ
1
21 400-44534 SERVO MOTOR 30W
サーボモータ30W
1
22 400-76815 T1 ENC CABLE ASM
T1 ENC ケーブル組
1
23 400-76816 T2 ENC CABLE ASM
T2 ENC ケーブル組
1
24 400-76817 LNC60 I/F CABLE ASM
LNC60 I/Fケーブル組
1
25 400-45547 LNC60
LNC60
1
26 401-50021 IEEE1394 BOARD
IEEE1394ボード
1
27 400-44516 1394 RELAY CABLE ASM
1394中継ケーブル組
1
28 400-48078 IEEE1394 REPEATER BOARD
IEEE1394リピータボード
1
29 400-44517 1394 ROBOT CABLE ASM
1394ロボットケーブル組
1