JM-10-Rev05 - 第89页
- 84 - REF.NO NOTE PART NO D E S C R I P T I O N 品 名 Qty 1 401-0726 0 R3E CABLE ASM R3E ケーブル組 1 2 401-07265 TB2-815 CA BLE ASM TB2−815 ケーブル組 1 3 401-07264 TB2-613 CA BLE ASM TB2−613 ケーブル組 1 4 401-07271 PS6CN1 CABLE ASM P…

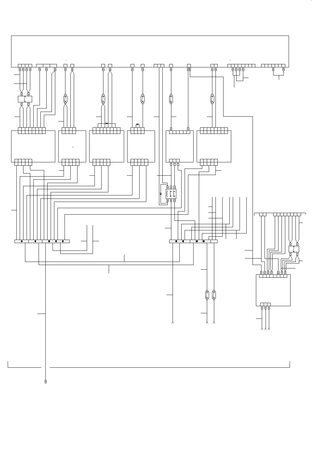
- 83 -
42.SYSTEM DIAGRAM (POWER-UNIT EN 2/2)
SYSTEM DIAGRAM(POWER − UNIT EN 2/2)
+24VM
+24VM
+24VM
+24VM
4
3
2
1
FUJI CP51BS/025
CP15 25A
+24VMRTN
+24VMRTN
+24VMRTN
+24VMRTN
8
7
6
5
ACL1(E)
ACN1(E)
002:2D
002:2D
002:2D
PS8-FG
+24VMRTN
(VOLTAGE CHECK)
(MI POWER)
+24VM
CN095
2
1
CN094
+V
+V
-V
-V
-V
+V
-V
+V
002:3B PS 8 - FG
002:3C ACL1(E)
002:3C ACL1(E)
PS
8
24V
600W
COSEL ADA600F-24
N
FG
L
P&B W28XQ1A-12CP4 12A
P&B W28XQ1A-12CP3 12A
001:2B
001:2B
ACL1(A)
ACN1(A)
IDEC NRW10-3A
CP12 3A
-V
-V
+V
+V
+V
+V
-V
-V
88
77
1
2
3
5
4
6
1
2
3
5
4
6
PS
3
24V
100W
COSEL LCA100S-24Y
CN2CN1
5
4
2
3
1
FG5
N.C.4
N.C.
AC(N)
AC(L)
2
3
1
002:3C ACL1(C)
(SAFETY UNIT POWER)
+24VSRTN
+24VS
TB6
2
4
+24VRTN7
-12VRTN
+12VRTN5
6
GND(A)
GND(A)3
4
GND(A)
GND(B)
TB2
1
2
+24V
-12V7
8
+12V
+5VR5
6
+5VR
+5V3
4
+5V
+3
3V
TB1
1
2
88
77
5
6
5
6
1
2
3
4
1
2
3
4
COSEL LCA100S-5Y
PS
2
+5V
100W
5
4
2
3
1
-V
-V
-V
-V
+V
+V
+V
+V
CN2
CN1
FG5
N.C.4
N.C.
AC(N)
AC(L)
2
3
1
001:2B
ACL1(B)
D5
POWER-PCB(2/2)
POWER-UNIT INSIDE
R3-E
001:2D
PS6-FG
001:2D
ACN1(D)
001:2D
ACL1(D)
TB2(2/3)
TB2(3/3)
001:2B
ACN1(B)
002:2C
ACL1(C)
6
2
8
4
10
11
10
9
8
7
6
5
19
18
17
16
15
14
13
12
G7L-2A-BUBJ(12V)
RL5
+24VON121
+12VRTN2
N.C.
CN034
3
+24VRTN
+24V
IDEC NRW10-15A
CP11 15A
COSEL LCA 50S-12Y
-12VRTN
-12V
IDEC NRW10-3A
CP10 3A
IDEC NRW10-8A
CP9 8A
+12VRTN
+12V
-V
-V
+V
+V
+V
+V
-V
-V
88
77
1
2
3
5
4
6
1
2
3
5
4
6
GND
GND
GND
+5V
+5V
+5V
+5V
COSEL LCA50S-3
FUJI CP51BS/020
CP6 20A
IDEC NRW10-3A
CP7 3A
GND
+3
3V
TB3
8
TB4
7
TB3
TB4
6
7
TB4
5
TB3
6
TB4
3
4
2
TB3
TB3
TB4
1
1
5
4
2
3
-V 1
-V 2
PS
1
24V
300W
COSEL LDA300W-24
-V
+V
+V
TB2
+V
3
5
4
6
TB1
AC(N)
FG
AC(L)
2
3
1
PS
4
12V
50W
+V
+V
-V
CN2
-V
2
4
1
3
2
4
1
3
CN1
5
4
2
3
1
FG5
N.C.4
N.C.
AC(N)
AC(L)
2
3
1
PS
7
12V
100W
COSEL LCA100S-12Y
CN2CN1
5
4
2
3
1
FG5
N.C.4
N.C.
AC(N)
AC(L)
2
3
1
PS
5
3
3V
30W
+V
+V
-V
CN2
-V
3
1
4
2
3
1
4
2
CN1
FG5
N.C.4
N.C.
AC(N)
AC(L)
2
3
1
5
4
2
3
1
1
2
3
4
5
16
22
21
5
30
31
29
28
27
45
16
23
24
17
6
7
8 9 18
25
10
11
12
13
14 15 20 19 26
34
33
32

- 84 -
REF.NO NOTE PART NO D E S C R I P T I O N
品 名
Qty
1 401-07260 R3E CABLE ASM
R3E ケーブル組
1
2 401-07265 TB2-815 CABLE ASM
TB2−815 ケーブル組
1
3 401-07264 TB2-613 CABLE ASM
TB2−613 ケーブル組
1
4 401-07271 PS6CN1 CABLE ASM
PS6CN1 ケーブル組
1
5 401-16315 PS8 IN CABLE ASM
PS8 インケーブル組
1
6 400-45333 PS2-CN1 CABLE ASM
PS2−CN1 ケーブル組
1
7 400-45334 PS5-CN1 CABLE ASM
PS5−CN1 ケーブル組
1
8 400-45335 PS7-CN1 CABLE ASM
PS7−CN1 ケーブル組
1
9 400-45336 PS4-CN1 CABLE ASM
PS4−CN1 ケーブル組
1
10 401-07261 PS2-CN2 CABLE ASM
PS2−CN2 ケーブル組
1
11 400-45342 CP6-TB3 CABLE ASM
CP6−TB3 ケーブル組
1
12 400-45368 CP6OUTPUT2 CABLE ASM
CP6OUTPUT2 ケーブル組
1
13 400-45344 PS5-CP7 CABLE ASM
PS5−CP7 ケーブル組
1
14 400-45346 PS7-CP9 CABLE ASM
PS7−CP9 ケーブル組
1
15 400-45348 PS4-CP10 CABLE ASM
PS4−CP10 ケーブル組
1
16 401-07277 TB2-115 CABLE ASM
TB2−115 ケーブル組
1
17 400-45337 RL5-PS1 CABLE ASM
RL5−PS1 ケーブル組
1
18 400-45354 RL5-PS1 CABLE ASM
RL5−PS1 ケーブル組
1
19 400-45350 PS1-CP11 CABLE ASM
PS1−CP11 ケーブル組
1
20 400-45352 CN034 CABLE ASM
CN034 ケーブル組
1
21 401-07275 CP3/4 IN CABLE ASM
CP3/4 インケーブル組
1
22 401-07276 CP3/4 OUT CABLE ASM
CP3/4 アウトケーブル組
1
23 401-07278 TB2-111 CABLE ASM
TB2−111 ケーブル組
1
24 400-45357 TB2-103 CABLE ASM
TB2−103 ケーブル組
1
25 400-45362 PS3-CN1 CABLE ASM
PS3−CN1 ケーブル組
1
26 400-45363 PS3-CN2 CABLE ASM
PS3−CN2 ケーブル組
1
27 401-16317 24VM RTN CABLE ASM
24VM RTN ケーブル組
1
28 401-16316 24VM CHK CABLE ASM
24VM CHK ケーブル組
1
29 401-16318 CP15 IN CABLE 1 ASM
CP15 インケーブル1組
1
30 401-16319 CP15 IN CABLE 2 ASM
CP15 インケーブル2組
1
31 401-16320 CP15 OUT CABLE ASM
CP15 アウトケーブル組
1
32 400-25578 5V SHORT CABLE 1 ASM
5Vショート束線1組
1
33 400-25579 5V SHORT CABLE 2 ASM
5Vショート束線2組
1
34 400-76777 TB2 CABLE ASM
TB2 ケーブル組
1

- 85 -
43.SYSTEM DIAGRAM (SAFETY-UNIT EN)
SYSTEM DIAGRAM(SAFETY − UNIT EN)
CN933
22
11
CN932
22
11
2
1
POWER UNIT
AC100V(N) 2
CN004
AC100V(L) 1
4
3
2
1
4
3
2
1
BASE PCB
COVER
BASE PCB
10
9
8
7
6
4
5
3
2
1
10
9
24
12
23
11
CN01
24
12
23
11
4
3
2
1
CN21CN521
4
3
2
1
CN518
24
23
22
21
CN931
CN929
22
11
CN930
22
11
CN44 CN544
CN39
CN32
CN35
CN43CN543 ROP_CN7
6
5
4
3
2
1
6
5
4
3
2
1
4
2
3
1
FOP_CN7
CN493
CN539
CN532
6
6
55
44
33
22
11
44
33
22
11
(TF1-200/T)
TB2-5
TB2-4
TB2-2
(TF1-200/S)
(TF1-200/R)
TB2-10
TB2-8
TB2-6
CP2-N
CP2-L
4
3
2
1
4
3
2
1
T18
T14
K11
POWER UNIT
HOD_EMG
22
11
CN18
24
23
22
21
R_EMG
22
12
21
11
F_EMG
22
12
21
11
CN928
22
11
COVER OPEN SW(R)
66
55
44
33
22
11
COVER OPEN SW(F)
MAINTENANCE KEY
66
55
44
33
22
11
44
33
22
11
4
2
3
1
8
7
6
4
5
3
2
1
CN535
P80
P79
P78
P77
P76
P75
P74
T12
JJ
T6
CBJA
0
1
K13
BACT22
J
T21BAC
0
1
K12
T11
CBA
CBA
66
55
CN912
44
33
22
11
CN910
44
33
22
11
T5
66
55
CN911
44
33
22
11
J
CBA
P21
P20
P19
3334
K12
3334
K13
4344
K12
4443
K13
P72
T4
P10
P10
P11
P73
P72
P71
P70
P68
P35
P33
P29
P11
P11
P10
3433
K9
CN909
44
33
22
11
CN904
44
22
33
11
CN903
CN902
44
33
22
11
4443
K9
10
5
9
4
8
3
7
2
6
1
10
5
9
4
8
3
7
2
6
1
J
0
1
K10
0
1
K8
B
T10
AC
D
C
J
T24
T15
A
B
44
43
K8
34
33
K8
T23
D
A
J
C
B
J
B
A
C
B
P50
P36
P37
P38
P39
P40 P41
P42
P43
P44
P45
P46
P47
P48
P49
P51
P52
P53P54
P55
P56
P57
P58
P59
P60
P61 P 62
P63
P64
P65
P66
P67
P69
CN906
2
1
2
1
(from MAIN TR ANSFORMER)
POWER UNIT
T26
T25
CN907
2
1
2
1
CN908
2
1
2
1
A
B
C
A
B
C
D
D
CN905
2
1
2
1
K5
34
K5
12
K4
43
K4
21
K2
56
K2
34
K2
12
TF1-34/0
TF1-34
K1
65
K1
43
K1
21
K3
43
K3
21
SAFETY RELAY
P34
P32
P31
P30
P28P27P26P25P23P24
J
0
1
K9
AB
C
34
33
K11
23
24
T9
CBJA
A1
A2
K4
A1
A2
K5
J
K7
43
44
44
43
K6
T8
CJ
A1
A2
K3
A
A1
A2
K2
CB
A
B
A1
A2
K1
K7
23
24
24
23
K6
P22
K1
3231
K2
3132
T20
ABC
T19
CAB
34
33
K7
34
33
K6
44
43
K11
2122
K5
22
21
K4
31
32
K3
P07
P09
P08
BA
42342414
41
332313
K2 K1
T32T31
Control
Circuit
a
K2
T22
a
K1
K1
T12
43
44
K10
CBA
T11T21
TH
SA
T3
CBAJ
P18
P17
P16
P15
P14
AB
23
24
K8
B
T17
C
23
24
K9
34
33
K10
A
T16C
P13
P120
1
K11
T4
A
P06
P05
P04
P03
P02
P01
0
1
K7
T2
JC
0
1
K6
JC
T13
CBA
14
13
K1
-
A2
+
A1
T7
T1
JC
BA
8
7
6
5
4
3
2
1
CN901
8
7
6
5
4
3
2
1
4
3
2
1
POWER UNIT
CARRY SV ON1
SERVO ON1
POWER MONITOR(-)
CN023
POWER MONITOR(+)
+24VRTN 4
+24VRTN 3
+24V 2
CN022
+24V 1
1
2
4
5
7
6
8
3
16
17
18
19
20 21 21
9
10
12
11
15
14
13
22