2RGKBM008102 - 第24页
2 2 0 1 2 2 0 2 2 2 0 3 2 2 0 4 2 2 0 5 2 2 0 6 2 2 0 7 2 2 0 8 2 2 0 9 2 2 1 0 2 2 1 1 2 2 1 2 2 2 1 3 2 2 1 4 2 2 1 5 2 2 1 6 2 2 1 7 2 2 1 8 2 2 1 9 2 2 2 0 2 2 2 1 2 2 2 2 2 2 2 3 2 2 2 4 2 2 2 5 2 2 2 6 2 2 2 7 2 2 …

2101
2102
2103
2104
2105
2106
2107
2108
2109
2110
2111
2112
2113
2114
2115
2116
2117
2118
2119
2120
2121
2122
2123
2124
2125
2126
2127
2128
2129
NAME PAGE
23
21
TITLE TYPE
AHC-R1
DRAWING No.
M1
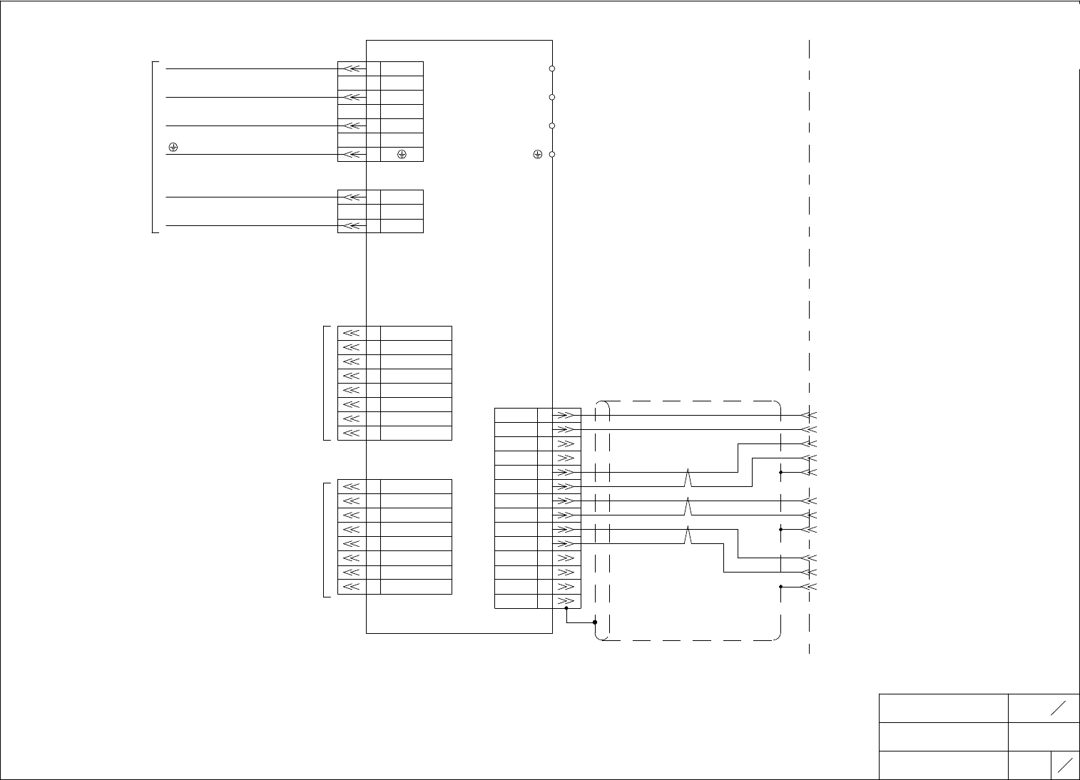
電気回路線図
CIRCUIT DIAGRAM
制御回路(サーボ)
CONTROL CIRCUIT(SERVO)
FUJI SECRET
2RGKBM003704
サーボBOX
(M1SA1)
SERVO BOX
J2
R12
A1 L1 U
S12
A2 L2 V
T12
B1 L3 W
電源 AC200V
POWER SOURCE AC200V
B2
J1
S11
1 L1C
T11
2 L2C
CN3A OUT
(M1PCB2)
CN3B IN
ヘッドユニット
Head Unit
PG1
CN-H2
1
B8
8
B9
3
A8
10
A9
2
A10
9
4
11
6
13
5
A5
12
A6
7
A7
14
B5
B6
B7
SERVO PCB IN
(M1PCB2)
SERVO PCB OUT
1 CONN_TD0+
2 CONN_TD0-
3 CONN_RD0+
4
5
6 CONN_RD0-
7
8
1 CONN_RD1+
2 CONN_RD1-
3 CONN_TD1+
4
5
6 CONN_TD1-
7
8
PG5V_3
GND
PG5V_4
GND
PS_3
/PS_3
PS_4
/PS_4
PS_5
/PS_5
PG5V_5
GND

2201
2202
2203
2204
2205
2206
2207
2208
2209
2210
2211
2212
2213
2214
2215
2216
2217
2218
2219
2220
2221
2222
2223
2224
2225
2226
2227
2228
2229
NAME PAGE
23
22
TITLE TYPE
AHC-R1
DRAWING No.
M1
電気回路線図
CIRCUIT DIAGRAM
制御回路(サーボ)
CONTROL CIRCUIT(SERVO)
FUJI SECRET
2RGKBM003704
ヘッドユニット
Head Unit
サーボBOX
SERVO BOX
M1 CN-H1
13U0
U_3 4 B5
13V0
V_3 10 B6
13W0
W_3 9 A5
FG_3 3 A6
M1 CN-H1
13U2
U_5 2 B3
13V2
V_5 8 B4
13W2
W_5 7 A3
FG_5 1 A4
M1 CN-H1
13U1
U_4 11 B1
13V1
V_4 12 B2
13W1
W_4 6 A1
FG_4 5 A2
(M1SA1)
ヘッドユニット
HEAD UNIT
サーボBOX
SERVO BOX
(M1SA1)
M2 CN-H5
U_6
U_6 1 B1
V_6
V_6 2 B2
W_6
W_6 3 A1
FG
FG 4 A2
PG2 CN-H4
PG5V
PG5V_6 1 1
GND
GND 2 2
- 3 3
- 4 4
PS_6
PS_6 5 5
/PS_6
/PS_6 6 6
CASE CASE
M3
U_7 1
V_7 2
W_7 3
FG 4
未使用
UNUSED
PG3
PG5V_7 1
GND 2
- 3
- 4
PS_7 5
/PS_7 6

2301
2302
2303
2304
2305
2306
2307
2308
2309
2310
2311
2312
2313
2314
2315
2316
2317
2318
2319
2320
2321
2322
2323
2324
2325
2326
2327
2328
2329
NAME PAGE
23
23
TITLE TYPE
AHC-R1
DRAWING No.
M1
電気回路線図
CIRCUIT DIAGRAM
制御回路(ヘッドI/F)
CONTROL CIRCUIT(HEAD I/F)
FUJI SECRET
2RGKBM003704
M141
(M1LS2X)
SQ1X/1
(M1CR11X)
63 64
320
KA11X/M1
TB1
TB1
TB1
TB1
CN-H3
CPU BOX
A1
Cu-NET
B1
A2
A3
B3
G
A4
B4
B2
A5
B5
A6
B6
A7
A8
A9
B7
B8
B9
A10
B10
ヘッドユニット
Head Unit
(M1PCB1)
ヘッドステッピングモータ動作指示
レバー戻り確認センサー(原点位置)
ヘッド機能基板
PCB in the Head
CN-A
NC
1
FG
2
CT+
3
CT-
4
(FG)
5
24V
6
24V
7
GND
8
GND
9
0BIT
22
SA
10
GND(SA用) (FOR SA)
11
1-B_LED
12
1-R_LED
13
1-COM
14
2-B_LED
15
2-R_LED
16
2-COM
17
5V
18
GND
19
485+
20
485-
21
NC
23
SHIELD
24B3
A3
B4
A4
CN-H2
A1
A2
B1
B2
1
2
ヘッド接続確認
Head Connect Check
X003
+24V1
+24V
HEAD STEPPING MOTOR MOVEMENT DIRECTIVE
LEVER RECOVERY SENSOR(ORIGIN)