2RGKBM008102 - 第40页
NAME T I T L E DRAWING No. 設定表 SETTING TABLE 2 RG KB M0 04 60 2 SENSOR A/D,485/232 CONVERTOR 流量センサ A/D 485/232変換器 TYPE AHC 1 1 FUJI SECRET M 1 A D 1 M 1 C O V 1 M 1 A D 1 設 定 M 1 C O V 1 設 定 設 定 項 目 設 定 値 設定時 表示 通信 速度 通信…

10 1
10 2
10 3
10 4
10 5
10 6
10 7
10 8
10 9
11 0
11 1
11 2
11 3
11 4
115
116
117
118
119
120
121
122
123
124
125
126
127
128
129
NAME PAGE
2
1
TITLE TYPE
AHC-01
DRAWING No.
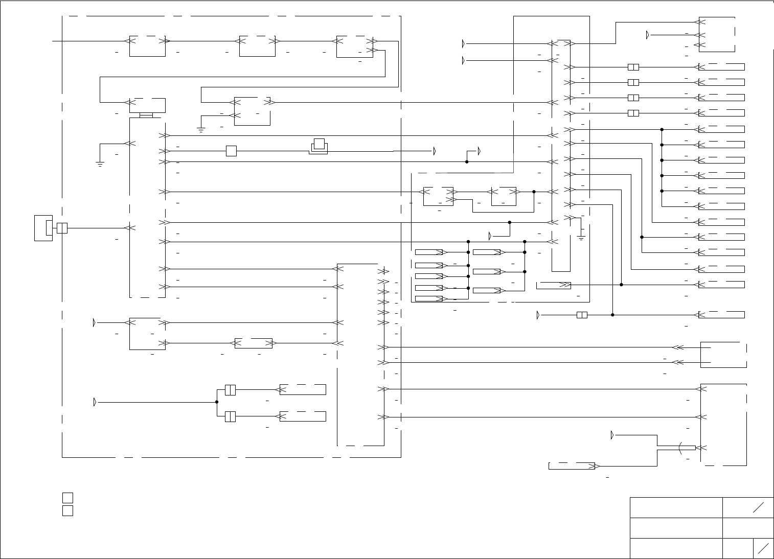
接続図
CONNECTION DIAGRAM
総合接続図
INTEGRATED CONNECTION DIAGRAM
FUJI SECRET
2RGKBM008400
2EGKBA0043**
RH32080
2EGKBA0032**
2EGKBA0034** 2EGKBA0035**
2EGKBA0036**
2EGKBA0046**
2EGKBA0405** 2AGKBM0011**
2EGKBA0129**
2EGKBA0406** 2AGKBM0012**
2EGKBA0136**
2EGKBA0407** 2AGKBM0014**
2EGKBA0137**
2EGKBA0408** 2AGKBM0015**
2EGKBA0072**
2EGKBA0131**
2EGKBA0073**
RH32080
2EGKBA0074**
2EGKBA0083**
2AGKBM0013**
2EGKBA0133** 2EGKBA0075**
2EGKBA0051**
2EGKBA0453**
2EGKBA0460**
2EGKBA0049**
2EGKBA0132**
2EGKBA0134**
2EGKBA0135**
2EGKBA0036** 2EGKBA0040**
2EGKBA0037**
2EGKBA0041**
2EGKBA0450**
2EGKBA0449**
2EGKBA0057**
2EGKBA0053**
2EGKBA0046**
2EGKBA0056**
2EGKBA0130**
2EGKBA0460**
2EGKBA0130**
DC-IO
DFP-IN
M1NFB1
IN
M1NFB1
OUT
M1NF1
IN
M1NF1
OUT
TB2 TB2
TB1
TB1
DEVICE IN
TB2
TB1
TB1
M1LS1
TB1
TB1
M1LS2
TB1
M1LS3
M1REC2 M1REC1
M1REC1
TB1
TB1
M1LS4
M1REC1
TB1
M1SOL3
I/O TB1
POWER
TB1
M1SOL4
PANEL LINK
TB1
M1SOL5
CUNET1
TB1
M1SOL6
TB1
M1SOL8
UART 5~8 TB1
TB1
M1SOL9
TB1
M1SOL1
DI/O2 TB1
LAN1
M1LS1X
DI/O1 TB1
M1SOL10
OUT
IN
M1SOL7
PGY
MY
M1LS3X
IN
OUT
PGX2
MX2
PGX1
M1SOL11
J1
MX1
J2
M2
CN-H5
CN-H4
PG2
M1
CN-H1
M1FAN1
M1FAN2
PG1
CN-H2
CN-H3
ADDRESS
124
2EGKBA0460**
ADDRESS
121
2EGKBA0460**
ADDRESS
115
RH32080
ADDRESS
119
RH32080
ADDRESS
128
2EGKBA0130**
ADDRESS
119
2EGKBA0130**
ADDRESS
110
2EGKBA0036**
ADDRESS
115
2EGKBA0036**
ADDRESS
116
2EGKBA0046**
ADDRESS
113
2EGKBA0046**
操作盤
OPERATION BOX
メインブレーカ
(M1NFB1)
ノイズフィルター
(M1NF1) 端子台_(TB2)
端子台(TB1)
流量センサ_(M1LS1)
圧力センサ_(M1LS2)
埃回収箱退避位置_(M1LS3)
電源(M1REC1)
CPUBOX電源
(M1REC2)
埃回収箱開始位置_(M1LS4)
CPUBOX
(M1PCB1)
吸引ブロー_(M1SOL3)
洗浄切替エアー_(M1SOL4)
洗浄切替オイル_(M1SOL5)
検査指示_(M1SOL6)
A/D変換
(M1AD1)
RS485/232C
(M1COV1)
埃回収箱運転_(M1SOL8)
埃回収箱運転_(M1SOL9)
経路切替 洗浄_(M1SOL1)
カバー閉確認_(M1LS1X)
カバーロック_(M1SOL10)
サーボアンプBOX
(M1SA1)
流量校正_(M1SOL7)
下カバー閉じ確認_(M1LS3X)
下カバー閉じ確認_(M1CR7X)
洗浄前エアー(M1SOL11)
サーボアンプ制御電源
(M1MS1X)
サーボアンプ動力電源
(M1MS2X)
ヘッド(DX時のみ接続)
ヘッド(H04、H08、
H12、V12、他12種)
右面冷却ファン_(M1FAN1)
左側面冷却ファン_(M1FAN2)
ヘッド接続確認確認_(M1LS2X)
下カバー閉じ確認_(M1LS3X)
経路切替洗浄_(M1CR1)
運転準備OK_(M1CR4X)
マスターON_(M1CR5X)
カバーロック_(M1CR6X)
セーフティOK_(M1CR11X)
セーフティOK(ディレー)
(M1CR12X)
サーボ制御電源
ヘッド電源入_(M1CR14X)
下制御盤
背面制御盤
一次電源
INPUT POWER
CN-LS1
CN-LS2
CN-LS3
CN-LS4
A
A
PC
LAN
LAN
CN3B
CN3A
CN-M1SOL11
M1FAN1
M1FAN2
フェライトコア
FERRITE CORE
:XH00810
A
フェライトコア
:XH00820
FERRITE CORE
B

20 1
20 2
20 3
20 4
20 5
20 6
20 7
20 8
20 9
21 0
21 1
21 2
21 3
21 4
215
216
217
218
219
220
221
222
223
224
225
226
227
228
229
NAME PAGE
2
2
TITLE TYPE
AHC-01
DRAWING No.
接続図
CONNECTION DIAGRAM
総合接続図
INTEGRATED CONNECTION DIAGRAM
FUJI SECRET
2RGKBM008400
AWG 1 4 AWG 14
AWG 14
AWG 18
AWG 14
AWG 14
AWG 14
AWG 14
AWG 14
AWG 14
アースBKT
EARTH BKT
M1NFB1 部
M1NFB1 SIDE
EEBM101*
PE
M1SK1
(2EGKBA0118**)
M5アースボス
M5 EARTH BOSS
M1NF1
(2EGKBA0059**)
M1REC1(AC)
(2EGKBA0136**)
M1REC1(G)
(2EGKBA0060**)
M1REC2(CPUBOX)
(2EGKBA0129**)
M1SA1(SERVO BOX)
(2EGKBA0041**)
BKT 扉 部
BKT DOOR SIDE
(2EGKBA0062**)
CPU Box取付台
CPU BOX MOUNT
(2EGKBA0063**)
M1CN1
(2EGKBA0080**)

NAME
TITLE
DRAWING No.
設定表
SETTING TABLE
2RGKBM004602
SENSOR A/D,485/232 CONVERTOR
流量センサ A/D 485/232変換器
TYPE
AHC
1
1
FUJI SECRET
M1AD1 M1COV1
M1AD1 設定
M1COV1 設定
設 定 項 目 設 定 値 設定時表示
通信速度
通信プロトコル
nonL:
神港標準
(Defalt)
□9:9600bps
(Default)
nonL:神港標準(Default),
nodA:Modbus ASCCI,
nodr:Modbus RTU
□2:2400bps,
□4:4800bps,
□9:9600bps,
19:19200bps,
通信機器番号
送受信時切替時間キャラクタ
1C
0~95 (Default=0)
1C:1キャラクタ,(Default))
1C:1Character
通信速度
□□96:9600bps
(Default)
□□24:2400bps,
□□48:4800bps,
□□96:9600bps,
□192:19200bps,
SETTING TIME DISPLAY
SETTING VALUESETTING ITEMS
CONFIGURATION
設定時表示
SETTING TIME DISPLAY
設 定 値
SETTING VALUE
設 定 項 目
SETTING ITEMS
COMMUNICATION
PROTOCOL
COMMUNICATION
EQUIPMENT NUMBER
COMMUNICATION SPEED
COMMUNICATION SPEED
SEND AND RECEIVE SWITCHING TIME
2C:2キャラクタ
2C:2Character
CONFIGURATION