CP-7系列机械手册 - 第97页
第 3 部 第 2 章 加油 Edition 2.0 3-2-3 CP-733E/743ME/7 43E 机械手册 CP-7 系列除了前 面所提到的润滑油枪配套工 具以外,还需要以 下的专用油嘴。 3st LM C7SM3115S DGPJ054* NG LM DGPJ055* ADGPJ818* NZ LM 备注 备注 备注 备注 ) ) ) ) 关于 关于 关于 关于 3st 3st 3st 3st 吸嘴离合器 吸嘴离合器 吸嘴离合…

第 2 章 加油 第 3 部
CP-733E/743ME/743E 机械手册 3-2-2 Edition 2.0
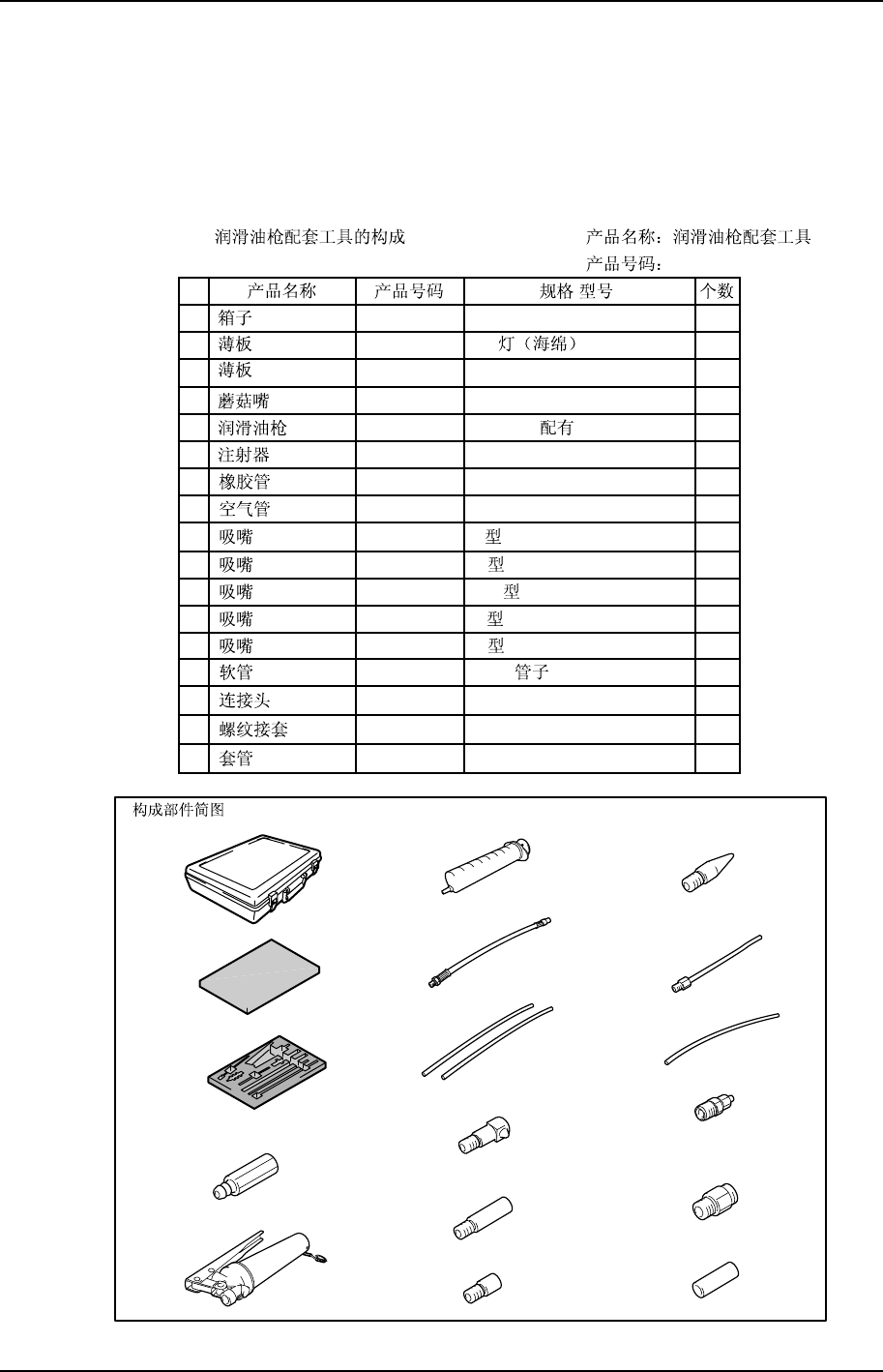
润滑油枪配套工具的介绍
润滑油枪配套工具的介绍润滑油枪配套工具的介绍
润滑油枪配套工具的介绍
本公司销售可以使用在所有型号机器上的润滑油枪配套工具。这一套配套工具,除了泵以外
还附有适合各种润滑油嘴的吸嘴。因此用这套工具可以方便地在机器的各个加油处加油。如
希望购买者请向代理店查询。
AWPJ8201
FUJI
C7SM3026S
1
1
1
1
1
1
1
1
1
1
1
1
1
1
1
1
U
PTFE 2x3-150mm
1
2
3
4
5
6
7
8
9
10
11
12
13
14
15
16
17
No.
PE
EA506J
KH-120 (
HSP-1)
SJ-S30S
SPK-3C
TU0604B-310mm
L
N
N-1
P
PN-1/8-PT1/8-BS
TS6-01
40-13
WPJ1271
WPJ1281
PJ
WPJ1261
K1153F
S2184A
H5456T
T2063H
N5004A
N5005A
N5006A
N5007A
N5008A
T2061E
K5030T
S2176B
S3084A
2
Polyurethane
1
2
3
4
5
6
7
8
9
10
11
12
13
14
15
16
17
C7SM3027S

第 3 部 第 2 章 加油
Edition 2.0 3-2-3 CP-733E/743ME/743E 机械手册
CP-7 系列除了前面所提到的润滑油枪配套工具以外,还需要以下的专用油嘴。
3st
LM
C7SM3115S
DGPJ054*
NG
LM
DGPJ055*
ADGPJ818*
NZ
LM
备注
备注备注
备注)
))
) 关于
关于关于
关于 3st
3st3st
3st 吸嘴离合器
吸嘴离合器吸嘴离合器
吸嘴离合器 LM
LMLM
LM 滑块用的油嘴
滑块用的油嘴滑块用的油嘴
滑块用的油嘴
X No.
X No.X No.
X No.为以下机器时,不需要
为以下机器时,不需要为以下机器时,不需要
为以下机器时,不需要 3stLM
3stLM3stLM
3stLM 滑块用的油嘴。
滑块用的油嘴。滑块用的油嘴。
滑块用的油嘴。
CP-733E
CP-733ECP-733E
CP-733E : X No.225
: X No.225: X No.225
: X No.225 以后
以后以后
以后
CP-743ME
CP-743MECP-743ME
CP-743ME : X No.415
: X No.415: X No.415
: X No.415 以后
以后以后
以后
CP-743E
CP-743ECP-743E
CP-743E : X No.296
: X No.296: X No.296
: X No.296 以后
以后以后
以后
加油的要领
加油的要领加油的要领
加油的要领
机器各个部位的加油要领使用插图以及表格来表示。
润滑剂的种类以及加油周期
润滑剂的种类以及加油周期润滑剂的种类以及加油周期
润滑剂的种类以及加油周期
加油处、润滑油的种类以及加油周期以表格的形式来说明。
加油周期以 1 天 8 小时,1 周 5 天(40 小时),1 个月 20 天(160 小时)的程度,来假定机
器的运行。但是如果以 2 班制或 3 班制工作,来运行机器的话,请以如下的说明作为基准。
每天: 电源投入时间达到 8 小时,每 8 小时更换一班的话,则以每次的交班或经过
一天作为时间点。
每周: 包括 2 班制或 3 班制的场合,将电源投入时间达到 40 小时作为时间点,或
将经过一周的时间作为时间点。
每月: 包括 2 班制或 3 班制的场合,将电源投入时间达到 160 小时作为时间点,
或将经过一个月的时间作为时间点。
3 个月: 包括 2 班制或 3 班制的场合,将电源投入时间达到 480 小时作为时间点,
或将经过 3 个月的时间作为时间点。
6 个月: 包括 2 班制或 3 班制的场合,将电源投入时间达到 960 小时作为时间点,
或将经过 6 个月的时间作为时间点。
每年: 包括 2 班制或 3 班制的场合,将电源投入时间达到 1920 小时作为时间点,
或将经过 1 年的时间作为时间点。

第 2 章 加油 第 3 部
CP-733E/743ME/743E 机械手册 3-2-4 Edition 2.0
加油处和加油方法
加油处和加油方法加油处和加油方法
加油处和加油方法
在插图中,加油处由箭头和编号表示。
白箭头的地方表示在润滑部分的表面上涂上润滑油。
黑箭头表示油嘴部分,请使用加油泵来注入润滑油。
LM
LM
(1)
(2)
C7SM3004S
备注
备注备注
备注)
))
)即使在没有油嘴的
即使在没有油嘴的即使在没有油嘴的
即使在没有油嘴的 L
LL
LM
MM
M 滑块的地方,通过在滑块和
滑块的地方,通过在滑块和滑块的地方,通过在滑块和
滑块的地方,通过在滑块和 LM
LMLM
LM 滑轨间
滑轨间滑轨间
滑轨间(轴承漕部)涂上润滑油,轴承
(轴承漕部)涂上润滑油,轴承(轴承漕部)涂上润滑油,轴承
(轴承漕部)涂上润滑油,轴承
球和滚珠上所附的润滑油就可以在
球和滚珠上所附的润滑油就可以在球和滚珠上所附的润滑油就可以在
球和滚珠上所附的润滑油就可以在 LM
LMLM
LM 滑块内部进行润滑
滑块内部进行润滑滑块内部进行润滑
滑块内部进行润滑。
。。
。
关于加油检查清单
关于加油检查清单关于加油检查清单
关于加油检查清单
本章末尾列出了加油检查清单。请按照以下要领进行加油作业的检查。
1. 使用插图中的参照编号来确认加油处。
2. 在进行适当的加油作业以后,请在检查栏中做上记号。